Отчёт по лабе 2.1 ИзМоры Золкин (2019 год) (1246379)
Текст из файла
МИНИСТЕРСТВО ОБРАЗОВАНИЯ И НАУКИ РОССИЙСКОЙ ФЕДЕРАЦИИ
ФЕДЕРАЛЬНОЕ ГОСУДАРСТВЕННОЕ ОБРАЗОВАТЕЛЬНОЕ УЧРЕЖДЕНИЕ ВЫСШЕГО ОБРАЗОВАНИЯ «НОВОСИБИРСКИЙ НАЦИОНАЛЬНЫЙ ИССЛЕДОВАТЕЛЬСКИЙ УНИВЕРСИТЕТ»
Физический факультет
Кафедра общей физики
ОТЧЕТ
О лабораторной работе
«Электроизмерительные приборы и источники питания постоянного тока»
Измерительный практикум, 1 курс
Оглавление
Введение 1
Цель работы. 1
Задание 1. Изучение влияния вольметра на режим работы электрической цепи постоянного тока 2
Оборудование 2
Методика измерений 2
Результаты 2
Задание 2. Изучение влияния амперметра на режим работы электрической цепи постоянного тока 4
Оборудование 4
Методика измерений: 4
Результаты 4
Задание 3. Определение сопротивления электростатического вольтметра 5
Оборудование 5
Методика измерений. 5
Результаты. 5
Задание 4. Определение ЭДС и внутреннего сопротивления источника 6
Оборудование 6
Методика измерений. 6
Результаты. 6
Задание 5. Изучение работы источника питания постоянного тотка в режимах стабилизации тока и стабилизации напряжения 7
Оборудование 7
Методика измерений 7
Результаты 8
Вывод всей работы. 9
Аннотация
В лабораторной работе №2.1 измерительного практикума я исследовала цепи постоянного электрического тока, а также некоторые свойства объектов этих цепей. С помощью предложенных в работе способов были изучены некоторые факторы, оказывающие влияние на результаты измерений в цепи постоянного тока, а именно влияние электроизмерительных приборов (амперметра и вольтметра); кроме того, определены сопротивление электростатического вольтметра, ЭДС и внутреннее сопротивление источника, что также следует учитывать при обработке результатов измерений.
Введение
Изучение свойств электроизмерительных приборов и источников питания постоянного тока является важной работой, в особенности для студентов физфака и в принципе всех, кому когда-либо придется сталкиваться с электрическими цепями. Конечно, нельзя также пренебрегать тем, насколько часто мы сталкиваемся с электрическими приборами в повседневной жизни. Но тогда основной проблемой является то, что обычный человек большую часть времени не задумывается о том, как работает тот или иной прибор; более того, многие знания о якобы принципах работы являются зачастую ошибочными, многое мы склонны принимать «на веру», что категорически противоречит научным принципам. Поэтому студенту необходимо самостоятельно изучить работу некоторых приборов, проверить соответствие полученных данных теоретическим законам, пронаблюдать влияние различных факторов измерений на конечный результат, который, как мы знаем, не является всегда абсолютно достоверным из-за погрешностей.
Цель работы
Познакомиться с устройством, принципом действия электромеханических и цифровых измерительных приборов; научиться проводить измерения тока и напряжения в цепях постоянного тока, а также с режимами работы источников питания постоянного тока.
Оборудование
Источники питания постоянного тока, вольтметры, амперметры, цифровые мультиметры, магазин сопротивлений, макетные платы.
Задание 1. Изучение влияния вольтметра на режим работы электрической цепи постоянного тока
Оборудование:
Вольтметр магнитоэлектрической системы М2044 (или аналогичный); цифровой мультиметр серии GDM-8145; источник питания постоянного тока Б5-47; панель с делителем напряжения.
Методика измерений:
Для проведения эксперимента была собрана установка, представленная на рисунке ниже.
В задании предлагалось измерить разность потенциалов на клеммах источника тока и сравнить ее со значением, полученным при измерении разности потенциалов в точках А и В. Для этого к соответствующим точкам надо было подключить мультиметр, переведенный в режим измерения постоянного напряжения (DC,V).
Далее было предложено измерить напряжение с использованием двух вольтметров: мультиметра и вольтметра магнитоэлектрической системы (V1 и V2 на рисунке). Измерения вольтметром M2044 проводились на разных пределах шкалы: 75,30,15. По итогу проведенных измерений требовалось указать причину различия показаний двух вольтметров,.
Результаты.
Сопротивления на делителе напряжения:
R1-2=300 Ом
R1=152,62 Ом
R2=148,58 Ом
Напряжение на клеммах источника и на сопротивлении:
U1=U2=20,03B
Результаты дальнейших измерений внесены в таблицу 1. Причиной различия показаний вольтметров является сопротивление вольтметра: чем меньше Rv, тем больше отличие измеренных показаний от расчётных. Поэтому главное требование для вольтметра – это большое сопротивление.
Сопротивление вольтметра магнитоэлектрической системы можно рассчитать, как по данным на его шкале, так и с помощью косвенных измерений. Погрешность рассчитывается исходя из паспортных данных вольтметров.
Cопротивление GDM-8145 (по паспортным данным):
Rv=10^7 Oм
Погрешность GDM-8145(по паспортным данным)
ΔUGDM=0,0003*Uизм +4D(4 знака после запятой)
Сопротивление M2044:
R1=75/(0,15*10^-3)=5*10^5 Ом
R2=0,3/(0,6*10^-3)=5*10^4 Ом
R3=15/(0,3*10^-4)=5*10^4 Ом
-совпадают с измеренными значениями
Погрешность М2044 (по паспортным данным):
ΔU=0,2U/100 => 0,2%
ΔU1=0,2*75/100=0,15B
ΔU2=0,2*30/100=0,06B
ΔU3=0,2*15/100=0,03B
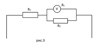
Определим расчётное напряжение (рис.3)
R=R1+Rобщ – сопротивление цепи
R=R1+R2*Rv/(R2+Rv)
I=UAB/R
Uрасчетное=I*Rобщ=Rобщ*UAB/(R1+Rобщ)=R2*Rv*UAB/(R1*(R2+R1)+R2*Rv)=
UAB/(1+R1*(R2+R1)/(R2*Rv))
Таблица 1. Результаты измерений
| Вольтметр | Шкала, В | U, В | ΔU, В | U расчетное, В | Rv, Ом | U, В При параллельном соединении | |
| GDM-8145 | 20 | 10,086 | 0,003 | 10,2 | 10^7 | M2044 | GDM-8145 |
| M2044 | 75 | 9 | 0,15 | 10,2 | 5*10^5 | 9 | 8,78 |
| M2044 | 30 | 10 | 0,06 | 10,2 | 5*10^4 | 4,0 | 4,06 |
| M2044 | 15 | 4,1 | 0,03 | 10,2 | 5*10^4 | 4,1 | 4,06 |
Задание №2. Изучение влияния амперметра на режим работы электрической цепи постоянного тока
Оборудование:
Амперметр – цифровой мультиметр DT838 (или аналогичный); источник питания постоянного тока Б5-47; панель с сопротивлением R ≈ 10 Ом.
Методика измерений.
В задании предложено сравнить измеренные значения тока с расчётными. В начале необходимо измерить разность потенциалов на выходных клеммах и рассчитать ток в цепи при подключении сопротивления (без учета сопротивления амперметра). Затем нужно было собрать схему на рис.2 и получить значения токов, измеренных на различных пределах амперметра.
Результаты.
Результаты измерений занесены в таблицу 2.
Таблица 2. Результаты измерений
| Предел, mA | Iэксп, mA | ΔI,mA | RA, Ом | Ip, mA С учетом RA | Ip,mA Без учета RA |
| 200 | 7,1 | 0,171 | 1,7 | 7,6 | 8,8 |
| 20 | 4,14 | 0,1414 | 11,2 | 4,4 | |
| 2 | 0,824 | 0,01824 | 101,2 | 0,88 |
ΔI: 1% + ед. счёта
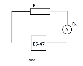
Согласно рис.4 определим Iрасчетное:
U=0,099B
R=11,3 Ом
Rобщ=R+RA
-
I=U/(R+RA)
Чем выше сопротивление амперметра, тем меньше сила тока в цепи. Поэтому условие идеального амперметра – максимально малое сопротивление RА→0.
Задание №3. Определение сопротивления электростатического вольтметра
Оборудование:
Электростатический вольтметр С-50, секундомер.
Методика измерений.
В задании предлагается оценить сопротивление вольтметра по времени разрядки конденсатора, который является измерительной частью электростатического вольтметра. Значение сопротивления в паспортных данных отсутствует, т.к. сопротивление в основном связано с токами утечки и сильно зависит от условий эксплуатации. Такой метод предлагается в связи с тем, что существует закон изменения напряжения от времени при разряде емкости конденсатора: U=U0exp(-t/RC), где U0, R, C – начальное напряжение, сопротивление и емкость соответственно.
Требовалось зарядить емкость электростатического конденсатора и записать изменения показаний во времени с интервалами 5 мин. или 5В.
Результаты.
Результаты измерений занесены в таблицу 3.
Таблица 3. Результаты измерений
| t, мин | 0 | 5 | 10 | 15 | 20 | 25 | 30 | 35 | 40 |
| U, В | 56,5 | 51 | 48 | 45,5 | 43 | 41 | 39,5 | 37,5 | 36 |
График ln(U/U0)(t) и вычисления по методу наименьших квадратов представлены во вложении (на миллиметровке).
Из экспоненциального закона U=U0exp(-t/RC) =>
U/U0=exp(-t/RC) => ln(U/U0)=-t/RC (1)
Из формулы (1) получаем линейную зависимость от времени в правой части уравнения, поэтому графиком в приближении является прямая (которую проводим, используя метод наименьших квадратов). Прямая задается уравнением y=αx+b
=> α=-/RC=-/
R, т.к. С≈10пФ
Но в то же время из графика имеем α=-0,01
=> R=
Oм
Класс точности электростатического вольтметра С-50 равен γ=0,5 (из паспортных данных). Т.к. шкала принимает максимальное значение Хмах=150В, а γ=
, то абсолютная погрешность составляет ΔХ=0,75; значит, относительная погрешность δ=
=
Задание 4. Определение ЭДС и внутреннего сопротивления источника
Оборудование:
Источник питания постоянного тока с большим внутренним сопротивлением; цифровой мультиметр серии GDM8145, вольтметр магнитоэлектрической системы серии М2044 (или аналогичный).
Методика измерений.
Характеристики
Тип файла документ
Документы такого типа открываются такими программами, как Microsoft Office Word на компьютерах Windows, Apple Pages на компьютерах Mac, Open Office - бесплатная альтернатива на различных платформах, в том числе Linux. Наиболее простым и современным решением будут Google документы, так как открываются онлайн без скачивания прямо в браузере на любой платформе. Существуют российские качественные аналоги, например от Яндекса.
Будьте внимательны на мобильных устройствах, так как там используются упрощённый функционал даже в официальном приложении от Microsoft, поэтому для просмотра скачивайте PDF-версию. А если нужно редактировать файл, то используйте оригинальный файл.
Файлы такого типа обычно разбиты на страницы, а текст может быть форматированным (жирный, курсив, выбор шрифта, таблицы и т.п.), а также в него можно добавлять изображения. Формат идеально подходит для рефератов, докладов и РПЗ курсовых проектов, которые необходимо распечатать. Кстати перед печатью также сохраняйте файл в PDF, так как принтер может начудить со шрифтами.
















