Бабин Диплом (1234945), страница 8
Текст из файла (страница 8)
Точить поверхность 2. Станок 1К62. Штангенциркуль ШЦ-I -400-0,1-1 ГОСТ 166-89.Скоба 65b12 8113-0147
Точить поверхность 1 окончательно. Станок 1К62.Скоба 80,2h11 8113-0153. Точить конус 3. Станок 1К62. Резец Д21-587-25. Шаблон Д83-1452
Штангенциркуль ШЦ-I -125-0,1-1 ГОСТ 166-89
Рисунок 3.4 – Токарно – винторезная операция
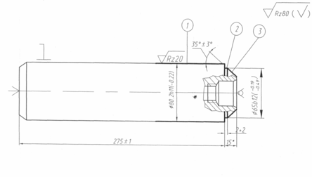
025 Вертикально-сверлильная
Сверлить отверстие 1 с двукратным выводом сверла. Станок 2Н135. Сверло 4,5 2300-0031 ГОСТ 886-77. Патрон Д61-004-6.Втулка 6100-0202 ГОСТ 13598-85. Втулка 6100-0206 ГОСТ 13598-85. Штангенциркуль ШЦ-II -125-0,1-1 ГОСТ 166-89. Пробка 4,5Н13 8133-0908. Образцы шероховатости ГОСТ 9378 – 93
Рисунок 3.5 – Вертикально – сверлильная операция
030 Разметка
Плита 3-3-1000
630 ГОСТ 10905-86
035 Вертикально-сверлильная.
Сверлить 2 отверстия согласно эскизу по разметке, выдерживая
14,2+0,2. Станок 2Н55. Втулка 6120 – 0353 ГОСТ 13409 – 83. Патрон 6251 – 0182 ГОСТ 14077 – 83. Втулка 6100 – 0206 ГОСТ 13598 – 85.Сверло 14,0 2301 – 0046 ГОСТ 10903-77. Штангенциркуль ШЦ-I-125-0,1-1 ГОСТ 166 – 89. Образцы шероховатости ГОСТ 9378 – 93.
Зенковать 2 фаски согласно эскизу. Станок 2Н55. Зенковка Н23-38-08
45
90о.
Нарезать резьбу в 2-х отверстиях согласно эскизу. Патрон М12 – М30 3 ГОСТ 8255 – 86. Метчик М16
2 2620 – 1619 2 ГОСТ 3266 – 81. Пробка М16
2 – 6Н 8221 – 3067 ГОСТ 17758 – 72.
Рисунок 3.6 – Вертикально – сверлильная операция
036 Термообработка ТВЧ h 2..3, 50..55 HRC по технологии БТО
040 Специальная токарная
Прикатать центровые отверстия 1,2. Станок АС65. Образцы шероховатости ГОСТ 9378-93
041 Слесарная
Калибровать 2 отв. М16. Верстак слесарный. Тиски слесарные 7827 – 0258 ГОСТ 4045 – 75. Вороток 6910 – 0164 ГОСТ 22395-77. Метчик М16
2 2620 – 1619 2 ГОСТ 3266-81. Пробка М16
2 – 6Н 8221 – 3044 ГОСТ 17758-72
045 Круглошлифовальная
Шлифовать поверхность 1 с переустановкой детали. Станок 3Б161. Круг I 600
63
305 24А 25-П СМ2 7 К5 35м/с Б Iкл ГОСТ 2424 – 83. Образцы шероховатости ГОСТ 9378-93. Скоба 80-0,5-0,6 8113 – 0144
3.5. Расчет режимов резания
Определение основных режимов обработки детали на станках является неотъемлемой частью технологической подготовки производства. Рассчитываемые режимы подбираются под инструмент с оптимальным соотношением его геометрических характеристик. Для назначения режима резания необходимо учитывать множество факторов, главные из которых: тип механической операции, требуемое качество обработки, физико-механические свойства материала обрабатываемой детали.
На указанном этапе дипломного проектирования выполним расчет режимов резания для операций: 005 Фрезерно-центровальная, 010 Радиально-сверлильная, 015Токарно-винторезная, 020 Токарно-винторезная, 025 Вертикально-сверлильная, 035 Радиально-сверлильная, 045 Круглошлифовальная
005 Фрезерно-центровальная
Выполняется на станке КЛ2063 /13/ с прямолинейной подачей, концевой фрезой с характеристиками: 125мм, число зубьев
.
Проводим расчет:
-
Определение длины рабочего хода суппорта станка:
(3.1)
где
– длина рабочего хода, мм;
– подвод, врезание и перебег инструмента, мм;
– дополнительная длина хода, мм /13/.
.
2) Назначение подачи на зуб фрезы по нормативам:
.
3) Определение стойкости инструмента
по нормативам /13/.
(3.2)
;
/13/;
.
4) Расчет скорости резания, оборотов шпинделя, минутной подачи.
а) определение рекомендуемой нормативами скорости резания /13/ производим по формуле:
(3.3)
.
5) Глубина резания t=1,5 мм.
б) расчет числа оборотов шпинделя, соответствующего рекомендуемой скорости резания, и уточнение его по паспорту станка:
(3.4)
.
уточняем числа оборотов фрезы по паспорту станка:
.
в) уточняем скорость резания по принятому числу оборотов:
(3.5)
.
г) расчет минутной подачи:
(3.6)
,
где
– подачи на зуб фрезы;
– число зубьев концевой фрезы.
5) Расчет основного машинного времени
:
(3.7)
.
6) Выявление подачи на зуб фрезы по принятым режимам резания:
. (3.8)
7) Сила резания
, Н /12/
где Ср = 300
x = 1;
y = 0,75; /12/
n = 0,15:
- поправочный коэффициент учитывающий влияние геометрических параметров режущей части инструмента на силу резания
/12/
Мощность, затрачиваемая на резание
Условие резания:
0,9Nшп>Nр,
5,6>1,9, т.е. обработка возможна.
010 Вертикально-сверлильная
Выполняется на станке 2Н55 /13/ с прямолинейной подачей, сверлом 9,0 2301-0393 ГОСТ 2092-77
Проводим расчет:
1) Глубина резания 1,2мм
Определение длины рабочего хода суппорта станка по формуле (3.1):
, (3.9)
где
– длина рабочего хода, мм;
– подвод, врезание и перебег инструмента, мм;
– дополнительная длина хода, мм /13/.
.
2) Назначение подачи на оборот шпинделя станка:
.
3) Определение стойкости инструмента
по нормативам /13/ формуле (3.2),(3.3):
;
/45/;
.
4) Расчет скорости резания, оборотов шпинделя, минутной подачи.
а) определение рекомендуемой нормативами скорости резания /13/ производим по формуле (3.4):
.
б) расчет числа оборотов шпинделя по формуле (2.52), соответствующего рекомендуемой скорости резания, и уточнение его по паспорту станка:
.
уточняем числа оборотов фрезы по паспорту станка:
.
в) уточняем скорость резания по принятому числу оборотов по формуле (2.53):
.
5) Расчет основного машинного времени
по формуле (3.7):
.
6) Проверка достаточности мощности электродвигателя станка.
6.1. Мощность, потребная на резание Npeз =
, кВт, где:
Po=10·Cp·Dq·Sy-Kp, H
где Ср = 68; q=1,0; y=0,70 /12/
KMр=
=
= 0,67
Po=10·68·61,0·0,120,70·0,67 = 622,2 Н.
Мкр=10 ·См ·Dq ·Sy Кр, Н·м
где СМ = 0,0345; q=2,0; y=0,80
Мкр=10 ·0,0345 ·6,02,0 ·0,120,8 ·0,67= 1,53 Н·м.
Npeз =
= 0,26 кВт.
6.2. Мощность на шпинделе станка
Nшп.= Nдв ·η = 5,0·0,85 = 4,25 кВт (по паспортным данным станка) Должно быть выполнено условие Npeз < Nшп (0,26 < 4,25).
015 Токарно-винторезная
Подход 1-Точить поверхность 1:
Применяется станок 16К20 /13/. Резец 2103-0057 ГОСТ 18879-73.
Проводим расчет:
1) Определение длины рабочего хода суппорта станка по формуле (3.1):
,
где
– длина рабочего хода, мм;
– подвод, врезание и перебег инструмента, мм;
– дополнительная длина хода, мм /13/.
.
2) Назначение подачи суппорта на оборот шпинделя
:
определение рекомендуемой подачи по нормативам /13/: руководствуясь рекомендациями, выбираем:
.
3) Определяем стойкость инструмента по нормативам
/13/ по формуле:
,
где
– стойкость работы (зависит от числа инструментов в наладке);
– коэффициент времени резания /13/.
4) Расчет скорости резания
и оборотов
шпинделя.
а) определяем рекомендуемые скорости резания по нормативам /13/ по формуле (2.48):
,
где
– коэффициент, зависящий от обрабатываемого материала;
– коэффициент, зависящий от стойкости и марки твердого сплава;
– коэффициент, зависящий от вида обработки /13/.
.
б) рассчитываем рекомендуемое числа оборотов шпинделя станка по формуле (3.3):
в) уточняем числа оборотов шпинделя по паспорту станка:
.
г) уточняем скорость резания по принятому числу оборотов шпинделя по формуле (3.5):
.
5) Расчет основного машинного времени обработки
по формуле (3.7):
.
Подход 2- Точить поверхность 2:
Применяется станок 1К62 /13/. Резец 2103-0057 ГОСТ 18879-73.
Проводим расчет:
1) Определение длины рабочего хода суппорта станка по формуле (3.1):
,
где
– длина рабочего хода, мм;
– подвод, врезание и перебег инструмента, мм;
– дополнительная длина хода, мм /13/.
.
2) Назначение подачи суппорта на оборот шпинделя
:
определение рекомендуемой подачи по нормативам /13/: руководствуясь рекомендациями, выбираем:
.
3) Определяем стойкость инструмента по нормативам
/13/ по формуле (3.3):
,
где
– стойкость работы (зависит от числа инструментов в наладке);
– коэффициент времени резания /13/.
4) Расчет скорости резания
и оборотов
шпинделя.
а) определяем рекомендуемые скорости резания по нормативам /45/ по формуле (3.4):
,
где
– коэффициент, зависящий от обрабатываемого материала;
– коэффициент, зависящий от стойкости и марки твердого сплава;
– коэффициент, зависящий от вида обработки /13/.
.
б) рассчитываем рекомендуемую частоту вращения шпинделя станка по формуле (3.5):















