Пояснительная записка (1232974), страница 7
Текст из файла (страница 7)
При частотном регулировании:
[5.6]
4.2. Вариант №2, режим-2.
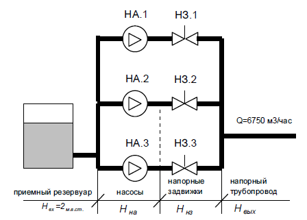
Расчетная упрощенная технологическая схема режима-2 приведена на рисунке 4.5
Рисунок 4.5 - Расчетная технологическая схема режима работы КНС с производительностью 6750
; режим – 2 (в работе три насосных агрегата)
С учетом, что реконструкцией предусматривается установка только двух преобразователей частоты, то режим-2 с частотным регулированием подразумевает работу третьего агрегата без частотного регулирования. В связи с этим режимы дросселирования и частотного регулирования рассмотрим на отдельных напорных характеристиках.
На рисунке 4.6 приведены напорные характеристики насосов и сети для режима-2 при регулировании дросселированием в предположении, что распределение нагрузки между насосами равномерное.
Рисунок 4.6 - Работа двух насосов с общей производительностью
/ч (с дросселированием и частотным регулированием).
В соответствии с характеристикой сети, для обеспечения производительности Q=6750м3/час, требуется напор на выходе насосной равный Hвых.= 47м.в.ст. и параллельной работы трех насосов, каждый с производительностью QНА=2250м3/час (предполагается, что загрузка насосов одинакова).
Мощность, потребляемая из сети, определяется выражением:
На рисунке 4.5 приведены напорные характеристики насосов и сети для режима-2 при частотном регулировании.
Рисунок 5.5 - Работа двух насосов с общей производительностью
/ч (режим-2) при частотном регулировании (НА №1 и №2 с частотным регулированием, №3 без частотного регулирования).
Мощность, потребляемая из сети при частотном регулировании в данном случае будет равна:
[5.8]
Суммарное потребление электроэнергии по варианту-2 будет равно:
При регулировании дросселированием:
WДР= WДР-1 + WДР-2 =5 435 405 + 3 578 548 = 9 013 953 кВт*час.
При частотном регулировании:
WЧР= WЧР-1 + WЧР-2 =3 806 746 + 3 241 375 = 7 048 121 кВт*час.
Экономия электроэнергии при частотном регулировании по сравнению с дросселированием при расчете по варианту-2составляет:
W = 9013953 - 7048121 = 1965832кВт × час .
Цена годовой экономии электроэнергии при тарифе с НДС за 2015 год.
составит:
7105тыс.руб.
ЗАКЛЮЧЕНИЕ
Итогом данной дипломной работы стал разработанный проект по автоматизации электропривода канализационной насосной станции №5А.
-
обеспечение автоматического управления насосными агрегатами клапанами задвижек, что позволит повысить надежность всей системы и исключить человеческий фактор, а также вывести человека из опасной рабочей зоны;
-
при использовании частотного регулирования оптимизируется работа станции, заметно увеличится сохранность ресурсов оборудования и продлит срок службы
В дипломном проекте был описан технологический процесс работы канализационной насосной станции, был обоснован выбор насосных агрегатов фирмы Morris серии 7100 NC. Выбран электропривод марки СДН 2-16-36-8У3.
Выбран и описан принцип работы преобразователя частоты фирмы TMEIC серии TMdrive – MVG2. Разработаны и описаны функциональная и структурная схема канализационной насосной станции №5А.
Проведена экономическая оценка – сравнение по экономии электроэнергии, при подсчете которой было определено, что станция будет экономить 6-7 миллионов в год за счет внедрения частотных преобразователе.
СПИСОК ИСПОЛЬЗУЕМЫХ ИСТОЧНИКОВ:
-
Канализационные Насосные станции для промышленного и гражданского строительства [электронный ресурс] ecoplast-russia.ru
-
Карелин В. Я., Минаев А. В. Насосы и насосные станции: Учебник для вузов. — 2-е изд., перераб. и доп. — Москва: Стройиздат, 1986. — 320 с, ил.
-
Яковлев С. В., Карелин Я. А., Жуков А. И., Колобанов С. К. Канализация. Учебник для вузов. Изд. 5-е, перераб. и доп., - Москва: Стройиздат, 1975. - 632 с.
-
Насосы для водоотведения. Техническое пособие. – (http://ru.grundfos.com/content/dam/GMO/Documentation/books/Wastewater-70080653-0510.pdf)
-
Строительные нормы и правила [электронный ресурс] http://снип.рф
-
Н.А.Абрамов. Водоснабжение: Учебник для вузов. Стройиздат, 1984. – 406 с.
-
Каталог насосов компании Morris марки 7100 [электронный ресурс] -(https://ru.grundfos.com/content/dam/GMO/Documentation/leaflets/Morris7100_70074830_0215.pdf)
-
Брошюра о частотном преобразователе [электронный ресурс] – (https://www.tmeic.com/Repository/Brochures/TMdrive-MVG_A4_Brochure_lowres_1245682774.pdf)















