Пояснительная записка (1232974), страница 2
Текст из файла (страница 2)
ВИДЫ КАНАЛИЗАЦИЙ
-
Теория канализации, их виды и размещение
Канализация является одним из видов инженерного оборудования и благоустройства населенных пунктов, жилых, общественных и производственных зданий, обеспечивающих необходимые санитарно-гигиенические условия и высокий уровень удобств для труда, быта и отдыха населения.
Под канализацией понимается комплекс оборудования, сетей и сооружений, предназначенных для организованного приема и удаления по трубопроводам за пределы населенных пунктов или промышленных предприятий загрязненных сточных вод, а также для их очистки и обезвреживания перед утилизацией или сбросом в водоем.
Объектами канализации являются здания жилого, общественного, производственного, служебного и специального назначения, оборудованные внутренним водопроводом и канализацией, а также вновь строящиеся, существующие и реконструируемые города, поселки городского типа, сельские и дачные поселки, курорты, промышленные предприятия, комбинаты и промышленные районы.
Внутренняя канализация служит для приема сточных вод в местах их образования и для отведения за пределы здания в наружную канализационную сеть. Наружная канализация предназначена для транспортирования сточных вод за пределы населенных пунктов или промышленных предприятий на очистные сооружения, которые служат для обезвреживания сточных вод, выпуска очищенных вод в водоем без нарушения его естественного состояния и обработки осадка в целях дальнейшей его утилизации.
Сточными называются воды, использованные на бытовые, производственные или другие нужды и загрязненные при этом дополнительными примесями, изменившими их первоначальный химический состав и физические свойства, а также воды, стекающие с территории населенных пунктов и промышленных предприятий в результате выпадения атмосферных осадков или поливки улиц.
В зависимости от происхождения, вида и качественной характернее тики примесей сточные воды подразделяют на три основные категории: бытовые (хозяйственно-фекальные), производственные (промышленные) и дождевые (атмосферные) [3].
1.2 Автоматизация насосных станций путем внедрения преобразователя частоты в систему
До сих пор широко распространен способ регулирования подачи насосных агрегатов с помощью дросселирования напорных линий и регулирования количества функционирующих аппаратов. Параметром регулирования, как правило, является давление в трубопроводе. При этом насосные агрегаты устанавливаются исходя из определенных расчетных (прогнозируемых) характеристик работы системы. Мощность насосов нередко выбирается с припуском в большую сторону, чтобы предотвратить внезапные экстренные ситуации с подачей. После запуска агрегаты непрерывно работают во флагманском режиме без учета колебаний расхода и напора воды. Даже в ночной период, когда не требуется значительных усилий в связи с низким водопотреблением, насосы вынуждены работать в том же рабочем темпе, что и днем, при этом расходуя значительное количество электроэнергии.
Появление технологии регулируемого электропривода позволило поменять ориентиры: теперь условия подачи продиктованы неприменением той или иной насосной установки, а непосредственно характеристиками трубопровода. Большую популярность в мире получил частотно регулируемый электропривод с асинхронным электродвигателем. Изменение частоты вращения вала двигателя осуществляется с помощью электронного прибора, который принято назвать преобразователем частоты. Регулирование скорости происходит с помощью изменения частоты и амплитуды трехфазного напряжения, поступающего на электромотор. Таким способом, изменяя параметры питающего напряжения (частотное управление), можно управлять скоростью вращения электродвигателя, устанавливая ее как ниже, так и выше номинальной.
В основе метода частотного управления лежит несложный принцип. Частота промышленной сети, как правило, составляет 50 Гц. К примеру, мы используем насос с двухполюсным электродвигателем. При заданной частоте сети, скорость вращения электродвигателя составит 3000 оборотов в минуту (50 Гц х 60 сек.). При этом на выходе мы получаем номинальный напор и производительность, соответствующую паспорту агрегата. Используя преобразователь частоты, мы можем понизить частоту подаваемого переменного напряжения, а, следовательно, изменится напор и производительность самого насоса. Частотный преобразователь меняет частоту соответствующим образом, основываясь на данных специального датчика давления, который устанавливается в трубопроводе.
2 ОПИСАНИЕ ТЕХНОЛОГИЧЕСКОГО ПРОЦЕССА РАБОТЫ КАНАЛИЗАЦИОННОЙ НАСОСНОЙ СТАНЦИИ № 5-а
2.1 Состав существующей системы канализационной насосной станции № 5А
На рисунке 2.1 приведена существующая функциональная схема канализационной насосной станции №5А. В ней представлена работа станции до модернизации, т. е. без внедрения частотного регулирования.
Рисунок 2.1 - Существующая схема канализационной насосной
станции КНС – 5А
Состав и технические характеристики существующего оборудования:
Насосные агрегаты:
- тип насосного агрегата – Morris 7100 NC;
- номинальный напор – 56 м.в. ст.;
- номинальный расход – 3000 м3/ч;
- количество насосных агрегатов в группе – 5;
- тип приводного электродвигателя – АДЧР-630-6.0-8-У1;
- номинальная мощность электродвигателя – 630 кВт;
- номинальное напряжение – 6 кВ;
- номинальный линейный ток – 81 А;
- номинальная частота питания – 50 Гц;
- номинальная синхронная скорость – 750 об/мин;
- система охлаждения – принудительная вентиляция;
- встроенная система защит насосного агрегата и электродвигателя
(РТС датчики контроля температуры подшипников насоса, подшипников электродвигателя, фаз статора).
Задвижки на напоре насосных агрегатов.
Задвижки на выходных напорных магистралях.
Задвижки секционирования напорной магистрали.
Распределительное устройство питания насосных агрегатов от сети 50 Гц:
- номинальное напряжение – 6 кВ;
- тип ячеек – 8DJH «Siemens» комплектное распределительное устройство элегазовое (КРУЭ) с одинарной системой сборных шин, токи присоединений до 630 А, ток сборных шин 630 А;
- количество вводов – 4;
- количество секций – 2;
- ячейка секционного выключателя – 1;
- ячейки с трансформаторами напряжения – 2;
- ячейки отходящих линий на агрегаты – 5;
- ячейки трансформаторов собственных нужд –2.
Ячейки питания преобразователей частоты в количестве 2 шт. на 8DJH «Siemens» с системой управления и защит серии SIPROTEC.
Характеристика приемного отделения:
- количество приемных резервуаров КНС – 1;
- количество отделений приемного резервуара – 2;
- возможность разделения на технологические отделения – да;
- глубина приемного резервуара – 4 м.
2.2 Технические и электротехнические решения по модернизации КНС – 5А
В процессе модернизации канализационной насосной станции были приняты следующие технические и элеткротехнические решения:
- В части установки станции частотного управления высоковольтными электродвигателями для автоматизации технологического процесса регулирования производительности насосных агрегатов, включающей в себя:
а) комплектную высоковольтную станцию частотного управления (ВСЧУ) предназначенную для автоматического согласованного управления группой перекачивающих насосных агрегатов КНС с частотным регулированием их производительности в функции регулирования уровня стоков приемного резервуара. В качестве устройств частотного регулирования приняты преобразователи частоты типа ТМdrive-MVG-105/6, производства TMEIC, с многоуровневым принципом формирования выходного напряжения;
б) локальную систему автоматического управления в составе ВСЧУ, которая обеспечивает контроль текущего режима, оперативное управление и
архивирование состояний основного технологического оборудования – насосными агрегатами, задвижками на напоре агрегатов, уровней в приемном
резервуаре – в режиме реального времени;
в) оборудование вспомогательных систем помещения установки ВСЧУ (систем отопления, кондиционирования и вентиляции);
г) обустройство помещения высоковольтных преобразователей частоты в соответствии с требованиями производителей оборудования.
- По модернизации РУ-6кВ с заменой существующих ячеек на ячейки с элегазовой изоляцией типа 8DJH производства фирмы «Siemens», включающей в себя:
а) организацию питания оперативных цепей ячеек РУ-6кВ на напряжении 220В постоянного тока;
б) данные по прокладке силовых кабелей 6 и 0,4кВ, а также контрольных кабелей, с соответствующим демонтажем существующих линий;
в) расчет компенсации реактивной мощности, а также данные по выбору и установке соответствующих регулируемых конденсаторных установок;
г) расчет токов короткого замыкания, выбор оборудования и материалов по динамической и термической устойчивости к токам КЗ;
д) расчет релейной защиты в реконструируемом РУ-6кВ, с согласованием действия защит относительно питающих сетей;
е) схема модернизируемого РУ-6кВ принята четырех секционной и определяется внедрением преобразователей частоты для асинхронных двигателей.
- По созданию системы автоматизированного диспетчерского контроля основных технологических параметров объекта, включающее в себя:
а) установку первичных преобразователей технологических параметров в объеме, предусмотренном техническим заданием и концепции построения
системы автоматизированного управления и диспетчерского контроля технологических объектов МУП города Хабаровска «Водоканал»;
б) установку шкафов управления вспомогательным оборудованием, нормирования, согласования, индикации и контроля данных первичных преобразователей;
в) создание местного диспетчерского пульта управления и контроля, с
функциями архивирования данных в режиме реального времени.
Электротехнические решения
Исходя из условия бесперебойности работы станции, реконструкция РУ-6кВ и внедрение частотного регулирования производительности насосных агрегатов с созданием локальной системы управления основным технологическим процессом, предусмотрена в два этапа.
Первый этап работ:
- обустройство помещения для установки высоковольтных преобразователей частоты, с оборудованием их вспомогательными системами, в части необходимой для функционирования ВПЧ-2 (отопления, вентиляции и кондиционирования, усиления конструкций, сооружение кабельных каналов и фальшполов, оборудование контура уравнивания потенциалов помещения ВПЧ и монтаж распределительного пункта для питания оборудования ВПЧ-2);
- установка и подключение преобразователя частоты ВПЧ-2 предназначенного для управления 3-мя насосными агрегатами и проведение пусконаладочных работ на указанном оборудовании;
- установка и подключение технологического контроллера станции СТК-500, реализующего функции локальной системы автоматического управления насосными агрегатами и напорными задвижками;
- установка пультов местного управления (ПМУ) насосными агрегатами как от сети 6 кВ, так и в режиме частотного регулирования его производительности. Кроме того, ПМУ содержат органы управления и индикации состояния напорными задвижками.
- установка кнопок тригерного действия для обеспечения функций аварийного отключения непосредственно у насосного агрегата (на отметке
-8.900 в машинном отделении);
- установка щита постоянного тока в помещении существующего РУ-6кВ;
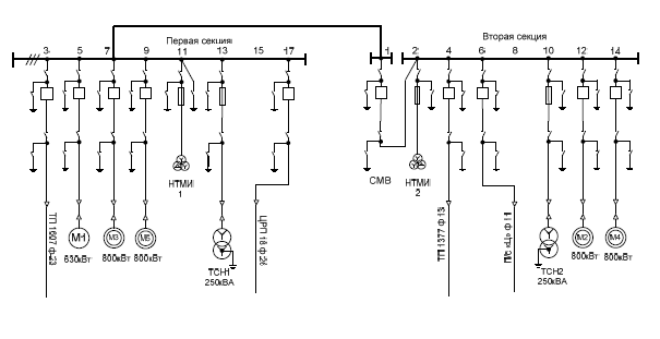
- демонтаж существующих камер второй секции шин (2, 4, 6, 8, 10, 12, 14 - 7 шт.), с сохранением ячейки №1 (реконструкция указанной секции на 1-ом этапе принята, исходя из того, что в настоящее время к ней подключены два главных насосных агрегата из пяти);
- реконструкции фундаментов, демонтированной секции РУ-6кВ;
- установка новых ячеек 6 кВ 2-ой и 4-ой секций шин;
- установка компенсирующих устройств (КРМ) в РУ-6кВ;
- прокладка необходимых силовых и контрольных кабелей;
- подключение щита постоянного тока и проведение необходимых пуско-наладочных работ (ПНР);
- подключение вновь смонтированных секций РУ-6кВ и проведение ПНР;
- подключение одной из установок КРМ к реконструируемой секции и проведение ПНР;















