ПЗ ОБЩАЯ (1232381), страница 4
Текст из файла (страница 4)
В проекте разработаны технологические карты на бетонирование монолитных железобетонных фундаментов в зимний период блок-секций «Б» и «В», устройство плоской рулонной кровли блок-секций «А», «Б», «В», произведен выбор методов производства строительно-монтажных работ, спроектирован календарный план производства работ на весь период строительства, включающий «нулевой цикл», возведение коробки здания, внутреннюю и наружную отделку, специальные виды работ и благоустройство прилегающей территории, сопутствующие графики к нему, разработан строительный генеральный план на возведение надземной части здания.
2.1 Подсчет объемов и трудоемкостей работ
Объемы строительно-монтажных работ определяются на основании архитектурных, а также конструктивных решений проектируемого здания. Показатели трудо- и машиноемкости работ определяются в соответствии с подсчитанными объемами работ, в зависимости от их вида, а также по сметной документации (расчет произведен по сборникам государственных элементных сметных норм ГЭСН-2001 и Единым нормам и расценкам на строительные, монтажные и ремонтно-строительные работы ЕНиР – при разработке технологических карт).
В состав демонтажных работ по блок-секции «А» входят:
- демонтаж деревянных оконных и дверных переплетов и блоков;
- демонтаж старого покрытия пола из линолеума и деревянного пола учебных классов и кабинетов;
- демонтаж краски и старого штукатурного слоя стен и потолков, керамической плитки санузлов;
- демонтаж санитарно-технических приборов, частичный демонтаж трубопроводов и батарей отопления.
Подсчет объемов и трудоемкостей работ сведен в табл. А.1 Приложения А.
2.2 Выбор методов производства строительно-монтажных работ
2.2.1 Общие положения
Реконструкцию ГКУ «Социально-реабилитационного центра для несовершеннолетних «Маячок» предусматривается вести поточным методом производства работ. Демонтажные работы при капитальном ремонте зданий и сооружений начинаются с демонтажа инженерного оборудования. До начала работ по демонтажу инженерного оборудования производят следующие работы:
-
отключение санитарно-технических устройств и электросети от существующих наружных коммуникаций;
-
спускают воду из систем отопления;
-
водомеры, газовые и электрические счетчики демонтируются;
-
отключаются и демонтируются слаботочные устройства - телефонные, радио- и телевизионные сети.
Разборка санитарно-технических систем начинается со снятия смывных бачков, раковин, умывальников, унитазов и ванн. Снятие пригодных для дальнейшего использования фаянсовых изделий производится аккуратно путем отвинчивания шурупов. Одновременно демонтируются водоразборные и запорные краны. Радиаторы отопления перед снятием отсоединяются от трубопроводов, а после демонтажа разбираются на секции, не превышающие по массе 80 кг. При разборке трубопроводов из стальных труб снятие креплений и разъединение труб производится в местах резьбовых соединений. Для облегчения развинчивания муфт, гаек и стояков трубопровод в местах соединений простукивается; уплотняющий материал выжигается с помощью паяльной лампы. Трубопроводы из чугунных труб разбираются после расчеканки раструбов и снятия фасонных частей (в случае их дальнейшей пригодности) или путем их разбивки.
Демонтаж электросети начинается со снятия плафонов, патронов, выключателей штепсельных розеток, электрических щитков, рубильников и др. После снятия арматуры приступают к демонтажу проводки. Электропровода каждого помещения отрезаются от всей системы и снимаются отдельно. Слаботочные кабели снимают, не разрезая, путем протаскивания их через отверстия в стенах Снятые электропровода и кабели распрямляются и сматываются в бухты.
При демонтаже инженерного оборудования и его временного складирования в помещениях нельзя допускать перегрузки перекрытий.
Покрытия полов, пригодных для повторного использования, разбирают в первую очередь до демонтажа инженерного оборудования.
Разборку дощатого пола начинают с отрыва плинтусов. Затем снимают доски, начиная с участка, наиболее удаленного от входа. При возможности их повторного использования целесообразно сохранить порядок их расположения. Для этого доски маркируют. Лаги разбирают с инвентарных переносных настилов, которые укладываются на балки перекрытия.
Разборку линолеумных полов начинают с удаления деревянных или пластиковых порогов и плинтусов. Линолеум, независимо от наличия или отсутствия основы, отрывают от основания, очищают и скатывают лицевой стороной внутрь рулона.
Стяжки (монолитные цементно-песчаные. асфальтобетонные) разрыхляют с помощью отбойных молотков или перфораторов, загружают в контейнеры и удаляют с перекрытия.
Демонтаж оконных заполнений начинают с переплетов, которые снимают вместе с форточками. В зависимости от качества переплетов и конструкции навесов, их отрывают от коробок гвоздодерами или снимают, выкручивая шурупы. Стекло и приборы снимают с переплетов, используя специальные переносные верстаки. Стекло складируют в вертикальном положении в специальных ящиках. После демонтажа переплетов отбивают штукатурку откосов и снимают подоконные доски.
Демонтаж дверных заполнений начинают со снятия скобяных изделий (дверных ручек, шпингалетов, замков и т.п.) и стекол из дверных полотен. Затем снимают дверное полотно, сняв предварительно наличники со стороны дверного полотна. Там, где сняты наличники, деревянную коробку раскрепляют досками или планками: две доски прибивают под углом 45 градусов в верхних углах коробки, а третью - горизонтально в нижней ее части. Раскрепленную коробку ломиком и топором (гвоздодером) отделяют от стены и вынимают. В случае необходимости удаляют наличники с другой стороны.
В комплекс работ по строительству подземной части здания включаются работы по устройству котлована, подготовки основания, устройству монолитных столбчатых фундаментов под колонны, монолитных железобетонных стен подвала, устройство крылец с площадками и обратная засыпка. Также в период возведения подземной части здания выполняются работы по устройству постоянных вводов в здание водопровода, канализации, отопления и кабелей электроснабжения.
До начала основных работ должны завозятся материалы, и оборудование для выполнения подземной части зданий.
В комплекс работ по строительству надземной части здания включаются работы:
- устройство монолитного железобетонного каркаса здания;
- кладка наружного стенового ограждения толщиной 190 мм из мелких искусственных бетонных камней на цементно-песчаном растворе;
- кладка перегородок из мелких искусственных бетонных камней на цементно-песчаном растворе;
- установка окон и входных наружных дверей;
- монтаж навесной фасадной системы;
- монтаж строительных лесов по периметру здания;
- устройство кровельного двухслойного рулонного ковра;
- устройство перегородок ГКЛ;
- подготовка под полы;
- монтаж всех коммуникаций.
Производство отделочных работ включает в себя:
- внутренние отделочные работы;
- облицовочные работы;
- устройство покрытия полов;
- устройство подвесных потолков из ГКЛ по металлическому каркасу;
- установка подоконных досок и внутренних дверей;
Специальные работы – сантехнические, электромонтажные, слаботочные, благоустройство придомовой территории, ведутся с опережением отделочных работ.
Параллельно внутренним отделочным работам ведутся работы по наружной отделке и устройству крылец и входов в здание. Также на третьем этапе работ планируется произвести работы по благоустройству и озеленению.
Трудозатраты демонтажных работ блок-секции «А» учтены в подготовительном периоде строительства (реконструкции), данные виды работ должны быть закончены и сданы по акту Заказчику до начала возведения подземной части блок-секций «Б» и «В». Очередность и сроки выполнения основных видов работ приведены на календарном графике производства работ на листе КППР-1.
-
Земляные работы
Производство земляных работ по вертикальной планировке площадки увязывается с работами подготовительного периода по расчистке площадки от зеленых насаждений и работами по водоотводу и водопонижению уровня грунтовых вод. Временный проезд техники согласовывается с подрядной организацией, выполняющей работы по строительству.
Вертикальная планировка площадки строительства выполняется при помощи бульдозера Komatsu D155A (табл. Б.1 Приложения Б).
Разработка котлована под здание выполняется одноковшовым экскаватором с обратной лопатой марки Komatsu PW100 (табл. Б.2 Приложения Б).
До начала производства работ по устройству фундаментов должны быть выполнены работы по разработке «недобора». Основание под фундаменты выравнивается вручную и уплотняется электротрамбовкой ИЭ-4505 (табл. Б.3 Приложения Б).
-
Возведение подземной части здания. Устройство фундаментов
После окончания подготовки грунтового основания производятся работы по устройству армокаркасов и установке мелкощитовой опалубки.
Контроль за точным расположением опалубки фундаментов, горизонтальностью верхнего слоя бетона и соответствие отметок фундамента проектным, осуществляется с помощью тахеометра. Погрузка и выгрузка строительных материалов и конструкций производится краном Kato NK-550 (табл. Б.5 Приложения Б).
Укладка бетона в опалубку выполняется монтажным краном в бадьях при движении крана по верху с двух сторон котлована.
Подвоз бетона на стройплощадку с завода-изготовителя осуществляется в автобеносмесителях СБ-92-1А (табл. Б.4 Приложения Б).
-
Возведение надземной части здания
Выбор монтажного крана.
Проектируемый объект представляет собой отдельностоящее 3-х этажное, с подвальным этажом здание, состоящее из трех блоков с размерами в плане по осям 60,4 м х 71,2 м. Высота этажей принята 3,6 м от пола до пола, спортивный зал – 6,0 м до низа выступающих конструкций, актовый зал – 3,9 м. Высота от поверхности земли до отметки парапета 15,05 м. Конструктивная схема здания – монолитный железобетонный каркас.
Рационально принять в качестве основного монтажного механизма стреловой кран, дополнительно оборудованный гуськом.
Стреловой кран выбирается по основным техническим параметрам:
- грузоподъемность крана Qтр;
- высота подъема крюка Hтр;
- вылет стрелы Lк.
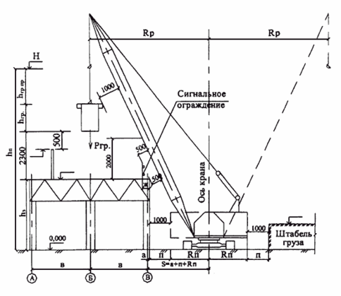
Схема определения параметров стрелового крана, в том числе и оборудованного гуськом, приведена на рис. 2.1.
Рисунок 2.1 Схема определения монтажных характеристик стрелового крана
Требуемая грузоподъемность крана
Qтр = qгр + qст , (2.1)
где qгр – масса поднимаемого груза (бадья с бетоном, m=5,68 т);
qст – масса захватного приспособления, принимаемая равной 0,05 т.
Qтр = 0,68 + 0,05 = 0,73 т.
Требуемая высота подъема крюка
Нтр = hо+ hз+ hгр+ hгр.пр. , (2.2)
где hо – превышение сооружения над уровнем стоянки крана, м;
hз – запас по высоте 2,3 м;
hгр – высота груза на крюке крана (щит опалубки hэ = 3,6 м), м;
hгр.пр. – высота строповки, м (принимается в пределах 1,5-2,0 м).
Hтр = 15,05+ 2,3 + 3,6 + 2,0 = 22,95 м.
Определяем оптимальный угол наклона стрелы крана к горизонту по формуле
tg L= 2(hст+hп) / (b1+2S) , (2.3)
где hп – длина грузового полиспаста, принимается по специализированным
таблицам, для грузоподъемности до 5 т (длина в стянутом состоянии 2,2 м);
b1 – длина монтируемого элемента (b1=6,0 м);
S – расстояние от края элемента до оси стрелы, принимается по требованиям
техники безопасности 1,5 м;
L – угол наклона оси стрелы крана к горизонту, град.
tg L = 2∙(2,0+2,2) / (6,0+2∙1,5) = 0,93; сtg (0,93) = 43о.
Для кранов, как оборудованных гуськом, так и нет, длина стрелы определяется по формуле
Lстр = (H-hc) / sin L, (2.4)
где H – расстояние от оси вращения гуська до уровня стоянки крана,
рассчитывается как Н = Нтр + hп = 22,95+2,2 = 25,15 м,
Нкр - высота подъема крюка (по рассчитанному ранее Нтр = 22,95 м).
















