Пояснит. записка ПС Западная (1232183)
Текст из файла
Министерство транспорта Российской Федерации
Федеральное агентство железнодорожного транспорта
ФЕДЕРАЛЬНОЕ ГОСУДАРСТВЕННОЕ БЮДЖЕТНОЕ ОБРАЗОВАТЕЛЬНОЕ
УЧРЕЖДЕНИЕ ВЫСШЕГО ОБРАЗОВАНИЯ
«ДАЛЬНЕВОСТОЧНЫЙ ГОСУДАРСТВЕННЫЙ УНИВЕРСИТЕТ
ПУТЕЙ СООБЩЕНИЯ»
Кафедра «Системы электроснабжения»
К ЗАЩИТЕ ДОПУСТИТЬ
Заведующий кафедрой
И.В. Игнатенко
« » 2016 г.
РАСШИРЕНИЕ ПС 110/35/6 кВ «ЗАПАДНАЯ»
Пояснительная записка к выпускной квалификационной работе
БР 13.03.02
Студент гр. О.В. Иванов
Руководитель С.В. Клименко
Нормоконтроль С.А. Власенко
Хабаровск – 2016
| Министерство транспорта Российской Федерации
1. Тема проекта (работы): Расширение ПС 110/35/6 кВ «Западная» утверждена приказом по университету от «15» июня 2016 г. № 663а 2. Срок сдачи студентом законченного ВКР 20 июня 2016 г. 3. Исходные данные к ВКР Техническое задание на разработку проектной документации; однолинейная схема подстанции; остальные исходные данные приводятся в пояснительной записке. 4. Содержание расчетно-пояснительной записки (перечень подлежащих разработке вопросов) 1) Анализ исходных данных; 2) Выбор силовых трансформаторов; 3) Расчет токов короткого замыкания; 4) Расчет максимальных рабочих токов; 5) Выбор и проверка основного оборудования; 6) Выбор проводов, шинных мостов; 7) Выбор проходного изолятора; 8) Оценка состояния заземляющего устройства подстанции. 5. Перечень графического материала (с точным указанием обязательных чертежей): ОРУ-110/35 кВ. Главная электрическая схема; ЗРУ-6 кВ. Главная электрическая схема; ЗРУ-6 кВ. План; ОРУ-110/35 кВ. План и разрез 6. Консультанты по ВКР (с указанием относящихся к ним разделов ВКР)
7. Дата выдачи задания 04.05.2016 г Календарный план выполнения выпускной квалификационной работы
Студент___________________________________________________________ Руководитель ВКР _______________________________________________ | ||||||||||||||||||||||||||||||||||||||||||||||||||||||
ABSTRACT
Subject: Reconstruction of substation 110\35\6 "Western"
Keywords: power transformers, short circuit current, maximum operating currents, the main equipment, grounding
The object of study is the substation of 110/35/6 kV " Western ", OJSC "FEDC".
The subject of the work is the reconstruction of the substation with replacement of power transformers on more powerful and, accordingly, the necessary replacement of the main equipment.
In the thesis includes an introduction, the main part of the analytical calculation, the conclusion is written in chapters, final conclusion.
In the introduction reveals the relevance of the study in the selected direction, raises the problem, goal and objectives of the study, defined object, object of scientific research, writing a hypothesis, put the purpose and objectives.
Conclusion on the main findings and proposals according to work done.
РЕФЕРАТ
Работа содержит 54 с., 9 рис., 16 таблиц, 16 источников, 2 приложения.
СИЛОВЫЕ ТРАНСФОРМАТОРЫ, ТОКИ КОРОТКОГО ЗАМЫКАНИЯ, МАКСИМАЛЬНЫЕ РАБОЧИЕ ТОКИ, ОСНОВНОЕ ОБОРУДОВАНИЕ, ЗАЗЕМЛЕНИЕ
Объектом исследования является подстанция 110/35/6 кВ «Западная» Подстанция «Западная» - это одна из крупнейших узловых подстанций юга Приморья, обеспечивающая электроэнергией поселки Трудовое города Владивостока, Угловое Артемовского городского округа, поселок Новый и село Вольно-Надеждинское Надеждинского района с общим количеством населения около ста тысяч человек.
Цель работы – реконструкция подстанции с заменой силовых трансформаторов на более мощные и соответственно необходимая замена основного оборудования.
В результате проведённого анализа было определено, что установленные трансформаторы не обеспечивают потребителя достаточной мощностью, особенно с условием увеличения нагрузки, и работают с перегрузкой. Для устранения проблемы были выбраны трансформаторы большей мощности, каждый по 40 МВА. В связи с реконструкцией подстанции, а также учитывая ТУ на проектирование, было выбрано и проверено основное оборудование. Для этого были рассчитаны токи короткого замыкания и максимальные рабочие токи.
Выбранное оборудование соответствует всем современным требованиям надежности и позволяет на его основе осуществить телеуправление. Ошиновка подстанции выбиралась по токам существующей нагрузки с учетом развития мощности потребителей.
СОДЕРЖАНИЕ
С.
ВВЕДЕНИЕ ….……………………….……………………………….…………..…8
1 АНАЛИЗ ИСХОДНЫХ ДАННЫХ……………………..……….……..……....…9
2 ВЫБОР СИЛОВЫХ ТРАНСФОРМАТОРОВ 18
3 РАСЧЕТ ТОКОВ КОРОТКОГО ЗАМЫКАНИЯ 20
3.1 Расчет токов короткого замыкания на шинах 110, 35 и 6 кВ 20
4 РАСЧЕТ МАКСИМАЛЬНЫХ РАБОЧИХ ТОКОВ 27
5 ВЫБОР И ПРОВЕРКА ОСНОВНОГО ОБОРУДОВАНИЯ..………………….30
5.1 Выбор и проверка выключателей………………...…………………………30
5.2 Выбор и проверка разъединителей 33
5.3 Выбор и проверка трансформаторов тока 34
5.4 Выбор токоограничивающих реакторов 37
5.5 Выбор ограничителей перенапряжения 110 кВ 38
6 ВЫБОР ПРОВОДОВ, ШИННЫХ МОСТОВ 44
7. ВЫБОР ПРОХОДНОГО ИЗОЛЯТОРА…………..……….…...…………....….46
8. ОЦЕНКА СОСТОЯНИЯ ЗАЗЕМЛЯЮЩЕГО УСТРОЙСТВА ПОДСТАНЦИИ……………...……..…………………………………………..…..47
8.1 Определение напряжения прикосновения 48
ЗАКЛЮЧЕНИЕ 52
СПИСОК ИСПОЛЬЗОВАННЫХ ИСТОЧНИКОВ
.53
ПРИЛОЖЕНИЯ………………………………………………..…………………...55
ВВЕДЕНИЕ
Существующая подстанция 110/35/6 кВ «Западная» с двумя трансформаторами мощностью по 25000 кВА каждый, площадка реконструкции ПС 11035/6 кВ «Западная» расположена на территории Артемовского городского округа (пос. Угловое) Приморского края.
В данном дипломном проекте рассматривается реконструкция Подстанции «Западная» 110/35/6 кВ, в ходящей в электрическую сеть - «Шахта 7», «Кролевцы», «Штыково» от которых обеспечивается электроснабжение потребителей.
Питание подстанции осуществляется по линиям двухцепной BJI 110 кВ Артемовская ТЭЦ-Западная-Штыково.
На подстанции приняты следующие схемы распределительных устройств:
-ОРУ 110 кВ выполнено по схеме № 110-13Н «Две рабочие и обходная система шин»;
-ОРУ 35 кВ - схема № 35-13 «Две рабочие системы шин»;
-ЗРУ 6 кВ - «Две рабочие и обходная система шин». Данная схема организована для увеличения надежности электроснабжения потребителей, питаемых по одиночным фидерам при выводе рабочей системы шин в ремонт.
Обслуживание подстанции осуществляется постоянным оперативным персоналом с дежурством на подстанции.
Объекты электрических сетей, к которым относится ПС 110/35/6 кВ «Западная», не имеет собственного производства продукции, их основные функции - оказание услуг по передаче и распределению электрической энергии и мощности. Подстанция является узловой и участвует в схеме выдачи мощности Артемовской ТЭЦ.
-
АНАЛИЗ ИСХОДНЫХ ДАННЫХ
В рамках этой работы будет произведен выбор основного оборудования подстанции, которое отвечает современным требованиям надежности. Для решения задачи необходимо проанализировать данные о присоединенной мощности подстанции с учетом развития и на основании полученных результатов выбрать количество и мощность силовых трансформаторов. Затем произвести расчет токов короткого замыкания, с учетом установки новых силовых трансформаторов и рассчитать максимальные рабочие токи основных присоединений. После осуществить выбор оборудования, по полученным рабочим токам, и проверку по токам короткого замыкания.
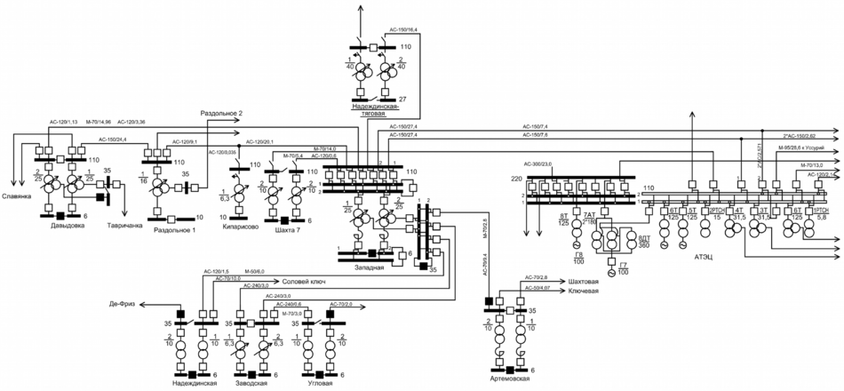
Схема подключения ПС «Западная» к электрической сети приведена на рисунке 1.
Распределительное устройство 110 кВ будет выполнено с использованием уже имеющихся и вновь устанавливаемых металлоконструкций по существующей схеме №110–13Н.
В объем реконструкции входит:
-замена силовых трансформаторов 1Т и 2Т 110/35/6 кВ на два трансформатора ТДТН-40000 КВА;
-замена шести однофазных существующих токоограничивающих реакторов РБ-6, 1000 А на шесть однофазных сухих токоограничивающих реакторов 6 кВ, 3200 А.
Связь между реакторами и вводными ячейками 6 кВ осуществляется медными шинами сечением 120x10 мм (взамен существующих медных 80x6 мм);
-замена проходных изоляторов в реакторном помещении;
-в ЗРУ 6 кВ в ячейке №10 и в ячейке №24 заменяются масляные выключатели на вакуумные и устанавливаются трансформаторы тока с тремя вторичными обмотками;
-замена трансформаторов тока в ячейках 6 кВ № 3, № 5, № 17, № 27 и № 29;
Рисунок 1. – Схема электрической сети в которую включена ПС «Западная»
-замена разъединителей в ячейках 6 кВ № 27, № 29 и № 31;
-связь между вновь устанавливаемыми силовыми трансформаторами и реакторами предлагается выполнить сталеалюминиевыми проводами АС-600/72 (по три провода в фазе);
-Шинный мост 35 кВ –существующий;
-Основные параметры оборудования ПС 110/35/6 кВ «Западная», приложение А, приведены в таблице 1.
Таблица 1. – Основные параметры оборудования ПС 110/35/6 кВ «Западная»
| Наименование параметра | Существующие | Согласно техническому заданию на реконструкцию |
| Классы напряжения | 110 кВ, 35 кВ, 6 кВ | 110 кВ, 35 кВ, 6 кВ |
| Количество силовых трансформаторов | 2 | 2 |
| Мощность силовых трансформаторов | 25 МВА | 40 МВА |
| Мощность трансформаторов собственных нужд | 180 кВА и 400 кВА | 180 кВА и 400 кВА |
| Количество фидеров 6 кВ | 32 | 32 |
-Параметры питающей энергосистемы согласно данным ОАО «ДРСК», приведены в таблице 2.
Таблица 2. – Заданные параметры энергосистемы, питающей
ПС 110/35/6 кВ «Западная»
| Параметры энергосистемы | Ток трехфазного КЗ, кА I(3). кА | Ток однофазного КЗ, кА I(1). кА |
| Максимальный режим | 10,9 | 9,4 |
| Минимальный режим | 7,5 | 6,6 |
Расширение подстанции 110/35/6 кВ «Западная» произведена на основании технического задания, (Приложение А). Цель реконструкции — увеличение мощности основного силового оборудования
Характеристики
Тип файла документ
Документы такого типа открываются такими программами, как Microsoft Office Word на компьютерах Windows, Apple Pages на компьютерах Mac, Open Office - бесплатная альтернатива на различных платформах, в том числе Linux. Наиболее простым и современным решением будут Google документы, так как открываются онлайн без скачивания прямо в браузере на любой платформе. Существуют российские качественные аналоги, например от Яндекса.
Будьте внимательны на мобильных устройствах, так как там используются упрощённый функционал даже в официальном приложении от Microsoft, поэтому для просмотра скачивайте PDF-версию. А если нужно редактировать файл, то используйте оригинальный файл.
Файлы такого типа обычно разбиты на страницы, а текст может быть форматированным (жирный, курсив, выбор шрифта, таблицы и т.п.), а также в него можно добавлять изображения. Формат идеально подходит для рефератов, докладов и РПЗ курсовых проектов, которые необходимо распечатать. Кстати перед печатью также сохраняйте файл в PDF, так как принтер может начудить со шрифтами.
















