Пояснит. записка ПС Западная (1232183), страница 2
Текст из файла (страница 2)
При расчете электрических нагрузок должны быть учтены основные характеристики их элементов (ЛЭП, трансформаторов и др.), в том числе и электрических нагрузок потребителей. Одной из наиболее существенных характеристик нагрузки является величина ее активной Р и реактивной Q мощности. В общем случае мощности нагрузок электрических сетей не остаются неизменными, а претерпевают изменения во времени t, зависят от параметров электрического режима: от величины U и частоты f приложенного напряжения. От режимов потребления электроэнергии зависят режимы работы энергетических установок: основного оборудования электростанций, ЛЭП, и трансформаторных подстанций.
Для определения нагрузок подстанции в ОАО «ДРСК» получен расчет нормальных и аварийных режимов по ПС «Западная».
Расчет произведен в программе РАСТР по данным загрузки трансформаторов ПС «Западная» в контрольный день замеров 15.12.2010г.
Нагрузкой подстанции являются и потребители подключенные непосредственно к шинам 6 кВ, и районные подстанции 35 кВ.
При выводе из работы одного трансформатора ПС «Западная» необходимо организовать питание районных подстанций по резервной схеме. Поэтому нужно обеспечить возможность работы одного трансформатора под полной нагрузкой подстанции на требуемое время для проведения оперативных переключений в сети.
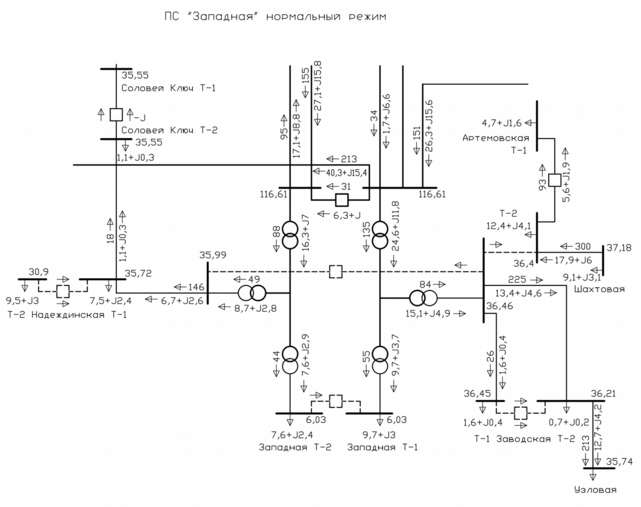
Схема распределения мощностей приведена на рисунке 1.1.
Рисунок 1.1 – Схема распределения мощностей в электрической сети, прилегающей к ПС 110/35/6 кВ «Западная»
Данные по распределению мощностей по обмоткам трансформаторов занесены в таблицу 1.1.
Таблица 1.1 – Распределение мощностей по обмоткам трансформаторов ПС
| Обмотка | P, МВт | Q, МВАР | S, МВА | Коэффициент загрузки | ||||
| Т1 | Т2 | Т1 | Т2 | Т1 | Т2 | Т1 | Т2 | |
| 6 кВ | 7,6 | 9,7 | 2,9 | 3,7 | 8,1 | 10,4 | 0,7 | 1,09 |
| 35 кВ | 8,7 | 15,1 | 2,8 | 4,9 | 9,1 | 15,9 | ||
| 110 кВ | 16,3 | 24,6 | 7 | 11,8 | 17,7 | 27,3 | ||
Как видно из таблицы 1.1, нагрузка трансформаторов ПС неодинакова – один трансформатор работает с Кзаг = 0,7 (70%), а другой перегружен
Кзаг = 1,07 (109%).
Работа трансформатора в режиме перегрузки приводит к его нагреву, что уменьшает срок его службы. Основанием для ограниченных во времени нагрузок работы трансформатора, в том числе и выше номинальной, является неполная нагрузка трансформатора в период, предшествующий допустимой нагрузке, и пониженная температура охлаждающей среды.
Так, в [16] даны допустимые аварийные перегрузки для трансформаторов классов напряжения до 110 кВ включительно:
Таблица 1.2 – Допустимые аварийные перегрузки трансформаторов
| h, ч | Системы охлаждения М и Д | |||||||
| при различных значениях предшествующего коэффициента загрузки K1 | ||||||||
| 0,25 | 0,4 | 0,5 | 0,6 | 0,7 | 0,8 | 0,9 | 1,0 | |
| 0,5 | 2,0 | 2,0 | 2,0 | 2,0 | 2,0 | 2,0 | 2,0 | 2,0 |
| 1,0 | 2,0 | 2,0 | 2,0 | 2,0 | 2,0 | 2,0 | 1,8 | 1,8 |
| 2,0 | 1,8 | 1,8 | 1,8 | 1,8 | 1,7 | 1,7 | 1,7 | 1,6 |
| 4,0 | 1,5 | 1,5 | 1,5 | 1,5 | 1,5 | 1,4 | 1,4 | 1,4 |
| h, ч | Системы охлаждения М и Д | |||||||
| при различных значениях предшествующего коэффициента загрузки K1 | ||||||||
| 0,25 | 0,4 | 0,5 | 0,6 | 0,7 | 0,8 | 0,9 | 1,0 | |
| 6,0 | 1,4 | 1,4 | 1,4 | 1,4 | 1,4 | 1,4 | 1,4 | 1,3 |
| 8,0 | 1,3 | 1,3 | 1,3 | 1,3 | 1,3 | 1,3 | 1,3 | 1,3 |
| 12,0 | 1,3 | 1,3 | 1,3 | 1,3 | 1,3 | 1,3 | 1,3 | 1,3 |
| 24,0 | 1,3 | 1,3 | 1,3 | 1,3 | 1,3 | 1,3 | 1,3 | 1,3 |
Окончание таблицы 1.2
Из таблицы 1.2 видим, что при выводе из работы трансформатора Т2, Т1 сможет обеспечивать полную нагрузку подстанции на время не более 2 часов. А если потребуется вывод из работы трансформатора Т1, то Т2 принять дополнительную нагрузку на время не более 1 часа.
При такой загрузке трансформаторов мы видим , что дальнейшее увеличение нагрузки невозможно, требуется проведение реконструкции подстанции для увеличения выдаваемой мощности.
Для выбора нового силового трансформатора необходимо определить рост возможных нагрузок подстанции.
Определение возможных будущих нагрузок
Проектирование и модернизация трансформаторов осуществляются на базе предварительно установленных технических требований, выполнение которых обеспечивает реализацию внешних функций. Однако наибольший эффект достигается при выполнении исследований на предпроектной стадии, так как на этом этапе можно достичь наиболее полного соответствия функциональных ресурсов трансформатора реальным технико-экономическим условиям эксплуатации при учете производственных проблем. Работы на стадии проекта проводятся по направлению – анализ, обоснование и разработка требований к техническим и эксплуатационным характеристикам трансформаторов. На этом этапе проводятся с привлечением эксплутационных организаций исследования перспективных графиков нагрузок изделии по различным потребителям, выбираются основные потребители, определяются нормативы стоимости потерь холостого хода и короткого замыкания, аварийность и ее причины в процессе эксплуатации.
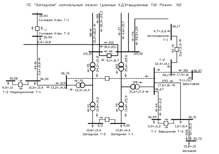
Для определения растущих нагрузок использован расчет электрических режимов, в котором учтены дополнительные нагрузки согласно имеющимся заявкам на технологические присоединения к электрической сети
ПС 110/35/6 кВ. «Западная».
Схема распределения мощностей в сети, прилегающей к
ПС 110/35/6 кВ. «Западная», приведена на рисунке 1.2.
Занесём распределение нагрузок по трансформаторам в таблицу 1.3.
Таблица 1.3 – Распределение перспективных мощностей по обмоткам трансформаторов
| Обмотка трансформатора | P, МВт | Q, МВАР | S, МВА | |||
| Т1 | Т2 | Т1 | Т2 | Т1 | Т2 | |
| 6 кВ | 10,8 | 13,8 | 3,4 | 4,4 | 11,32 | 14,48 |
| 35 кВ | 13,3 | 21,6 | 4,4 | 7,2 | 14 | 22,76 |
| 110 кВ | 24,2 | 35,6 | 11,8 | 20,6 | 26,92 | 41,13 |
Таким образом найдены нагрузки на всех ступенях напряжения силового трансформатора. Переходим к выбору соответствующих нагрузке силовых трансформаторов для ПС «Западная».
Рисунок 1.2 – Схема перспективного распределения мощностей в электрической сети, прилегающей к ПС 110/35/6 кВ «Западная»
-
ВЫБОР СИЛОВЫХ ТРАНСФОРМАТОРОВ
На подстанции будет установлено два трансформатора. Для обеспечения взаимного резервирования они будут одинаковой мощности.
Необходимая мощность трансформатора определяется по формуле, МВА:
где
– максимальная расчётная мощность на наиболее загруженной обмотке, МВА;
– количество трансформаторов работающих параллельно.
Исходя из определённой мощности подбираем трансформатор с близкой мощностью. Выбираем трехфазный трехобмоточный трансформатор ТДТН – 40000/110 У1. В таблице 2.1 представлены паспортные данные трансформатора.
| Тип | Ном. Мощ-ть, кВА | Пред. регулирования, % | Uном обмоток, кВ | uк, % | ΔPкз, кВт | ΔPхх, кВт | ΔQхх, кВАр | ||||
| ВН | СН | НН | В-С | В-Н | С-Н | ||||||
| ТДТН40000/110 У1 | 40000 | РПН ±9×1,78%ПБВ ±2×2,5% | 115 | 38,5 | 6,6 | 10,5 | 17,5 | 6,5 | 220 | 50 | 360 |
















