Пояснительная записка (1231331), страница 2
Текст из файла (страница 2)
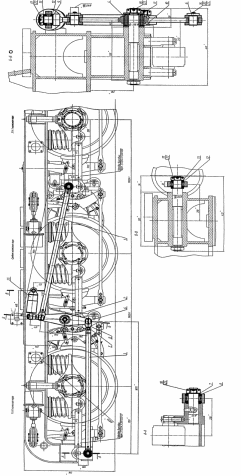
На раме тележки установлена рычажная передача тормоза 11 с чугунными гребневыми тормозными колодками и с тормозными цилиндрами усл. №670 с автоматическим регулятором выхода штока. Подача воздуха к тормозным цилиндрам из тормозной магистрали тепловоза осуществляется через воздухопровод тормоза 10 с использованием гибких соединительных рукавов Р32.
На главной раме кузова тепловоза закреплены два шкворня, каждый из которых своим нижним концом входит в шкворневое устройство 1.2 тележки, установленное в корпусе шкворневой балки рамы тележки на уровне оси колесной пары. Через шкворневое устройство тележки передаются продольные силы тяги-торможения и осуществляется упругая поперечная связь кузова с тележками на кузовном рессорном подвешивании 5.
Поворот тележки в кривых участках пути (на угол поворота до 4° в кривых радиусом 100-125 м) происходит за счет поперечной податливости пружин типа «флексикойл», свободного поперечного зазора до 25 мм и сферического шарнира в шкворневом устройстве. Для демпфирования пространственных колебаний кузова относительно тележки в кузовном - рессорном подвешивании применены по 4 вертикальных и по 2 горизонтальных гидродемпфера на тележку. Предельные амплитуды колебаний кузова относительно тележки ограничены ограничителями перемещений: зазор по вертикали до упоров отрегулирован на высоту 35±2 мм в снаряженном состоянии тепловоза, зазор по горизонтали до бокового упора кузова отрегулирован на величину 115+5 мм (угол поворота 4° +10').
На передней тележке установлены лестницы 13 для подъема локомотивной бригады в тепловоз.
1.2 Анализ конструкции РУКП
Согласно техническим требованиям на тепловозы нового поколения и технического задания на тепловоз в проектной тележке предусмотрена радиальная установка крайних колесных пар в кривых участках пути [1].
Из анализа технических решений по конструкциям локомотивных тележек с радиальной установкой колесных пар (РУКП) и обзора патентных материалов была разработана схема тележки с поперечными балансирами, связанными продольными односторонними поводками с буксовыми узлами крайних колесных пар, и шарнирно-рычажным механизмом синхронизации положения крайних коленных пар в кривых. На это техническое решение получен патент RU 2193986 С1 «Трехосная тележка с радиально устанавливающимися колесными парами».
Механизм синхронизации положения колесных пар обеспечивает согласованное расположение осей коленных пар при движении тележки в прямых и кривых участках рельсового пути, а также противодействует развитию процесса регулярных колебаний виляния колесных пар.
Механизм расположен с обоих боковых сторон тележки и связывает концы поперечных балансиров рамы тележки друг с другом посредством двух, тяг 1 и 3 и вертикального рычага 2. Тяги соединены с балансирами шарнирными подшипниками ШС-50, закрепленными на пальцах балансиров гайками 18 через проставочные кольца 7. Перед сборкой подшипники покрывают смазкой ЖРО, от внешнего загрязнения подшипники защищены манжетами 8, установленными в канавки головок тяг. С вертикальным рычагом 2 тяги 1 и 3 соединены валиками 6, вставленными в отверстия вилок тяг и закаленные втулки рычага.
Валики крепятся к вилкам тяг болтами М8х25. Вертикальный рычаг установлен на валике рамы тележки через цилиндрический резинометаллический блок. Внутреннее кольцо блока неподвижно крепится на валике гайкой 18 между двумя шайбами 10 и 11, ограничивающих смещение наружного кольца блока. Сам блок запрессован в расточку рычага.
На верхнем конце рычага приварен палец, на который устанавливается головка гидродемпфера-стабилизатора 25 движения колесных пар. Вторая головка корпуса гидродемпфера устанавливается на валик рамы тележки. В головках гидродемпфера установлен шарнирный подшипник ШС-40. Перед сборкой подшипник покрывается смазкой ЖРО и закрепляется гайками 17 между упорами 13 с резиновыми кольцами 12, защищающими подшипник от загрязнений. Система синхронизации положения колесных пар представлена на рисунке 1.2.
| | Рисунок 1.2 – Система синхронизации положения колесных пар: 1 – Верхняя продольная тяга; 2 – Вертикальный рычаг; 3 – Нижняя продольная тяга; 4 – Втулка; 5 – Сайлентблок; 6 – Валик; 7 – Проставочные кольца; 8,9 – Манжет; 10 – Вертикальная тяга; 11,17,18,19,21,22,23, – Гайка; 12 – Резиновое кольцо; 13 – Упор; 14,15,16,20,24– Болты; 25 – Гидродемпфер-стабилизатор |
На нижней тяге 3 вилка выполнена с резьбовым хвостовиком, вворачиваемым в приварную резьбовую втулку тяги, для исходной регулировки положения осей колесных пар на тепловозе в снаряженном состоянии на прямом нивелированном участке рельсового пути с суженной колеей шириной 1516 мм в следующей последовательности:
а) с нижних регулировочных тяг тележек снять валики крепления вилок;
б) на вертикальных рычагах, концы тяг с вилками опустить на подставки;
в) посредством домкратов, установленных под корпуса букс 3-й колесной пары передней тележки (4-й колесной пары задней тележки), вывесить колесную пару над рельсами на 2...4 мм и опустить на рельсы собеспечением межосевого расстояния 1900±1 мм до средней колесной пары. Контроль длины производить по центровым отверстиям осей колесных пар при снятых наружных крышках мерной штангой;
г) посредством домкратов, установленных под корпуса букс 1-й колесной пары передней тележки (6-й колесной пары задней тележки), вывесить колесную пару над рельсами на 2...4 мм и опустить на рельсы с обеспечением межосевого расстояния 1900±1 мм до средней колесной пары. Контроль длины производить по центровым отверстиям осей колесных пар при снятых наружных крышках мерной штангой;
д) выставленное положение крайних колесных пар зафиксировать регулировочными тягами вращением вилок и свободной установкой валиков в отверстия вилок и рычагов;
е) контргайками затянуть резьбовое соединение вилок в регулировочных тягах и стопорить шайбами отгибом на грань гайки и на фрезеровку тяги.
Техническим результатом является повышение динамических качеств тележки и эффективности работы устройства радиальной установки колесных пар в кривых участках пути за счет совершенствования конструкции шарнирно-рычажного механизма и рессорного подвешивания.
Указанный технический результат достигается тем, что трехосная тележка с радиально устанавливающимися колесными парами, содержащая раму, опертую на пружины буксового рессорного подвешивания, установленные в раме среднюю колесную пару с тяговым электродвигателем и буксами, связанными продольными поводками с рамой тележки, и крайние колесные пары с тяговыми электродвигателями и буксами, связанными продольными поводками с поперечными направляющими балансирами, шарнирно закрепленными на поперечных балках рамы, шарнирно-рычажные механизмы, расположенные по обеим сторонам тележки, каждый из которых включает продольные штанги, шарнирно соединяющие концы поперечных направляющих балансиров с вертикальным двуплечим рычагом, шарнирно установленным на боковине рамы, снабжена ножевыми шарнирами и гидравлическими демпферами виляния крайних колесных пар, ее рама оперта на пружины буксового рессорного подвешивания через ножевые шарниры, ориентированные для крайних колесных пар перпендикулярно продольной оси тележки, для средней колесной пары - параллельно продольной оси тележки, а к одному из плеч вертикального двуплечего рычага с каждой стороны тележки присоединен гидравлический демпфер, второй конец которого шарнирно закреплен на раме.
Устройство работает следующим образом (рисунок 1.3). При входе в кривой участок железнодорожного пути направляющая колесная пара 7 набегает на наружный рельс 15 и за счет сил взаимодействия ее колес с рельсами 15 разворачивается по направлению к центру кривой, занимая радиальное положение. Шарнирно-рычажный механизм тележки, состоящий из продольных штанг 11 и вертикальных двуплечих рычагов 12, обеспечивает равное и противоположно направленное перемещение задней колесной пары 8. Гидравлические демпферы 14 не препятствуют плавному повороту крайних колесных пар 7 и 8 при входе в кривые участки пути, но демпфируют их колебания виляния при движении в прямых и кривых участках пути, что улучшает динамические качества тележки. Ножевые шарниры 13 обеспечивают крайним колесным парам 7 и 8 мягкую продольную и жесткую поперечную связь с рамой 1 тележки. На средней колесной паре 3 ножевые шарниры 13, ориентированные параллельно продольной оси тележки, обеспечивают мягкую связь с рамой 1 в поперечном направлении, что улучшает условия вписывания тележки в кривые участки пути.
Рисунок 1.3 – Тележка тепловоза 2ТЭ25А с системой радиальной установки колесных пар: 1 – Рама тележки; 2 – Пружина буксового рессорного подвешивания; 3,7,8 – Колесные пары; 4 – Тяговый электродвигатель; 5 – Букса; 6 – Поводок буксы; 9 – Балансир;
10 – Поперечная тяга; 11 – Продольные тяги; 12 – Двуплечие рычаги; 13 – Ножевые шарниры; 14 – Гидравлические демпферы; 15 – Рельсы
Применение ножевых шарниров 13 в местах опирания рамы 1 на пружины 2 буксового рессорного подвешивания позволит получить оптимальные характеристики упругих продольных и поперечных связей колесных пар 3, 7, 8 с рамой 1 тележки, что повышает эффективность работы устройства.
На рисунке 1.4 приведено сравнение положения колесных пар тележки тепловоза при движении в прямой и кривой участка пути.
Рисунок 1.4 – Сравнение положения колесных пар при движении:
а) при движении в прямом участке пути; б) при движении в кривых
Как видно на рисунке 1.4, при движении локомотива в прямом участке пути угол между линиями осей первой и третьей колесных пар тележки равен нулю. Однако при движении в кривой первая колесная пара при набегании на наружный рельс разворачивается в направлении центра радиуса кривой. В то же время, за счет механической связи с первой колесной парой подвергается повороту и третья колесная пара. Таким образом, можно предположить, что угол поворота колесных пар зависит от радиуса кривой участка пути. Это можно объяснить разностью длин траектории движения внутреннего и внешнего колеса.
2 АНАЛИЗ ОТКАЗОВ МЕХАНИЧЕСКОЙ ЧАСТИ ТЕПЛОВОЗОВ 2ТЭ25А
Механическая (экипажная) часть локомотива является важнейшей частью из всех агрегатов, установленных на подвижном составе. От состояния и исправности механической части в большей части зависит безопасность движения поездов. После проведения плановых видов ремонтов приемщиками локомотивов уделяется особое внимание состоянию буксового узла, креплению и состоянию смазки моторно-осевых подшипников, кожухов зубчатой передачи. Также при приемке регулировка и состояние тормозной рычажной передачи, состояние тормозных колодок.
Согласно статистических данных, предоставленных сервисным локомотивным депо «Тында-Северная», за последние 5 лет эксплуатации тепловозов серии 2ТЭ25А не зафиксировано ни одного случая неисправности системы радиальной установки колесных пар. Этот узел, наряду с остальными деталями механической части тепловоза, тщательно осматривается приемщиками при выдаче локомотивов с плановых видов ремонта.
Таким образом, целесообразно рассмотреть анализ надежности узлов механической части тепловозов 2ТЭ25А.
Колесно-моторный блок является одной из основных составляющих тепловоза. Элементы, входящие в состав КМБ несут на себе всю нагрузку, действующую от рамы тепловоза и оборудования находящегося внутри кузова. Целесообразно рассмотреть отказы и неисправности колесно-моторного блока тепловозов серии 2ТЭ25А. На рисунке 2.1 изображена диаграмма отказов и неисправностей за 2016 года.
Рисунок 2.1 − Количество отказов и неисправностей КМБ относительно
остального оборудования тепловозов 2ТЭ25А
На рисунке 2.1 видно, что 30 процентов неисправностей происходящих с тепловозами 2ТЭ25А относится к колесно-моторному блоку.
Проведем распределение отказов по колесно-моторных блоков. На рисунке 2.2 показано распределение количества неисправностей колесно-моторного блока по составляющим.
Рисунок 2.2 − Неисправности КМБ в процентном соотношении
Из рисунка 2.2 можно сделать вывод, что максимальное количество отказов и неисправностей, относящихся к колесно-моторному блоку приходится на тяговый электродвигатель (47 процентов), но нельзя не отметить, что моторно-осевой подшипник является не менее важной частью КМБ, так как при возникновении неисправности возможно прекращение дальнейшего следования поезда и вызов вспомогательного локомотива.
Особо важной составляющей колесно-моторного блока является моторно-осевой подшипник, следует отметить, что МОП − это вторая опора тягового двигателя и по статистике прошлых лет имеет большой процент отказов. На рисунке 2.3 представлена диаграмма неисправностей моторно-осевых подшипников.
Рисунок 2.3 – Распределение отказов МОП тепловозов 2ТЭ25А в 2016 году
Из представленного рисунка 2.3, что основными причинами отказов МОП являются износ баббитового слоя (22 случая; 21 процент) и несоответствие зазоров (22 случая; 21 процент).
















