Диплом_Марков (1231052), страница 10
Текст из файла (страница 10)
При проведении испытания турбокомпрессора некоторые параметры невозможно получить прямыми измерениями, поэтому приходится применять косвенный метод измерения. В этом случае на точность определяемого параметра будет влиять точность параметров, которые используются для получения искомого. В рамках данной работы используется методика определения погрешности параметров, изложенная в источнике [9], которая базируется на порядке обработки измерений.
5.1 Определение погрешностей при получении характеристик компрессора
В соответствии с порядком проведения обработки измерений необходимо определить:
-
коэффициент затраченного напора:
; (5.1)
-
КПД компрессора:
. (5.2)
В соответствии с методикой [9] для определения погрешности косвенных измерений, необходимо сначала прологарифмировать выражение косвенного параметра:
.(5.3)
Затем надо продифференцировать полученное выражение:
. (5.4)
Тогда погрешность косвенного измерения будет равна:
. (5.5)
С учетом того, что в состав ошибки входят и вероятностная, и систематические составляющие, последнее выражение принимает вид:
, (5.6)
где
,
– предельные относительные погрешности измерения
,
;
здесь и ниже величина
в случае доверительной вероятности
; если же
, то
.
По аналогии с вышеописанной методикой, получим предельную относительную погрешность определения
:
; (5.7)
(5.8)
(5.9)
,(5.10)
где
,
,
,
,
– предельные относительные погрешности измерения
,
,
,
,
. Значения этих погрешностей необходимо брать из паспортных данных датчиков, измеряющих эти величины.
5.2 Определение погрешностей при получении характеристик турбины
В соответствии с порядком проведения обработки измерений необходимо определить:
-
параметр нагруженности:
; (5.11)
-
степень понижения давления:
; (5.12)
-
параметр мощности:
; (5.13)
-
параметр крутящего момента:
; (5.14)
-
КПД турбины:
; (5.15)
-
параметр расхода:
. (5.16)
По аналогии с вышеизложенной методикой, получим предельные относительные погрешности определений этих величин.
Для параметра нагруженности:
; (5.17)
(5.18)
(5.19)
(5.20)
Для степени понижения давления:
; (5.21)
; (5.22)
; (5.23)
. (5.24)
Для параметра мощности:
; (5.25)
; (5.26)
; (5.27)
. (5.28)
Для приведенного крутящего момента:
; (5.29)
; (5.30)
; (5.31)
. (5.32)
Для КПД турбины:
; (5.33)
(5.34)
(5.35)
. (5.36)
Для параметра расхода:
; (5.37)
; (5.38)
; (5.39)
. (5.40)
5.3 Определение погрешностей при получении характеристик турбокомпрессора
В соответствии с порядком проведения обработки измерений необходимо определить:
кпд турбокомпрессора
, (5.41)
приведенный расход воздуха через компрессор
; (5.42)
коэффициент изоэнтропического напора компрессора
(5.43)
степень повышения давления в компрессоре
. (5.44)
По аналогии с вышеизложенной методикой, получим предельные относительные погрешности определений этих величин.
Для КПД турбокомпрессора:
(5.45)
(5.46)
(5.47)
(5.48)
Для приведенного расхода воздуха через компрессор:
; (5.49)
; (5.50)
; (5.51)
. (5.52)
Для коэффициента изоэнтропического напора:
;(5.53)
(5.54)
(5.55)
.(5.56)
Для степени повышения давления в компрессоре:
; (5.57)
; (5.58)
; (5.59)
. (5.60)
6 Термогазодинамический расчет турбокомпрессора
Для термогазодинамического расчета экспериментальной установки используется методика расчета, представленная в источнике [8]. Целью проведения газодинамического расчета является определение геометрических размеров основных узлов и термогазодинамических параметров в характерных сечениях турбокомпрессора, обеспечивающего требуемую производительность и напор при заданной эффективности.
6.1 Газодинамический расчет центробежного компрессора
Исходные данные:
-
Степень повышения давления в компрессоре –
; -
Расход воздуха –
; -
Диаметр на выходе из рабочего колеса
; -
Параметры воздуха на входе в компрессор –
,
; -
Теплофизические константы (для воздуха) –
,
.
6.1.1 Предварительный расчет центробежного компрессора
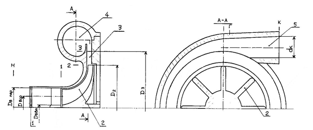
На предварительном этапе расчета используется одномерная модель рабочего процесса. Схема ЦБК представлена на рис. 6.1.
Обозначение контрольных сечений на этом рисунке следующее:
Н – перед фильтром компрессора;
1 – на входе в рабочее колесо;
2 – на выходе из рабочего колеса;
3 – на выходе из безлопаточного (щелевого) диффузора;
г – на входе в отводящий патрубок;
к – на выходе из компрессора.
Центробежный компрессор снабжен фильтром 1. В рассматриваемой схеме между сечениями Н-Н и 1-1 неподвижный направляющий аппарат (ННА) отсутствует. Центробежный компрессор имеет однопоточное рабочее колесо 2. За РК 2 между сечениями 2-2 и 3-3 располагается щелевой (безлопаточный) диффузор 3.
За сечением 3-3 установлен спиральный сборник 4 с отводящим патрубком 5, который выполняются в виде конического диффузора.
Рисунок 6.1 – Схема проточной части ЦБК
6.1.1.1 Выбор основных параметров. Термодинамический расчет центробежного компрессора
При проведении термодинамического расчета определяются полные давления и температуры в проточной части, удельные работы (напор) компрессора и потребляемая им мощность.
1) Коэффициент восстановления полного давления воздушного фильтра выбирается из диапазона ф = 0,970…0,985. Для рассматриваемого случая примем ф = 0,975.
2) Полное давление на входе в компрессор
рв*= ф рн = 0,975 101,33 = 98,8 кПа.
3) Полная температура на входе в компрессор равна температуре окружающей среды
Тв* = Тн = 288 К.
4) Изоэнтропический напор
.
5) КПД компрессора на предварительном этапе расчета выбирается из диапазона к = 0,68…0,82. Принимаем к = 0,77.
6) Затраченный напор
кДж/кг.
7) Мощность, потребляемая ЦБК
Nк = GHz = 0,2 82,3 = 16,46 кВт.
8) Полное давление на выходе из ЦБК
рк* = рв* к* = 98,8 2,0 = 197,6 кПа.
9) Полная температура на выходе из ЦБК
.
10) Выбор коэффициента изоэнтропического напора осуществляется из диапазонаs = Нs/U22 = 0,56…0,70. Принимаемs = 0,65.
11) Окружная скорость на выходе из РК
м/с.
Величина скорости U2 не должна превышать 450…550 м/с.
12) Частота вращения ротора РК, при выбранном значении D2 = 90 мм
мин –1.
6.1.1.2 Определение основных геометрических параметров проточной части
В процессе расчета определяются следующие параметры:
-
Критическая скорость потока на входе в компрессор
м/с.
-
Величина приведенной скорости воздуха на входе в ЦБК располагается в диапазоне в = 0,20…0,50. Принимаем в = 0,30.
-
Скорость потока на входе в компрессор
м/с.
-
Значение газодинамической функции q(в) определяется с помощью таблиц ГДФ для воздуха (k = 1,4). В нашем случае q(в) = q(0,3)=0,4557.
-
Площадь поперечного сечения на входе в ЦБК
м2.
Здесь коэффициент m для воздуха принят равным m = 40,37 кгК0,5/(скН).
-
Отношение втулочного диаметра DВвт к периферийному диаметру DВпер находится в диапазоне (Dвт/Dпер)В=0,25…0,60. Принимаем (Dвт/Dпер)В=0,45.
-
Периферийный диаметр на входе в компрессор
м.
-
Втулочный диаметр на входе в компрессор
DВ вт = DВ пер (Dвт / Dпер)В = 5510-3 0,45 = 2510-3 м.
-
Средний диаметр на входе в компрессор
м.
-
Высота лопатки на входе в компрессор
м.
-
Отношение меридиональных составляющих скоростей потока на выходе из РК и входе в компрессор располагается в интервале С2r/CВ=1,0…1,2. Принимаем С2r/CВ =1.
-
Радиальная составляющая скорости потока на выходе из РК
С2r = СВ (С2r/CВ) = 93,2 1 = 93,2 м/с.
-
Значение КПД РК обычно находится в диапазоне РК = 0,76…0,86. Выбираем РК = 0,8.
-
Степень повышения полного давления в РК
.
-
Полное давление на выходе из РК
р2* = рв**РК = 98,8 2,05 = 202,5 кПа.
-
Критическая скорость потока на выходе из РК
м/с.
-
Радиальная составляющая приведенной скорости потока на выходе из РК
2r = C2r/акр2 = 93,2/351,9 = 0,265.
-
Значение газодинамической функции q(2r) определяется с помощью таблиц ГДФ. В нашем случае q(2r) = q(0,265) = 0,4055.
-
Площадь на выходе из РК
м2.
-
Высота лопатки на выходе из РК
м.
-
Относительная высота лопатки на выходе из РК
b2 = b2/D2 = 4,110-3/0,090 = 0,046.
Для обеспечения наибольшего кпд желательно обеспечить b2=0,04…0,07.
-
Лопаточный диффузор в схеме ЦБК отсутствует, поэтому протяженность щелевого диффузора увеличивается. Щелевой диффузор располагается между сечениями 2-2 и 3-3. Величину его относительного диаметра D3/D2 рекомендуется выбирать из диапазона 1,4…1,8.
D3/D2 = 1,5.
-
Ширина на выходе из щелевого диффузора будет равна
b3 =(0,9…1,0)b2 = b2 = 4,1 10-3 м.
-
Диаметр на выходе из щелевого диффузора будет равен
D3= D2 (D3/D2) = 0,090 1,5 = 0,135 м;
-
Длина щелевого диффузора определяется следующим образом:
Δ = (D3 - D2)/2=(0,135–0,090)/2 = 0,0225 мм.
-
Значение приведенной скорости воздуха на выходе из компрессора находится в диапазоне к = 0,20…0,45. Принимаем к = 0,25. Тогда газодинамическая функция q(к) = q(0,25) = 0,3842.
-
Площадь поперечного сечения на выходе из ЦБК
м2.
;
;
;
,
;
,
.














