1. Наумкин ПЗ ВКР (1230797), страница 2
Текст из файла (страница 2)
- несвоевременное удаление влаги из главных резервуаров, тормозной и питательной сетей локомотива, кранов машиниста;
- большие утечки воздуха из тормозной и питательной сети локомотива и состава;
- работа одного компрессора вместо двух или низкая производительность компрессоров;
- несоблюдение правил содержания и ремонта тормозных приборов (отсутствие смазки на трущихся поверхностях приборов или использование смазки несоответствующих марок, грязные фильтры, маслоотделители, выброс масла в нагнетательный трубопровод);
- несвоевременное удаление льда и снега с рычажной передачи;
- попадание влаги и сырого песка в бункера песочниц, нарушение правил их обслуживания.
А также анализ отказов тормозного оборудования показывает, что в зимнее время наиболее уязвимыми местами являются:
- межсекционные соединения (соединительные рукава, особенно с калиброванными шайбами, концевые краны, места изгибов трубопроводов, рукава блокировки регуляторов давления тепловозов);
- влагосборники и их спускные краны (особенно первого главного резервуара после компрессора и холодильника компрессора);
- питательный трубопровод от главных резервуаров к блокировочному устройству или крану машиниста и труба тормозной магистрали от этих приборов, особенно под кабиной машиниста;
- реле давления, блокировочное устройство, регулятор давления, кран машиниста, тормозные цилиндры;
- разобщительные краны, перепускные трубы главных резервуаров, нагнетательная труба у места ввода её в резервуар.
В случае образования ледяных пробок следует соблюдать порядок отогревания замерзших мест тормозного оборудования:
- Отогревать главные резервуары, нагнетательные, питательные, перепускные трубы и магистральный воздухопровод открытым огнем (факелом) на паровозах, работающих на твердом топливе, электровозах и электропоездах разрешается при условии соблюдения правил пожарной безопасности, исключающих возможность воспламенения конструктивных элементов локомотивов и электропоездов;
- На тепловозах, дизель поездах, автомотрисах и паровозах, работающих на жидком топливе, применение факела допускается только для отогревания в тормозной системе тех замерзших мест, которые удалены не менее 2м от баков топлива, топливо подающей и масло подающей арматуры, маслопроводов и топливопроводов;
- Запрещается пользоваться открытым огнем для отогревания тормозного оборудования на локомотивах и мотор-вагонном подвижном составе в местах их стоянки. При наличии разлитых на путях легковоспламеняющихся и горючих жидкостей в пунктах экипировки локомотивов жидким топливом, вблизи сливно-наливных устройств, парков с резервуарами для нефтепродуктов, складов легкогорючих материалов и других пожароопасных мест, а также при наличии на соседних путях вагонов с разрядными, огнеопасными и наливными грузами;
- В случае замерзания магистрального воздухопровода, прежде всего, обстучать его легкими ударами молотка – глухой звук указывает на наличие ледяной пробки. Такое место воздухопровода надо отогреть, после чего продуть магистраль через концевые краны до полного удаления ледяной пробки;
- Отогревать огнем главные резервуары, нагнетательную, питательную и перепускную трубы можно только после выпуска из них сжатого воздуха и при закрытых выпускных кранах. Открывать краны разрешается только после удаления огня;
- На паровозах, при замерзании трубки регулятора хода паровоздушного насоса, повышается давление выше нормального давления. В этом случае необходимо выключить насос, снизить давление до нормального, после чего отогреть замерзшее место;
- Замерзшие соединительные рукава воздухопроводов снять, отогреть и вновь поставить или заменить запасными;
- При замерзании воздухораспределителя выключить его и выпустить воздух из рабочих объемов выпускным клапаном до полного ухода штока тормозного цилиндра, по прибытии в депо воздухораспределитель заменить.
- Запрещается отогревать открытым огнем, замерзшие тормозные приборы и их узлы;
- При замерзании одного из тормозных цилиндров на локомотиве необходимо оставить воздухораспределитель включенным и продолжать работать с оставшимися тормозными цилиндрами. По прибытии в депо неисправность тормозного цилиндра устранить.
На вагонах мотор-вагонных поездов в таких случаях выключить воздухораспределитель, а по прибытии в депо вскрыть тормозной цилиндр, вынуть поршень, очистить цилиндр и поршень ото льда, смазать их рабочие поверхности. После сборки тормозного цилиндра проверить его плотность;
- Во всех случаях обнаружения неисправности тормоза на локомотиве или вагоне мотор-вагонного поезда и при невозможности ее устранения машинист лично должен выключить тормоз, полностью выпустить воздух выпускными клапанами и проверить отход тормозных колодок от колес.
Неисправность тормозного оборудования должна быть устранена на ближайших станциях, где имеется депо или ПТО.
2 АНАЛИЗ КРАНА МАШИНИСТА УСЛОВНЫЙ НОМЕР 130
Кран машиниста – основной прибор управления тормозами поезда. Применяемый в настоящее время кран номер 395 находится в эксплуатации уже более сорока лет. За эти годы были многократные попытки создания нового крана машиниста. Первый кран с дистанционным управлением номер 408 был разработан в семидесятые годы прошлого столетия. Он выдержал заводские и эксплуатационные испытания, но на то время оказался не востребованным. После, было несколько вариантов крана с заменой притираемого золотника на клапаны. Эти варианты тоже оказались без применения. Внедрение микропроцессорной техники в управление тормозами, потребность в диагностике тормозных процессов привели к необходимости создания крана машиниста, в котором могли бы реализовываться эти функции. Кроме того, кран должен быть надежным, удобным в управлении и техническом обслуживании.
Кран машиниста с дистанционным управлением номер 130 разрабатывался в соответствии с техническими требованиями ОАО «РЖД». Он предназначен для управления автоматическими пневматическими тормозами грузовых поездов, а также пневматическими и электропневматическими тормозами пассажирских. Этот кран устанавливают на грузовые и пассажирские магистральные локомотивы. Кран машиниста номер 130 адаптирован для работы с системами безопасности КЛУБ, САУТ, УСАВП, МСУД и другие. В кране предусмотрена диагностика работы тормозной системы.
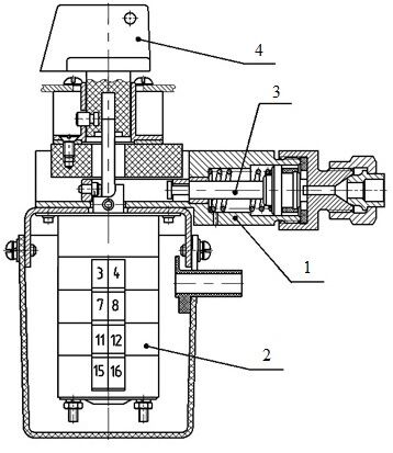
Кран машиниста с дистанционным управлением номер 130 состоит из: выключателя цепей управления; клапана аварийного экстренного торможения; блока электропневматических приборов; контроллера крана машиниста; крана резервного управления; локомотивного блока стабилизированного питания; сигнализаторов давления. Выключатель цепей управления, контроллер, кран резервного управления и клапан аварийного экстренного торможения монтируются в пульт кабины машиниста.
Блок электропневматических приборов – это исполнительная часть крана, устанавливается в машинном отделении. Помимо блока электропневматических приборов, в машинном отделении размещаются блок стабилизированного питания и сигнализаторы давления. Сигнализаторы давления расположены на тормозной магистрали и магистрали вспомогательного тормоза.
На односекционном локомотиве с двумя кабинами устанавливаются одна исполнительная часть крана машиниста (блок электропневматических приборов), а также блок стабилизированного питания и сигнализаторы давления. Приборы управления – контроллер крана машиниста, выключатель цепей управления, кран резервного управления и клапан аварийного экстренного торможения размещаются в каждой кабине. Если локомотив односекционный, то для отключения крана резервного управления и крана вспомогательного тормоза в недействующей кабине дополнительно устанавливаются два переключательных клапана.
На двухсекционном локомотиве в каждой секции монтируется полный комплект крана машиниста.
Блок стабилизированного питания в зависимости от бортового напряжения локомотива поставляется с входным напряжением 50 или 110 В. Выходное стабилизированное напряжение, подаваемое на кран машиниста, составляет 50 В.
2.1 Конструкция узлов крана машиниста
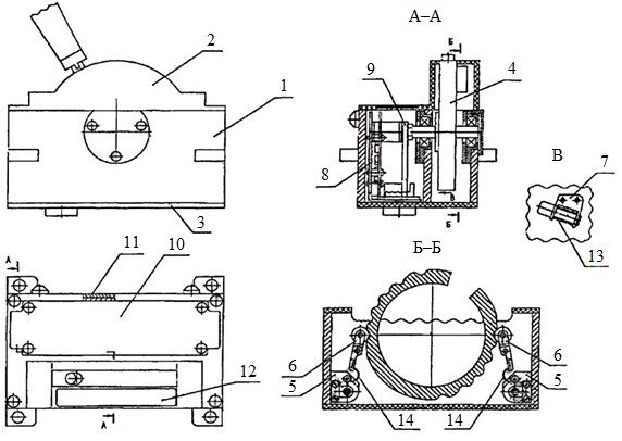
Выключатель цепей управления (рисунок 2.1) предназначен для включения и выключения устройства блокировки тормозов, обеспечивает подачу сжатого воздуха к тормозной пневматической системе. Съемный ключ выключателя цепей управления один на две кабины, блокируется в рабочей кабине. При смене кабин управления машинист обязан выполнить все действия в соответствии с Инструкцией по эксплуатации. Только в этом случае ключ разблокируется и его можно вынуть из гнезда.
Рисунок 2.1 – Выключатель цепей управления
Выключатель состоит из: корпуса – 1; с пакетным выключателем – 2; поршня – 3; и съемного ключа – 4; который имеет три фиксированных положения – «Включено», «Выключено», «Смена кабин». Первое положение («Включено») устанавливается поворотом ключа до упора по часовой стрелке, второе («Выключено») – поворотом ключа из первого положения на 90 градусов против часовой стрелки, третье («Смена кабин») – поворотом еще на 90 градусов.
В первых двух положениях ключ блокируется. Второе положение ключа может использоваться при опробовании тормозов после зарядки тормозной магистрали.
Контроллер крана машиниста (рисунок 2.2) предназначен для дистанционного управления тормозами подвижного состава. Контроллер – секторного типа с вертикально расположенной рукояткой. Рукоятка контроллера имеет семь положений:
1) сверхзарядка;
2) поездное;
3) перекрыша без питания;
4) перекрыша с питанием;
5) замедленное торможение;
6) служебное торможение;
7) экстренное торможение.
Все положения, кроме первого, фиксированные. Чтобы исключить перезарядку тормозной магистрали, первое положение не фиксируется и предусмотрен механизм самовозврата во второе положение. Рукоятка контроллера имеет равномерное усилие при перемещении, кроме положения 6 – экстренное торможение.
Рисунок 2.2 – Контроллер крана машиниста
Детали контроллера: корпус – 1; верхняя – 2 и нижняя – 3 крышки; ротор с рукояткой – 4; пружинные механизмы – 5; рычаги с роликами – 6; механизм самовозврата – 7; электронный блок – 8; и поводок с концентратором – 9. В верхней крышке – 2 для доступа к электронному блоку имеется крышка – 10.
В корпусе для доступа к поводку с концентратором предусмотрена технологическая крышка. На верхней крышке – 2 также размещена табличка позиций. Электрические сигналы от контроллера передаются в электронный блок управления исполнительной части крана через разъем.
Принцип дистанционного управления краном машиниста. Контроллер крана машиниста содержит магнитный концентратор, на котором установлен постоянный магнит, жестко связанный с ручкой контроллера. Рукоятка имеет семь положений, в соответствии с которыми между магнитным концентратором и основанием конструктивно расположены семь магнитоуправляемых микросхем, содержащих датчик Холла. С выходов магнитоуправляемых микросхем информация о положении рукоятки поступает в схему управления.
Схема контроллера имеет семь токовых выходов, каждый из которых соответствует положению рукоятки контроллера. При перемещении рукоятки на выходе схемы управления сохраняется информация о предыдущем положении до тех пор, пока она не перейдет в следующее положение. Все семь токовых выходов нагружены на оптроны дешифратора, конструктивно расположенного в блоке управления крана машиниста. Блок размещен на блоке электропневматических приборов крана – его исполнительной части. Дешифратор соединен с контроллером через разъемы. Сигналы управления, формируемые дешифратором, передаются на электропневматические вентили в соответствии с таблицей 2.1.
Таблица 2.1 – Сигналы управления, формируемые дешифратором по информации от семи токовых выходов контроллера крана машиниста.
| Положение рукоятки контроллера | Управление электропневматическими вентилями | |||||
| В3 | B4 | В5 | В6 | В7 | В8 | |
| Сверхзарядка, отпуск | + | + | + | - | - | - |
| Поездное | - | + | + | - | - | - |
| Перекрыша без питания | - | - | + | + | - | - |
| Перекрыша | - | - | + | - | - | - |
| Замедленное торможение | - | - | + | - | - | + |
| Служебное торможение | - | - | - | - | - | - |
| Экстренное торможение | - | - | - | - | + | - |
Кран резервного управления (рисунок 2.3) предназначен для управления тормозами в аварийной ситуации, то есть в случае отказа электронной составляющей крана или контроллера. Рукоятка крана резервного управления имеет три положения: «Тормоз», «Отпуск», «Перекрыша».
















