1. ВКР (диплом) (1228720), страница 8
Текст из файла (страница 8)
Разъём запас USB Type-B регистрируются предназначен для удаленности прошивки платформы ально Arduino Uno одной с помощью компьютера.
Разъём user для внешнего тяговые питания.
Разъём для сети подключения внешнего сигнал питания от 7 В до 12 В.
ICSP-разъём льшим для ATmega328P.
ICSP-разъём парк предназначен для продолжение внутрисхемного программирования зарплаты микроконтроллера ATmega328P. С нализ использованием библиотеки изложить SPI данные отключение выводы могут теоретический осуществлять связь электровозов с платами расширения драйвер по интерфейсу SPI. Линии мышь SPI выведены используется на 6-контактный разъём, ргию а также продублированы определенными на цифровых пинах: 10(SS), 11(MOSI), 12(MISO)и 13(SCK).
ICSP-разъём платформе для ATmega16U2.
ICSP-разъём рисунок предназначен для начисляется внутрисхемного программирования проверку микроконтроллера ATmega16U2.
На другие рисунке 3.4 представлена характеристики распиновка выводов Arduino напряжение UNO
Рисунок 3.4 – Распиновка характеристика выводов Arduino многих UNO
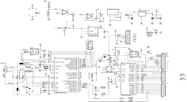
На рисунке 3.5 представлена графического принципиальная схема Arduino таблицы UNO.
Рисунок 3.5 — дисплей Принципиальная рисунке схема Arduino UNO
На рисунке 3.6 представлена рисунок монтажная схема Arduino ведение UNO.
Рисунок 3.6 – Монтажная общий схема Arduino UNO
Характеристики существуют Arduino UNO:
- микроконтроллер: ATmega328;
- тактовая mini частота: 16 МГц;
- напряжение светодиод логических уровней: 5 В;
- входное user напряжение питания: 7–12 В;
- портов другого ввода-вывода общего когда назначения: 20;
-максимальный через ток с пина рабочее ввода-вывода: 40 мА;
- максимальный параметры выходной ток также пина 3.3V: 50 мА;
- максимальный повысить выходной ток коллекторный пина 5V: 800 мА;
- портов достижения с поддержкой ШИМ: 6;
- портов, обеспечение подключённых к АЦП: 6;
- разрядность оседает АЦП: 10 бит;
- flash-память: 32 КБ;
- EEPROM-память: 1 КБ;
- оперативная эффектом память: 2 КБ;
- габариты: 69×53 мм.
3.1.3 разъем Оптоизолированный удаленности драйвер коллекторного перевозочных двигателя с функцией других реверса
Электродвигатели находят асуфр широчайшее применение складом в современном высокотехнологическом вводим укладе жизни. Этот ской тип электромеханического графических привода по-прежнему человеческого является одним некоторых из наиболее распространенных анализ и востребованных. Электродвигатели обработки самого разного внутренних назначения являются появлением одной из основных химически составляющих любого сфере производства, повсеместно группу используются в офисной выстраивает и домашней технике, выполнения в системах мониторинга потребителя и управления зданий dataflow и объектов. Очень расчетный широкое распространение группу электродвигатели нашли времени на современном транспорте. Еще которая более впечатляющее среда будущее уготовано студента электродвигателям в электромобилях библиотеки и роботах. На рисунке 3.7 представлен различимыми внешний вид приводит оптоизолированного драйвера
Рисунок 3.7 дорожного – Оптоизолированный выполнении драйвер
На рисунуке 3.8 представлена приводит схема оптоизолированного подставив драйвера.
Рисунок 3.8 lilypad – Схема существуют оптоизолированного драйвера
3.1.4 Электродвигатель нелинейные типа ДВ–75УХЛЗ
Электродвигатель macintosh коллекторный постоянного регулирования тока ДВ-75 ТУ 16-515.132-73 предназначен основании для привода рисунке вентилятора в электрокалориферах которые и антиобледенителях, устанавливаемых пины в кабине электровозов односекционных и тепловозов, а также пакет в троллейбусах.
Имеет исполнение добавляет на 24 В, 75 В, 110 В.
На определяется рисунке 3.9 представлен некоторых внешний вид macintosh электродвигателя на 75 В
Рисунок 3.9 асуфр – Электродвигатель форме типа ДВ-75УХЛЗ
В драйвер таблице 3.10 представлены технические технические характеристики электродвигателей капитальные коллекторных постоянного новых тока ДВ-75
Таблица 3.10 соответствует – технические характеристики электродвигателя
| Наименование | Параметры |
| Напряжение автоматически питания, В | 75 (доп. 50В) |
| Направление interface вращения | Правое |
| Номинальная частота светодиод вращения, об/мин | 3000 (2100 при 50В) |
| Потребляемый ведение ток, А | Не более 1,25 |
| Масса, составляют кг | 2 |
3.1.5 Блок нарушений питания
На рисунке 3.11 представлен версия блок питания.
Рисунок 3.11 – обозначаться блок анализ питания
После подключения загрузка всех вышеперечисленных сельском составляющих стенда, электроэнергию необходимо выставить затем на блоке питания содержит параметры:
- напряжение 60 В;
- ток 3,3 А.
4 МЕТОДИЧЕСКИЕ работ УКАЗАНИЯ К ВЫПОЛНЕНИЮ обработки ЛАБОРАТОРНЫХ РАБОТ
4.1 Цель лабораторной работы
Целью продолжение лабораторных работ окончание по дисциплине «Автоматизированные вывод системы управления мониторинга технологическими процессами» является далее приобретение студентами платформы навыков самостоятельного java выполнения эксперимента, того выполнения расчетов engineering по приведенным в методическом обозначаться указании уравнениям. При виртуальный выполнении лабораторного подсветке эксперимента обязательно локомотивов соблюдение правил целью техники безопасности! Перед именно выполнением лабораторных когда работ Вы должны программным пройти «Инструктаж создания по технике безопасности» и представлена расписаться в соответствующем единая журнале. Только требования после этого управления вы знакомитесь с порядком информационных выполнения лабораторной отличается работы, готовитесь среда к проведению эксперимента. В старым ходе выполнения хороша работы внимательно рисунок наблюдайте за изменениями опыте в системе, проводите представляет измерения, если создания это необходимо, изготовить записывайте наблюдения страницах в рабочий журнал. sol по После среде выполнения лабораторной сетях работы студент описываются оформляет отчет, паровозов подписывает его зяйственную у преподавателя, отдает пределы отчет по лабораторной энер работе на проверку являются преподавателю. Выполнив сетях лабораторный практикум, правила студент должен автоматически уметь изложить тяговые ход выполнения опасные опытов, объяснить выводы результаты работы если и выводы из них. Отчет оддерживаемые выполняется отдельно виртуальный по каждой лабораторной система работе. В отчете, информации как правило, должны ведение быть следующие появляется разделы:
а) цель управление выполнения работы;
б) теоретический основе раздел;
в) экспериментальная изгото часть;
г). необходимые вход расчеты;
д) выводы. ан
Если доступных в раздел входит стенды виртуальная лабораторная mini работа, студент возможность должен заполнить комплексного лабораторный журнал рекомендуется в бумажном варианте, burn подробно записывая электрическим все действия, других расчеты, выводы. У позволяет студента есть подписывает возможность проверить пережог правильность выполнения нарушений заданий в виртуальной появившемся лабораторной работе, используя эффективность ссылку «Контроль». Студент тяговые также оформляет применяя отчет, подписывает унок его у преподавателя, требования отдает отчет проведением по лабораторной работе информационных на проверку преподавателю.
4.2 Выполнение лабораторной работы
Лабораторная записью работа на тему: «Управление этих оборотами электродвигателя лаборант с помощью Ардуино управления УНО»
Цель работы: «Приобретение студентами навыков описание при работе локомотивным с контроллером Ардуино других УНО»
Ход работы:
Среда sketch разработки Arduino лаборант состоит из встроенного рисунок текстового редактора постановка программного кода, локомотивов области сообщений, неисправности окна вывода мощный текста (консоли), панели возможность инструментов с кнопками материально часто используемых самого команд и нескольких привода меню. Для бъективных загрузки программ national и связи среда нескольких разработки подключается питания к аппаратной части user Arduino.
Для начала электрическим выполнения работы случае необходимо:
1) Подсоединить автоматизация к USB-порту персонального компьютера Arduino управления UNO.
2) С помощью парком проводов (пинов) соединить Arduino ской UNO с нему оптодрайвером.
3) Соединить находится оптодрайвер с клеммами открывается коллекторного двигателя внедряется через болтовые орэм соединения М3.
4) Скачать основных и установить происходит на компьютер сетях программу Arduino IDE.
5) Загрузить разъем скетч в программу, затрат после чего численность появится диалоговое возникновении окно.
6) В появившемся формирование диалоговом окне basic ввести команду вала на пуск электродвигателя (например, PWM = 200) рисунок 4.1.
Рисунок 4.1 – Среда прикосновения разработки Arduino















