Пояснительная записка (1223245), страница 2
Текст из файла (страница 2)
Рисунок 1.2 - Отказы по элементам за 12 месяцев 2013 года
При рассмотрении случаев нарушения нормальной работы устройств СЦБ за 2014 год (рисунок 1.3) по отдельным объектам установлено, что наибольшее количество отказов допущено из-за неисправностей в релейной и бесконтактной аппаратуре (35%); в кабельных и воздушных линиях (12,5%), при монтаже устройств СЦБ (12,5%); в элементах рельсовых цепей (12,5%);в стрелочных электроприводах и гарнитурах (7,5%).
Рисунок 1.3 - Отказы по элементам за 12 месяцев 2014 года
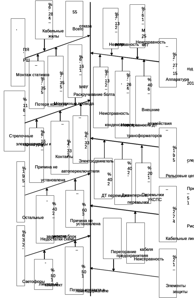
При рассмотрении случаев нарушения нормальной работы устройств СЦБ за 2015 год (рисунок 1.4) по отдельным объектам установлено, что наибольшее количество отказов допущено из-за неисправностей в релейной и бесконтактной аппаратуре (33,3%); при монтаже устройств СЦБ (14,3%); в элементах защиты от перенапряжения (14,3%); в кабельных и воздушных линиях (9,5%), в элементах рельсовых цепей (9,5%).
Рисунок 1.4 - Отказы по элементам за 12 месяцев 2015 года
Существует ряд основных причин отказов:
-
дефицит квалифицированного персонала, имеющего образование по специальности (не возвращаются из института из-за низкой заработной платы и снижения престижности специальности молодые специалисты по целевым договорам);
-
80 % устройств ЭЦ главного хода с истекшим сроком эксплуатации;
-
более 90% устройств АБ с истекшим сроком эксплуатации;
-
для обслуживания бригадным методом по состоянию на ветках с малой интенсивностью отсутствуют средства диагностики.
1.3 Системы технического диагностирования и мониторинга
устройств железнодорожной автоматики и телемеханики
Системой технического диагностирования является совокупность средств, объекта и исполнителей, необходимая для проведения диагностирования (контроля) по правилам, установленным в технической документации.
Наибольшее распространение на сети железных дорог Российской Федерации получили следующие СТДМ:
-
Система частотного диспетчерского контроля (ЧДК);
-
Аппаратно-программный комплекс диспетчерского контроля "КИТ" (АПК-ДК);
-
Аппаратно-программный комплекс диспетчерского контроля "ИМСАТ" (АПК-ДК);
-
Автоматизированная система диспетчерского контроля (АСДК);
-
Автоматизированная система диагностирования и контроля устройств сигнализации, централизации и блокировки (АДК-СЦБ).
1.3.1 Система частотного диспетчерского контроля
Система ЧДК стала применяться на сети железных дорог с 1966 года.
Аппаратура ЧДК позволяет:
-
Для поездного диспетчера:
-
обнаружение подвижного состава на участке железной дороги;
-
осуществлять наблюдение за показаниями входных и выходных светофоров (разрешающее/запрещающее показание);
-
Для дежурного по станции:
-
обнаружение подвижного состава на перегонах, прилегающих к станции;
-
осуществлять оценку состояния устройств автоблокировки и переездной сигнализации;
-
дистанционно управлять некоторыми объектами промежуточных станций (привода разъединителей высоковольтных линий, приборы связи).
Технические характеристики системы ЧДК:
-
общее количество контролируемых объектов – 480;
-
количество промежуточных станций в пределах диспетчерского круга – не более 15;
-
продолжительность цикла проверки – 14 с;
-
дальность действия по кабелю – 180 км;
-
дальность действия по воздушной цепи – 300 км;
-
дальность действия по радиорелейной линии – не ограничена.
Система имеет трехуровневую систему контроля, которая представлена на рисунке 1.8.
К нижнему уровню ЧДК относится аппаратура передачи информации от сигнальных точек автоблокировки и железнодорожных переездов на промежуточную станцию, к которой прилегает перегон или вблизи которой расположены железнодорожные переезды. Посылка данных с перегона основана на применении камертонных генераторов (КГ) типов ГК-5, ГК-6 или ГКШ, расположенных в релейных шкафах автоблокировки (железнодорожного переезда) и связанных на своем частотном канале с приемником на промежуточной станции [13].
Цепь двойного снижения напряжения (ДСН) применяется как линия связи.
К среднему уровню ЧДК относится аппаратура приема и обработки данных от камертонных генераторов, а также аппаратура контроля состояния станционных устройств ЖАТ.
На промежуточной станции устанавливаются:
-
усилитель (У) типа УПДК-2, предназначенный для усиления частотных сигналов от камертонных генераторов;
-
приемники диспетчерского контроля (П) типа ПК5, предназначенные для приема сигналов от камертонных генераторов;
-
распределитель диспетчерского контроля (Р) типа РДК-2, предназначенный для сбора информации о состоянии перегонных и станционных устройств ЖАТ. РДК даёт возможность контролировать состояние 32-х перегонных и станционных объектов;
-
линейный генератор (ГЛ1) типа ГЛ3, связанный с распределителем и необходимый для передачи сведений о состоянии устройств ЖАТ на центральный пост диспетчерского контроля.
В качестве линии связи применяется отдельная линия диспетчерского контроля ДК-ОДК;
-
тактовый генератор (ГТ) типа ГТ2-16, используется для формирования тактовых сигналов, при помощи которых выполняется контроль над распределителями на промежуточных станциях и центральном посту. Тактовый генератор устанавливается на одной из промежуточных станций, примерно посередине диспетчерского круга, и включается в линию ДК-ОДК;
-
блок питания типа БПС-1, предназначенный для питания аппаратуры ЧДК среднего уровня;
-
блок питания линии ДСН-ОДСН типа ДСНП-2;
-
табло дежурного по станции, посредством которого возможно наблюдение за положением поездов на перегоне, а также исправность устройств ЖАТ. Также на лицевой панели пульта-табло возможна установка лампочек диспетчерского контроля без установки отдельного табло.
К верхнему уровню ЧДК относится аппаратура центрального поста диспетчерского контроля:
-
усилитель УПДК-2;
-
линейный генератор ГЛ3;
-
распределитель РДК-2;
-
приемники ПК5;
-
блок питания типа БПДК-2
-
табло-матрица поездного диспетчера.
Главным минусом системы ЧДК является отсутствие получения диагностической информации с сигнальных точек и переездов при занятых блок-участках и закрытых переездах.
1.3.2 Аппаратно-программный комплекс диспетчерского контроля
Аппаратно-программный комплекс диспетчерского контроля (АПК-ДК) предназначен для получения достоверной информации о поездном положении и состоянии устройств СЦБ в полном объёме и обеспечения ей не только дистанций сигнализации и связи, но и других хозяйства по потребности.
Главными задачами внедрения АПК-ДК является:
-
автоматизация основных функций поездного диспетчера;
-
приём своевременной, подробной и достоверной информации об устройствах ЖАТС за счет, непрерывного мониторинга за их техническим состоянием;
-
повышение надежности работы устройств, за счет своевременного выявления предотказных состояний и профилактики сбоев.
Возможность выполнения принципиально новых функций:
-
анализ эксплуатационных действий оперативного и диспетчерского персонала по управлению движением поездов;
-
оптимизация пропуска поездов;
-
анализ качества работы устройств;
-
определение предотказного состояния устройств;
-
прогнозирование состояния устройств;
-
оптимизация процесса поиска и устранения отказов;
-
создание информационной базы для частичной автоматизации технического обслуживания устройств ЖАТС;
-
восстановление, с целью анализа, действительного состояния устройств ЖАТС и поездного положения за прошедшие периоды времени;
Автоматизации подлежит технология работы аппарата поездных диспетчеров, а также технология работы ШЧ по контролю за состоянием устройств, с возможностью передачи оперативной информации о поездном положении и состоянии устройств работникам других служб.
Система АПК-ДК состоит из трёх уровней (лист 2 графического материала работы) – нижнего, среднего и верхнего, структурная схема представлена на рисунке 1.9. Она реализуется с использованием программируемых контроллеров, персональных компьютеров и специального программного обеспечения (ПО). Автоматизированные рабочие места пользователей (АРМ), аппаратура СЖАТ, с помощью каналов связи, объединены между собой и образуют единую вычислительную сеть.
Подсистема нижнего уровня состоит из специализированных контроллеров, обеспечивающих съëм и первичную обработку информации, поступающей от устройств железнодорожной автоматики.
На перегоне данную задачу выполняет автомат контроля сигнальной точки (АКСТ). Этот контроллер устанавливается в релейных шкафах светофоров и выполняет съëм, кодировку информации о состоянии устройств автоматики и блок-участка, ограждаемого светофором. Для передачи информации с сигнальной точки на прилегающую станцию используются провода ДСН. Частотный приемник (СЧД) на линейном пункте (промежуточной станции) осуществляет прием и демодуляцию сигналов АКСТ.
Система АПК ДК работает как с аналоговыми сигналами, которые поступают с путевых реле, питающих фидеров, рабочих цепей стрелочного электродвигателя, так и дискретными сигналами, снимаемыми с пульта-табло ЭЦ. В качестве аппаратуры съема аналоговой и дискретной информации на станции используются: специализированные контроллеры ПИК-10, позволяющие измерять напряжение на путевых реле и сопротивление изоляции. Контроллер ПИК-120 осуществляет съем информации с элементов табло или свободных контактов реле. Для увеличения объема информации, вводимой в концентратор (компьютер), используются специализированные платы расширения. Контроллер ДИСК предназначен для съема информации с аппаратуры контроля нагрева букс на ходу поезда.
Подсистема среднего уровня включает концентраторы (РС) первичной обработки информации, расположенные на линейных пунктах. Это промышленные компьютеры (один на станцию), которые выполняют функции приема, обработки, хранения и архивации информации от подсистемы нижнего уровня, а также передачи полученных сведений на верхний уровень.
Подсистема верхнего уровня состоит из технических средств (АРМов) диспетчера АРМ-ДНЦ, дистанции сигнализации и связи
АРМ-ШЧД, работников отделения дороги (персональные компьютеры объединены в локальную вычислительную сеть ЛВС) и других пользователей.
Информационное программное обеспечение среднего уровня позволяет организовать вычислительную сеть на станции и осуществить объединение линейных вычислительных сетей (ЛВС) нескольких станций.
Информационное программное обеспечение верхнего уровня позволяет реализовать выполнение специальных технологических функций и организовать различные виды АРМ: поездного диспетчера и диспетчера железнодорожного узла (АРМ-ДНЦ и ДНЦУ), диспетчера сигнализации и связи (АРМ-ШЧД). Дополнительно в АПК-ДК можно включать подсистемы для передачи информации контроля удаленным пользователям: ШЧ, ПЧ, ЭЧ, ТЧ и т.д.















