Диплом (1222966)
Текст из файла
Equation Chapter 1 Section 1Министерство транспорта Российской Федерации
Федеральное агентство железнодорожного транспорта
ФЕДЕРАЛЬНОЕ ГОСУДАРСТВЕННОЕ БЮДЖЕТНОЕ ОБРАЗОВАТЕЛЬНОЕ УЧРЕЖДЕНИЕ ВЫСШЕГО ОБРАЗОВАНИЯ
«ДАЛЬНЕВОСТОЧНЫЙ ГОСУДАРСТВЕННЫЙ
УНИВЕРСИТЕТ ПУТЕЙ СООБЩЕНИЯ»
Кафедра «Локомотивы»
К ЗАЩИТЕ ДОПУСТИТЬ
Заведующий кафедрой
__________А.К. Пляскин
«___»___________2016 г.
МОДЕРНИЗАЦИЯ ЭЛЕКТРОВОЗА 2ЭС5К
ПРОТИВОБОКСОВОЧНОЙ СИСТЕМОЙ С УРАВНИТЕЛЯМИ
Пояснительная записка к дипломному проекту
ДП 23.05.03.04.153.ПЗ
Студент гр.153 Д.Ю. Дроголов
Консультант по безопасности
жизнедеятельности
(профессор, д.т.н., профессор) В.Д. Катин
Консультант по экономике
(доцент, к.э.н., доцент) О.Б. Лазарева
Руководитель
(доцент, к.т.н., доцент) С.В. Доронин
Нормоконтроль
(доцент, к.т.н.) Ю.С. Кабалык
Хабаровск – 2016
ABSTRACT
Traction properties of locomotives are provided more from stability of coupling of a wheel with a rail therefore development and deployment of essentially new detection units and protection against slipping is a significant task both in the Russian Federation, and in other countries with the developing industry of railway transport. In work the new way of protection against slipping of wheel pairs of electric locomotives 2(3)ES5K «Ermak» which means redistribution of traction efforts between wheel pairs and minimization of adding sand is offered; the principle of work of a traction control system and its schematic diagram of power part is considered.
СОДЕРЖАНИЕ
ВВЕДЕНИЕ 7
1 АНАЛИЗ КОНСТРУКЦИЙ ПРОТИВОБОКСОВОЧНЫХ СИСТЕМ 9
1.1 Релейные противобоксовочные системы 9
1.2 Электронные противобоксовочные системы 11
1.3 Системы регулировки проскальзывания колёсных пар 14
1.4 Другие противобоксовочные системы 18
2 АНАЛИЗ СИЛОВОЙ СХЕМЫ ЭЛЕКТРОВОЗА 2ЭС5К 28
2.1 Электрические цепи первичной обмотки тягового трансформатора 31
2.2 Электрические цепи вторичной обмотки трансформатора и тягового электродвигателя в режиме тяги 32
2.3 Электрические цепи вторичной обмотки трансформатора и тягового электродвигателя в режиме рекуперации 35
2.4 Электрические цепи защиты 37
3 АНАЛИЗ ПРОТИВОБОКСОВОЧНОЙ СХЕМЫ С УРАВНИТЕЛЯМИ 38
3.1 Принцип работы противобоксовочной схемы 39
3.2 Модернизация схемы на новые элементы 42
3.3 Моделирование и анализ 44
3.3.1 Описание среды моделирования 44
3.3.2 Описание модели электровоза и противобоксовочной системы 46
3.3.3 Моделирование номинального тягового режима работы электровоза 48
3.3.4 Моделирование боксования одного тягового электродвигателя 50
3.3.5 Моделирование боксования двух ТЭД одного ВИП 52
3.3.6 Моделирование боксования двух ТЭД разных ВИП 54
3.3.7 Моделирование боксования при разности диаметров
бандажей КП 56
3.3.8 Выводы по результатам моделирования 58
3.4 Управление системой ЭСО 59
4 ПРОЕКТ МОДЕРНИЗАЦИИ ЭЛЕКТРОВОЗА 2ЭС5К 63
4.1 Изначальная компоновка оборудования в секции 63
4.2 Модернизированная компоновка оборудования в секции 66
4.3 Монтаж электрических цепей 68
5 ОБЕСПЕЧЕНИЕ БЕЗОПАСНОСТИ ТРУДА ПРИ ЭКСПЛУАТАЦИИ И ОБСЛУЖИВАНИИ ЭЛЕКТРОВОЗА 70
5.1 Общие требования безопасности 70
5.2 Меры безопасности при входе в высоковольтную камеру 72
5.3 Меры безопасности при поднятии токоприёмника 73
5.4 Меры безопасности при поднятом токоприёмнике 73
5.5 Меры безопасности при питании электровоза от сети депо 74
5.6 Меры безопасности при устранении неисправностей в пути следования 76
5.7 Меры безопасности при ремонте электровоза 77
5.7.1 Безопасность при ремонте электрических машин 78
5.7.2 Безопасность при ремонте электронной аппаратуры 80
6 ЭКОНОМИЧЕСКОЕ ОБОСНОВАНИЕ МОДЕРНИЗАЦИИ 82
6.1 Общая характеристика показателей оценки экономической эффективности технических решений 82
6.2 Определение затрат на внедрение и реализацию противобоксовочной системы 85
6.3 Определение экономического эффекта 87
6.4 Определение показателей экономической эффективности 99
6.5 Итоговые положения о целесообразности модернизации
электровозов 2(3)ЭС5К «Ермак» 101
ЗАКЛЮЧЕНИЕ 102
Список использованных источников 104
Уменьшенные копии демонстрационных листов 107
ВВЕДЕНИЕ
Исходя из целей «Стратегии развития железнодорожного транспорта в РФ до 2030 года» [1], одним из критериев улучшения технико-экономических показателей подвижного состава является повышение производительности локомотивов на 18,2 %.
С 2006 года на Дальневосточную железную дорогу начались поставки грузовых электровозов серии 2ЭС5К «Ермак», а в 2007 году пришли новые трёхсекционные электровозы 3ЭС5К «Ермак». В период с 2006 по 2015 год в ТЧЭ-8 «Смоляниново» был поставлен 91 электровоз серии 2ЭС5К и 54 электровоза серии 3ЭС5К. За аналогичный период эксплуатационным локомотивным депо «Хабаровск-2» было получено 31 электровоз серии 2ЭС5К и 168 электровозов серии 3ЭС5К [2]. Таким образом в двух основных электровозных депо Дальневосточной железной дороги почти весь локомотивный парк был заменён на современные электровозы серии «Ермак». Эксплуатация данных электровозов не ограничивается исключительно границами ДВЖД. Восточно-Сибирская железная дорога (депо Вихоревка) и Забайкальская железная дорога (депо Чита) также используют эти электровозы в качестве основного грузового локомотива. На 2016 год поставка электровозов серии «Ермак» в локомотивное депо «Чита» продолжается.
На текущий момент технико-экономические показатели электровозов 2ЭС5К и 3ЭС5К значительно уступают не только зарубежным моделям, но и современным образцам российского производства. За довольно внушительный десятилетний период особых изменений в конструкцию данных электровозов внесено не было и существенных модернизаций не производилось.
Кризисные явления в экономике Российской Федерации, не всегда эффективная экономическая политика ОАО «РЖД» и другие значимые факторы сводят почти к нулю возможности скорейшего обновления используемого железнодорожного подвижного состава в дальневосточном регионе. Таким образом электровозы с пониженными характеристиками, по отношению к современному уровню развития железнодорожной отрасли, будут продолжать эксплуатироваться на дальневосточном полигоне и других соседствующих ещё не один десяток лет. В таких условиях одним из оптимальных сценариев развития дальневосточных депо можно определить модернизацию существующих электровозов с минимальными финансовыми и трудовыми затратами.
Одним из методов повышения производительности локомотивов можно выделить улучшение тягово-сцепных свойств, что позволит увеличить длину и массу грузовых поездов. Максимальная сила тяги современных локомотивов ограничивается в основном условиями сцепления колеса с рельсом. Критическая масса поезда вычисляется в соответствии с расчётным коэффициентом сцепления. Однако действительный сцепной коэффициент зависит от множества случайных факторов и может варьироваться в широких пределах.
К сведению, на величину коэффициента сцепления оказывает влияние конструктивные особенности электровозов. К таким особенностям можно отнести схему соединения тяговых электродвигателей, жёсткость тяговых характеристик, разброс характеристик ТЭД, развеска локомотива и диаметры бандажей колёсных пар. Вместе с тем, значительное снижение коэффициента сцепления приводит к боксованию и, как следствие, к снижению тяговых возможностей электровоза.
Целью дипломного проекта является улучшение тяговых свойств электровозов 2ЭС5К и 3ЭС5К за счёт повышения жёсткости тяговых характеристик и перераспределения тяговых усилий между колёсными парами в периоды возникновения боксования. Для достижения этой цели будет рассмотрена возможность модернизации электровозов противобоксовочной системой с уравнителями.
1 АНАЛИЗ КОНСТРУКЦИЙ ПРОТИВОБОКСОВОЧНЫХ СИСТЕМ
Подобрать оптимальную противобоксовочную систему, применительно к отдельной серии электровозов, зачастую проблематично без анализа уже существующих вариантов, их достоинств и недостатков. Поэтому рассмотрение вопроса о ранее выполненных и существующих реализациях систем противодействия боксованию является актуальным.
Противобоксовочные системы можно разделить на несколько групп: релейные системы, электронные системы, системы регулировки проскальзывания колёсных пар и другие системы.
1.1 Релейные противобоксовочные системы
Данная группа обладает наиболее грубой чувствительностью к боксованию и основана в первую очередь на предупреждении машиниста о начавшемся боксовании. Реле боксования, при срабатывании, включает световую индикацию на панели управления электровозом. Этот сигнал и служит призывом к действию для машиниста о том, что необходима подсыпка песка под боксующую секцию электровоза. Подача песка осуществляется как по команде машиниста, так и, на некоторых моделях электровозов, в автоматическом режиме. Системами данной группы оборудованы практически все электровозы с контакторным регулированием, а также ВЛ80Р. Основной задачей релейных противобоксовочных систем является именно защита оборудования электровоза от негативных последствий разносного боксования, а не повышение сцепных свойств электровоза. Грубая уставка срабатывания не позволяет отнести данную категорию противобоксовочных систем к эффективным и не допускающих снижения силы тяги. В настоящее время почти все электровозы этой категории выведены из эксплуатации. Однако именно системы данной группы положили основу для дальнейшего совершенствования противобоксовочных свойств локомотивов.
Одним из обладателей релейной противобоксовочной системы является электровоз ВЛ60. Схема противодействия боксованию данного электровоза представлена на рисунке 1.1.
Рисунок 1.1 – Принципиальная схема противобоксовочной системы электровоза ВЛ60
Принцип действия одной из самых ранних систем борьбы с боксованием заключается в следующем. В каждой группе из трёх тяговых двигателей М1 (М4) – МЗ (М6) между якорями и обмотками возбуждения включены реле боксования РБ1 (РБЗ) и РБ2 (РБ4), добавочные резисторы Р51 (Р52) и Р53 (Р54) и контакторы реле времени 211(212). При отсутствии боксования колёсных пар, катушки реле РБ1 и РБ2 не возбуждены, в связи с тем, что они подключены к однопотенциальным точкам «а», «б» и «в» цепи. При боксовании ток в цепи двигателя боксующей колёсной пары уменьшится и в точках «а», «б» или «б», «в» появится разность потенциалов, в результате чего реле сработают и создадут цепь питания реле 269. Последнее замкнёт свои контакты в цепи возбуждения вентиля подачи песка и одновременно разорвёт цепь катушек реле времени 211 и 212, которые через 1–1,5 секунды сработают и разорвут цепь катушек реле боксования, тем самым подача песка прекратится. Однако если боксование не прекратилось, реле снова сработают, и подача песка возобновится.
Таким образом, реле боксования периодически срабатывают и обеспечивают автоматическую подачу песка под колёсные пары. При срабатывании реле загорается белая сигнальная лампа РБ.
Промежуточное реле 269 и реле времени 211, 212 составляют пульс-пару, которая обеспечивает импульсную подачу песка под колёса во время боксования. Подача песка возможна и вручную соответствующей кнопкой. В этом случае возбуждается реле 205, которое воздействует на реле 269. Реле 205, заменяющее реле боксования и реле времени, имеет выдержку на отключение 1,2–2 секунды, после чего прекращается подача песка. Затем оно снова возбуждается, и подача песка повторяется. В этой схеме пульс-пару составляют реле 205 и 269. Аналогично выполнена защита от боксования на электровозах ВЛ80 всех индексов.
1.2 Электронные противобоксовочные системы
Системы данной категории используют более чувствительные алгоритмы обнаружения боксования. Их применение нашло себя в последних версиях электровозов ВЛ85, а также в более усовершенствованном виде на электровозах серий ВЛ65, ЭП1, Э5К, 2ЭС5К и 3ЭС5К. Начиная с электровозов серии ЭП1 электронные противобоксовочные системы создавались на базе микропроцессоров, работающих по заложенному в них алгоритму. Однако основным способом противодействия боксованию всё также осталась подсыпка песка, но уже осуществляющаяся в большей степени в автоматическом режиме. При обнаружении боксования всех колёсных пар данные системы производят снижение силы тяги электровоза, что и приводит в конечном итоге к восстановлению должного сцепления колёс с рельсами.
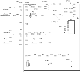
Схема защиты от боксования на электровозах 2ЭС5К и 3ЭС5К представлена на рисунке 1.2.
Рисунок 1.2 – Принципиальная схема противобоксовочной системы электровозов
2ЭС5К и 3ЭС5К
Принцип действия представленной противобоксовочной схемы заключается в следующем. Защита от боксования и юза обеспечивается подсыпкой песка под колёсные пары и снижением момента тяговых двигателей. Подсыпка песка может осуществляться периодически кратковременным нажатием кнопки S57 «ПЕСОК 1», педали S29 «ПЕСОК» головной (хвостовой) секции или автоматически по сигналу блока управления А55 каждой секции при боксовании и юзе, а также при служебном и экстренном торможениях. При этом на каждой секции в зависимости от направления движения включаются электропневматические клапаны песочниц У11, У13 или У12, У14, обеспечивающие подсыпку песка под первую по ходу движения колёсную пару каждой тележки головной (хвостовой) секции и бустерной.
Напряжение на клапаны песочник У11–У14 подаётся через выключатель SF30 «ПЕСОК, СИГНАЛЫ, РЕЗЕРВУАРЫ» и контакты переключателя SA3 головной (хвостовой) секции.
Для обеспечения автоматической подсыпке песка при боксовании и юзе необходимо включить тумблер S30 «ПЕСОК АВТОМАТИЧЕСКИ» на головной (хвостовой) секции. При этом напряжение на катушки клапанов песочниц У11–У14 подаётся по цепи:
Характеристики
Тип файла документ
Документы такого типа открываются такими программами, как Microsoft Office Word на компьютерах Windows, Apple Pages на компьютерах Mac, Open Office - бесплатная альтернатива на различных платформах, в том числе Linux. Наиболее простым и современным решением будут Google документы, так как открываются онлайн без скачивания прямо в браузере на любой платформе. Существуют российские качественные аналоги, например от Яндекса.
Будьте внимательны на мобильных устройствах, так как там используются упрощённый функционал даже в официальном приложении от Microsoft, поэтому для просмотра скачивайте PDF-версию. А если нужно редактировать файл, то используйте оригинальный файл.
Файлы такого типа обычно разбиты на страницы, а текст может быть форматированным (жирный, курсив, выбор шрифта, таблицы и т.п.), а также в него можно добавлять изображения. Формат идеально подходит для рефератов, докладов и РПЗ курсовых проектов, которые необходимо распечатать. Кстати перед печатью также сохраняйте файл в PDF, так как принтер может начудить со шрифтами.
















