Пояснительная записка (1215802), страница 4
Текст из файла (страница 4)
Рисунок 3.5. Интервал скрещения с остановкой одного поезда и проследованием другого
Р
исунок 3.6. Взаимное расположение поездов
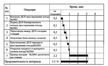
Рисунок 3.7. Продолжительность интервала скрещения
Интервал попутного следования
Интервал попутного следования - минимальный промежуток времени между прибытием на станцию одного поезда и отправлением с предыдущей станции в попутном направлении другого поезда. Этот интервал определяется затратами времени на контроль прибытия или проследования поезда в полном составе через станцию, связь между раздельными пунктами и открытие выходного сигнала второму поезду с предыдущей станции. Схема интервала попутного следования приведена на рисунке 3.8.
Рисунок 3.8. Интервал попутного следования и взаимное расположение поездов
Расчет времени проследования расчетного расстояния грузовым поездом:
П
родолжительность интервала неодновременного прибытия представлена на рисунке 3.9.
Рисунок 3.9. Продолжительность интервала попутного следования
Расчет станционных интервалов для железнодорожных станций участка Барановский – Хасан приведен в таблице 3.1.
Таблица 3.1
Расчет станционных интервалов
3.2 Расчет наличной пропускной способности на участке Барановский –
Хасан
Для однопутного участка наличная пропускная способность определяется по формуле, пар поездов:
(3.2)
где
– продолжительность технологического окна,
мин;
– коэффициент надежности работы технических средств,
;
– период графика, мин.
Для расчета периода графика на однопутной линии выбирается максимальный перегон. Для этого рассчитываются времена хода грузовых поездов по каждому перегону (таблица 3.2).
Таблица 3.2
Ведомость перегонных времен хода поездов по перегонам
Перед расчетом пропускной способности участков рассматриваемого полигона определен период графика движения по формуле, мин:
, (3.3)
где
– время хода нечетного поезда, минут;
– время хода четного поезда, минут;
– сумма станционных интервалов, минут;
– сумма времени на разгон и замедление, минут.
Для расчета периода графика на однопутной линии выбран ограничивающий перегон. Ограничивающий перегон – это перегон с наибольшим периодом графика.
Порядок определения ограничивающего перегона:
1) определен перегон с наибольшей суммой времён хода – максимальный перегон (Махалино – Хасан);
2) на максимальном перегоне выбрана схема прокладки поездов, обеспечивающая наименьшую величину периода графика.
В расчете использованы следующие данные для перегона Махалино - Хасан:
= 51 мин,
= 51 мин, τнп = 4 мин, τс = 2 мин, tр = 2 мин, tз =2 мин.
Рассмотрены 4 схемы прокладки поездов через максимальный перегон.
Рисунок 3.10. Поезда следуют сходу на перегон
, (3.4)
минут.
Рисунок 3.11. Поезда следуют сходу на перегон
, (3.5)
минут.
Рисунок 3.12. Поезда следуют сходу по ограничивающему перегону
, (3.6)
минут.
Рисунок 3.13. Четные поезда следуют сходу по ограничивающему перегону
, (3.7)
минут.
Итак, минимальный период графика на ограничивающем перегоне составил 112 минут.
Наличная пропускная способность на перегоне Махалино – Хасан рассчитывается по формуле (3.2):
пар поездов в сутки.
Ограничивающий перегон устанавливается по фрагменту графика, на котором по максимальному перегону поезда следуют по выбранной схеме – перегон с максимальным периодом является ограничивающим.
Результаты расчета наличной пропускной способности по каждому перегону представлены в таблице 3.3.
Таблица 3.3
Наличная пропускная способность
| Наименование перегона | Наличная пропускная способность, пар поездов |
| Барановский – Оленевод | |
| Оленевод – Виневитино | |
| Виневитино – Провалово | |
| Провалово – Барсовый | |
| Барсовый – Приморская | |
| Приморская - Кедровый | |
| Кедровый – Пожарский | |
| Пожарский – Бамбурово | |
| Бамбурово – Рязановка | |
| Рязановка – Сухановка | |
| Сухановка – Гвоздево | |
| Гвоздево – Махалино | |
| Махалино - Хасан |
В связи с тем, что график движения поездов на участке Барановский – Хасан непараллельный, необходимо определить коэффициент съема пассажирских поездов.
.
Коэффициент съема скорых, пассажирских и пригородных поездов при
рассчитывается по формуле:
, (3.8)
где
- доля четырехпутных станций (включая главные пути) на расчетном участке;
Nпс – общее число скорых, пассажирских и пригородных поездов на участке;
– коэффициент пакетности,
.
3.3 Сравнение наличной и потребной пропускной способности на участке
Барановский – Хасан
Потребные размеры движения грузовых поездов рассчитываются по формуле, поездов:
(3.9)
где
– потребная провозная способность, млн. т в год;
– коэффициент неравномерности,
;
– масса грузового поезда брутто, т;
– соотношение массы нетто и массы брутто состава,
.
Расчет потребной пропускной способности перегона Барановский – Гвоздево производится по формуле (3.9):
Потребная провозная способность до 2025г, расчет потребной пропускной способности участка Барановский – Хасан представлены в таблице 3.4.
Таблица 3.4
Потребная провозная и пропускная способности на участке
Сравнение наличной и потребной пропускной способности на участке Барановский – Хасан представлено в таблице 3.5.
Таблица 3.5
Сравнение наличной и потребной пропускной способности
Сравнение наличной и потребной пропускной способностей выявило «узкие места» участка. Для их усиления необходимо увеличить пропускную способность на шести перегонах. В дипломном проекте рассмотрены следующие мероприятия для усиления пропускной способности:
-
переход на автоматическую блокировку с открытием двухпутных вставок;
-
открытие дополнительных разъездов.
4 Усиление пропускной способности участка Барановский – Хасан
4.1 Переход на автоматическую блокировку
Н
а однопутных участках, оборудованных автоблокировкой, расчет наличной пропускной способности по перегонам ведется при частично-пакетном графике, расчетная схема которого приведена на рисунке 4.1.
Рисунок 4.1. Расчетная схема периода частично-пакетного графика
Здесь Iр1 и Iр2 - расчетные интервалы между попутными поездами в пакете соответственно в нечетном и четном направлениях.
При частично-пакетном графике величина пропускной способности существенно зависит от коэффициента пакетности
, представляющего собой отношение числа поездов, пропускаемых в пакетах, к общему числу поездов, а также от количества поездов, пропускаемых в одном пакете, «К». Оба параметра существенно зависят от количества приемо-отправочных путей на каждом промежуточном раздельном пункте. Так, например, реализация графика движения с коэффициентом
возможна только при наличии на каждом раздельном пункте не менее четырех путей.
При определении пропускной способности коэффициент пакетности принимается
при двух поездах в пакете. Расчетный межпоездной интервал определяется в соответствии с положениями Инструкции по определению станционных и межпоездных интервалов. В этом случае пропускная способность однопутного перегона с автоблокировкой и диспетчерской централизацией определяется по формуле, поездов:
(4.1)
где
– коэффициент пакетности,
;
– межпоездной интервал, мин.
М
ежпоездной интервал – минимальное время, которым разграничивают поезда при следовании по перегонам на участках оборудованных автоматической блокировкой. Межпоездной интервал, а также взаимное расположение поездов на перегоне представлены на рисунке 4.2.
Рисунок 4.2. Межпоездной интервал, взаимное расположение поездов
Расчетное расстояние определятся по формуле, м:
, (4.2)
где
– длина блок-участка,
Результаты расчета станционных интервалов для железнодорожных станций участка Барановский – Хасан приведены в таблице 4.1.
Таблица 4.1
Станционные интервалы
| Наименование станции | Интервал, мин | |
| неодновременного прибытия | скрещения | |
| Барановский | 3 | 1 |
| Оленевод | 3 | 1 |
| Виневитино | 3 | 1 |
| Провалово | 3 | 1 |
| Барсовый | 3 | 1 |
| Приморская | 3 | 1 |
| Кедровый | 3 | 1 |
| Барсовый | 3 | 1 |
| Бамбурово | 3 | 1 |
| Рязановка | 3 | 1 |
| Сухановка | 3 | 1 |
| Гвоздево | 3 | 1 |
| Махалино | 3 | 1 |
| Хасан | 3 | 1 |
Наличная пропускная способность для перегона Махалино – Хасан рассчитывается по формуле (4.1):















