РАЗРАБОТКА ФЛЮСА ДЛЯ АВТОМАТИЧЕСКОЙ НАПЛАВКИ (1211024), страница 5
Текст из файла (страница 5)
где yu - математическое ожидание выхода; y- значение выхода, полученного опытным путем; σ{y} – дисперсия; r – число параллельных опытов в каждой точке;
Ψ=∑Сі2+C2ij+C2iij+C2ijj+C2ijk, (3.4)
где Ci=0,5xi(3xi-1)(3xi-2); Ciij=4,5xixj(3xj-1); Cijj=4,5xixj(3xi-1); Cijk=27xixjxk.
Величина ошибки предсказанных уравнением полинома выходов рассчитывается по формуле:
∆ = ± t rσ {y} / √ґ Ψ1/8 (3.5)
Если экспериментальные значения t-критерия не превосходят табличных значений, установленные модели выходов адекватно описывают экспериментальные результаты и могут быть использованы для построения контурных кривых, дающих возможность выбора состава шлаковой ванны для получения заданных свойств получаемого функционального материала и решения ряда других практических задач.
На заключительном этапе производится построение контурных кривых поверхностей откликов, оптимизация состава шлаковой ванны, испытание полученных сварочно-наплавочных материалов, проверка соответствия полученных свойств заданным или нормативной документации.
3.2 Оборудование и материалы для исследования свойств наплавленного металла
Исследование свойств наплавленного металла производилось с применением следующего оборудования:
Металлографический инвертированный микроскоп ЛабоМет–И2, служит для исследования микроструктуры наплавленного образца, увеличение от 100х до 1600х, представлен на рисунке 3.1
Рисунок 3.1 Металлографический инвертированный микроскоп
Микротвердомер ПМТ-3М, используется для определения микротвердости структурных составляющих исследуемого материала, представлен на рисунке 3.2
Рисунок 3.2 Микротвердомер ПМТ-3М
Спектроскан МАКС-GV 4071, служащий для определения элементного состава наплавленного металла представлен на рисунке 3.3
Рисунок 3.3 Спектроскан МАКС-GV 4071
Твердомер TH300,применяемый для определения твердости представлен на рисунке 3.4
-
Рисунок 3.4 Твердомер TH300
-
3.3 Материалы
В формировании структуры и свойств наплавленного металла при электрической сварке и наплавке плавящимися электродами участвуют две группы ма
териалов: металлические и неметаллические. К первой группе относятся электродные (переплавляемые), которые являются основой швов и присадочные, выполняющие функции раскислителей и легирующих добавок. Вторая группа обеспечивает защиту расплавленного металла сварочной ванны от вредного воздействия атмосферы и, совместно с первой группой,
формирует состав и свойства наплавляемого материала, окисляя или легируя его.
Существенное влияния на составы сплавов, получаемых при сварке и наплавке оказывает основа изделия (подложка), на которую наносится материал электрода.
3.3.1 Металлические материалы
В качестве сердечников плавящихся электродов применялись низкоуглеродистые сварочные проволоки Св08 и Св08А.
Исследование свойств созданных сварочно-наплавочных материалов проводилось на подложках из конструкционных сталей Ст.3 и 20Л, широко используемые для изготовления узлов локомотивов.
3.3.2 Неметаллические материалы
При создании новых сварочно-наплавочных, конструкционных и инструментальных материалов использовалось минеральное сырье Дальневосточного региона, которое, с позиций решаемых задач, можно разделить на две группы:
-
не легирующее металл переплавляемого электрода;
-
легирующее электродный материал при помощи находящихся в составе сырья оксидов.
К первой группе относятся известняк Вяземского месторождения, гранит Корфовского карьера, мрамор и доломит месторождений, расположенных в Еврейской автономной области.
Во вторую группу входит шеелитовый концентрат производимый Лермонтовским горнообогатительным комбинатом Приморского края, мас.%:WO3 – 59,5; CaO – 26,8; MgO – 1,65; SiO2 –2,9; TiO2 –0,2; Fe3O4 – 1,84; Fe2O3 – 3,78; FeO – 0,61; Na2O – 0,24; K2O –0,15; S – 0,2; P – 0,31; прочие – 1,86.
Легируя наплавленный металл, он одновременно является шлакообразующим, создает хорошую газовую защиту от воздушной среды, стабилизирует электрическую дугу.
Для регулирования вязкости шлаковой ванны, увеличения степени ее неравновесности, очищения наплавляемого металла от вредных примесей, использовался плавиковошпатовый концентрат, выпускаемый Ярославским горнообогатительным комбинатом Приморского края, содержащий, масс.%: CaF2-90,0; SiO2-5,1; CaCO3-3,2; S0,10; P0,01.
В качестве раскислителей были применены порошок графита, алюминиевая пудра и ферросилиций.
4.Технология восстановления резьбовой части оси колесной пары вагона с использованием разработанных флюсов.
-
Технические требования.
-
Автоматическая наплавка резьбовой части вагонных осей под флюсом должна производиться в соответствии с требованиями технологической инструкции ЦВА-7.
-
Восстановлению подлежат вагонные оси с поврежденной резьбой шейки (износ, забоины, срыв, ожог резьбы сварочным током, смятие профиля, изменение шага резьбы, заклинивание торцевой гайки на резьбе и др.), а также с резьбой, размеры наружного диаметра которой менее 108,7 мм.
Измерение резьбы по диаметру производят микрометром типа МК (ГОСТ 6507-60), штангенциркулем (ТУ 166-80) с ценой деления 0,1 мм или специальными шаблонами, проверенными в установленном порядке.
Оси, резьба которых имеет наружный диаметр более 110,0 мм, необходимо калибровать специальным инструментом для исправления и калибровки резьбы. При размере наружного диаметра резьбы в пределах 108,7-110,0 мм резьба оси признается исправной.
-
Рабочее место для наплавки и нарезки резьбовой части шейки оси должно быть оснащено токарно-винторезным станком, сварочным автоматом (полуавтоматом) или установкой типа УНО-2, источником питания электрической дуги (ВДУ-506 или др.) режущим и измерительным инструментом, ситом для просеивания флюса и др.
-
Перед наплавкой колесная пара должна быть обмыта и очищена от грязи, смазки коррозии, краски; при необходимости – расформирована, а резьбовая
часть шейки оси обточена на токарном станке под диаметр 104,8 мм (допуск «- 0,1 мм»). При восстановлении резьбы на установке УНО-2 для обеспечения
надежного электрического контакта подступичная часть оси должна, зачищена от коррозии и местных задиров металла.
-
Наплавку производить при температуре воздуха не ниже + 5ºС под флюсом АН-348А или АНЦ-1 с применением электродной проволоки Св-08Г2С, Св-18ХМА, Св08ГС, Св10Г2 и Св-08А диаметром 1,6 или 2,0 мм. Применение других марок электродной проволоки запрещается. Перед использованием электродная проволока должна быть очищена от ржавчины, масла и грязи. Использование отсыревшего флюса не допускается. Флюс перед употреблением следует просеять через сито с ячейкой 3х3 мм и прокалить в печи при температуре 400ºС в течение двух часов.
6. Перед наплавкой с вагонных осей должны быть сняты внутренние кольца подшипников, а шейки осей – защищены от возможного попадания брызг металла из сварочной дуги.
7. Вагонную ось с предварительно обточенной резьбой укладывают на опорные ролики установки УНО-2 или колесную пару зажимают в центрах станка. При этом восстанавливаемую резьбовую часть располагают против мундштука сварочной головки или автомата, находящихся в нерабочем положении (головка откинута назад и др.).
Сварочная головка включает механизм подачи электродной проволоки и флюсоудерживатель. На установке УНО-2 головка дополнительно снабжена механизмом колебания электрода, который за счет специального рычага и толкателя обеспечивает продольное перемещение электрода и при одновременном вращении вагонной оси осуществляет наплавку в один или два слоя по спирали в автоматическом режиме.
К торцу оси со стороны наплавляемой части прижимают медную формирующую подкладку (на УНО-2), препятствующую ссыпанию флюса из зоны дуги и способствующую лучшему формированию при наплавке начального (первого) кольцевого валика. С этой же целью, но для концевого валика, в зарезьбовую канавку шейки оси закладывают шнуровой асбест.
8.Перед началом наплавки электрод размещают со стороны формирующей подкладки на расстоянии 2,0-2,5 мм от нее и устанавливают требуемые параметры режима наплавки Ток –180-222 А, напряжение 24 В. Кольцевой валик первого слоя выполняют при неподвижном вдоль оси изделия электроде. Вращение вагонной оси при наплавке – по часовой стрелке. Затем производят наплавку с шагом наплавки:
-
при двухслойной наплавке - 3,5-4,0 мм\об;
-
при однослойной - 2,2-2,5 мм\об.
На расстоянии 1,5-2,0 мм от противоположного торца резьбовой части (зарезьбовой канавки) снижают скорость перемещения электрода и производят наплавку последнего (концевого) валика. Смещение электрода от вертикальной плоскости, проходящей через центр вагонной оси, вперед на 8-12 мм.
9. После наплавки и остывания в помещении в течение двух часов при температуре не ниже +50С наплавленная часть вагонной оси подлежит обточке и нарезке резьбы М110х4.
4.2 Исследование состава микроструктуры и свойств наплавленного металла
В данном разделе представлены результаты исследования наплавленных слоев на фрагмент оси вагона с использованием разработанных опытных флюсов, исследования касаются состава, структуры и свойства наплавленного слоя, сформированного на подложке из стали 45. Наплавочный материал-проволока св-08А, стандартный флюс АН-348А и опытные флюсы (ОФ) ОФ-1, ОФ-2, ОФ-3.Состав флюсов и наплавленного металла приведен в таблице 4.1, 4.2 соответственно.
Таблица 4.1 Химический состав флюса,%
| Флюс | SiO2 | CаО | MnO | CaF2 | Al2O3 | CаCО3 | FeMn | MgO |
| ан-348-А | 41-44 | 6,5 | 34-38 | 4-5,5 | 4,5 | 5-7,5 | ||
| ОФ-1 | 14-15 | - | Менее 5 | 28-30 | Менее 5 | 54-56 | ||
| ОФ-2 | 14-15 | - | Менее 5 | 28-30 | Менее 5 | 49-51 | 4-6 | |
| ОФ-3 | 14-15 | - | Менее 5 | 28-30 | Менее 5 | 43-46 | 9-11 |
Таблица 4.2 Химический состав наплавленного металла
| Марка флюса | С % | Mn % | Cr % | Ni % | Сu% | Si % | S % | P % |
| АН-348-А | 0,35 | 0,71 | 0,09 | 0,05 | 0,2 | 0,45 | 0,03 | 0,03 |
| ОФ-1 | 0,33 | 1,0 | 0,06 | 0,02 | 0,2 | 0,55 | 0,05 | 0,03 |
| ОФ-2 | 0,34 | 1,5 | 0,08 | 0,06 | 0,3 | 0,50 | 0,02 | 0,01 |
| ОФ-3 | 0,35 | 2,8 | 0,09 | 0,04 | 0,1 | 0,45 | 0,03 | 0,02 |
Анализ таблицы 4.2 показал, что наплавленный металл, во всех опытах, содержит более низкое содержание углерода, по сравнению с основным металлом (сталь 45), что связано с составом сварочной проволоки (св 08А) и перемешиванием основного металла и электродного. В образцах наплавленных под флюсом ОФ-2 и ОФ-3 увеличино содержание марганца из-за добавки в состав флюса FeMn. В остальном, различий в составе металла оси колесной пары и металлом сформированным под флюсом, как опытным так и стандартным, существенных различий нет.
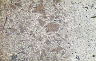
Микроструктура основного и наплавленного металла, приведена на рисунке 4.1-4.4
| а б в Рисунок 4.1 Микроструктура зоны сплавления металла (флюс ан-348-А): а- основной металл; б-наплавленный; в-граница сплавления |
| а б в Рисунок 4.2 Микроструктура зоны сплавления металла (флюс ОФ-1): а- основной металл; б- наплавленный; в- граница сплавления |
| а в б Рисунок 4.3 Микроструктура зоны сплавления металла (флюс ОФ-2): а- основной металл; б- наплавленный; в- граница сплавления |
| а б в Рисунок 4.4. Микроструктура зоны сплавления металла (флюс ОФ-3): а- основной металл; б- наплавленный; в- граница сплавления |
Анализ фотографий микроструктуры показал, что основной металл (сталь 45) представлен феррито-перлитную структурой, зона сплавления, во всех образцах имеет плавный переход из основного металла в наплавленный.
Наплавленный металл представлен мелкозернистой феррито-перлитной структурой, феррит во всех образцах имеет дендритное строение. В наплавленном металле, образцы ОФ-1 и ОФ-3, имеются крупные скопления дефектов (шлаковые включения, силикаты и т.д.). Микроструктура образца наплавленного под опытным флюсом ОФ-2 практически не отличается от структуры сформированной под стандартным флюсом АН-348.
Если экспериментальные значения t-критерия не превосходят табличных значений, установленные модели выходов адекватно описывают экспериментальные результаты и могут быть использованы для построения контурных кривых, дающих возможность выбора состава шлаковой ванны для получения заданных свойств получаемого функционального материала и решения ряда других практических задач.















