Diplomnaya_rabota (1211022), страница 6
Текст из файла (страница 6)
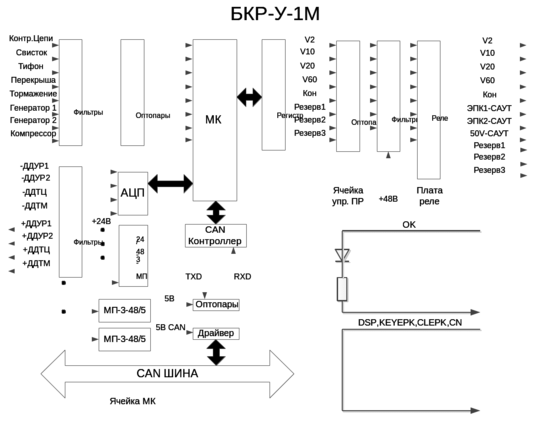
Блок предназначен для:
-
приема аналоговых сигналов от датчиков давления в уравнительном резервуаре (ДДУР1), в тормозном цилиндре (ДДТЦ) и в тормозной магистрали (ДДТМ);
-
приема дискретных цифровых сигналов тифона, свистка, включения компрессора, контроля цепи, сигнала "Перекрыша", сигнала торможения, где сигнал логической единицы передается напряжением от 33 до 72 В, а сигнал логического нуля напряжением от 0 до 12 В, сигнала "0-контр";
-
выдачи сигналов о движении со скоростью V10, V20, V60 км/ч и сигнала управления электропневмовентилем "KON";
-
проведения предварительной обработки собранной информации с последующей передачей по CAN-интерфейсу другим устройствам КЛУБ-У;
-
включения и подачи питания на блоки и устройства КЛУБ-У;
-
формирования сигналов служебного и экстренного торможения через приставку крана машиниста (ПКМ) и электропневмовентиль (ЭПВ), сигнала на разбор тяги (для исполнения 36991-260-00-01).
Рисунок 2.1 — Структурная схема блока БКР-1-1М
2.1.2. Технические характеристики
Электропитание блока осуществляется от источника постоянного тока напряжением (48 ± 7) В, двойная амплитуда пульсации должна быть не более 3 В.
При напряжении питания 48 В, ток, потребляемый изделием от источника питания постоянного тока, должен быть не более 0,5 А.
Электрическое сопротивление изоляции между всеми контактами соединителей с маркировками "БЭЛ1-3", "БЭЛ1-1", "ДПС", "ЦКР", "ЭПК1", "ПК1", "КЛЮЧИ", "САN1-1" (кроме контактов 3 и 8), соединенными между собой и с контактами 1, 2 соединителей "ДДУР1", "ДДТМ", "ДДТЦ" относительно корпуса изделия должно быть не менее 100 МОм в нормальных климатических условиях.
2.1.3 Комплектация блока БКР-У-1М
Блок БКР-У-1М состоит из:
-
модуля микроконтроллера МК;
-
модуля ДК ЦВИЯ.431419.023;
-
ячейки управления ПР;
-
плата реле 2 ЦВИЯ.469535.023-01
-
(для 36991-260-00-01);
-
плата объединительная ЦВИЯ.687245.036-01.
2.1.4 Устройство и работа блока БКР-У-1М
Несущей конструкцией блока является корпус. Все детали корпуса выполнены из стали методом штампования и сварки. Электрические соединения БКР-У-1М с другими устройствами КЛУБ-У осуществляются через соединители СНЦ23, расположенные на блоке: "БЭЛ1-3", "ЭПК1", "БЭЛ1-1", "ДПС", "ПК1", "ЦКР", "CAN1-1", "КЛЮЧИ", "ДДУР1", "ДДТМ", "ДДТЦ".
Заземление блока осуществляется посредством клеммы заземления, расположенной на блоке, с обозначением "┴", имеются плавкие вставки "ДПС" (5А) и "ПИТ" (8А) и тумблер питания изделия "ПИТ". Внутри корпуса установлены платы модуля микроконтроллера, реле, модуля ДК, на которых размещены элементы. Электромонтаж блока — объемный и печатный.
Изделие предназначено для приема аналоговых и дискретных цифровых сигналов, проведения предварительной обработки собранной информации с последующей передачей по САN-интерфейсу другим устройствам КЛУБ-У, запитывания блоков и устройств КЛУБ-У.
2.1.5 Описание и работа составных частей БКР-У-1М
Модуль микроконтроллера МК предназначен для приема аналоговых и дискретных цифровых сигналов, проведения предварительной обработки собранной информации с последующей передачей по САN-интерфейсу другим устройствам КЛУБ-У.
Модуль ДК предназначен для фильтрации входных сигналов. Ячейка управления ПР служит гальванической развязкой между модулем микроконтроллера МК и платой реле. Плата реле предназначены для формирования сигналов служебного и экстренного торможения через приставку крана машиниста (ПКМ) и электропневмовентиль (ЭПВ), а также сигнала на разбор тяги (для исполнения 36991-260-00-01).
Плата объединительная предназначена для передачи сигналов между модулем микроконтроллера МК и ячейкой управления ПР.
2.2 Блок индикации локомотивный БИЛ-В
2.2.1 Назначение локомотивного блока индикации (БИЛ-В)
Структурная схема блока БИЛ-В приведена на рисунке 2.2.
Рисунок 2.2 — Структурная схема блока БИЛ-В
Комплект БИЛ-В 36991-306-00 предназначен для:
-
для отображения машинисту оперативной и служебной информации КЛУБ-У и (САУТ);
-
взаимодействия с машинистом посредством рукояток РБ, РБС, РБП из состава КЛУБ-У и блоком ввода локомотивным универсальным (БВЛ-У);
-
ввода и отображения локомотивных и поездных характеристик;
-
регистрации оперативной информации о движении поезда, диагностики КЛУБ-У, локомотивных и поездных характеристик в кассете регистрации (КР-М);
-
задания предрейсового тестирования составных частей КЛУБ-У.
Электропитание БИЛ осуществляется от локомотивного блока электроники (БЭЛ), из состава КЛУБ-У напряжением (48, плюс/минус 7) В.
Потребляемый блоком БИЛ ток не превышает 1,1 А.
Блок индикации должен обеспечивать также звуковую сигнализацию, включающуюся при изменении наиболее важных параметров движения.
Визуальная информация отображается с возможностью распознавания её на расстоянии до 1,5 м с учетом внешней освещенности. Электрическое сопротивление изоляции цепей изделия между всеми выводами соединителей «CAN2» (кроме 3 и 8 выводов), «РУК» и корпусом каждого блока индикации (БИЛ-У, БИЛ-В, БИЛ-ВВ, БИЛ-УТ), входящего в состав комплектов, в нормальных климатических условиях должно быть не менее 100 МОм.
2.2.2 Состав БИЛ
Состав БИЛ-УВ 36991-300-00 представлен в таблице 2.1, состав БИЛ-В 36991-306-00.
Рукоятки РБ, РБП, РБС – из состава КЛУБ-У.
Таблица 2.1 - Состав БИЛ-В 36991-306-00
2.2.3 Устройства и работа
БИЛ предназначен для отображения информации. БИЛ обеспечивает выполнение следующих функций:
-
формирование информации о работе в режимах поездном, маневровом и специальном маневровом, о текущем времени, фактической скорости, режиме работы БИЛ, готовности кассеты регистрации, отказе, информации тестирования, значениях расчетного тормозного коэффициента, программного замедления, программной скорости;
-
диагностирование КЛУБ-У.
-
ввод и отображение поездных и локомотивных характеристик.
БИЛ представляет моноблочную конструкцию, размещаемую на пульте машиниста. Несущей конструкцией БИЛ является корпус. Все узлы корпуса выполнены из стали методом штамповки и сварки и соединены винтами.
На корпусе размещены:
-
соединители типа СНЦ23 с гравировками «БВЛ-У», «РУК.»;
-
соединители типа СНЦ23 с гравировками «РУК.», «CAN2»;
-
панель индикации;
-
кассетоприемник;
-
клемма заземления БИЛ.
Соединители размещаются на левой боковой стенке (для БИЛ-В 36991-316-00, БИЛ-ВВ 36991-317-00, БИЛ-УТ 36991-318-00 - на нижней стенке, для БИЛ-У 36991-310-00-01 - на задней стенке), на правой размещен кассетоприемник кассеты регистрации. Кассетоприемник обеспечивает установку кассеты регистрации. Электромонтаж блоков БИЛ объемный и печатный и заканчивается соединителями, обеспечивающими общий электрический монтаж комплектов БИЛ.
БВЛ-В предназначен для ввода параметров:
-
поездных характеристик;
-
локомотивных характеристик;
-
команды управления.
БВЛ-В обеспечивает:
-
индикацию ввода - контроля локомотивных характеристик;
-
индикацию ввода - контроля поездных характеристик;
-
индикацию ввода - контроля номера пути;
-
диагностику.
2.3. Блок согласования — БСИ
2.3.1 Описание и работа изделия
Блок согласования интерфейсов БСИ 36991-660-00 и блок согласования интерфейсов БСИ-УП 36991-660-00-01 предназначены для установки в кузовах локомотивов, путевых машин, в том числе в дизельных помещениях, МВПС и ССПС. БСИ предназначен для подключения к КЛУБ-У систем САУТ и ТСКБМ, не имеющих открытого унифицированного интерфейса КЛУБ-У.
Структурная схема блока БИЛ-В приведена на рисунке 2.3
Рисунок 2.3 – Структурная схема БСИ
БСИ обеспечивает прием и дешифрацию сообщений из CAN-линий, предназначенных для САУТ и формирует из них на узлах стыковки кодовую посылку в устройства КЛУБ.
Электропитание БСИ осуществляется от блока БКР-У номинальным напряжением 48 В с допустимым отклонением в сторону уменьшения 7 В, в сторону увеличения 7 В и током потребления не более 0,2 А. Электропитание БСИ-УП осуществляется от блока БКР-УП номинальным напряжением 24 В с допустимым отклонением в сторону уменьшения 4 В, в сторону увеличения 8 В и током потребления не более 0,1 А.
Габаритные размеры изделия не более 220х216х58 мм. Масса изделия не более 1,55 кг.
2.3.2 Состав изделия
В состав БСИ входит корпус ЦВИЯ.301122.015 с платой БСИ 36991-665-01 или 36991-666-00.
Примечание — Плата БСИ 36991-665-01 применялась в БСИ до марта 2007 года. В состав БСИ-УП входит корпус ЦВИЯ.301122.015-01 с платой БСИ-УП 36991-667-00.
2.3.3 Устройство и работа
Основными сборочными единицами изделия являются:
-
корпус;
-
плата БСИ или плата БСИ-УП.
Несущей конструкцией изделия является корпус. Все детали корпуса выполнены из стали методом штамповки и сварки.
На корпусе размещены:
-
соединители типа СНЦ23;
-
клемма заземления.
Внутри корпуса установлена плата БСИ (плата БСИ-УП), на которой размещены элементы. Электромонтаж изделия объемный и печатный.
Работа изделия осуществляется под управлением микропроцессора, который производит:
-
прием и передачу информационных сообщений по CAN-линии устройства КЛУБ-У (КЛУБ-УП);
-
прием и передачу управляющих сигналов к системам САУТ (только для БСИ) и ТСКБМ через микросхемы DA6 — DA17.
2.4 Блок электроники — БЭЛ
2.4.1 Назначение изделия
Структурная схема блока БИЛ-В приведена на рисунке 2.4.
Блок БЭЛ-У 36991-10-00, 36991-10-00-01 входит в состав устройства безопасности комплексного локомотивного унифицированного КЛУБ-У.
Изделие предназначено для:
-
приема сигналов по каналам АЛСН и АЛС-ЕН, приема сигналов от антенны СНС, датчиков пути и скорости, датчиков давления, цепей локомотива, рукояток и кнопок БВЛ-У, систем САУТ и ТСКБМ;
-
приема и передачи сигналов по радиоканалу (исполнение 36991-10-00-01);
-
обработки принимаемой информации;
-
выдачи информации на блок БИЛ для индикации и регистрации в съемной кассете регистрации;
-
выдачи информации в системы САУТ и автоведения;
-
управления электропневмоклапаном.
Изделие должно обеспечивать после включения питания, независимо от состояния ключа ЭПК, индикацию на блоке БИЛ следующей информации (в активной и пассивной кабинах):
-
координата пути;
-
текущее время;
-
фактическая скорость 0 км/ч;
-
несущая частота канала АЛСН;
-
режим работы (“Поездной”, “Маневровый”, режим двойной тяги “РДТ”).
-
Изделие должно обеспечивать при включенном ключе ЭПК и отсутствии приема сигналов из каналов АЛСН, АЛС-ЕН индикацию на блоке БИЛ следующей информации.
-
сигнал светофора “Белый”;
-
допустимая скорость Vдоп, равная допустимой скорости проезда “Белого” сигнала светофора;
-
целевая скорость.
Изделие должно обеспечивать обмен информацией с блоком БВЛ-У, изменение записанных во внутреннюю энергонезависимую память постоянных характеристик. Значения этих характеристик должны сохраняться при выключении питания изделия.
Изделие должно обеспечивать возможность оперативного переключения частоты АЛСН (25, 50, 75, 25 Гц) нажатием кнопки “F” на БВЛ-У с выдачей на индикацию выбранной частоты и перезаписью ее во внутренней энергонезависимой памяти.
2.4.2 Устройство и работа
Несущей конструкцией изделия является корпус. Все узлы корпуса выполнены из алюминия и его сплавов методом штампования, литья и соединены винтами. Внутри корпуса расположен каркас, который крепится к корпусу винтами через изоляционные стойки.
Спереди в каркасе имеется кассета, на заднем шасси которой расположена объединительная плата. Ячейки движутся по
Рисунок 2.4 — Структурная схема














