П.З. Диплом (1209689), страница 7
Текст из файла (страница 7)
Ширина резанья скрепера, мм:
Ступенчатый нож формируют из четырех одинаковых пластин.
Ширина боковой части ножа:
Ширина средней части ножа:
Угол резанья грунта ножом устанавливаем 30°.
Приблизительная толщина срезаемой стружки, м:
Где,
- время загрузки ковша, с; ,
.- скорость движения тягача при загрузке скрепера, м/с.
Скорость движения тягача при загрузке скрепера осуществляется на первой передаче, на первой передаче скорость трактора МТЗ- 2022 составляет 1,86 км/ч (0,51 м/с).
Время загрузки ковша прицепного скрепера Д3-20В (по характеристикам практически соответствующий разрабатываемому) при объеме ковша 8 м3 составляет 50 секунд, для скрепера с режимом догрузки приблизительно составит 42 секунды.
2.4 тяговый расчет скрепера
Уравнение тягового баланса прицепного скрепера:
Где,
.- сила тяги по сцеплению трактора с прицепным скрепером, Н;
- тяговое усилие непосредственно развиваемое двигателем на крюке тягача, Н;
- сумма сопротивлений передвижению скрепера, возникающих в случае лобового резания и заполнения ковша грунтом, Н.
Где,
- сопротивление перемещения груженного скрепера с тягачом, Н,
- сопротивление резанью, Н;
- сопротивление наполнения ковша грунтом, Н;
- сопротивление призмы волочения, Н.
Где,
- удельное сопротивление качению; - угол наклона, град.
При разрабатываемом грунте сопротивление колес скрепера качению равно 0,25. И принимаем ровную поверхность без подъема и спуска следовательно угол наклона равен 0.
Где,
- удельное сопротивление грунта резанью, мПа.
Для песка значение
. равно 0,08.
Где,
- коэффициент объема призмы волочения грунта; Н- высота слоя грунта в ковше, м; - плотность грунта, т/м3; μ- коэффициент трения грунта о грунт.
Таблица 3(физико- механические свойства грунтов)
| Грунт | Группа грунта | Плотность, т/м3 | Коэффициент разрыхления | Удельное сопротивление грунта, мПа |
| Песок рыхлый, сухой | I | 1200-1600 | 1,05-1,1 | 0,02-0,04 |
| Песок влажный, супесь, суглинок разрыхленный | I | 1400-1800 | 1,1-1,2 | 0,05-0,1 |
| Суглинок средний и мелкий, гравий, легкая глина | II | 1500-1800 | 1,5-1,55 | 0,09-0,18 |
| Глина, плотный суглинок | III | 1600-2000 | 1,2-1,3 | 0,16-0,3 |
Таблица 4 (коэффициент объема призмы волочения)
| Вместимость ковша, м3 | | |||
| песок | супесь | суглинок | глина | |
| 6-10 | 0,28 | 0,17 | 0,13 | 0,1 |
-для суглинков равен 0,1; плотность равна 1600 т/м3; коэффициент трения грунт о грунт равен 0,4.
Где, -коэффициент учитывающий влияние рода грунта для суглинка 0,46.
Где, N- мощность создаваемая двигателем тягача, кВт; v- скорость машины на низшей передачи, км/ч;
- кпд трансмиссии равный 0,74.
Где,
- сцепной вес груженного прицепного скрепера, Н;
- сцепной вес тягача, Н,
- коэффициент сцепления равный 0,8.
Таблица 5 (коэффициент сцепления)
| Характеристика поверхности почвы | Коэффициент сцепления движителей тракторов | |
| колесных | гусеничных | |
| Сухой плотный грунт, залежь, сильно уплотненная стерня(суглинистые почвы) | 0,7...0,9 | 1,0... 1,2 |
| Стерня на суглинках нормальной влажности (суглинки) | 0,6...0,8 | 0,8... 1,0 |
| Суглинистое поле, подготовленное под посев или свежевспаханное, а также пар и стерня супесей | 0,4... 0,6 | 0,6...0,7 |
| Сухой песок | 0,3...0,4 | 0,4... 0,5 |
Где,
- масса тягача, кг;
- ускорение свободного падения, м/с2.
Условие удовлетворяется:
2.5 производительность прицепного скрепера
Эксплуатационная производительность скрепера, м3/ч:
Где,
- коэффициент использования скрепера в течение смены, равен 0,9;
- продолжительность рабочего цикла, мин;
- коэффициент наполнения ковша для прицепного скрепера среднего суглинка равен 0,85.
Где,
- длина пути загрузки, разгрузки, транспортирования груженного и порожнего прицепного скрепера, м;
- скорость движения скрепера при загрузки, разгрузки, транспортирования груженного и порожнего прицепного скрепера, км/ч;
- время на преодоление сопротивления передвижения прицепного скрепера от 0 до
, мин;
- время переключения передач, мин;
- продолжительность двух поворотов скрепера, мин.
Где,
- глубина резания, м;
- ширина резанья, м.
Где,
- толщина отсыпаемого слоя, м.
При использовании гидроцилиндра догрузки во время заполнения ковша грунтом и его разгрузке и частичного включения при транспортировании груженого и порожнего скрепера увеличивается сцепления тягача, а следовательно и его рабочие скорости, так как минимализируем пробуксовки ведущих колес и провороты крутящих моментов.
Скорость перемещения прицепного скрепера без гидроцилиндра догрузки равна (базовый прицепной скрепер), км/ч:
Где,
- скорость движения тягача на первой передаче, км/ч;
- скорость движения скрепера на высшей передаче, км/ч.
Скорость перемещения прицепного скрепера при использовании гидроцилиндра догрузки для увеличения сцепного веса тягача (модернизированный прицепной скрепер), км/ч:
Прицепные скреперы рентабельны в использовании при транспортировки груза от 100 до 1000 м поэтому чисто теоретически возьмем среднее арифметическое расстояние минимального и максимального расстояния рентабельного диапазона транспортирования груза, прицепным скрепером. Длина пути перемещения груженого скрепера до места выгрузки и порожнего скрепера до места загрузки при эллиптической схеме движения прицепного скрепера приблизительно равны друг другу.
- равен 0,5 мин;
- 0,1 мин
-1,5 мин.
Продолжительность рабочего цикла базовой машины, мин:
Продолжительность рабочего цикла модернизируемой машины, мин:
2.6 расчет гидроцилиндров прицепного скрепера
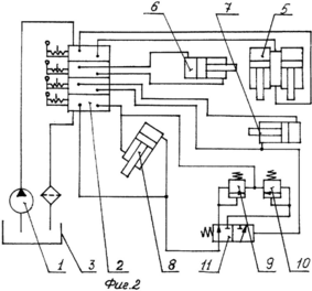
При расчетах гидроцилиндров подъема ковша, передней заслонки, задней стенки и догрузки, рассчитываемого скрепера, воспользуемся принципиальной гидравлической схемой патента № РФ 2243329.
Рисунок 43 (принципиальная гидравлическая схема разрабатываемого прицепного скрепера)
Где, 1- гидронасос, 2- гидрораспределитель,3- гидробак,5, 6, 7, 8- гидроцилиндры ковша, передней заслонки, задней стенки, догрузки, 9, 10- напорные клапаны, 11- гидроуправляемый золотник.
Для механизма подъема ковша устанавливаем два гидроцилиндра, для остальных исполнительных механизмов (передней заслонки, задней стенки, догрузки) по одному гидроцилиндру.
2.6.1Расчет механизма подъема ковша
Устанавливаем кронштейны крепления корпуса гидроцилиндра на балке тяговой рамы под углом 70
относительно поверхности перемещения прицепного скрепера
Рисунок 44 (силы действующие на гидроцилиндры подъема ковша)
Где, О- шарнир крепления тяговой рамы к ковшу;
- сила тяжести передней части прицепного скрепера с у четом загрузки ковша, Н;
-усилие гидроцилиндра для поднятия ковша, Н; N- реакция на переднюю ось скрепера, Н; Т- максимальное тяговое усилие толкача, Н.
Составим уравнение относительно шарнира 0:
Для нахождения значения N рассмотрим, какие силы действуют на скрепер при загрузочном положении.
Рисунок 45 (силы действующие на машину)
Уравнение основных сил моментов действующих на колеса относительно точки R3:















