ПЗ (1195281), страница 2
Текст из файла (страница 2)
Рисунок 2.1 - Структурная схема типового пункта считывания
Рисунок 2.2 - Электрическая схема ПСЧ
Аппаратура ПСЧ представляет собой двухканальную систему опроса параметров проходящего мимо него подвижного состава (рисунок 2.1): высокочастотный канал опроса установленных на локомотивах и вагонах датчиков КБД-2М 9, состоящий из антенны 2 , высокочастотного тракта считывателя и его узла формирования конечной информации от датчика; низкочастотный канал фиксации моментов прохождения колёсных пар над ПЭ-1 , включающий в себя две педали ПЭ-1 5, 6, КПО 3, и узел считывателя формирования конечного сообщения о моментах прохождения колёсных пар.
При наезде первой колесной пары состава на ближайшую по движению ПЭ-1 в низкочастотном канале формируется импульс, по заднему фронту которого в считывателе включается СВЧ излучение. В датчике КБД-2М, устанавливаемым, как правило, за вторым колесом первой тележки, при попадании его в зону облучения антенны, формируется напряжение питания.
Часть генерируемой считывателем мощности СВЧ ответвляется направленным ответвлителем (циркулятором) в канал гетеродина (фазовый детектор с фазовращателем) считывателя, в котором на смесителе, выделяется кодовая последовательность датчика. В цифровом тракте считывателя формируется двоичное сообщение датчика и время его поступления, относительно возникновения первого импульса от ПЭ и загружается в буфер обмена.
В процессе прохождения колёсных пар локомотива и вагонов над ПЭ-1 формируются сообщения, содержащее номер датчика ПЭ-1 и время поступления импульса от этого датчика в цифровой тракт считывателя. Эти сообщения поступают в тот же буфер обмена.
Информацию буфера обмена о прохождении колёс и сообщения о датчиках КБД-2М Считыватель по запросам концентратора передаёт через интерфейс RS-232C по линии связи модема 4 в концентратор. Концентратор формирует файл первичных сообщений (файл с расширением.bin),
№ ПЭ-1 Отсчет таймера
1 0
2 4334
1 13883
2 18075
1 33430
2 37497
1 46278
2 50163
1 68598
2 72254
1 80218
2 83852
1 96394
2 99772
1 107042
2 110289
13843 40892012022802C100000000000401C0
22706 40892012022802C100000000000401C0
который обрабатывается программой распознавания, формирующей 266 сообщение
-
Схема сбора и передачи информации с ПСЧ
Места установки пунктов считывания определяются согласно «Технологическим требованиям к местам установки ПСЧ с учетом существующих форм отчетности», утвержденным ЦЗ А.В. Храпатым 19.08.2002 г. В зависимости от решаемой технологической задачи ПСЧ САИ ПС может располагаться в следующих местах:
-
на входах станций – между входным светофором и первой стрелкой, ограничивающей путевое развитие станции;
-
на выходах станций – между последней стрелкой и знаком «Граница станции»;
-
на контрольных постах локомотивных депо.
Схема сбора и передачи информации для ПСЧ, локализованных в пределах одной станции, имеет следующий вид (рисунок 2.3). Информация с каждого ПСЧ через каналы связи передается на концентратор информации системы автоматической идентификации, расположенный на станции (как правило, в Доме связи, посту ЭЦ и т.п.). Концентратор информации формирует стандартное «266» сообщение и передает его в другие информационные системы через систему передачи данных СПД.
Рисунок 2.3 - Схема сбора и обработки информации с пунктов считывания
-
Электропитание ПСЧ
Особое место в обеспечении нормального функционирования является обеспечение ПСЧ надежными источниками электропитания.
Аппаратура ПСЧ является потребителем первой категории. Поэтому электроснабжение в шкафах ПСЧ должно быть выполнено от двух независимых источников электроснабжения.
Перерыв в их электроснабжении может быть допущен только на время автоматического ввода резервного питания. Это время должно быть минимальным, но не более 1,3 с. Мощность потребления ПСЧ не более 500 ВА.
Сеть переменного тока должна быть под напряжением 220В +5%/-10%
Электроснабжение в шкафу ПСЧ может быть выполнено от (табл. 2):
-
источника электроснабжения устройств СЦБ и связи (комплектные трансформаторные подстанции, щит выключения питания (ЩВП) поста электрической централизации, релейный шкаф автоблокировки или входного сигнала и т.п.) через специально установленный изолирующий трансформатор;
-
ДПР, ПР и высоковольтных линий электроснабжения устройств СЦБ (ВЛ СЦБ – основное электроснабжение) и нетяговых потребителей (ВЛ ПЭ, ДПР, ПЭ - резервное) с установкой специальных трансформаторных подстанций с учетом требований типовых проектов;
-
резервных систем электроснабжения на постах ЭЦ, домов связи и других служебно-технических зданий с использованием, например, дизель-генераторных агрегатов (ДГА) и т.п.
Рекомендуемые схемы электроснабжения приведены в таблице 1.2.
Таблица 2.2 - Варианты электроснабжения шкафа ПСЧ
| 1 фидер | 2 фидер | Род тяги |
| Одноцепная высоковольтная линия: а) сущ. или проект ЛЭП – 10(6) кВ, ЛЭП – 1 кВ | Электротяга | |
| ЛЭП – 10(6)кВ продольного электроснабжения на самостоятельных опорах | ||
| б) сущ. ТП и другие местные источники ВЛ СЦБ – 10(6) кВ | Различные независимые от ВЛ СЦБ источники электроснабжения электроприемники I(II) категории | |
| ЛЭП – 6(10) кВ ПЭ на опорах контактной сети | ||
| ДПР – 27,5 кВ на опорах контактной сети | ||
| Двухцепная ВЛ СЦБ -10(6) кВ | Любой | |
| Цепь АБ а) сущ. или проект ЛЭП – 10(6) кВ, ЛЭП – 1 кВ б) сущ. ТП и другие местные источники ВЛ СЦБ – 10(6) кВ | Цепь ПЭ | |
Запрещается производить электроснабжение аппаратуры ПСЧ от КТП для электрообогрева стрелок и других хозяйственных нужд (например, водокачек).
Проект подключения системы электроснабжения ПСЧ должен согласовываться с дистанцией электроснабжения, Ш и НС. Во всех цепях электропитания должны устанавливаться автомат включения резерва, защиты и индикации (АВРЗИ). Аналогично системам электроснабжения устройств СЦБ в релейных шкафах автоблокировки и электрической централизации при времени переключения согласно установленной продолжительности (не более 1,3 с).
Электропитание на пунктах управления и обработки информации, расположенных в домах связи и на постах ЭЦ, должно осуществляться при согласовании с дорогой по схемам электроснабжения устройств СЦБ и связи от отдельного трансформатора. При расположении источников электропитания с разных сторон пути силовые кабели от основного и резервного источников электропитания должны подводиться только к одному из пунктов электропотребления, при этом другие пункты электропотребления запитываются с использованием кабеля, проложенного между ними по специальному каналу, в том числе и под железнодорожным полотном. При этом следует учитывать, что силовые кабели вводятся в шкафы через муфту при фундаментных блоках или изолированно на клеммы шкафа при других видах фундаментов. При монтаже напольного оборудования тип кабеля, кабельная трасса и особые условия их прокладки определяются на стадии проектирования, а работы по прокладке кабелей и их монтажу должны производиться согласно Правилам по монтажу устройств СЦБ (ПР 32 ЦШ10.02-96), а также ВСН-600.
При прокладке кабелей электропитания и связи необходимо в соответствие с нормами:
-
обеспечить сохранность существующих кабелей (силовых, СЦБ и связи);
-
выдержать габариты приближения строений, подземных сооружений и кабелей других ведомств согласно требованиям нормативных документов;
-
в некоторых случаях электроснабжение ПСЧ следует производить от самостоятельных трансформаторных пунктов, подключенных к ВЛ-6; 10 кВ (основной фидер) и ДПР (резервный) согласно Инструкций ЦЭ-191 и ЦЭ-881/02.
При электротяге постоянного тока кабели с металлической оболочкой в необходимых случаях должны защищаться от электрокоррозии согласно Инструкции ЦЭ-518. В местах пересечения проектируемых кабельных линий с железнодорожным полотном, существующими кабельными линиями и другими коммуникациями предусматривать использование асбоцементных труб или других, например, полимерных труб.
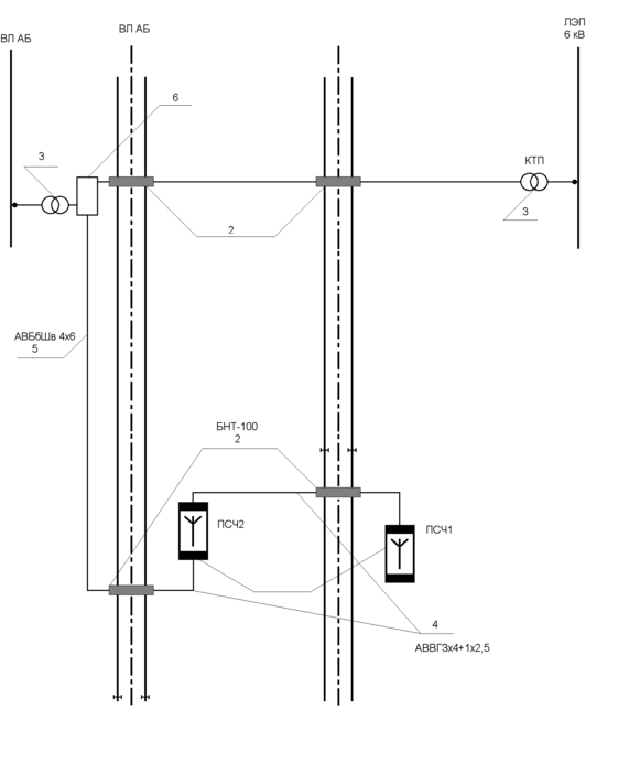
На рисунках 2.4 – 2.8 приведены варианты схемы электроснабжения от ЛЭП АБ
Рисунок 2.4 - Вариант схемы электроснабжения от ЛЭП АБ,
1 - напольное считывающее устройство, 2 - труба асбоцементная БНТ-100, 3 - трансформатор однофазный КТП, 4 - кабель АВВГЗх4+1х2,5 (50 м)
Рисунок 2.5 - Вариант схемы электроснабжения ПСЧ для двухпутного участка, 1 - напольное считывающее устройство, 2 - труба асбоцементная БНТ-100, 3 - трансформатор однофазный КТП, 4 - кабель АВВГЗх4+1х2,5 (70 м)
Рисунок 2.6 - Вариант схемы электроснабжения для однопутного участка, 1 - напольное считывающее устройство, 2 - труба асбоцементная БНТ-100, 3 - трансформатор однофазный КТП, 4 - кабель АВВГЗх4+1х2,5 (50 м)
Рисунок 2.7 - Вариант схемы электроснабжения для однопутного участка, 1 - напольное считывающее устройство, 2 - труба асбоцементная БНТ-100, 3 - трансформатор однофазный КТП, 4 - кабель АВВГЗх4+1х2,5 (50 м)
При электропитании от релейного шкафа сигнальной точки (входного сигнала) основное и резервное питание подводится к пунктам считывания по типовой схеме в соответствии с рисунком 2.8 раздельными кабелями с использованием автомата включения резерва в блоке питания АВРЗИ, установленного в шкафах пунктов считывания.
Рисунок 2.8 - Вариант схемы электроснабжения от релейного шкафа сигнальной точки, 1 - напольное считывающее устройство, 2 - труба асбоцементная БНТ-100, 3 - трансформатор однофазный КТП, 4 - кабель АВВГЗх4+1х2,5, 5 – кабель АВБбШв4х6, 6 – релейный шкаф сигнальной точки.
-
Основные проектные решение по модернизации системы
В настоящее время используемое оборудование САИ ПС «Пальма» обладает рядом недостатков в сравнении с уже разработанным на замену оборудованием: высокая энергопотребляемость; необходимость использования электрообогрева в периоды низких температур; сложность в обслуживании, что влечет за собой большие затраты человеко-часов; металлическая конструкция шкафа НСУ, требующая заземления и пр. Модернизированное оборудование исключает вышеперечисленные минусы. Далее рассмотрим на примере четырех станций с депо варианты выбора и размещения оборудования и рассчитаем экономическую выгоду при замене напольных считывающих устройств на устройства нового образца.















