Majdel' Roman Geral'dovich 2016 (1193701), страница 6
Текст из файла (страница 6)
│V= 70 │ Sygma пр= 108.33 │ Sygma ш = 1.834 │ Sygma б = 0.297 │ Sygma h =0.0772│
│V= 75 │ Sygma пр= 110.29 │ Sygma ш = 1.868 │ Sygma б = 0.302 │ Sygma h =0.0786│
│V= 80 │ Sygma пр= 112.38 │ Sygma ш = 1.903 │ Sygma б = 0.308 │ Sygma h =0.0801│
│V= 85 │ Sygma пр= 114.57 │ Sygma ш = 1.940 │ Sygma б = 0.314 │ Sygma h =0.0817│
│V= 90 │ Sygma пр= 116.88 │ Sygma ш = 1.980 │ Sygma б = 0.320 │ Sygma h =0.0833│
│V= 95 │ Sygma пр= 119.31 │ Sygma ш = 2.021 │ Sygma б = 0.327 │ Sygma h =0.0850│
│V=100 │ Sygma пр= 121.86 │ Sygma ш = 2.064 │ Sygma б = 0.334 │ Sygma h =0.0868│
└──────────────────────────────────────────────────────────────────────────────┘
По результатам расчетов на ЭВМ строим графики зависимости напряжений в элементах верхнего строения пути от модуля упругости при Рст=112,5 кН, V=80 км/ч и зависимости напряжений в элементах верхнего строения пути от статической нагрузки при U=100 МПа, V=80 км/ч.
ЗАВИСИМОСТИ НАПРЯЖЕНИЙ В ЭЛЕМЕНТАХ
верхнего строения пути от статической нагрузки
при U=100 МПа, V=80 км/ч
ЗАВИСИМОСТИ НАПРЯЖЕНИЙ В ЭЛЕМЕНТАХ
верхнего строения пути от модуля упругости
при Рст=112,5 кН, V=80 км/ч
Во всем диапазоне осевых нагрузок напряжения не превышают допускаемых, поэтому возможно применение рельсов типа Р-65 на данном участке. Напряжения на шпале под подкладкой изменяется по линейному закону. Наибольшие напряжения 1,41 МПа, что выше допускаемых при грузонапряженности. Для снижения напряжений рекомендуется применять упругие прослойки под подошвой шпалы, прослойки из геоматов под балластным слоем или из пенополистирола. Для оценки влияния модуля упругости подрельсового основания необходимо выполнить отдельные расчеты.
Напряжения на балласте под шпалой и в уровне основной площадки также изменяются по линейному закону, наибольшие значения 0,224 МПа, что ниже допускаемого. Для снижения уровня величин напряжений рекомендуется укреплять основную площадку земляного полотна прослойками из мелкозернистого песка, сортированного гравия.
Для того чтобы выяснить, влияние модуля упругости на значение напряжения в элементах верхнего строения пути выполнены расчеты при значениях модуля 100, 150 и 200 МПа. Эти расчеты позволяют учесть повышение модуля при замерзании зимой и снижения его в результате применения различных конструкций. Все построенные зависимости имеют не линейный характер. Увеличение модуля ведет к снижению напряжений в кромке подошвы рельса.
Напряжения в остальных элементах растут по зависимости близкой к параболе. Напряжения на шпале меньше допускаемых при модуле 250 МПа. Напряжения на балласте не превышает допускаемых при модуле 250 МПа. Напряжения на основной площадке меньше допускаемых.
Таким образом, для снижения напряжения в элементах верхнего строения пути рекомендуется модуль упругости близкий к среднему значению 150 МПа. Движение подвижного состава с нормативными нагрузками 22,5 т на ось возможна во всем диапазоне скоростей движения.
По выполненному ручному расчету зависимости напряжений в балласте б, в шпале ш, в основной площадке h и в кромке подошвы рельса p близки к линейным. Напряжения возрастают с увеличением скорости, однако не превышают допускаемых.
2. РАСЧЕТ УСЛОВИЙ УКЛАДКИ И ЭКСПЛУАТАЦИИ БЕССТЫКОВОГО ПУТИ
2.1 Требования, предъявляемые к земляному полотну, плану и профилю железнодорожного пути
Бесстыковой путь на щебеночном балласте должен укладываться в прямых участках, а также в кривых радиусом не менее 300м.
При наличии технико-экономического обоснования, допускается укладка бесстыкового пути в кривых радиусами менее 300 м.
Крутизна уклонов профиля на участках бесстыкового пути, не ограничивается.
Земляное полотно должно быть прочным и устойчивым и иметь достаточные размеры для размещения балластной призмы. Не допускаются пучины высотой более 10 мм, просадки пути, сплывы и оползания откосов насыпей и другие деформации земляного полотна. Они должны быть устранены в соответствии с Техническими условиями на работы по ремонту и планово-предупредительной выправке пути до укладки бесстыкового пути.
2.1.1 Требования, предъявляемые к элементам верхнего строения пути
Требования к рельсам: С июля 2001 года введен новый стандарт на железнодорожные рельсы ГОСТ Р 51685-2000 «Рельсы железнодорожные. Общие технические условия». Р65 НЭ низкотемпературной надежности, изготовленных из электростали длиной 25м без болтовых отверстий для работы в районах с холодным климатом при температурах от -400С и ниже, Р65 НМ низкотемпературной надежности, изготовленных из мартеновской длиной 25м без болтовых отверстий для работы в районах с холодным климатом при температурах до -400С и выше. Болтовые отверстия на концах рельсовых плетей и рельсов уравнительных пролетов по размерам и расположению должны соответствовать требованиям ГОСТ Р 51685-2000 “Рельсы железнодорожные”. Отверстий должно быть три на каждом конце плети и уравнительного рельса.
Рельсы в плети длиной до 800 м свариваются в РСП. Сваривание этих плетей между собой для создания плетей длиной, установленной проектом, осуществляется в пути путевой рельсосварочной машиной (ПРСМ).
Длина вновь укладываемых сварных плетей в пути устанавливается проектом, в зависимости от местных условий, должна быть, как правило, равной длине блок-участка, но не менее 400 м. На участках с тональными рельсовыми цепями, не требующими изолирующих стыков. И без тональных рельсовых цепей, при АБ, при вваривании рельсовых высокопрочных изолирующих стыков с сопротивлением разрыву не менее 2,5 МН допускается укладка плетей длиной до перегона.
Требования к стыковым соединениям: В уравнительных пролетах бесстыкового пути и на участках прилегания рельсовой плети к звеньевому пути при скоростях движения до 140 км/ч. монтируется изолирующий стык со стеклопластиковыми накладками «АпАТэК»-65-6В (рисунок 2.1 а), укладываются четыре пары уравнительных рельсов с расположением изолирующих стыков в середине уравнительных пролетов или ввариванием рельсовых вставок с высокопрочным изолирующим стыком «АпАТэК» Р65М-К (рисунок 2.1 б).
Накладки «АпАТэК»-65-6В имеют: высокое сопротивление усталости и износостойкость; коррозионную стойкость и низкое влагонасыщение; не взаимодействуют с кислотами, щелочами, нефтепродуктами и маслами; высокие характеристики гибкостойкости; высокие электроизоляционные свойства; массу не более 6.5 кг. Накладки предназначены для создания изолирующих стыков рельсов Р65.
Технические характеристики изолирующих стыков «АпАТэК»-65-6В:
- ресурс не менее 500 млн. тонн брутто груза;
- осевая нагрузка 270 кН;
- скорость движения до 160 км/ч;
- изоляция не менее 100 кОм;
- диапазон рабочих температур +/- 60° С.
Экономическая эффективность изостыков:
- гарантированный срок службы не менее 10 лет;
- уменьшение затрат на приобретение комплектующих деталей, в том числе запасных деталей;
- уменьшение затрат на обслуживание изостыков и на ремонтные работы по замене изолирующих деталей.
На участках путей 1 и 2 класса следует укладывать бесстыковой путь без уравнительных пролетов на длину перегона с ввариванием вставок длиной 12.5 м с высокопрочными изолирующими стыками, типа «АпАТэК»-Р65МК с металлокомпозитными накладками, посередине.
При укладки коротких плетей применяются изолирующие стыки типа «АпАТэК»-65-6В.
а)
Рисунок 2.1 – а) стык изолирующий сборный с композитными накладками из стеклопластика «АпАТэК»-65-6В: 1-стыковой болт, 2-гайка, 3-композитная накладка из стеклопластика, 4-стопорная планка, 5-тарельчатые пружины (пружинные шайбы);
б)
Рисунок 2.1 – б) высокопрочный изолирующий стык с металлокомпозитными накладками «АпАТэК»-Р65МК: 1-болт, 2-изолирующая втулка, 3-рельс, 4-металлическая накладка, 5-изоляционная прокладка; 6-гайка, 7-шайба, 8-клеящая паста, 9-металлическая обейчайка.
Токопроводные стыки. Гарантированное снижение электрического сопротивления стыков до нормативных значений достигается применением дополнительных соединителей, с низким и стабильным сопротивлением, создающих параллельную ветвь цепи “рельс – накладка – рельс” для протекания сигнального и тягового токов.
На электрифицированных участках железных дорог стыковые соединители должны обеспечивать пропуск эффективных тяговых токов.
Рисунок 2.2 Стыковой соединитель фартучного типа: 2 – гибкий провод; 3 – фартук; 4 – стальные манжеты.
Требования к промежуточным рельсовым скреплениям. Рельсовые скрепления — важнейший элемент верхнего строения пути, в существенной степени определяющий надежность, параметры геометрии и пространственной жесткости рельсовой колеи, от чего зависят условия взаимодействия пути и подвижного состава, а также его стоимость при устройстве и затраты в течение жизненного цикла. Скрепления предназначены для надежного соединения рельсов с подрельсовым основанием и электроизоляции рельсовых нитей на участках с автоблокировкой и электротягой. При этом они должны уменьшать вибрации, передающиеся от рельсов на шпалы, а далее на балласт и земляное полотно. Основными требованиями, предъявляемыми к скреплениям по мнению В.М. Ермакова доктора технических наук, являются: неизменность ширины колеи, закрепление рельсов от угона, пространственная упругость пути, виброгашение, регулировка рельсовых нитей по высоте и в плане, количество деталей, удобство и монтаж, малообслуживаемость, затраты на жизненный цикл.
Массовое внедрение железобетонных шпал на железных дорогах СССР началось в середине 50-х годов прошлого века. За истекший период был опробован множество скреплений. На конструкции промежуточных рельсовых скреплений для железобетонных шпал выдано более тысячи патентов.
В настоящее время на железных дорогах России применяются следующие промежуточные скрепления:
- подкладочные (КБ, ЖБР-65П, КН-65);
- бесподкладочные (ЖБР-65, ЖБР-65Ш, АРС 4, КНП-65);
В настоящее время на многих железных дорогах, в том числе и на Дальневосточной дороге, активно внедряется шурупно-дюбельное скрепление ЖБР-65Ш.
Принято решение по укладке бесстыковой конструкции с применением бесподкладочного шурупно-дюбельного скрепления ЖБР-65Ш (рисунок 2.3).
Рисунок 2.3 – Шурупно-дюбельное скрепление ЖБР-65Ш: 1-скоба упорная, 2-клемма пружинная ЖБР, 3-скоба прижимная, 4-прокладка упругая, 5-прокладка ЖБР, 6-шуруп путевой с шестигранной головкой, 7-полимерный дюбель.
Разработанная конструкция полимерного дюбеля со специальным шурупом с шестигранной головкой под типовой ключ 36 мм прошла всесторонние стендовые испытания во ВНИИЖТе. Дюбельное крепление при испытаниях выдержало усилие на выров шурупа до 9 тонн при расчетном нормативе 6 тонн и температуре испытаний до минус 50°С, циклическое нагружение 4 млн. циклов при нагрузке 3 тонны, испытания на старение при температуре от +60° до -50°С эмитирующие срок службы дюбелей не менее 30 лет.
Требования к шпалам: С января 2001 г. введен новый стандарт отрасли «Шпалы железобетонные предварительно напряженные для железных дорог колеи 1520мм Российской Федерации» - ГОСТ 32. 152-2000, согласно которому установлены типы шпал и соответственно скрепления к ним Ш1-КБ; Ш3-ЖБР65(бесподкладочное); Ш3Д-ЖБР65Ш; Ш3К-ЖБР65(в кривых); ША05-АРС4; Ш1М-КБ(на мостах); Ш1Ч-КБ(в зоне челнока); Ш1Е-КБ(для ширины колеи 1435 мм.).
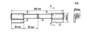
Рисунок 2.4 – Железобетонная шпала Ш3-Д для скрепления ЖБР-65Ш.
Эпюры шпал должны быть: в кривых радиусом 1200м и более - 1840 шт./км, в кривых радиусом 1200м и менее - 2000 шт./км.
Требования к балластному слою: Постановлением Госстроя России с 01.04.03 введен в действие межгосударственный стандарт ГОСТ 7392-2002. "Щебень из плотных горных пород для балластного слоя железнодорожного пути" исходя из этого на участках бесстыкового пути, балласт должен быть щебеночный (новый или очищенный - основной вариант). Щебень должен быть фракций 25-60 мм, только твердых пород с прочностью И1 (И20) и У75, морозостойкостью F50. Удельная эффективная активность радионуклидов должна быть, в пределах территорий населенных пунктов и зон перспективной застройки Аэфф до 740 Бк/кг; а также вне населенных пунктов Аэфф до 1500 Бк/кг.
Ширина плеча балластной призмы должна быть - 45см., крутизна откосов балластной призмы должна быть 1:1.5














