Majdel' Roman Geral'dovich 2016 (1193701), страница 3
Текст из файла (страница 3)
, (1.2.7);
где U=167 МПа модуль упругости рельсового основания;
E=2,1⋅105 Мпа модуль упругости рельсовой стали;
J=2998⋅108 м4 момент инерции рельса Р65 при износе 9 мм.
.
Среднее квадратическое отклонение динамической нагрузки колеса на рельс от сил инерции необресоренной массы при движении колеса с плавной непрерывной неровностью на поверхности катания, определяется по формуле:
, (1.2.8);
где d=0,95 м - диаметр колеса;
=0,403 - коэффициент, характеризующий отношение необрессоренной
массы колеса и участвующей во взаимодействии массе пути. Данный коэффициент указан для железобетонных шпал.
Определим по формуле (1.2.9) среднее квадратическое отклонение динамической нагрузки колеса на рельс от сил инерции необрессоренной массы возникающих из-за наличия на поверхности катания плавных изолированных неровностей:
, (1.2.9);
где , e=0,047⋅10-2 - наибольшая расчетная глубина неровностей на колесах для локомотивов с буксовыми подшипниками скольжения;
- максимальный
дополнительный прогиб рельса при прохождении колесом косинусои
дальной неровности, отнесенной к единице глубины неровности.
Для подавляющего числа расчетных случаев при скорости движе
ния V≥20 км/ч ;
Затем найдем по формуле (1.2.4) среднее квадратическое отклонение динамической нагрузки колеса на рельс от вертикальных колебаний надрессорного строения:
Максимальная вертикальная динамическая нагрузка
,кг, от колеса на рельс определяется по формуле (1.2.10):
, (1.2.10);
где
- нормирующий множитель, определяющий вероятность события, т.е. появление максимальной вертикальной нагрузки.
Составим сводную таблицу расчетов динамических нагрузок на путь.
Таблица 1.2. Расчетные динамические нагрузки на путь.
| V, км/ч |
Н | Рср, Н | Sp, Н | Sнп, Н | S ннк, Н | Sинк Н | S, Н |
Н |
| 80 | 40480 | 142860 | 3238,4 | 31525,1 | 19627,92 | 14530,01 | 37160,02 | 235760,05 |
-
Расчет эквивалентных нагрузок на путь.
При расчете рельса как балки на упругом основании система сосредоточенных колёсных нагрузок заменяется эквивалентными одиночными нагрузками. В силу природы вероятный максимум динамической нагрузки расчетного колеса не совпадает с вероятным максимумом нагрузок соседних колес, то при определении эквивалентных нагрузок принимается вероятная максимальная нагрузка расчетного колеса и среднее значение нагрузок соседних колес.
Значение максимальной эквивалентной нагрузки рассчитывается для определения напряжений в рельсах от изгиба и кручения.
Максимальная эквивалентная нагрузка определятся по формуле (1.3.1) :
, (1.3.1);
Рассчитаем по формуле (1.3.2) значение максимальной эквивалентной нагрузки для расчета напряжений и сил в элементах подрельсового основания:
, (1.3.2);
где μi - ординаты линии влияния изгибающих моментов рельса в сечени-
ях пути, расположенных под колесными нагрузками от осей экипажа,
смежных с расчетной осью;
ηi — ординаты линии влияния прогибов рель-
са в сечениях пути, расположенных под колесными нагрузками от осей
экипажа, смежных с расчетной осью.
Величины функций μi и ηi; для различных Кх (где К - коэффициент
относительной жесткости рельсового основания и рельса, см -1, х — рас-
стояние между центром оси расчётного колеса и колеса i-й оси, сосед-
ней с расчетной) .
В соответствии с допущением нагрузка от расчетного
колеса считается Рдинmax, а от соседних Рср, Для определения влияния
соседних колес тележки (μiРср и ηi Рср) на величину соответственно из-
гибающего момента М и нагрузки на шпалу Q следует выбрать расчет-
ную ось.
-
Определение расчетной оси
Для получения наибольших напряжений в рельсах необходимо иметь
от системы заданных сил максимальное значение изгибающего момента
Мmax, а для напряжений на шпале, в балласте и на основной площадке
земляного полотна - максимальное значение нагрузки на шпалу Qmax .
Они возникают под одним из колес расчетной оси.
Для определения расчетной оси (расчетного колеса) каждое колесо
из группы колес поочередно принимается за расчетное, остальные ко-
лёса в это время считаются соседними.
При определении наибольших напряжений от изгиба и кручения в
рельсах от воздействия эквивалентной нагрузки РIэкв за расчетную ось
принимается:
-
при двухосной тележке – первая ось;
-
при трехосной тележке - первая ось, если выполняется условие:
, (1.3.3);
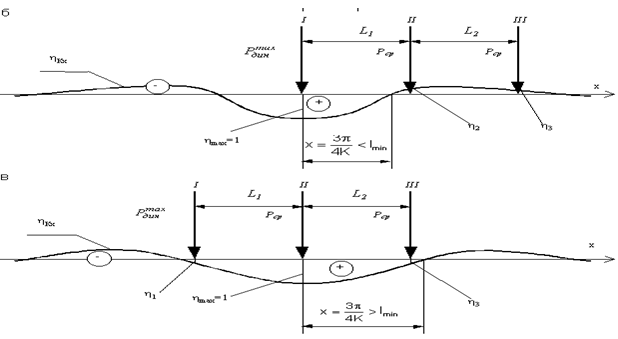
где Lmin – минимальное расстояние между центрами осей колесных пар (рисунок 1.2, а). В противном случае за расчетную ось принимается вторая.
При расчетах наибольших напряжений и сил в элементах подрельсового основания от воздействия эквивалентной нагрузки
за расчетную ось принимается:
-
при двухосной тележке – первая ось (рисунок 1.2, б);
-
при трехосной тележке – первая ось, если выполняется условие:
, (1.3.4);
(рисунок 1.2, б). В противном случае за расчетную ось принимается вторая (рисунок 1.2, в).
При воздействии на путь четырехосного грузового вагона за расчетную ось принимается первая ось двухосной тележки.
Рисунок 1.2. Схемы для определения наименее выгодного положения нагрузки (выбора расчетной оси)
Продолжение рисунка 1.1.
-
Определение эквивалентной нагрузки на путь.
При расчете рельса как балки на упругом основании система сосредоточенных колёсных нагрузок заменяется эквивалентными одиночными нагрузками. В силу природы вероятный максимум динамической нагрузки расчетного колеса не совпадает с вероятным максимумом нагрузок соседних колес, то при определении эквивалентных нагрузок принимается вероятная максимальная нагрузка расчетного колеса и среднее значение нагрузок соседних колес.
Найдем эквивалентную нагрузку на путь. Для этого нужно определить ординаты линии влияния изгибающих моментов рельса и ординаты линии влияния прогибов рельса:
, (1.3.5);
, (1.3.6);
где l=3 м - расстояние между осями в тележке;
k - коэффициент относительной жесткости рельсового основания и рельса;
e – основание натуральных логарифмов;
li – расстояние между центром оси расчетного колеса и колеса i-той оси, смежной с расчетной.
;
Максимальную эквивалентную нагрузку определим по формуле (1.3.1) :
Рассчитаем по формуле (1.3.2) значение максимальной эквивалентной нагрузки для расчета напряжений и сил в элементах подрельсового основания:
Абсцисса «x» принимается равной «li » при определении влияния соседних колес через вычисления эквивалентных нагрузок и равной «lщ » при определении влияния соседних шпал на напряжения в балласте на глубине «h»
-
Определение показателей напряженно-деформированного состояния элементов конструкции верхнего строения пути.
Максимальные напряжения в элементах верхнего строения пути определяются по формулам 1.4.1- 1.4.4.
Определим по формуле (1.4.1) максимальное напряжение в подошве рельса от его изгиба под действием момента:
, (1.4.1);
где W=398⋅
м2-момент сопротивления рельса по низу подошвы при износе 9 мм.
f=1,08-коэффициент перехода от осевых напряжений в подошве рельса к кромочным, учитывающий действие горизонтальных нагрузок на рельс и эксцентриситет приложения вертикальных сил.
МПа
Найдем по формуле (1.4.2) максимальное напряжение в шпале на смятие под подкладкой на деревянных шпалах:
, (1.4.2);
где
=518⋅
- площадь рельсовой подкладки;
Максимальное напряжение в балласте под подошвой определяется по формуле (1.4.3):
, (1.4.3);
=2975
- Площадь полушпалы с учетом поправки на ее изгиб.
=0,32 Мпа.
, (1.4.4);
.
Составим сводную таблицу статических нагрузок на путь.
Таблица 1.3. Статические нагрузки на путь от локомотива.
| V, км/ч |
МПа |
МПа |
МПа |
МПа |
МПа |
МПа |
| 80 | 102,31 | 150 | 2,01 | 11 | 0,32 | 2,6 |
[
],[
],[
] – критерии прочности пути для локомотивов при грузонапряженности более 50 млн.ткм.бр. на км в год.
Полученные в результате расчета напряжения σш и σб сравнивают с допускаемыми [σш] и [σб] .
Превышение расчетных максимальных напряжений в рельсах σn-к , σг-к ,
над допускаемыми [σр] указывает на необходимость уменьшения скорости движения поездов по условию прочности пути.
,
,
,
,
,
,














