Пояснительная часть (Николенко)255гр. (1192986), страница 6
Текст из файла (страница 6)
Опасный отказ «ложное включение» сигнального реле в пределах релейного шкафа автоблокировки исключается отсутствием постоянного напряжения в РШ СТ или АПС.
2.4 Увязка контроллера КДСТ-ФД с объектами контроля
Контроллер КДСТ-ФД предназначен для контроля качества питания сигнальной установки путем измерения напряжения сети 220 В 50 Гц, фиксации отклонения измеренного напряжения от нормы и передачи данной информации в концентратор КДСТ-СВ.
Сигналы, обрабатываемые КДСТ-ФД:
- действующее значение напряжения переменного тока 50 Гц на фидерах питания;
- время отклонения напряжения от нормы.
Измерительные цепи КДСТ-ФД не подключается непосредственно к объектам ЖАТ, следовательно, КДСТ-ФД не влияет на безопасность.
Подключение производится от измерительной панели через предохранители 0,3А, схема расположения предохранителей на полках РШ показана на рисунке 2.3. На один КДСТ-ФД подключается один объект контроля, таким образом на одну СТ требуется два КДСТ-ФД для измерений и контроля напряжений ООХ, ОПХ, РПХ, РОХ.
Рисунок 2.3- Схема расположения предохранителей на полках РШ
2.5 Увязка перегонного концентратора КДСТ-СВ с контроллерами
Концентратор КДСТ-СВ в режиме работы перегонного концентратора предназначен для обмена данными с функциональными контроллерами СТ и АПС, передача данных по линии связи на станционный концентратор КДСТ-СВ. Максимальное количество функциональных контроллеров ФК, подключаемых к одному КДСТ-СВ – 14, схема подключения показана на рисунке 2.4
Рисунок 2.4- Схема подключения КДСТ-СВ
Каждый перегонный КДСТ-СВ отвечает в свой временной промежуток времени. Если затухание и/или уровень помех в линии связи не позволяет обеспечить устойчивую передачу данных между мастером и удаленными СТ, то производится ретрансляция сообщений от удаленных СТ. Ретрансляторов может быть один или два. Настройка схемы ретрансляции производится автоматически при необходимости. Если СТ является ретранслятором, то она передает мастеру свои сообщения и сообщения удаленных СТ. В канале возможно использование двух типов модуляции: частотной и фазовой. При частотной модуляции возможна установка скоростей передачи в линии связи 1200, 1800 или 2400 бит/с, а при фазовой – 4800, 7200 или 9600 бит/с. Тип модуляции и скорость передачи информации КДСТ-СВ получает от ЛКИ в виде настроек. Типовой конфигурацией является использование фазовой модуляции со скоростью передачи 4800 бит/с. Возможность (или необходимость), применения других скоростей передач определяется качеством предоставляемого реального канала связи и устанавливается при согласовании с разработчиком. Период опроса концентраторов КДСТ-СВ обратно пропорционально зависит от скорости передачи в канале связи и количества, перегонных КДСТ-СВ в сети передачи данных.
При наименьшей скорости, 1200 бит/с, максимальный период опроса 32 перегонных концентраторов КДСТ-СВ составляет 10 с. При скорости передачи 4800 бит/с период опроса 2,5 с. При уменьшении числа перегонных концентраторов КДСТ-СВ, включенных в сеть, период опроса пропорционально уменьшается. Подключение концентратора КДСТ-СВ с контроллерами производится с колодки Х1, контакты 1, 2 питание с полюсов С-ДК, МС-ДК. Контакты 3, 4 выходы интерфейса RS485_A, RS485_В служат для приёма информации от контроллеров концентратором. Для передачи информации в линию ДК, ОДК (ДСН, ОДСН) используется колодка Х3 выводы 1,2. Все монтажные работы производятся монтажом 0,75мм согласно монтажных и принципиальных схем.
2.6 Станционное оборудование входящие в состав системы
Станционное оборудование КДСТ обеспечивает прием информации с сигнальных точек прилегающих перегонов (с перегонного оборудования КДСТ), отображение состояния сигнальных точек на пульт-табло дежурного по станции передачу собранной информации на автоматизированные рабочие места системы диспетчерского контроля и централизованной диагностики. Информация поступает по линии ДСН с перегонов, кабель подходит к кроссовому стативу в релейном помещении, на колодку Н110-11,13. Приборы ЛКИ, КДСТ-СВ, КДСТ-РЛ и их источник бесперебойного питания устанавливаются на свободной полке релейного статива.
В состав системы входит следующий набор технических средств:
-
АРМ ШНС
-
линейный концентратор информации (ЛКИ)
-
источник бесперебойного питания для АРМ ШНС
-
источник бесперебойного питания для станционного комплекта
-
пульт технологический ПТ-03
ЛКИ предназначен для сбора, накопления и передачи информации от устройств КДСТ. ЛКИ осуществляет накопление базы данных событий и измерений и передает ее на АРМ ШНС, в вышестоящие системы диагностики и при необходимости отображает на пульт-табло ДСП, управляя лампами с помощью контроллеров КДСТ-РЛ.
ЛКИ относится к станционному уровню системы диагностики технических средств автоблокировки и переездной сигнализации.
ЛКИ обеспечивает решение следующих задач:
-
прием диагностической информации о сигнальных точках и результатов измерений от перегонного оборудования;
-
выдачу команд на отображение информации о занятости блок-участков и состоянии переездов на пульт-табло ДСП;
-
выполнение диагностических алгоритмов по обработке результатов измерений;
-
сохранение информации, и ее отображение на видеомониторе;
-
передача диагностической информации о состоянии устройств сигнальных точек и результатов измерений на вышестоящие уровни.
Л-1,3,5,7,9,11,13,15- красные лампы занятости блок-участка. Л-2,4,6,8,10,12,14,16- белые лампы свободности блок-участка.
2.7 Увязка ЛКИ со станционным оборудованием
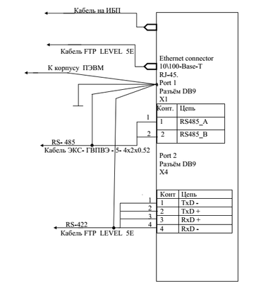
ЛКИ выполнен на базе промышленного компьютера и имеет возможность настольного и настенного исполнения. ЛКИ размещается на постах ЭЦ станций, и, как правило, устанавливается на полке статива, предназначенной для реле типа НР. Схема подключения ЛКИ приведена на рисунке 2.13
Программное обеспечение ЛКИ функционирует на базе операционной системы реального времени QNX.
Диагональ видеомонитора VGA – не менее 15.
Электропитание ЛКИ осуществляется от источника переменного (50 Гц) тока напряжением 220 В.
Тип интерфейса для обмена данными между ЛКИ и АРМ ШНС или вышестоящими системами диагностики – Ethernet (реализация 10/100Base-T стандарта IEEE 802.3).
Количество портов Ethernet – 1;
Тип интерфейса для обмена данными между СПД ЛП и ЛКИ – RS-422, скорость передачи от 1200 до 9600 бит/с;
Количество портов RS-422 – не менее 1;
Тип интерфейса для обмена данными между ЛКИ и КДСТ станционного уровня (КДСТ-СВ (мастер), КДСТ-РЛ) – RS-485, скорость передачи от 1200 до 9600 бит/с;
ПО ЛКИ периодически передает запросы в КДСТ-СВ на получение данных о результатах измерений и состоянии устройств КДСТ. Период опроса пропорционален скорости передачи и числу подключенных контроллеров в линии. Опрос линий концентраторов КДСТ-СВ (мастер) производится независимо друг от друга.
Полученную от КДСТ-СВ информацию ПО ЛКИ сохраняет в базе данных формата MySQL на жестком диске.
Доступ к базе данных системами вышестоящего уровня осуществляются средствами администрирования ОС QNX.
Рисунок 3.13 – Схема подключения ЛКИ
2.8 Электропитание станционного оборудования
Схема электропитания и подключения ЛКИ и КДСТ приведена в приложении О. Расстояние между станционным концентратором КДСТ-СВ и ЛКИ не должно превышать 10 м. Экран кабеля соединяется с цепью защитного заземления под винт, расположенный на задней панели ЛКИ.
При использовании стационарного АРМа ШНС для соединения с ЛКИ должен использоваться симметричный экранированный кабель с заземлением экрана на защитное заземление с обоих концов. Допустимая длина кабеля при этом составляет 100 м.
Для соединения ЛКИ с сетью Ethernet (порт LAN1) должен использоваться симметричный экранированный кабель с заземлением экрана на защитное заземление. Допустимая длина кабеля при этом составляет 100 м. Рекомендуемый тип кабеля – «FTP LEVEL 5E» («FTP Cat 5E»).
Подключение устройств СПД ЛП на базе КИ-6М к ЛКИ осуществляется по интерфейсу RS-422.
Соединение с ЛКИ осуществляется симметричным экранированным кабелем с заземлением экрана на защитное заземление.
После настройки подключения и запуска, ЛКИ функционирует автоматически без участия обслуживающего персонала. Информация из базы данных ЛКИ передается через ЛВС для дальнейшего использования в программно-аппаратных комплексах АРМ операторов станционных и центральных постов контроля.
Действия операторов постов контроля регламентируются руководством на установленные у них программные средства. Присутствие обслуживающего персонала на пункте размещения ЛКИ необходимо в случаях:
-
проведения плановых работ по техническому обслуживанию ЛКИ;
-
проведения внеплановых работ и проверок по локализации и устранению неисправностей ЛКИ.
-
процессе эксплуатации ЛКИ необходимо строго придерживаться мер безопасности.
2.9 Техническое обслуживание КДСТ
Техническое обслуживание КДСТ должно производиться обслуживающим персоналом дистанции сигнализации, централизации и блокировки, изучившим настоящий документ и имеющим группу по электробезопасности не ниже третьей. Рекомендуемая численность и квалификация обслуживающего персонала рассчитывается исходя из штатного расписания конкретной дистанции сигнализации, централизации и блокировки. Обслуживание КДСТ сводится к поиску и замене на месте отказавшего устройства исправным, с предварительной установкой текущего адреса заменяемого контроллера. Порядок установки описан в настоящем документе. Отказ КДСТ выявляется средствами централизованной диагностики и (или) локальной диагностикой при помощи пульта ПТ-03 в соответствии с настоящим документом. Контроллеры КДСТ-ДС, КДСТ-ФД, КДСТ-АС подлежат метрологической поверке в соответствии с методикой. Межповерочный интервал 2 года. Поверка производится предприятием-изготовителем. В случае изъятия одного или нескольких контроллеров по причине ремонта (или поверки) из состава КДСТ, в паспорте на КДСТ в таблице «Движение изделия при эксплуатации» делается запись о снятии. Также в паспорте на
функциональный контроллер в таблице «Движение изделия при эксплуатации» делается запись о снятии. При включении в состав КДСТ дополнительного контроллера, в паспорте на КДСТ в таблице «Движение изделия при эксплуатации» делается запись о добавлении. Также в паспорте на функциональный контроллер в таблице «Движение изделия при эксплуатации» делается запись о месте установки.
2.10 Технологическая карта используемая при выполнении работ
При внедрении системы СДТС-АПС в эксплуатацию на участках железных дорог, изменяется и сроки технологического обслуживания устройств СЦБ на перегонах. В результате внедрения СДТС-АПС повышается надежность функционирования систем автоблокировки и перегонной переездной сигнализации за счет выявления предотказных состояний и своевременного их устранения, а также обеспечивается внедрение малолюдных технологий благодаря автоматизации технического обслуживания устройств ЖАТ и организации обслуживания «по состоянию», технологическая карта приведена в таблице 2.1.
Таблица 2.1 – Технологическая карта
| ЦШ ЦДИ ОАО «РЖД» |
| СИСТЕМА ТЕХНИЧЕСКОГО ДИАГНОСТИРОВАНИЯ И МОНИТОРИНГА |
| КАРТА ТЕХНОЛОГИЧЕСКОГО ПРОЦЕССА №6, 3а |
| Приборы СЦБ |
| Измерение напряжения на электролитических конденсаторах и выпрямителях Дешифраторных ячеек и блоков дешифратора кодовой автоблокировки |
| Состав технического оснащения: АРМ ШН ,каналы измерения напряжения Переменного и постоянного токов системы, принтер, мультиметрВ7- 63, ампервольтомметр 4306.1, сигнальный жилет, носимая радиостанция или другие имеющиеся средства связи с дежурным по железнодорожной станции. |















