Пояснительная часть (Николенко)255гр. (1192986), страница 3
Текст из файла (страница 3)
При централизованном методе обслуживания станционных устройств централизованная бригада также оснащается мобильным АРМ ШНС. При выполнении конкретных проектов комплектация компьютеров для оснащения АРМ ШНС должна согласовываться с поставщиком программного обеспечения (разработчиком).
Для организации АРМ ШНС рекомендуется использовать следующий состав аппаратных средств:
Стационарный АРМ ШНС - персональные компьютеры типа
-
IBM Pentium III (4) с мониторами
-
RAM-256
-
HDD
-
Ethernet 10/100-Base-
-
Клавиатура, манипулятор «Мышь»
-
Операционная система Windows XP
Мобильный АРМ ШНС - мобильные компьютеры (типа Notebook). Допускается использование любого Notebook, построенного на базе IBM Pentium III (4), имеющего сетевую карту Ethernet 10/100-Base-TX и с установленной операционной системы Windows XP.
Источник бесперебойного питания для АРМ ШНС используется в случае применения стационарного АРМ ШНС. Источник бесперебойного питания для станционного комплекта предназначен для обеспечения питания ЛКИ и станционных контроллеров КДСТ.
Линейный концентратор информации ЛКИ.
ЛКИ поставляется изготовителем в собранном виде и состоит из:
-
плата процессора Advantech PCA-6751;
-
память S-DRAM SODIMM PC100 256Mb;
-
2 платы двухпортовые интерфейсов RS-422/485;
-
FDD 3,5’’ 1.44 Mb;
-
HDD 40Gb.
ЛКИ размещаются на постах ЭЦ станций, оборудуемых системой СДТС-АПС.
Пульт технологический ПТ-03 предназначен для работы в качестве терминального устройства ввода – вывода символьной информации. В системе СДТС-АПС пульт ПТ-03 используется в качестве мобильного средства отображения информации при работах, проводимых непосредственно на сигнальной точке, например, при техническом обслуживании или устранении отказов автоблокировки, а также при проведении пусконаладочных работ. Обмен данными между пультом ПТ-03 и КДСТ-СВ осуществляется по стандартному интерфейсу RS-232. Питание ПТ-03 осуществляется от концентратора связи КДСТ-СВ. В комплект ПТ-03 входит кабель для подключения длиной 0,6 м.
1.9 Связь станционных с перегонными КДСТ
Передача информации между перегонными и станционными концентраторами КДСТ осуществляется по двухпроводной линии связи, в качестве которой может использоваться специально выделенная физическая пара или цепь ДСН.
Линия может представлять собой воздушную медную, биметаллическую или стальную цепь диаметром 4 мм, или медный кабель парной скрутки с диаметром жил от 0,7 до 1,0 мм.
Расстояние между станцией и наиболее удаленной сигнальной точкой не должно превышать:
- 40 км при использовании для передачи данных витой пары в медном кабеле с сечением жилы не менее 0,8 мм2;
- 30 км при использовании линии ДСН, либо кабеля с диаметром жил 0,7 мм.
Физические цепи симметричных кабелей связи, используемые для передачи информации КДСТ в полосе частот 300 – 5000 Гц должны удовлетворять следующим требованиям:
− электрическое сопротивление изоляции для кабелей типа СБПУ, ТП, не менее, 5000МОм/км; - для кабелей типа ТЗ, МК, не менее 1000 Мом/км;
− затухание кабельной цепи на частоте 800 Гц, дБ/км, не более 1;
− не взвешенное напряжение в полосе частот 300-5000 Гц на выходе цепи, напруженной на сопротивление 600 Ом, не более 5 мВ.
При использовании для передачи данных с перегонов линии ДСН на станции должны применяться типовые решения по организации питания линии для системы ЧДК.
Независимо от типа применяемой линии связи (кабельная или воздушная) проектом должны быть предусмотрены типовые первичные средства защиты (газовые разрядники) линии от перенапряжений как в РШ СТ и АПС, так и на станции.
Расстояние между станционным концентратором КДСТ-СВ и ЛКИ не должно превышать 10 м. Кабель длиной 5 м. для связи КДСТ-СВ и ЛКИ входит в комплект поставки станционного комплекта КДСТ.
Организация связи между ЛКИ и АРМ ШНС должна осуществляться по локальной сети Ethernet. При использовании мобильного АРМа ШНС на базе мобильного компьютера (типа NoteBook) подсоединение к порту Ethernet осуществляется кабелем длиной не более 5 м. При использовании стационарного АРМа ШНС для соединения с ЛКИ должен использоваться симметричный экранированный кабель с заземлением экрана на защитное заземление с обоих концов. Допустимая длина кабеля при этом составляет 100 м. Организация связи с системами вышестоящего уровня, линейная аппаратура которых размещена в пределах станции, осуществляется по локальной сети Ethernet или по интерфейсу RS-422. Соединение с ЛКИ должно осуществляться симметричным экранированным кабелем с заземлением экрана на защитное заземление с обоих концов. Допустимая длина кабеля при этом составляет 100 м.
1.10 Контроллеры диагностики их назначение и общие
характеристики
КДСТ применяется в составе системы диагностики технических средств автоблокировки и переездной сигнализации.
Перегонное оборудование КДСТ предназначено для диагностики сигнальной точки числовой кодовой автоматической блокировки (АБ) и переездной сигнализации, а также сбора данных о состоянии блок-участков и переездов на перегоне для систем диспетчерского контроля и управления.
Станционное оборудование КДСТ обеспечивает прием информации с сигнальных точек прилегающих перегонов (с перегонного оборудования КДСТ), отображение состояния сигнальных точек на пульт-табло дежурного по станции и передачу собранной информации через ЛКИ в АРМ ШНС и системы диспетчерского контроля и централизованной диагностики. Основные технические характеристики КДСТ-СВ приведены на листе 2.
Для контроллеров КДСТ-АС выбраны и максимально унифицированы диапазоны измеряемых напряжений в соответствующих контрольных точках СТ и АПС. При проектировании необходимо определить (и указать при заказе) коды измерительных каналов, которые определяются исключительно проектной документацией и не могут быть определены в типовых решениях.
Номенклатура функциональных контроллеров КДСТ для оборудования одного релейного шкафа СТ или АПС приведена в таблице 1.2
Таблица 1.2- Номенклатура функциональных контроллеров КДСТ
| Обозначение, | Контроллер | Код ОКП | Кол-во |
| спецификация | в КДСТ * | ||
| ИН7.230.010.000 | КДСТ-СВ | 403530 | 1 |
| ИН7.230.020.000 | КДСТ-ДС | 403530 | Nд/8 ** |
| ИН7.230.040.000 | КДСТ-ФД | 403530 | Nфид |
| ИН7.230.050.000 | КДСТ-АС-U1-U2-U3-U4 | 403530 | Nа/4 ** |
-
− общее количество ФМ, подключаемых на один КДСТ-СВ не должно превышать 14
-
− полученное количество округляется до целого в большую сторону.
Количественный состав комплекта КДСТ для каждого релейного шкафа определяется индивидуально, исходя из количества дискретных сигналов ввода и аналоговых сигналов ввода и числа сигнальных точек и переездов.
На каждый фидер устанавливается по одному контроллеру КДСТ-ФД. Общее число фидеров Nфид.
Количество контроллеров КДСТ-ДС определяется по числу контролируемых дискретных сигналов Nд.
Количество контроллеров КДСТ-АС определяется по числу контролируемых аналоговых сигналов Nа. При заказе КДСТ-АС дополнительно для каждого канала указывается код, обозначающий максимальное амплитудное значение напряжения постоянного тока для измерительного канала.
КДСТ строится по модульному принципу и включает в себя функциональные контроллеры (ФК) и концентраторы связи, устанавливаемые на перегонах (перегонное оборудование), и ФК и концентраторы связи, устанавливаемые на станциях (станционная часть).
Функциональные контроллеры в пределах одного КДСТ устанавливаются на стандартный DIN-рельс и объединяются кабелем питания и связи. Общие габариты КДСТ зависят от количества и типа ФК в его составе.
1.11 Принцип функционирования КДСТ
Перегонное оборудование КДСТ устанавливается в РШ СТ и переезда. В каждом РШ производится установка концентратора КДСТ-СВ и набора ФК. Функциональные контроллеры производят сбор, частичную обработку и передачу информации о работе контролируемых объектов на станцию через концентратор связи КДСТ-СВ, в результате чего обеспечивается выполнение следующих функций:
-
сбор дискретной информации о состоянии блок-участка (переезда);
-
измерение временных характеристик работы кодовой аппаратуры;
-
измерение напряжений в контрольных точках сигнальной установки и переезда;
-
обнаружение отклонений измеряемых параметров от установленных норм и формирование диагностической информации о неисправностях;
-
передача полученной диагностической информации о сигнальной точке и результатов измерений на станцию.
Оборудование станционной части устанавливается, как правило, на посту ЭЦ на свободных стативах. Данные контроллеры обеспечивают выполнение следующих функций.
-
сбор диагностической информации о сигнальной точке и результатов измерений с линейного оборудования КДСТ;
-
передача полученной информации в линейный концентратор информации (ЛКИ);
-
отображение состояния сигнальных точек на пульт-табло ДСП
Локальные сети в РШ сигнальных точек и переездов объединяются в перегонную сеть передачи данных на базе концентраторов КДСТ-СВ, каждому из которых присваивается уникальный адрес от 0 до 31. Адрес и режим работы КДСТ-СВ задаются с пульта технологического ПТ-03. Устанавливаемый на станции концентратор КДСТ-СВ непрерывно, циклически опрашивает перегонные концентраторы КДСТ-СВ. Таким образом, в одну линию связи может быть включено до 32 перегонных концентраторов КДСТ-СВ1. Если на смежной станции производится установка комплекта станционного оборудования для управления лампами пульта табло ДСП, то концентраторы КДСТ-СВ, устанавливаемые на смежных станциях входят в адресное пространство перегонных концентраторов, то есть максимальное количество перегонных концентраторов КДСТ-СВ в РШ СТ и АПС уменьшается на количество смежных станций, на которых производится управление лампами пульта табло. В зависимости от схемы организации линии ДСН (или выделенной физической линии) возможна организация связи по нескольким типовым схемам: однолучевая конфигурация; двухлучевая конфигурация с объединением лучей на станции; двухлучевая конфигурация с разделением лучей на станции.
Однолучевая схема связи применяется при подключении перегонов только одного подхода к станции. Адреса перегонных концентраторов КДСТ-СВ назначаются по возрастающей последовательности, по мере удаления концентраторов от станции. Особенностью этой конфигурации является соединение линии ДСН на станции для перегонов обоих подходов к станции.
Для этой конфигурации адреса перегонных концентраторов КДСТ-СВ назначаются по возрастающей последовательности для каждого луча, по мере удаления КДСТ-СВ от станции. Адрес ближнего к станции концентратора КДСТ-СВ на втором луче должен быть больше адреса последнего КДСТ-СВ на первом луче. Остальные рекомендации такие же, как и для однолучевой конфигурации.
Эта конфигурация является расширением однолучевой конфигурации организации связи. Для обеспечения связи с прилегающими перегонами на станции устанавливается отдельный концентратор связи КДСТ-СВ на каждый перегон. На ЛКИ используется отдельные порты интерфейса RS-485 для связи с КДСТ-СВ каждого луча. Нумерация адресов в пределах каждого луча производится так же, как и в случае однолучевой конфигурации.
Для обмена информацией между станционным концентратором и перегонными концентраторами КДСТ-СВ используется временное разделение канала. На один пакет станционного КДСТ-СВ каждый перегонный КДСТ-СВ отвечает в свой временной промежуток времени. Если затухание и/или уровень помех в линии связи не позволяет обеспечить устойчивую передачу данных между мастером и удаленными СТ, то производится ретрансляция сообщений от удаленных СТ. Ретрансляторов может быть один или два. Настройка схемы ретрансляции производится автоматически при необходимости. Если СТ является ретранслятором, то она передает мастеру свои сообщения и сообщения удаленных СТ. В канале возможно использование двух типов модуляции: частотной и фазовой. При частотной модуляции возможна установка скоростей передачи в линии связи 1200, 1800 или 2400 бит/с, а при фазовой – 4800, 7200 или 9600 бит/с. Тип модуляции и скорость передачи информации КДСТ-СВ получает от ЛКИ в виде настроек. Типовой конфигурацией является использование фазовой модуляции со скоростью передачи 4800 бит/с. Возможность (или необходимость), применения других скоростей передачи определяется качеством предоставляемого реального канала связи и устанавливается при согласовании с разработчиком. Период опроса концентраторов КДСТ-СВ обратно пропорционально зависит от скорости передачи в канале связи и количества, перегонных КДСТ-СВ в сети передачи данных. При наименьшей скорости, 1200 бит/с, максимальный период опроса 32 перегонных концентраторов КДСТ-СВ составляет 10 с. При скорости передачи 4800 бит/с период опроса 2,5 с. При уменьшении числа перегонных концентраторов КДСТ-СВ, включенных в сеть, период опроса пропорционально уменьшается.
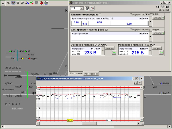
Полученный со всех сигнальных точек массив данных станционный КДСТ-СВ передает по запросу через интерфейс RS-485 в ЛКИ. ЛКИ осуществляет накопление базы данных событий и измерений и передает ее на АРМ ШН. На АРМе появляется окно с запрашиваемой информацией, например измерение напряжения ОПХ, ООХ на сигнальной точке, рисунок 1. и при необходимости отображает на пульт-табло ДСП, управляя лампами с помощью контроллеров КДСТ-РЛ. На станции между ЛКИ, концентратором КДСТ-СВ и контроллерами КДСТ-РЛ организуется локальная сеть контроллеров RS-485, в которой ЛКИ является ведущим и производит поочередный опрос контроллеров и передачу им необходимых команд. Концентратор КДСТ-СВ при этом настраивается на станционный режим работы.
Рисунок 1. – Окно графика измерения напряжения питания на сигнальной точке















