Белов- БЖД (1183106), страница 47
Текст из файла (страница 47)
Оптическая блокировка находит применение в кузнечно-прессовых и механических цехах машиностроительных заводов. Световой луч, попадающий на фотоэлемент, обеспечивает постоянное протекание тока в обмотке блокировочного электромагнита. Если в момент нажатия педали в рабочей (опасной) зоне штампа окажется рука рабочего, падение светового тока на фотоэлемент прекращается, обмотки блокировочного магнита обесточиваются, его якорь под действием пружины выдвигается и включение пресса педалью становится невозможным.
Э
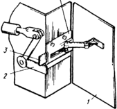
Р и с. 5.6. Схема механической блокировки:
7–ограждение; 2–рычаг; тормоза; 3–запорная планка; 4–направляющая
лектронную (радиационную) блокировку применяют для защиты опасных зон на прессах, гильотинных ножницах и других видах технологического оборудования, применяемого в машиностроении (рис. 5.7).И
Рис. 5.7. Электронная (радиационная) блокировка
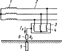
Р и с . 5.8. Схема пневматической блокировки:
1–реле давления; 2–запорное устройство; 3– электромагнит
злучение, направленное от источника 5, улавливается трубками Гейгера 1. Они воздействуют на тиратронную лампу 2, от которой приводится в действие контрольное реле 3. Контакты реле либо включают, либо разрывают цепь управления, либо воздействуют на пусковое устройство. Контрольное реле 4 работает при нарушении системы блокировки, когда трубки Гейгера не работают в течение 20 с. Преимуществом блокировки с радиационными датчиками является то, что они позволяют производить бесконтактный контроль, так как не связаны с контролируемой средой. В ряде случаев при работе с агрессивными или взрывоопасными средами в оборудовании, находящемся под большим давлением или имеющем высокую температуру, блокировка с применением радиационных датчиков является единственным средством для обеспечения требуемых условий безопасности.Пневматическая схема блокировки широко применяется в агрегатах, где рабочие тела находятся под повышенным давлением: турбинах, компрессорах, воздуходувках и т. д. Ее основным преимуществом является малая инерционность. На рис. 5.8 приведена принципиальная схема пневматической блокировки. Аналогична по принципу действия гидравлическая блокировка.
Примерами ограничительных устройств являются элементы механизмов и машин, рассчитанные на разрушение (или несрабатывание) при перегрузках. К слабым звеньям таких устройств относятся: срезные штифты и шпонки, соединяющие вал с маховиком, шестерней или шкивом; фрикционные муфты, не передающие движения при больших крутящих моментах; плавкие предохранители в электроустановках; разрывные мембраны в установках с повышенным давлением и т. п. Слабые звенья делятся на две основные группы: звенья с автоматическим восстановлением кинематической цепи после того, как контролируемый параметр пришел в норму (например, муфты трения), и звенья с восстановлением кинематической цепи путем замены слабого звена (например, штифты и шпонки). Срабатывание слабого звена приводит к останову машины на аварийных режимах.
Тормозные устройства подразделяют: по конструктивному исполнению –на колодочные, дисковые, конические и клиновые; по способу срабатывания – на ручные, автоматические и полуавтоматические; по принципу действия –на механические, электромагнитные, пневматические, гидравлические и комбинированные; по назначению –на рабочие, резервные, стояночные и экстренного торможения.
Оградительные устройства – класс средств защиты, препятствующих попаданию человека в опасную зону. Оградительные устройства применяют для изоляции систем привода машин и агрегатов, зоны
Рис 59 Конструкции стационарных ограждений станков:
а–полное ограждение; б–частичное ограждение режущего инструмента; в–частичное ограждение зоны резания; 1–поворотная ось экрана; 2–рамка, 3–прозрачный экран
обработки заготовок на станках, прессах, штампах, оголенных токове-дущих частей, зон интенсивных излучений (тепловых, электромагнитных, ионизирующих), зон выделения вредных веществ, загрязняющих воздушную среду и т. п. Ограждают также рабочие зоны, расположенные на высоте (леса и т. п.).
Конструктивные решения оградительных устройств весьма разнообразны. Они зависят от вида оборудования, расположения человека в рабочей зоне, специфики опасных и вредных факторов, сопровождающих технологический процесс. В соответствии с ГОСТ 12.4.125–83, классифицирующим средства защиты от механического травмирования, оградительные устройства подразделяют: по конструктивному исполнению –на кожухи, дверцы, щиты, козырьки, планки, барьеры и экраны; по способу изготовления–на сплошные, несплошные (перфорированные, сетчатые, решетчатые) и комбинированные; по способу установки–на стационарные и передвижные. Примерами полного стационарного ограждения служат ограждения распределительных устройств электрооборудования, кожуха галтовочных барабанов, корпуса электродвигателей, насосов и т. п.; частичного– ограждения фрез или рабочей зоны станка (рис. 5.9).
Возможно применение подвижного (съемного) ограждения. Оно представляет собой устройство, сблокированное с рабочими органами механизма или машины, вследствие чего закрывает доступ в рабочую зону при наступлении опасного момента. Особенно широкое распространение получили такие ограничительные устройства в станкостроении (например, в станках с ЧПУ ОФЗ–36).
Переносные ограждения являются временными. Их используют при ремонтных и наладочных работах для защиты от случайных прикосновений к токоведущим частям, а также от механических травм и ожогов. Кроме того, их применяют на постоянных рабочих местах сварщиков для защиты окружающих от воздействия электрической дуги и ультрафиолетовых излучений (сварочные посты). Выполняются они чаще всего в виде щитов высотой 1,7 м.
Конструкция и материал ограждающих устройств определяются особенностями оборудования и технологического процесса в целом. Ограждения выполняют в виде сварных и литых кожухов, решеток, сеток на жестком каркасе, а также в виде жестких сплошных щитов (щитков, экранов). Размеры ячеек в сетчатом и решетчатом ограждении определятся в соответствии с ГОСТ 12.2.062–81*. В качестве материала ограждений используют металлы, пластмассы, дерево. При необходимости наблюдения за рабочей зоной кроме сеток и решеток применяют сплошные оградительные устройства из прозрачных материалов (оргстекла, триплекса и т. д.).
Чтобы выдерживать нагрузки от отлетающих при обработке частиц и случайные воздействия обслуживающего персонала, ограждения должны быть достаточно прочными и хорошо крепиться к фундаменту или частям машины. При расчете на прочность ограждений машин и агрегатов для обработки металлов и дерева необходимо учитывать возможность вылета и удара об ограждение обрабатываемых заготовок.
Расчет ограждений ведется по специальным методикам [5.2].
5.3. СРЕДСТВА АВТОМАТИЧЕСКОГО КОНТРОЛЯ И СИГНАЛИЗАЦИИ
Наличие контрольно-измерительных приборов – одно из условий безопасной и надежной работы оборудования. Это приборы для измерения давления, температур, статических и динамических нагрузок, концентраций паров и газов и др. Эффективность их использования повышается при объединении их с системами сигнализации, как это имеет место в газосигнализаторах, срабатывающих при определенных уровнях концентрации паров, газов, пыли в воздухе.
Устройства автоматического контроля и сигнализации подразделяют: по назначению – на информационные, предупреждающие, аварийные и ответные; по способу срабатывания – на автоматические и полуавтоматические; по характеру сигнала – на звуковые, световые, цветовые, знаковые и комбинированные; по характеру подачи сигнала – на постоянные и пульсирующие.
Информативную сигнализацию используют для согласования действий работающих, в частности крановщиков и стропальщиков. Такую же сигнализацию применяют в шумных производствах, где нарушена речевая связь. Подвидом информативной сигнализации являются всякого рода схемы, указатели, надписи. Как правило, надписи делают непосредственно на оборудовании либо в зоне его обслуживания на специальных табло.
Устройства предупредительной сигнализации предназначены для предупреждения об опасности. Чаще всего в них используют световые и звуковые сигналы, поступающие от различных приборов, регистрирующих ход технологического процесса, в том числе уровень опасных и вредных факторов. Большое применение находит предупредительная сигнализация, опережающая включение оборудования или подачу высокого напряжения. К предупредительной сигнализации относятся указатели и плакаты: «Не включать –работают люди», «Не входить», «Не открывать – высокое напряжение» и др.
Указатели желательно выполнять в виде световых табло с переменной по времени (мигающей) подсветкой.
Подвидом предупредительной сигнализации является сигнальная окраска. Травмоопасные элементы оборудования выделяют чередующимися (под углом 45° к горизонтали) полосами желтого и черного цвета. На станках в красный цвет окрашивают обратные стороны дверец, ниш для электрооборудования, а также поверхности схода стружки.
Знаки безопасности установлены ГОСТ 12.4.026–76*. Они могут быть запрещающими, предупреждающими, предписывающими и указательными и отличаются друг от друга формой и цветом. В производственном оборудовании и в цехах применяют предупредительные знаки, представляющие собой желтый треугольник с черной полосой по периметру, внутри которого располагается какой-либо символ (черного цвета). Например, при электрической опасности –это молния, при опасности травмирования перемещаемым грузом – груз, при опасности скольжения – падающий человек, при прочих опасностях – восклицательный знак.
Запрещающий знак – круг красного цвета с белой каймой по периметру и черным изображением внутри. Предписывающие знаки представляют собой синий круг с белой каймой по периметру и белым изображением в центре, указательные –синий прямоугольник.
Предупреждающий знак радиационной опасности имеет символ и кайму красного цвета. Указательные знаки средств пожаротушения имеют символ красного цвета на белом фоне, остальные черного.
5.4. ЗАЩИТА ОТ ОПАСНОСТЕЙ АВТОМАТИЗИРОВАННОГО И РОБОТИЗИРОВАННОГО ПРОИЗВОДСТВА
Она обеспечивается прежде всего технологией проведения работ. Для периодической смены инструмента, регулировки и подналадки станков с ЧПУ и автоматов, их смазывания и чистки, а также для мелкого ремонта в цикле работы автоматической линии должно быть предусмотрено специальное время. Все перечисленные работы должны выполняться на обесточенном оборудовании. Требования безопаснос
Ри. 5.10. Схема защитного заземления в сети с изолированной нейтралью
1 – трансформатор, 2 – сеть, 3 – корпус токоприемника, 4–обмотка электродвигателя, 5–заземлитель. 6– сопротивление заземления нейтрали (условно)
ти к промышленным работам и робототехническим комплексам установлены ГОСТ 12.2.072–82.














