3 (1106050), страница 5
Текст из файла (страница 5)
Примером вихревого течения может служить плоское течение, когда частицы жидкости вращаются по концентрическим окружностям с одинаковой угловой скоростью (рис.38).
Рассматриваемое нами поведение жидкости относилось к кинематическому. Сейчас мы рассмотрим некоторые аспекты динамического поведения жидкости. Наша задача стандартна ‑ используя аксиоматику Ньютона вывести динамическое уравнение движения для жидкостей (сплошной среды).
В
ыделим в жидкости частицу в форме куба объемом d = dx dy dz, находящуюся в точке
(x, y, z). Эта частица будет испытывать действие контактных сил со стороны окружающих частиц и действие силы тяжести (дальнодействующей силы) (риc.39).
Контактное воздействие определяется давлением Р. Так, на грань
снизу действует сила F = P
, а на противоположную сила F = (P + P)
= P1
. Так как размеры кубика малы, то P = P1 - P - малое приращение давления на длине
(т.е. вдоль направления оси Z). При этом давление может изменяться и в других направлениях, но нас сейчас интересуют изменения давления только вдоль оси Z, поэтому при рассмотрении приращения Р координаты x, y и время t считаются постоянными. В этом случае
где
- частная производная функции Р(x, y, z, t), взятая при заданных дополнительных условиях (постоянство x, y, t).
Итак, вдоль оси z на кубик действует сила
Сила тяготения, действующая на рассматриваемую частицу, равна
, где
- плотность жидкости, g - ускорение свободного падения,
- удельный вес.
Тогда по второму закону Ньютона
где
- компонента скорости по оси z.
Аналогичным способом найдем, что в направлениях двух других осей
(x, y)
,
так как сила тяжести направлена вдоль оси z.
Чтобы записать полученную систему скалярных уравнений в векторном виде, введем единичные орты
и тогда
Вектор
обозначается символом
и называется градиентом давления.
Формула носит название основного закона гидродинамики для идеальной (без трения) жидкости (или газа). Формула справедлива и для стационарного и нестационарного потоков идеальной жидкости. При этом в нестационарном потоке все величины (, V, P) зависят и от координат и от времени t.
При рассмотрении стационарного течения удобно использовать трубки тока.
Итак, используя аксиоматику Ньютона с помощью математических операций, получен закон, описывающий движение идеальной жидкости.
1.5.7.3. Частные случаи использования закона. Гидростатика.
В случае гидростатики закон принимает вид
=
(производные по времени равны нулю); при этом, если не учитывать вес жидкости, то получим
= 0, т.е.
и как следствие: давление во всех точках покоящейся жидкости одинаково, т.е. закон Паскаля.
Если вес воды учитывать, то
=
. Если выбрать систему координат с направленной вверх осью Z, то уравнение примет вид
При механическом равновесии давление зависит только от координаты Z. Если жидкость однородна и несжимаема (
= const), и ускорение свободного падения g – постоянно, то в результате интегрирования получим
, где
- давление жидкости на высоте z = 0.
Если начало координат поместить на свободной поверхности жидкости, Р будет атмосферным давлением. Эта формула также определяет давление жидкости на дно и стенку сосуда, а также на поверхность всякого тела, погруженного в жидкость.
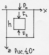
Используем эту формулу для нахождения сил, действующих со стороны жидкости на погруженное в жидкость тело. Для простоты возьмем тело кубической форму, хотя полученные результаты будут верны для тела любой формы (рис.40).
Пусть в жидкости на глубине Z находится тело кубической формы (со стороной куба h) плотности . Систему координат выберем, как показано на рисунке: оси 0X, 0Y вдоль свободной поверхности жидкости, ось 0Z - вертикально вниз.
Так как силы, действующие на боковые поверхности тела равны по величине и противоположны по направлению (что следует из основного закона), то со стороны жидкости на тело действует результирующая сила
F = F1 - F2 = -[P0 + жg (z1 + h) - P0 жgz1] S, здесь ρж – плотность жидкости.
Действительно, сила, действующая на нижнее и верхнее основание куба: Fi = Pi(z)S, S =- const. Для верхнего основания Pz1 = P0 +жgZ1 , для нижнего основания P(z1 + h) = P0 + жg (z1 + h). При этом направления сил F1 и F1 противоположны. В соответствии с выбранным направлением оси z:
F1 > 0; F2 < 0.
Итак, раскрывая скобки и проводя арифметические операции, получим
F = - жg h S = -ж gV = Fвыт – «выталкивающая сила».
Тело находится в равновесии, т.е. для него выполняются условия статики:
Таким образом,
, т.е. тело, погруженное в жидкость (или газ) и находящееся в равновесии, весит столько, сколько весит вытесненная этим телом жидкость. С другой стороны, чтобы момент внешних сил был равен нулю, они должны быть приложены в центре масс вытесненной телом жидкости. Итак, как следствие, имеем закон Архимеда: "на тело, погруженное в жидкость (или газ), действует выталкивающая сила, направленная вверх, численно равная весу вытесненной телом жидкости и приложенная в центре масс вытесненной телом жидкости".
Т
еперь рассмотрим движение стационарной несжимаемой жидкости (рис.41).
Возьмем трубку тока. Введем координату S вдоль осевой линии трубки. Так как поток стационарен, то скорость V = V(S) является функцией только координаты S'. Пусть частица, которая в момент времени t имела координату S и скорость V(S) за время dt сдвинется на dS1 Скорость частицы в новом положении
Смещение частицы dS1 за это время
dS1 = V(S)dt, тогда dV =
V(S)dt
Ускорение частицы
или, проводя стандартную операцию, получим
Основное уравнение гидродинамики в этом случае будет иметь вид
где =жg и ж - плотность жидкости, g - ускорение свободного падения, - угол между вертикалью и направлением осевой линии трубки тока в данном сечении.
Если h - высота того места, где находится частица с координатой S, то смещение частицы на dS связано с изменением (уменьшением) высоты dh следующим образом
или
Подставляя в основное уравнение гидродинамики, получим
Это уравнение Бернулли для стационарного течения несжимаемой жидкости.
1.5.8. Модель «Волна в сплошной упругой среде».
Возьмем тонкий стержень, сделанный из упругого материала, расположим его вдоль оси 0Х и в какой-то момент времени (t=0) создадим в этом стержне неоднородную продольную деформацию, при которой смещение точек стержня относительно их равновесных положений будет описываться функцией x (х, 0) (функция обычно носит название ‑ возмущение). Надо определить, как будет вести себя изначально созданное в стержне возмущение со временем, т.е. определить вид функции x(x, t).
Для этого рассмотрим малый элемент стержня длиной х и массой m, заключенный между поперечными сечениями стержня с координатами х и х + х (рис.42).
С
огласно второму закону Ньютона
где
ц.м. - смещение от равновесного положения центра масс выделенного элемента:
- ускорение центра масс элемента. F(x + x) и F(x) - проекции на ось х сил, действующих на данный элемент со стороны частиц, расположенных справа и слева от него
где
- плотность стержня.
Так как среда упругая, то справедлив закон Гука
,
откуда F = S, где =E
(В дифференциальной форме
= E
- см. ранее). Поэтому Fx (x + x; t) - Fx (x, t) = S[ (x + x, t) - (x, t)] =
масса элемента m = S x , где - плотность стержня. И тогда второй закон Ньютона для рассматриваемого элемента стержня после деления левой и правой части на S будет иметь вид:
Разделив обе части этого уравнения на х и при х 0 (при этом
) получим
Вспомним (см. ранее), что
в случае предельных небольших возмущений в упругом стержне равно квадрату скорости возмущения c2, поэтому
- это уравнение и описывает распространение возмущений по стержню. Его называют уравнением плоской волны, а возмущение
- волной, распространяющейся вдоль оси х.
Решение этого одномерного уравнения будет иметь вид
±
, где знак "минус" для волны, распространяющейся вдоль положительного направления х, знак "плюс" - для противоположного направления распространения. Функция
может быть любой непрерывной функцией своего аргумента, она определяет форму волны, распространяющейся без искажения с постоянной скоростью с.
В частности, решением данного уравнения является синусоидальная волна вида (x, t) = A sin (t - kx), где - круговая частоты волны, равная 2/Т, где Т - период волны, k - волновое число, которое определяется как k =
, где - величина, называемая длиной волны.
Длиной волны называется путь, который проходит возмущение за время, равное периоду Т: = сТ.
При выводе уравнения волны (см. ранее) мы видели, что для создания волны необходимо задание исходного возмущения в начальный момент времени.
Пусть размеры источника исходного возмущения много меньше длины порождаемой им волны. Некоторое возмущение, имеющее определенное значение фазы, распространяется от источника по всем направлениям, занимая в пространстве некоторую поверхность. Эта перемещающаяся со скоростью волны поверхность, во всех точках которой возмущение имеет одно и то же постоянное значение фазы, называется фронтом волны. Положение фронта волны в какой-либо фиксированный момент времени называется волновой поверхностью. Во всех точках волновой поверхности возмущения совершают синфазные движения. По форме фронта волны классифицируются на сферические, плоские и т.п. Волна, у которой фронт плоский, называется плоской. Плоская волна, распространяющаяся вдоль какой-либо оси (например, вдоль оси Х) описывается той же формулой, что и одномерная волна, распространяющаяся вдоль оси Х, т.е.
















