Проектирование привода цепного пластинчатого конвейера (1093755), страница 2
Текст из файла (страница 2)
-
Проверочный расчет
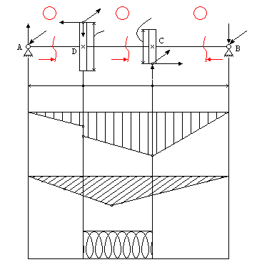
Определение опорных реакций
Определяем опорные реакции в вертикальной плоскости.
Найдем сумму моментов сил относительно точки А:
Найдем сумму моментов сил относительно точки В:
Проверка:
Определяем опорные реакции в горизонтальной плоскости:
Найдем сумму моментов сил относительно точки А:
Найдем сумму моментов сил относительно точки В:
Проверка:
Построение эпюр
Строим эпюру изгибающего момента в вертикальной плоскости:
н∙мм.
Строим эпюру изгибающего момента в горизонтальной плоскости:
Определение опасного сечения
Определяем суммарные изгибающие моменты в точках А и С:
следовательно опасным является сечение в точке С.
Проверка опасного сечения на статическую прочность
Должно выполнятся следующее условие:
где
, согласно [1; 165; табл.10.2] для стали 45
МПа, следовательно
Определяем напряжения изгиба и кручения в опасном сечении:
где
мм – диаметр вала в сечении,
Определяем эквивалентное напряжение в опасном сечении:
Проверка опасного сечения по запасу сопротивления усталости
Должно выполнятся следующее условие:
где
- коэффициент запаса усталости, определяется по следующее формуле:
согласно [3; 299],
где
,
согласно [3; 299].
,
- амплитуды переменных составляющих циклов напряжений;
,
- постоянные составляющие циклов напряжений.
При расчете валов, согласно [3; 300], принимаем:
,
- коэффициенты, корректирующие влияние постоянной составляющей цикла напряжений на сопротивление усталости и зависящие от механических характеристик стали.
Для среднеуглеродистой стали, согласно [3; 300]:
,
- пределы выносливости при изгибе и кручении соответственно.
Согласно [3; 300]:
Для стали 45
МПа, следовательно
,
- масштабный фактор и фактор шероховатости поверхности.
Согласно [3; 301; рис.15.5] для
мм
.
,
- эффективные коэффициенты концентрации напряжений при изгибе и кручении соответственно (из двух концентраторов напряжений выбирают тот, для которого коэффициенты больше).
Согласно [3; 300; табл.15.1]:
4.2.Расчет промежуточного вала
-
Проектировочный расчет
Промежуточный вал не имеет концевых участков и подшипники выбирают те же, что и на быстроходном валу, следовательно
Согласно [8]:
-
Проверочный расчет
Определение опорных реакций
Определяем опорные реакции в вертикальной плоскости.
Найдем сумму моментов сил относительно точки А:
Найдем сумму моментов сил относительно точки В:
Проверка:
Определяем опорные реакции в горизонтальной плоскости.
Найдем сумму моментов сил относительно точки А:
Найдем сумму моментов сил относительно точки В:
Проверка:
Построение эпюр
Строим эпюру изгибающего момента в вертикальной плоскости:
Строим эпюру изгибающего момента в горизонтальной плоскости:
Определение опасного сечения
Определяем суммарные изгибающие моменты в точках С и D:
следовательно опасным является сечение в точке D.
Проверка опасного сечения на статическую прочность
Должно выполнятся следующее условие:
Определяем напряжения изгиба и кручения в опасном сечении:
где
мм – диаметр вала в сечении,
Определяем эквивалентное напряжение в опасном сечении:
Проверка опасного сечения по запасу сопротивления усталости
Должно выполнятся следующее условие:
Определяем коэффициент запаса усталости:
,
,
4.3.Расчет тихоходного вала
-
Проектировочный расчет
Рассчитаем средний диаметр хвостовика:
согласно [1; 431; табл.24.27] принимаем ближайшее
. Для выбранного хвостовика:
Согласно [2; т.2; 117; табл.96] выбираем подшипники шариковые радиальные однорядные средней серии:
| Обозначение подшипника | Шарики | Грузоподъемность | ||||||
| 310 | 50 | 110 | 27 | 3,0 | 19,05 | 8 | 4850 | 3630 |
Высоту заплечиков
выбираем по фаске
согласно [1; 114]:
Согласно [8]:
Проверочный расчет
Определение опорных реакций
Определяем опорные реакции в вертикальной плоскости.
Найдем сумму моментов сил относительно точки А:
отсюда
Найдем сумму моментов сил относительно точки В:
Проверка:
Определяем опорные реакции в горизонтальной плоскости.
Найдем сумму моментов сил относительно точки А:
Найдем сумму моментов сил относительно точки В:
Проверка:
Построение эпюр
Строим эпюру изгибающего момента в вертикальной плоскости:
Строим эпюру изгибающего момента в горизонтальной плоскости:
I
















