Изучение работы тарельчатой ректификационной (1093607)
Текст из файла
ИЗУЧЕНИЕ РАБОТЫ ТАРЕЛЬЧАТОЙ РЕКТИФИКАЦИОННОЙ
УСТАНОВКИ
1. ВВЕДЕНИЕ
Ректификацией называется процесс разделения жидких смесей на составляющие вещества или группы веществ в результате взаимодействия паровой и жидкой фаз.
Возможность разделения жидкой смеси на составляющие ее компоненты ректификацией обусловлена тем, что состав пара, образующегося над жидкой смесью, отличается от состава жидкой смеси в условиях равновесного состояния фаз.
В процессе ректификации паровая фаза, многократно взаимодействуя с жидкой фазой, обогащается компонентами (или компонентом) смеси, концентрация которых в паровой фазе превышает концентрацию их в жидкой фазе при равновесном состоянии фаз. Эти компоненты (компонент) называются легколетучими компонентами смеси. В процессе многократного взаимодействия жидкая фаза обогащается тяжелолетучими компонентами и обедняется легколетучими.
Взаимодействие паровой и жидкой фаз происходит за время, значительно меньшее времени установления равновесия в системе жидкость-пар, следовательно, на ступенях контакта фаз не достигают равновесного состояния фаз и равновесных концентраций компонентов в паровой и жидкой фазах. Степень отклонения системы от равновесия является движущей силой процесса, выражаемой как разность равновесных и рабочих концентраций компонентов в паровой или жидкой фазах.
Рабочие концентрации компонентов в фазах на ступени взаимодействия фаз определяются потоками компонентов из фазы в фазу (легколетучих - из жидкой в паровую, тяжелолетучих - из паровой в жидкую). Поток переносимого компонента является функцией кинетического коэффициента, движущей силы и поверхности контакта фаз. Кинетический коэффициент, в свою очередь, определяется гидродинамической обстановкой на ступени взаимодействия фаз и их диффузионными свойствами.
Для развития поверхности контакта фаз используют контактные устройства, на которых реализуют различные способы взаимодействия фаз. Наибольшее распространение в настоящее время получили тарельчатые ректификационные колонны, контактные устройства которых выполнены в виде ряда горизонтальных перегородок (тарелок), расположенных по высоте ректификационной колонны. Жидкая фаза последовательно, сверху вниз, перетекает с тарелки на тарелку, а паровая фаза, двигаясь вверх, взаимодействует на каждой тарелке с жидкой фазой.
По сравнению с другой колонной ректификационной аппаратурой тарельчатые колонны имеют ряд преимуществ:
1. Широкий рабочий диапазон нагрузок по жидкой и паровой фазам.
2. Значительная поверхность контакта фаз.
3. Эффективная гидродинамическая обстановка на ступенях контакта.
4. Сравнительно невысокий перепад давления на одной тарелке.
5. Низкая удельная стоимость единицы объема аппарата.
2. ЦЕЛЬ ЛАБОРАТОРНОЙ РАБОТЫ
Целью настоящей лабораторной работы является ознакомление с работой ректификационной установки в режиме R = ∞, экспериментальное определение распределения профиля температур и концентраций компонента разделяемой бинарной смеси по высоте (по тарелкам) ректификационной колонны, построение кинетической линии и определение коэффициента массопередачи.
3. ОПИСАНИЕ РЕКТИФИКАЦИОННОЙ УСТАНОВКИ И РЕЖИМОВ ЕЕ РАБОТЫ
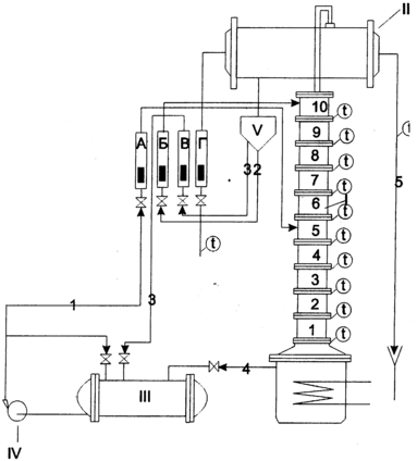
Схема лабораторной ректификационной установки приведена на рис. 3.1. Установка состоит из тарельчатой ректификационной колонны I, дефлегматора II, емкости III, центробежного
лопастного насоса подачи исходной смеси IV и сборника дистиллята V.
Рис. 3.1. Схема экспериментальной установки
Ректификационная колонна с внутренним Диаметром 170 мм состоит из куба емкостью 200 л с электрическим подогревом, десяти царг, во фланцевых соединениях которых смонтировано 10 ситчатых тарелок (1, 2, 3, ... 10), которые имеют отверстия диаметром 2 мм; доля поперечного сечения колонны, за вычетом приемного и сливного карманов (площадь барботажа) составляет 93%, доля площади барботажа, занятой отверстиями -9%. Площадь барботажа тарелки Fб=0,0167 м2, высота сливной перегородки 20 мм. На все тарелки введены термопары для замера температуры жидкой фазы t.
Дефлегматор является одноходовым кожухотрубным теплообменником с поверхностью теплообмена 5,65 м2, с двумя трубными досками, в которых закреплено 109 труб (14х2,5 мм) длиной 1055 мм. В межтрубное пространство дефлегматора для конденсации подается из колонны паровая фаза. Тепло конденсации паровой фазы отводится охлаждающей водой, движущейся в трубах дефлегматора. Предусмотрен замер температур воды на входе и выходе из дефлегматора.
Назначение трубопроводов:
1 - подача исходной смеси на 5-ю тарелку колонны с определением расхода по ротаметру А;
2 - подача флегмы на 10-ю тарелку колонны с определением расхода по ротаметру Б;
3 - подача дистиллята в емкость исходной смеси с определением расхода по ротаметру В;
4 - подача кубового остатка в емкость исходной смеси (при повышении уровня в кубе);
5 - подача охлаждающей воды в дефлегматор с определением расхода по ротаметру Г.
Численные расходы соответствующих потоков находят по тарировочным графикам ротаметров А, Б, В, Г.
Пусковой режим осуществляют в следующей последовательности. Включают подачу охлаждающей воды в дефлегматор, отключают линию подачи дистиллята 3 и линию подачи кубового остатка 4 и емкость III. Включают подогрев куба колонны, в котором находится заранее загруженная жидкая смесь двух компонентов. После подогрева жидкости в кубе до температуры кипения начинается процесс интенсивного парообразования. Образующаяся паровая фаза проходит последовательно через все тарелки колонны, попадает в дефлегматор, где конденсируется. Дистиллят из дефлегматора направляют в сборник дистиллята V и затем по трубопроводу 2 через ротаметр В вводят на верхнюю десятую тарелку колонны. Жидкая фаза стекает с десятой тарелки вниз, проходя последовательно все тарелки колонны и взаимодействуя с паровой фазой.
Постоянство профиля температур жидкой фазы по высоте колонны во времени свидетельствует о постоянстве профиля концентраций. Последнее означает, что колонна вышла на режим полного орошения (R = ∞), т.е. работает без отбора дистиллята (смеси, обогащенной легколетучим компонентом смеси) и кубового остатка (смеси, обогащенной тяжелолетучим компонентом). Для этого режима (R = ∞) характерно равенство массовых расходов паровой и жидкой фаз. Режим полного орошения (R =∞) используют на промышленных установках в процессе пуска колонны и для обследования работы колонны (определения профиля температур и концентраций по высоте
колонны).
В данной лабораторной работе для экспериментального определения профиля температур и концентраций по высоте колонны используется режим R = ∞. При этом колонна работает как обогащающая часть промышленной ректификационной колонны.
На ректификационной установке может быть реализован рабочий режим, соответствующий рабочим режимам промышленных ректификационных колонн при конечном значении флегмового числа. К этому режиму установка может перейти после работы на режиме полного орошения. Осуществляется рабочий режим при конечном флегмовом числе следующим образом. При работе установки в режиме полного орошения (R = ∞) открывают вентиль отбора дистиллята (линия 3) в емкость III. В этом случае флегмовое число не равно оо, так как есть отбор дистиллята и подача флегмы на десятую тарелку (флегмовое число - отношение массового расхода флегмы к массовому расходу дистиллята). Одновременно открывают вентиль на линии 4 отбора кубового остатка в емкость III. В емкости III при смешении дистиллята и кубового остатка образуется исходная смесь, которая насосом IV подается на 5-ю тарелку колонны. Таким образом, колонна работает с непрерывной подачей исходной смеси, отбором дистиллята и кубового остатка. В этом режиме тарелка 5 делит ректификационную колонну на 2 части: верхнюю - обогащающую и нижнюю - исчерпывающую.
4. ИЗОБРАЖЕНИЕ ИЗМЕНЕНИЯ КОНЦЕНТРАЦИЙ НА ТАРЕЛКЕ В ДИАГРАММЕ Y-X. КИНЕТИЧЕСКАЯ ЛИНИЯ ПРОЦЕССА. КОЭФФИЦИЕНТ МАССОПЕРЕДАЧИ
Выделим одну тарелку ректификационной колонны (см. рис. 3.2). На этой тарелке, с организованным сливом жидкости, паровая фаза барботирует через отверстия тарелки в жидкую фазу с изменением концентрации компонента от ун до ук.
Рис. 3.2. Расчетная схема сетчатой тарелки ректификационной колонны
В свою очередь, жидкая фаза в процессе массообмена изменяет концентрацию от хн до хк Если компонент является легколетучим, то ун < ук, а хк < хн. Принимают, что паровая фаза идеально вытесняется, а концентрация легколетучего компонента в ней монотонно увеличивается от ун до ук. На тарелках промышленных размеров существует градиент концентраций компонента в жидкой фазе вдоль пути ее движения от приемного кармана к сливному (кривая 1, рис. 3.2). Однако в целях упрощения расчета принимают, что жидкая фаза идеально перемешана на тарелке, концентрация легколетучего компонента скачком меняется на входе от хн до хк и на всем пути Lж движения жидкости хк не меняется (линия 2, рис. 3.2).
При взаимодействии фазы на тарелке не достигают равновесное состояние. Изменение концентраций фаз на тарелке может быть представлено графически для бинарной смеси (ступень "Т", рис. 3.3). Соответственно изменение концентраций на верхней тарелке выразится как ступень "В", а нижней - "Н". Кривая, соединяющая точки В, В' В" называется кинетической линией процесса, показывает степень недостижения равновесия и отвечает уравнению связи ук и хк для каждой тарелки. На рис. 3.3 нанесены также линии связи равновесных концентраций у = f(x) и рабочая у = Ax + В, отвечающая условию материального баланса и связывающая на любой тарелке ун и хк.
Рис. 3.3. К расчету концентраций фаз на тарелке ректификационной колонны
Рис. 3.4. Зависимость температуры кипения смеси от концентрации в ней легкокипящего компонента
При R = ∞ для обогащающей части ректификационной колонны мольный расход паровой фазы G (кг-моль)/ч равен мольному расходу жидкой фазы L (кгмоль)/ч. Из уравнения материального баланса тарелки Т (рис. 3.2)
(ук-ун)=(хн-хк), (3.1)
следует равенство (3.1), которое действительно в случае, когда рабочая линия у = Ax + В лежит на диагонали квадрата диаграммы Y-X. Таким образом в режиме R = ∞ ун = хк, а ук = хн.
Положение кинетической линии процесса ректификации определяется кинетическим коэффициентом процесса - коэффициентом массопередачи ку (кх).
Характеристики
Тип файла документ
Документы такого типа открываются такими программами, как Microsoft Office Word на компьютерах Windows, Apple Pages на компьютерах Mac, Open Office - бесплатная альтернатива на различных платформах, в том числе Linux. Наиболее простым и современным решением будут Google документы, так как открываются онлайн без скачивания прямо в браузере на любой платформе. Существуют российские качественные аналоги, например от Яндекса.
Будьте внимательны на мобильных устройствах, так как там используются упрощённый функционал даже в официальном приложении от Microsoft, поэтому для просмотра скачивайте PDF-версию. А если нужно редактировать файл, то используйте оригинальный файл.
Файлы такого типа обычно разбиты на страницы, а текст может быть форматированным (жирный, курсив, выбор шрифта, таблицы и т.п.), а также в него можно добавлять изображения. Формат идеально подходит для рефератов, докладов и РПЗ курсовых проектов, которые необходимо распечатать. Кстати перед печатью также сохраняйте файл в PDF, так как принтер может начудить со шрифтами.
















