Диплом (1089200), страница 6
Текст из файла (страница 6)
Для формирования топологического рисунка с субмикронными размерами элементов диаметр электронного пятна на поверхности резиста должен составлять 0,01 - 0,05 [мкм]. Далее, чтобы экспонирование резиста проходило без чрезмерных затрат времени, плотность тока в этом пятне должна быть порядка 10 - 100 [А/см2]. Большинство термоэмиссионных источников электронов может обеспечить плотность тока порядка нескольких ампер на квадратный сантиметр (при приемлемом сроке службы) при диаметре катода 10 - 100 [мкм]. Диаметр электронного луча, следовательно, нобходимо уменьшить с помощью системы электронных линз примерно в 104 раз. Кроме того, с помощью отклоняющей системы надо очень точно направлять сфокусированный луч в любую точку на поле сканирования по сигналам генератора топологического рисунка, управляющего работой установки. Электронно-лучевые установки были разработаны на основе сканирующих электронных микроскопов, которые получили широкое распространение в научных исследованиях с начала 60-х годов. Действительно, многие ЭЛУ, эксплуатирующиеся в настоящее время, представляют собой сканирующие электронные микроскопы, приспособленные для формирования топологического рисунка, В последние годы, однако, разрабатываются установки, предназначенные специально для ЭЛЛ, прн этом основное внимание уделяется повышению их производительности.
Рис. №13:
Схема установки электронной литографии.
Для изготовления затвором методом электронной литографии необходима следующая последовательность:
-
Изготовление комплекта шаблонов.
В комплекте шаблонов в слое Ом-контакт предусматривается формирование маркерных знаков для будущего совмещения Ом-контакта с прямым электронным экспонированием на пластину. Существуют два вида знаков:
-
грубое совмещение (служат для ориентировки пластины);
-
знаки тонкого совмещения (для совмещения индивидуального модуля/чипа).
Также оговариваются конфигурации знаков:
-
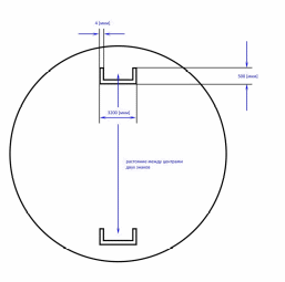
Первая конфигурация (рисунок № 13) – два прямоугольника размещенных по центру осей ох и оу с известным расстоянием между центрами;
Рис. №14:
Первая конфигурация.
-
Вторая конфигурация (рисунок № 14) – знаки из тяжелых металлов (Au, Ti). Два когтя.
Рис. №15:
Вторая конфигурация.
-
Подготовка данных для экспонирования.
Данные готовятся в различных графических редакторах, с дальнейшим переводом в код, понятный для машины.
Изначально данные готовятся для одного чипа/модуля. После этого чип/модуль «раскидывается» на пластину.
-
Ввод данных (рисунок № 15, рисунок № 16).
Рис. №16:
Данные о плане на пластину.
Рис. №17:
Данные о плане экспонирования «этажей».
-
Ввод координат маркерных знаков грубого совмещения.
-
Предварительная юстировка электронной оптики (в программе управления установкой - команда «JUSEI»).
Проводится на боковой оптике, которая встроена в специальный боковой объект для юстировки.
В авто юстировку входят следующие типы настроек:
-
авто центрирование электронного луча;
-
авто фокусировка по полю;
-
измерение величины тока луча;
-
авто фокусировка линз;
-
поиск маркерных знаков;
-
авто позиционирование по знакам.
-
Экспонирование (в программе управления установкой - команда «ARANGE»).
Каждые 20 минут во время экспонирования установка проходит цикл авто настройки.
-
Технология изготовления полевых транзисторов GaN.
При выборе конструкции транзистора, предполагая недостаточно высокое качество гетероэпитаксиальных структур AlGaN/GaN/сапфир, мы остановились на линейной конструкции затвора, удобной для отработки технологии изготовления. Были выбраны ширины затворов W=500 мкм, что давало возможность проследить за однородностью гетероструктур и провести оценку их качества и пригодности для изготовления транзисторов с большой шириной канала (W=l,l,5 мм и более). Кроме этого, появляется возможность проследить за такими важными параметрами транзистора, как плотность выходной мощности Руд.вых и общая выходная мощность в зависимости от ширины затвора.
Технологический маршрут изготовления транзисторов включает следующие технологические операции:
-
Отмывка пластин в кипящем диметилформамиде, с последующей обработкой в парах изопропилового спирта.
-
Сушка сжатым воздухом.
-
Напыление плёнки ванадия толщиной 0,1мкм, на обратную сторону пластины, для повышения качества контактной фотолитографии, проводимой на лицевой стороне пластины.
-
Фотолитография-I для формирования «меза» -структуры. В процессе используется фоторезист AZ4533 , установка фотолитографии 5026М.
-
Сушка фоторезиста при температуре 96°-30мин. и его задубливание при температуре 120°-30мин.
-
Травление слоев на глубину 0,06-0,13 мкм для получения «меза»-изо-ляции активных структур. Установка ионно-химического травления.
-
Контроль пробивного напряжения межструктурной изоляции, пробивное напряжение должно быть не менее 200В.
-
Удаление фоторезиста в диметилформамиде.
-
Фотолитография-II для формирования контактов «исток-сток» с использованием двухслойной системы электронных резистов ЭЛП-9/ЭРП-1 с экспонированием на установке 5026-м с длиной волны УФ 220-250нм.
-
Напыление системы металлизации для создания омических контактов Ti-150Ǻ/Al-500Ǻ/Pt-200Ǻ на установке катодного и магнетронного распыления металлов.
-
«Взрывное» удаление металлов в диметилформамиде с использованием ультразвуковой ванны.
-
Отжиг омических контактов в печи в атмосфере азота при температуре 700°С в течении 5 минут.
-
Контроль сопротивления омических контактов на приборе для наблюдения характеристик транзистора ПНХТ-2.
-
Фотолитография «Исток-сток (выход на необходимую толщину) – Ti-Au 0.06 мкм, 0.2 Au мкм»
-
«Взрывное» удаление металлов в диметилформамиде с использованием ультразвуковой ванны.
-
Нанесение резиста ЭРП-1 тольщиной 0.4 мкм.
-
Сушка 170 оС 30 мин.
-
Напыление Al 100А для снятия заряда.
-
Формирование затвора электронным лучем. Доза 12000 (плотность тока на время).
-
Удаление Al в KOH 1,3%
-
Проявление резиста метилэтилкетон + изопропиловый спирт 1:1 с промывкой в изопропиловом спирте.
-
Напыление Ni-Au (0,06-0,2 мкм).
-
«Взрывное» удаление металлов в подогретом диметилформамиде с использованием ультразвуковой ванны.
-
Контроль ВАХ на ПНХТ-2.
-
Контроль ВАХ ранзисторов.
-
Нанесение фоторезиста AZ4533 для защиты транзисторных структур.
-
Утоньшение подложки шлифовкой, до толщины 150 мкм. с последующей полировкой.
-
Разделение пластины на кристаллы методом лазерного управляемого термического растрескивания.
-
Удаление фоторезиста в диметилформамиде.
-
Разбраковка транзисторов по ВАХ на ПНХТ.
-
Сборка в корпус, термокомпрессия золотой проволокой диаметром 15 мкм.
-
Измерение СВЧ характеристик транзисторов.
Рис. №18:
Исходная гетероэпитаксиальная структура.
Рис. №19:
Фотолитография – формирование меза структуры.
Рис. №20:
Ионно-химическое травление.
Рис. №21:
Фотолитография – формирование стока и истока.
Рис. №22:
Напыление системы металлизации омических контактов.
Рис. №23:
«Взрывное» удаление системы металлизации стока и истока.
Рис. №24:
Фотолитография – формирование маркерных знаков для установки ЭЛ.
Рис. №25:
Напыление системы металлизации маркерных знаков.
Рис. №26:
Взрывное удаление системы металлизации маркерных знаков.
Рис. №27:
Нанесение фоторезиста с высокой чувствительностью «ЭЛП - 9».
Рис. №28:
Нанесение фоторезиста «ЭРП - 1».
Рис. №29:
Электронная литография.
Рис. №30:
Напыление барьера Шоттки.
Рис. №31:
Взрывное удаление металла.
Разделение пластин на кристаллы:
Одним из немногих отличий в технологии изготовления СВЧ-транзисторов на AlGaN/GaN/сапфир от подобной ей на основе GaAs является разделение пластины с готовыми транзисторными структурами на кристаллы.
В случае структуры AlGaN/GaN/сапфир эта операция представляет весьма трудную задачу из-за высокой прочности сапфира. Разделение пластин с изготовленными транзисторными структурами на кристаллы проводилось после шлифовки, с последующей полировкой пластин исходной толщины 420 мкм до толщин 150 и 200 мкм. Проверялись два метода разрезания пластин Аl2 О3 ;
-
Pезка ультрафиолетовым лазером.
Процесс проводился на предприятии ЗАО «Светлана-Оптоэлектроника» г. С.-Петербург. Разрезание пластины на кристаллы происходило в результате удаления частиц пластины под воздействием лазерного луча. Внешний вид кромки кристалла транзистора и его боковой грани представлены на рисунках 31, 32. Кромка имеет сколы боковая грань - очень неровную поверхность. Процесс сопровождается сильными ударными воздействиями, вследствие которых возможно ухудшение параметров транзисторов.
Рис. №32:
Кромка кристалла.
Рис. №33:
Боковая грань кристалла.
-
Разделение пластины методом управляемого лазерного термораскалывания.
Процесс проводился в МГАПИ (г. Москва). Нагрев поверхности пластины лучом инфракрасного лазера с последующим охлаждением жидкостью приводит к раскалыванию пластины по линии перемещения лазерного луча. Внешний вид кромки и боковой грани кристалла транзистора представлены на рисунках 33, 34. Кромка практически не имеет сколов, а боковые грани имеют зеркальнную поверхность. Процесс резки более «мягкий» по своему воздействию на активную область транзистора и выглядит предпочтительнее.
Рис. №34:
Кромка кристалла, полученная методом лазерного термораскаливания.
Рис. №35:
Боковая грань кристалла, полученная методом лазерного термораскаливания.
-
Экспериментальное исследование параметров и характеристик полевых транзисторов на основе GaN.
-
Прибор для наблюдения характеристик транзисторов.
-
Статические характеристики тестовых структур и полевого транзистора измерялись с помощью прибора ПНХТ-2(Л2-56). Он предназначен для наблюдения на экране электроннолучевой трубки (ЭЛТ) вольтамперных характеристик (ВАХ) двухэлектродных приборов, а также входных, выходных и передаточных характеристик трехэлектродных приборов. Высокая точность элементов, стабилизация источников питания и схемные решения узлов (прежде всего усилителей со стабильным коэффициентом усиления) обеспечивают высокие метрологические характеристики измерителя. Что позволяет производить считывание значений токов, напряжений и других параметров с экрана. Прибор ориентирован на измерения характеристик биполярных транзисторов (названия узлов и обозначений органов управления), поэтому при исследованиях характеристик других приборов (полевого транзистора) надо иметь в виду соответствие названий электродов прибора и клемм, которым они подключаются. Упрощенная электрическая схема прибора изображена на рисунке 36.
















