Автоматизация шлифовального процесса путем разработки автоматической системы управления преднатягом (1089122), страница 8
Текст из файла (страница 8)
После указанных преобразований получают систему дифференциальных уравнений шестого порядка с постоянными коэффициентами, что значительно упрощает описание АД и делает возможным использование этой системы для исследования электромеханических процессов, протекающих в АД. Дальнейшее преобразование полученной системы уравнений сводится к переводу векторов, входящих в уравнение, в различные системы координат (в зависимости от цели решаемой задачи).
При математическом описании АД принят ряд допущений, соответствующих идеализированному представлению АД:
-
фазные обмотки симметричны, одинаковы, воздушный зазор по все окружности ротора одинаков;
-
не учитываются потери в стали, а также высшие гармоники магнитодвижущей силы и рабочего потока;
-
параметры АД постоянны и не зависят от токов в обмотках АД;
Цель проекта сводится к разработке автоматической системы регулирования частоты тока, поступающего на обмотки статора асинхронного электропривода и напряжения питания на базе автономного мостового инвертора тока с трехфазным одно-обмоточным двигателем. При этом автоматическое изменение электрических параметров регулирует механические силы, действующие на привод.
3.3Анализ существующих средств автоматизации
Известные в настоящее время технические устройства для частотного управления асинхронным электроприводом в полной мере не отвечают требованиям, предъявляемым к мощному высоковольтному электроприводу и им присущи следующие недостатки:
-
ограниченная низкоскоростными электроприводами область применения, необходимость изготовления специальной машины или переделка серийной, применение специальных устройств для механического сочленения валов, невозможность применения в запыленных и агрессивных средах, что обусловлено наличием датчиков на валу и внутри машины;
-
высокая сложность технической реализации, обусловленная наличием сложных технических устройств: координатного преобразования, векторных фильтров, фазовращателей, функциональных преобразователей, блоков коррекции мгновенного значения частоты;
-
наличие большого числа датчиков, осуществляющих высоковольтную гальваническую развязку;
-
невысокая надежность, что обусловлено наличием датчиков на валу и внутри машины, высокой сложностью технической реализации блоков АСР, датчиков, осуществляющих высоковольтную гальваническую развязку.
3.4Обоснование системы автоматического управления
При частотном управлении асинхронными двигателями наиболее часто используются следующие законы: поддержание постоянства потокосцепления статора (Y1=const), поддержание постоянства главного потока машины (Y0=const), поддержание постоянства потокосцепления ротора (Y2=const), и регулирование величины потокосцепления в зависимости от величины нагрузочного момента (Y1, Y0, Y2) =f(M)).
Первый закон реализуется при поддержании постоянного отношения ЭДС статора к угловой частоте поля. Основным недостатком такого закона является пониженная перегрузочная способность двигателя при работе на высоких частотах, что обусловлено увеличением индуктивного сопротивления статора и, следовательно, снижением потокосцепления в воздушном зазоре между статором и ротором при увеличении нагрузки.
Поддержание постоянства главного потока повышает перегрузочную способность двигателя, но усложняет аппаратную реализацию системы управления и требует либо изменений конструкции машины, либо наличия специальных датчиков.
При поддержании постоянного потокосцепления ротора, момент двигателя не имеет максимума, однако при увеличении нагрузки увеличивается главный магнитный поток, приводящий к насыщению магнитных цепей и, следовательно, к невозможности поддержания постоянства потокосцепления ротора.
Общим недостатком законов с поддержанием постоянства потокосцепления являются: низкая надежность, обусловленная наличием датчиков, встраиваемых в двигатель, и потери в стали при работе двигателя с нагрузочным моментом меньше номинального. Эти потери вызваны необходимостью поддержания постоянного номинального потокосцепления в различных режимах работы.
Существенно повысить КПД двигателя можно путем регулирования магнитного потока статора (ротора) в зависимости от величины нагрузочного момента (скольжения). Недостатками такого управления являются низкие динамические характеристики привода, обусловленные большой величиной постоянной времени ротора, из-за чего магнитный поток машины восстанавливается с некоторой задержкой и сложность технической реализации системы управления.
В то же время существует ряд приводов таких механизмов как насосы, компрессоры, конвейеры и т. д., которые занимают промежуточное положение между динамичными и низко динамичными, и для которых существующие системы не в полной мере удовлетворяют предъявляемым к этим приводам требованиям. Высоко динамичные привода имеют сложную систему управления и повышенные энергетические потери при недогрузе двигателей, а низко динамичные привода не всегда способны отработать быстрые изменения статического момента.
Как уже было отмечено, высокими энергетическими характеристиками обладают системы с регулированием магнитного потока в функции нагрузки. Увеличить их динамические характеристики можно путем форсировки статорного напряжения (тока) во время переходных процессов и частых формирований управляющих воздействий. Получить высокую надежность можно за счет применения упрощенной системы регулирования, отказа от встроенных в двигатель и механически связанных с ротором датчиков.
3.5Схема включения, статические характеристики и режимы работы асинхронного двигателя
Трехфазный АД имеет обмотку статора, подключаемую к трехфазной сети переменного тока с напряжением U и частотой f, и обмотку ротора, которая может быть выполнена по двум вариантам (рис.3.1).
Рис.3.1 . Схемы включения АД с фазным ротором (а)
и с короткозамкнутым ротором (б)
Первый вариант предусматривает выполнение обычной трехфазной обмотки из проводников с выводами на три контактных кольца. Такая конструкция соответствует АД с фазным ротором и позволяет включать в роторную цепь различные электротехнические элементы, например резисторы для регулирования скорости, тока и. момента ЭП, и создавать с той же целью . Специальные схемы включения АД. Другой вид обмотки получают заливкой алюминия в пазы ротора, в результате чего образуется конструкция, известная под названием “беличья клетка”. Схема АД с такой обмоткой, не имеющей выводов и получившей название короткозамкнутой.
3.5.1Регулирование параметров электропривода с асинхронным двигателем изменением напряжения
Изменение величины напряжения, подводимого к статору АД, позволяет осуществлять в статических и динамических режимах регулирование его мощности с помощью относительно простых схем управления.
Д
ля регулирования координат короткозамкнутого АД между сетью переменного тока со стандартным напряжением U 1ном и статором (рис.2 , а) двигателя 2 включен регулятор I напряжения, выходное напряжение которого U 1рег изменяется с помощью внешнего сигнала управления U. Изменяя величину этого сигнала, можно регулировать напряжение на статоре двигателя U 1рег в пределах от величины сетевого напряжения U 1ном и практически до нуля. При, этом частота напряжения на двигателе не изменяется и равна стандартной (50 Гц).
Рис.3.2 Схема регулирования координат АД изменением напряжения на статоре (а) и механические характеристики(б)
Регулирование напряжения на статоре не приводит к изменению скорости холостого хода w0=2f1 /p и не влияет на критическое скольжение sk, но существенно изменяет величину критического (максимального) момента Mk. Как следует из схемы, снижение напряжения приводит к резкому уменьшению Мк, пропорционально квадрату напряжения.
В результате при U 1рег =var искусственные характеристики (рис.3.2,б) оказываются малопригодными для целей регулирования скорости, так как по мере уменьшения напряжения резко снижаются критический момент АД и тем самым его перегрузочная способность, а диапазон регулирования скорости очень мал. Характеристики 3—6 построены при напряжениях 1;0,8; 0,6 и 0,4 от U 1ном.
Д
ля регулирования напряжения на статоре АД могут использоваться различные электротехнические устройства—автотрансформаторы, магнитные усилители и тиристорные регуляторы напряжения (ТРН). Последние получили в настоящее время наибольшее распространение из-за высокого КПД, простоты в обслуживании, легкости автоматизации работы ЭП. Рассмотрим принцип действия ТРН и основанную на его использовании систему ЭП “тиристорный регулятор напряжения — асинхронный двигатель” (ТРН — АД).
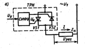
Рис. 3.3. Схема (а) я кривые напряжения (б) однофазного ТРН
На рис. 3.3, а показана схема регулирования напряжения на однофазной нагрузке переменного тока Zy. Силовая часть однофазного ТРН образована двумя тиристорами VS1 и VS2, включенными по встречно-параллельной схеме, которая обеспечивает протекание тока в нагрузке в оба полу периода напряжения сети U1. Тиристоры получают импульсы управления U, от СИФУ, которая обеспечивает их сдвиг на угол управления в функции внешнего сигнала управления Uy.
Осуществляя подачу импульсов управления на тиристоры с некоторой задержкой относительно предельного режима (угол управления О), то к нагрузке будет прикладываться часть напряжения сети (рис. 3.3,6). Изменяя угол управления а от нуля до , можно регулировать напряжение на нагрузке от полного напряжения сети до нуля. На основе однофазной схемы создаются трехфазное схемы для регулирования напряжения на статоре АД. Такая схема, состоящая из шести тиристоров VS1 — VS6, доказана на рис. 3.4
Рис.3.4 Схема трехфазного тиристорного регулятора-напряжения
Форма напряжения на нагрузке является несинусоидальной. Несинусоидальное напряжение можно представить как совокупность нескольких синусоидальных напряжений—гармоник, каждая из которых изменяется с определенной частотой. Частота изменения первой из них (основной гармоники) равна частоте питающего напряжения, а частота других гармоник больше, чем первой. Обычно 1-я гармоника имеет наибольшую амплитуду, и по ней ведутся все основные расчеты.
3.5.2Регулирование скорости асинхронного двигателя изменением частоты
Данный способ, называемый частотным, является одним из наиболее перспективных, и широко внедряется в настоящее время. Принцип его заключается в том, что, изменяя частоту fi питающего АД напряжения, можно в соответствии с выражением 0 == 2f1/p изменять его скорость 0 получая различные искусственные характеристики. Этот способ обеспечивает плавное регулирование скорости в широком диапазоне, а получаемые характеристики обладают высокой жесткостью. Для лучшего использования АД и получения высоких энергетических показателей его работы — коэффициентов мощности, полезного действия, перегрузочной способности- одновременно с частотой необходимо изменять и подводимое к АД напряжение. Закон изменения напряжения при этом зависит от характера момента нагрузки Мc.
При постоянном моменте нагрузки Mc =const напряжение на статоре должно регулироваться пропорционально его частоте: U/f=const.
Для вентиляторного характера момента нагрузки это соотношение имеет вид: U/f2=const.
Таким образов, при реализации частотного способа регулирования скорости АД должен быть использован преобразователь частоты, который позволяет также регулировать и напряжение на статоре АД.
3.6Схема включения АД и его характеристики
Необходимым элементом ЭП является преобразователь частоты 1и напряжения, на вход которого подается стандартное напряжение сети U ( 380 В.) промышленной частоты f = 50 Гц, а с его выхода снимается переменное напряжение U1per регулируемой частоты f1рег (рис.3.5 , а)
Рис.3. 5. Схема асинхронного ЭП (а) и механические характеристики АД (6) при частотном регулировании
















