Автоматизация шлифовального процесса путем разработки автоматической системы управления преднатягом (1089122), страница 10
Текст из файла (страница 10)
Второй способ связан с совмещением функций регулирования частоты и напряжения в самом инверторе. Оно реализуется с помощью; сложных алгоритмов управления тиристорами и предусматривает использование широтно-импульсной модуляции (ШИМ).
3.9Схема управления параметрами системы
Рис.3. 11.: Схема ПЧ со звеном. постоянного тока и АИН
На рис.3.11 показана схема силовой части ЭП с асинхронным двигателем 3, в котором использован ПЧ со звеном постоянного тока и автономный инвертор 2 напряжения. В этой схеме на выходе управляемого выпрямителя 1 включены реактор фильтра l0 и конденсатор Со, обеспечивающий вместе с диодами VD7— VD12 циркуляцию реактивной мощности. Автономный инвертор 2 напряжения выполнен на тиристорах VS1 — VS6. Конденсаторы С и реакторы L вместе с диодами VD1—VD6 образуют цепи искусственной коммутации, обеспечивающие выключение тиристоров VS1— VS6 в нужный момент. Амплитуда напряжения на выходе инвертора регулируется изменением напряжения Е0 на его входе с помощью блока управления выпрямителем 1, а его частота fper определяется частотой коммутации тиристоров VS1—VS6, задаваемой блоком управления инвертором.
Частотное управление является экономичным, так как обеспечивает регулирование скорости АД без больших потерь мощности в роторной цепи, ухудшающих КПД ЭП и приводящих к необходимости завышения мощности АД.
Регулирование в этой системе может осуществляться плавно, в широком диапазоне, в обе стороны от естественной характеристики, т.е. АД может иметь скорость как больше, так и меньше номинальной.
Т
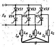
рехфазная нагрузка Zа, Zв, Zс (обмотки статора АД) соединена на коротко, а тиристоры VS1—VS6 (рис.3.12), на которых выполнен инвертор, соединены по мостовой схеме и по сигналам от блока управления системы ЧПУ открываются в требуемой последовательности.
Рис.3.12 инвертор управления коротко замкнутого статора.
Продолжительность открытого состояния каждого тиристора , составляет половину или треть периода Тper=l/fper а сдвиг моментов открытия тиристоров VS1 — VS6 составляет шестую часть этого периода.
Анализируя работу схемы рис. 3.11 оказывается, что при =Трег/2, форма напряжения на фазах нагрузки соответствует кривым на рис. 3.13 с амплитудой напряжения, равной Е0
Рис. 3.13. Диаграмма работы тиристоров и график изменения напряжения на нагрузке, при- =Трег/2
В течении интервала I открыты тиристоры 1 и 6 . Напряжение идет с фазы А на фазу В и равно U0 –оно положительно так как идет с плюсового вывода. На интервале II открыты тиристоры 1 и 2, фазы А и С при этом приложенное напряжение меньше в двое и направление токов на обмотке отрицательно.
Таким же образом можно описать схемы соединения фаз обмоток стартера для оставшихся интервалов. Напряжения на фазах нагрузки имеет ступенчатую форму.
Изменения значений фазных токов с помощью регулятора тока позволит менять этот параметр по ширине и скважности сигнала на вход тиристорного инвертора. Сигналы обратной связи по току, приходящие с датчиков, контролирующих этот параметр от двух фаз, приходит на регулятор, где сравнивается с заданными (сформированными) значениями, полученными с управляющей ЧПУ которая и управляет процессом.
Параметры значения величины и амплитуды напряжения на обмотках стартера преобразуется из величины снятого с тахогенератора-вращающегося трансформатора и также регулируются, в зависимости от заданных УЧПУ значений, управляя величиной мощности на управляемом выпрямителе. При поступлении положительных сигналов на вход широтно- импульсного модулятора Uу=Uз-Uос он начинает генерировать импульсы управления. А эти сигналы распределяются регулятором по тиристорам выпрямителя. Пусть при процессе обработки произошло увеличение момента нагрузки двигателя (увеличилась глубина шлифовки) в результате начнется снижение скорости вращения круга. В соответствии с:
Uвых=Up-*,
где
Uвых- напряжение идущее с регулятора.
- коэффициент обратной связи по скорости регулируемый за счет изменения тока с датчиков
Величина сигнала Uу, величина рассогласования в регуляторе влияющая на работу ШИМ, начнет повышаться , что вызовет увеличение амплитуды напряжения обмоток и уменьшения скважности их токов- увеличение тока стартера и момента АД, что приведет к прекращению снижения скорости.
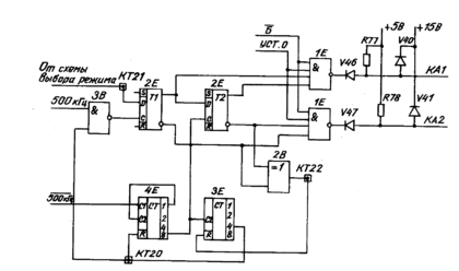
3.10Регулятор тока
Он включает в себя аналоговую (датчики тока, фазовращатели ) и цифровую (схема выбора режимов, дешифратор кодов и формирователи). Датчики тока (ТТ1 и ТТ2) включены только в обмотках фаз А и В
Фазоврашатель представляет собой фильтр второго порядка, настроенный на частоту. ФВ осуществляет формирование синусоидальной формы сигнала ТА', подавляя высокочастотные пульсации. При этом он вносит фазовый сдвиг сигнала ТА' на 60 эл. градусов в сторону отставания по сравнению с сигналом ТА, поступающим непосредственно с датчика тока. Датчик тока построен по принципу магнитного компаратора и конструктивно выполнен на ферритовом кольце.
Рис.3.14 Зависимость индуктивности обмотки lk датчика тока от намагниченности
Магнитное поле, создаваемое фазным током двигателя компенсируется полем тока, протекающего по компенсационной обмотке wk трансформатора тока ТТ1 и ТТ2. Поскольку число витков обмоток Wн и Wk разное, то обеспечивается масштабирование по отношению к измеряемому току. Компенсационный ток Iк формируется импульсным усилителем ИУ, управляемым компаратором D1. Переключение D1 осуществляется производной от ЭДС самоиндукции на обмотке wk. ЭДС зависит от тока в обмотке wk и от индуктивности обмотки (рис. 3.14 ).
Знак тока Iк зависит от полярности напряжения Е NА на выходе ИУ.
Длительность полу периодов устанавливается автоматически такой, что постоянная составляющая тока Iк в обмотке wk будет пропорциональна измеряемому току Iа.
На выходе ИУ включены индуктивности L1 и L2, исключающие резкое нарастание тока Iк.
В случае, если по какой-либо причине не произойдет переключение D1, нарастание сигнала ТА вызовет пробои стабилитронов VI и V2 , что повлечет переключение D1 и возврат к рабочему циклу намагничивания кольца.
Рис. 3.15. Формирователь импульсов управления инвертором.
Схема формирователя сигналов управления инвертором формирует сигналы КА1 и КА4 (фазы А). КB6 и КB3 (фазы B), КC2 и К25 (фазы C). Схема формирователя представлена на рис. 3.15
Изменение уровня напряжения обеспечивается элементами V46, V47, V40,V41, R77, R78.
3.11Регулятор скорости
И используется в приводе подачи. Он предназначен для формирования сигналов задания фазных токов фаз А и В, для контроля функционирования контура регулирования скорости и выработки сигналов “перегрев двигателя” и “превышение момента” на валу двигателя.
Функциональная схема блока приведена в приложении.
Усилитель регулятора скорости (ОУ Dl, D2) выполнен по схеме ПИ-регулятора, вырабатывающего сигнал задания момента Uq.. Уровень сигнала U определяет задание момента на валу двигателя. Ограничение выполняется диодным ограничителем V6...V9. Повторитель на ОУ D2 служит для согласования ПИ-регулятора с последующими схемами.
Рис. 3.16. Временные диаграммы работы регулятора тока РТ
При превышении уровня на выходе ПИ-регулятора (Dl) срабатывает компаратор D3, расположенный в схеме ФБЛ. Выдается сигнал блокировки ФБ в блок автоматики АП5.
Сигнал задания тока статора Tзс формируется в виде суммы двух векторов, модули которых пропорциональны сигналам Ud и Uq. Векторное суммирование эквивалентно суммированию двух синусоидальных сигналов, смещенных на 60°, амплитуды которых соответственно пропорциональны Ud и Uq. Фаза полученного сигнала зависит от полярности и отношения (Uq/Ud). Суммирование выполняет ОУ D14.
Сигнал задания тока ротора Гзр, пропорциональный Uq, формируется в формирователе ФТР. Этот сигнал определяет (совместно с частотой скольжения) величину и направление момента на валу двигателя.
3.12Математическое описание асинхронного двигателя
Асинхронная машина представляет собой систему, как минимум двух обмоток, одна из которых расположена на неподвижной части (статоре), другая на вращающейся части (роторе) машины. Момент машины образуется в результате взаимодействия токов в этих обмотках. Трехфазная обмотка статора подключается к питающей сети, трехфазная обмотка ротора замкнутая. Обмотки статора и ротора магнитосвязаны, поэтому потокосцепление обмотки статора определяется как токами, протекающими по трем фазам обмотки статора, так и токами фаз ротора. Это же относится и к обмотке ротора. Таким образом, имеются две трехфазные обмотки, вращающиеся одна относительно другой. Если к обмотке статора приложено трехфазное напряжение, а обмотка ротора замкнута, то мгновенные значения фазных напряжений статора и ротора задаются следующими уравнениями:
Исходя из теории результирующего вектора, описанной в системе уравнений 3.1, умножим первое и четвертое уравнения системы (1) на
, второе и пятое на
, третье и шестое на
. Суммируя полученные произведения, получим:
или
где потокосцепления Y1 и Y2 зависят от токов ротора и статора, а также от индуктивностей обмоток машины.
Определим величины потокосцеплений статора и ротора. Предположим, что статор и ротор трехфазного асинхронного двигателя имеют симметричные обмотки, воздушный зазор по всей окружности ротора одинаков, магнитное поле в воздушном зазоре распределено синусоидально, оси обмоток статора и ротора не совпадают, образуя произвольный угол j (рис. 3.17). Устанавливаем величину полного магнитного потока, сцепленного со статорной обмоткой фазы A. Для этого учитываем магнитные поля, созданные фазными токами I1A, I1B, I1C. Принимаем, что индуктивности фазных обмоток статора одинаковы и равны l1, взаимные индуктивности фаз A-B, A-C и B-C также одинаковы и равны l0 (по условиям симметрии асинхронной машины).
Т
огда общий магнитный поток, сцепленный со статорной обмоткой фазы A выразится следующим образом:
Подставив вместо I1C величину (-I1A-I1B) (так как сумма фазных токов асинхронного двигателя равна нулю), получим:
Проделав аналогичные операции с фазами B и C, запишем следующую систему уравнений:
















