rts_lek (1087876), страница 9
Текст из файла (страница 9)
глава 6. Оптимизация измерений параметров сигналов и выделения сообщений
6.1. Критерий максимального правдоподобия
Ставится задача оптимального выявления сообщения, которое связано с одним из параметров
непрерывного радиосигнала, например, с амплитудой, частотой, фазой или задержкой радиоимпульса в течение определенного времени tн . Сигнал поступает на вход приемника с помехой n(t):
Предполагается, что время наблюдения tн много меньше интервала корреляции (
изменяется медленно).
При оптимизации необходимо сформулировать критерий оптимальности, условия оптимизации и средства достижения оптимума.
В данном случае при оптимизации следует добиваться минимума среднеквадратичного отклонения (дисперсии)
от
Критерий минимума дисперсии ошибок при оценке параметра сигнала
Условия оптимизации задаются плотностями вероятностей
. Предполагается также, что получено выражение для апостериорного распределения плотности вероятности
Это распределение описывает возможную совокупность значений параметра
при условии, что смесь сигнала и помехи зафиксирована на временном интервале tн в совокупности отсчетов
Средство достижения оптимума это процедура или алгоритм, с помощью которых обрабатываются выборки
При выполнении условия (6.1) критерий максимума апостериорной вероятности и максимального правдоподобия заключается в следующем:
где
- функция апостериорного распределения вероятности (рис. 6.1).
Рис. 6.1. Функции распределения апостериорной (предполагаемой) вероятности для двух оценок параметра
У функций
и
- максимумы совпадают, следовательно
- критерий максимума и правдоподобия.
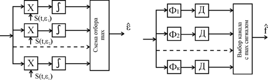
Структурные схемы выбора параметров по критерию максимального правдоподобия показаны на рис. 6.2.
Рис. 6.2. Структурные схемы выбора параметров по критерию максимального правдоподобия в области набора параметров и в частотной области
В реальных РТС параметром может быть дальность до цели, скорость цели, угол места, азимут и т.п.
6.2. Влияние помех на оценку параметра
При отсутствии помехи настроенный фильтр даст оптимальную оценку частоты. При наличии помехи сигнал и помеха суммируются и наблюдается смещенная оценка:
, где
То есть, среднеквадратическая ошибка (с.к.о.) оценки зависит от второй производной функции корреляции сигнала, а также от отношения мощности помехи и сигнала.
Оценки с.к.о. смещения для
и задержки
.
где
- длительность импульсных сигналов.
Из приведенных выражений следует, что, чем больше
, тем менее точно определяется дальность (Е) и более точно частота
(скорость цели). Т.е. для непрерывного радиосигнала
частота измеряется с наибольшей точностью, а дальность измерить нельзя. Как известно, для точного определения скорости цели радиолокационным методом, необходимо знать доплеровское смещение частоты с большой точностью, поэтому
должно быть достаточно большим (много больше периода колебаний несущей).
6.3. Оптимизация выделения сообщения из сигнала и помех
Обычно сообщение S(t,(t)) описывается случайной функцией. Информационной параметр сигнала (t) также является случайным процессом с плотностью распределения вероятности W() и энергетическим спектром Gs(). Обычно ставится задача выделить (t) на фоне помех. При этом неважно искажение самого сигнала важно воспроизведение сообщения (t). Решение этой задачи осуществляется с помощью линейной и нелинейной фильтрации.
Линейная и нелинейная фильтрация
Линейная фильтрация осуществляется на фильтрах с линейными элементами (как правило, RLC-цепями и контурами). Нелинейная – на нелинейных элементах и устройствах или на цифровых вычислительных машинах.
Как и ранее, полагаем на входе приемника сигнал с помехой:
Устройство фильтрации (фильтр) выдает оценки
.
Критерий оптимальной фильтрации – минимум дисперсии отклонения от оценки
:
Устройство фильтрации может осуществлять линейные и нелинейные преобразования сигнала (линейная и нелинейная фильтрация).
Аддитивное взаимодействие сигнала и помех
Сигналы поступают на вход приемника с помехами:
Оптимальный фильтр может быть осуществлен на линейных элементах R L,C, (RLC - контурах).
При n(t) и SН(t) стационарный случайный процесс с энергетическим спектром GSK(t) и Gn().
Критерий оптимальности имеет вид :
,
где S(t) -сигнал на выходе фильтра.
Амплитудно-частотная характеристика оптимального фильтра
Амплитудно-частотная характеристика оптимального фильтра дается выражением:
Такой фильтр называют фильтром Колмогорова-Виннера. При малой помехе
и он может пропускать все составляющие спектра .
При равномерном спектре помехи
и большом ее уровне
имеем тот же закон, что и у согласованного фильтра
.
Квазиоптимальная фильтрация сообщений
Квазиоптимальная фильтрация сообщений, содержащихся в параметрах радиосигнала, заключается в следующем алгоритме обработки:
Сигнал с помехой
фильтр сигнал с ослабленной помехой
детектор
измеритель
фильтр
оценка
.
В радиолокационных системах (РЛС) используется информация о дальности, углах, об угловой и радиальной скорости. Соответственно фильтрации подвергаются данные о дальности (селекция по дальности), углах (селекция по углам), об угловой и радиальной скорости (селекция по угловой и радиальной скорости). Иногда говорят о селекции по траектории (фильтрация траектории).
Перечисленные типы фильтрации разнообразны и широко используются в РТС.
6.4. Методы борьбы с источниками помех в РТС
Виды помех и методы борьбы с ними
Виды помех, их источник и методы борьбы с ними приведены в таблице 6.1.
Сложные сигналы подвергаются дополнительной модуляции (манипуляции), не содержащей сообщения, при этом спектр сигнала облегчает его выделение на фоне помехи. Такие методы находят наибольшее применение в импульсных и дискретных системах.
Для простого импульсного сигнала существует соотношение между длительностью сигнала и его шириной спектральной полосы:
Для простого сигнала вероятность ошибки составляет:
Таблица 6.1. Виды помех, их источник и методы борьбы
| П№ | Вид помехи | Источник и модель | Метод борьбы |
| 1. | Случайные помехи | Всевозможные, стационарный случайный шум | оптимальная фильтрация |
| 2. | Флуктационные помехи | нестационарный случайный шум | линейные согласованные фильтры |
| 3. | Квазигармонические | соседние станции | фильтры узкополосные |
| 4. | Импульсные | специальные помехи, отражения | Импульсная фильтрация. Прием только в определенный период. |
| 5. | Подобные сигналы | Другие РТС, помехи случайные | Выделить сигнал при большой помехе нельзя. Необходимо повысить мощность сигнала или перейти на другую рабочую волну. |
| 6. | Шумоподобные сигналы | Генераторы шума, широкополосный шум | Специальная фильтрация |
Глава 7. Энергетические соотношения в РТС
7.1. Характеристики направленной антенны РТС
В зависимости от требований к точности сообщений, метода модуляции и спектра сообщений (скорости передачи данных) требуется различная амплитуда Апр или мощность принимаемого сигнала Pпр на входе приемника, которые зависят от направленности (усиливающего эффекта) передающей антенны.
Для направленных антенн РТС СВЧ и УВЧ поверхность передающей антенны пропорциональна её диаметру dА:
Распределение мощности излучения относительно оси антенны называется диаграммой направленности антенны. Экспериментально она определяется с помощью приемника-измерителя по направлению перпендикулярному оси антенны на большом расстоянии от неё. В результате получают распределение энергии близкое к нормальному, как показано на рис. 7.1.
Основной характеристикой антенны является угол расходимости радиолуча , называемый шириной диаграммы направленности антенны. Этот угол измеряется между лучами, проведенными от излучателя антенны к точкам на уровне 0,5 Pmax, где Pmax- максимальное значение излучения.
0.5 Pmax
Pmax
z
x
Рис. 7.1. Схема измерения диаграммы направленности и ширины диаграммы направленности
Для параболических антенн ширина диаграммы направленности в радианах определяется по формуле:
, где s- рабочая длина волны, dA - диаметр антенны.
Так как 1 радиан ≈ 58, ширину диаграммы направленности в градусах принято определять из выражения:
Коэффициент усиления по мощности за счет направленного излучения определяется по формуле:















