rts_lek (1087876), страница 7
Текст из файла (страница 7)
а б
Рис. 4.2. Характер помех на входе и выходе фильтра во временной и спектральной форме.
Как следует из приведенных рисунков и пояснений, при прохождении через фильтр помеха уменьшается и видоизменяется, но не исчезает, а превращается в квазигармонический сигнал. Следовательно, она может сложиться с сигналом, причем складывается в векторной форме (с учетом фазы).
Т
аким образом, на выходе фильтра суммарный сигнал с искажениями, зависящими от амплитуды и фазы сигнала и помехи, как показано на рис. 4.3.
Рис. 4.3. Векторное сложение сигнала и помехи в фильтре
(1 – сигнал с фильтра
,
; 2 – помеха с фильтра
,
; 3 – суммарный сигнал на выходе фильтра)
Случайное изменение фазы
можно истолковать как случайное изменение частоты
, так как
.
Спектр флюктуационной помехи (от изменения частоты) определяется выражением:
Из этой формулы следует, что частотная модуляция (ЧМ) уменьшает действие помех в узком спектральном диапазоне. Однако, это достигается за счет расширения спектра сообщения вследствие модуляции по частоте (добавляются новые частоты кратные частоте модуляции).
Наиболее сильно сообщения искажаются при амплитудной модуляции, меньше - при фазовой модуляции, и ещё меньше - при частотной модуляции.
Важной характеристикой сигнала и помехи на входе приемника является отношение “сигнал-шум” q = Рс/Рш (Рс и Рш - мощности сигнала и шума). Увеличение q достигается за счет увеличения мощности передатчика и направленности антенны. Последнее, как будет показано далее, является результатом увеличения размеров антенны, что приводит к увеличению коэффициента направленного действия (КНД) и коэффициента усиления (КУ). В результате на выходе фильтра получают увеличение отношения “сигнал-шум”.
4.3. Искажения импульсных сигналов
При время–импульсной модуляции, (ВИМ), помеха приводит к изменению положения фронта и ко времени достижения максимума т.е. к задержке сигнала относительно тактовых точек, к искажению огибающей импульса. и в результате к искажению информации.
При расширении полосы пропускания фильтра фронт и максимум импульса более четко выражены, однако, расширение полосы пропускания фильтра приводит к увеличению полосы частот помехового сигнала т.е. к увеличению энергии помехи.
4.4. Действие помех при приеме цифровых сигналов
При приёме цифровых сигналов информация содержится в наличии или отсутствии сигнала (0 или 1).
В фильтре ведется обработка смеси сигнала и помехи, в течение времени действия ожидаемого сигнала, и принимается решение, был сигнал или нет. Наличие помехи приводит к ошибочному решению. При приеме не важно, как искажается сигнал в фильтре, важно принять решение “есть сигнал” или “нет сигнала”. Фильтр, обеспечивающий правильное принятие решений, называется оптимальным для импульсных сигналов.
4.5. Оптимизация выделения информации при действии помех
Повышение помехоустойчивости РТС связано с оптимизацией устройств фильтрации (селекции) и обеспечением выделения сигнала на фоне помех. Повышение помехоустойчивости позволяет снизить требования к мощности передатчика и повысить энергетическую эффективность РТС, уменьшить массу и стоимость.
Теоретически оптимальную схему не всегда удается реализовать, поэтому используют квазиоптимальные системы.
Задача оптимизации фильтра решается для следующих случаев:
а) информация отображается последовательностью различимых дискретных сигналов;
б) информация имеет характер случайной величины, заложенной в параметре сигнала;
в) информация является случайной функцией параметра сигнала.
-
Оптимальное распознавание дискретных сигналов
Оптимальное распознавание дискретных сигналов особенно важно для радиолокации.
Вероятность ошибочных ситуаций:
Здесь P(реш 0/S) – вероятность ошибочного решения о том, что сигнала нет, в то время как он есть, P(реш S/0)- вероятность ошибочного решения о том, что сигнал есть, в то время как его нет.
Неправильные решения могут иметь нежелательные последствия и важно знать “ цену ” ошибок:
,
.
Средний риск (ущерб от неправильных решений) будет:
Критерий оптимальности – минимум потерь:
При решении задачи оптимальности обычно используют вероятностное описание сигнала и помехи:
.
Минимум среднего риска обеспечивается при условии:
где
многомерное распределение вероятности сигнала и помехи.
многомерное распределение вероятности помехи.
П – порог, определяемый из условия минимума потерь. Если
- сигнала нет. При
- сигнал есть.
называется отношением правдоподобия (Байеса), П – порог (критерий) правдоподобия.
4.7. Схема обнаружения сигнала на фоне помех
Оптимальное распознавание импульсных сигналов на фоне сильных помех можно осуществить с помощью устройства, схематически представленного на рис. 4.4.
Рис. 4.4. Структурная схема устройства обнаружения импульсного сигнала на фоне помех
Устройство по схеме, представленной на рис. 4.4 осуществляет вычисление значения взаимной корреляционной функции между сигналом x(t) и нормированной копией сигнала s0(t) с последующим принятием решения о наличии сигнала на фоне помех.
Вычисление осуществляется по формуле:
Здесь приняты следующие обозначения:
- подъинтегральная функция интеграла корреляции при
.
При
- режим S (сигнал есть), при
- режим 0 (сигнала нет).
Помеха имеет случайную амплитуду
и фазу
и поэтому при интегрировании нейтрализуется. В момент
отношение “сигнал/шум” максимально.
Сигнал перемножается с сигналом генератора копии сигнала (ГКС) (с небольшим отклонением по фазе) и интегрируется. Результат сравнивается с порогом, подаваемым через ключ 2, и знак суммарного напряжения символизирует решение («+» - сигнал есть, «» - сигнала нет). В конце действия сигнала при
ключ 1 замыкается, а ключ 2 размыкается. Система готова к следующему циклу работы.
Приведенное устройство усредняет сигналы и помехи на интервале Ts и потому не воспринимает отдельные скачки амплитуды помехи.
4.8. Схема обнаружения сигнала со случайной фазой
В предшествующей схеме важно, чтобы сигнал совпадал по фазе с копией сигнала. В случае произвольной фазы сигнала можно использовать схему, представленную на рис. 4.5.
При случайной фазе сигнал при
имеет вид
Сигнал со случайной фазой можно рассматривать как сумму двух сигналов - сигнала со случайной амплитудой с известной фазой и сигнала со случайной амплитудой и со сдвигом этой фазы на
.
Рис. 4.5. Структурная схема устройства обнаружения импульсного сигнала со случайной фазой на фоне помех
Отклики складываются квадратурно и сравниваются с порогом:
В выражении для порога
используется модифицированная функция Бесселя нулевого порядка
,
- амплитуда копии сигнала,
- мощность сигнала, Nn - мощность помехи.
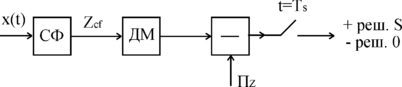
Глава 5. Согласованные фильтры
5.1. Свойства согласованных фильтров
Согласованный фильтр (СФ) обеспечивает на выходе максимальное отношение “сигнал/шум” и вычисление корреляционной функции. При создании СФ используются сведения о сигнале не в форме функции времени как в корреляторах, а в форме спектра.
СФ должен иметь АЧХ тождественно равную спектральной характеристике сигнала. Тогда он пропустит сигнал и максимально отфильтрует помехи.
Преобразование Фурье сигнала имеет следующий вид:
где F – символ преобразования Фурье;
- спектр сигнала в комплексной форме,
- амплитудно-частотный спектр (АЧХ сигнала),
- фазочастотный спектр (ФЧХ сигнала).
Согласованный со спектром фильтр должен иметь комплексную частотную характеристику, согласованную со спектром сигнала:
В момент окончания сигнала
СФ обеспечивает максимальное отношение “сигнал/помеха”. Отклик на выходе СФ во все моменты действия сигнала соответствует корреляционной функции:
- время до конца действия сигнала
.
То есть, получили, тот же результат, что и для коррелятора в момент
.
СФ инвариантен к фазе и задержке, то есть при любой начальной фазе и задержке откликается одинаково. Для получения отклика, независящего от начальной фазы (для сигнала со случайной фазой), достаточно на выходе включить амплитудный детектор, который выделит огибающую отклика или огибающую автокорреляционной функции сигнала.
-
Схемы согласованных фильтров
На рис. 5.1 показана структурная схема фильтрации с СФ радиосигнала длительностью Ts. При t=Ts электронный ключ включается и на выходе образуется сигнал оценки решения (+ - сигнал есть, - сигнала нет).















