rts_lek (1087876), страница 13
Текст из файла (страница 13)
D
Ц1
А V Ц2
Рис. 9.5. К расчету разрешаемого объема РЛС
Глава 10. Оптимальные приемники радиолокационных сигналов
Особенностью сигналов радиолокационных систем (РЛС) является наличие пачки импульсов.
Фильтрация РЛ- сигналов заключается в следующем:
а) Выделение из помехи каждого импульса (фильтрация).
б) Накопление энергии пачки импульсов (суммирование откликов фильтра).
Наряду с простыми сигналами в РЛС используются сложные линейно частотно модулированные (ЛЧМ) и фазоманипулированные (ФМ) сигналы.
10.1. Согласованная фильтрация ЛЧМ-сигналов
Линейно частотно модулированный (ЛЧМ) сигнал – это сигнал с линейным изменением частоты внутри импульса:
fs = fso + bt , t < Tи / 2
где b = 2 fМ /Tи - крутизна ЛЧМ, fМ-девиация частоты.
Вид ЛЧМ сигнала и его сжатая форма показаны на рис. 10.1.
Ширина спектра сигнала определяется девиацией частоты: 2fS=2fМ.
АЧХ имеет равномерную спектральную плотность.
Рис. 10.1. ЛЧМ сигнал и его сжатая форма после согласованного фильтра.
Фазовый спектр имеет форму параболы, так как частоа нарастает линейно:
Для АЧХ и ФЧХ согласованного фильтра имеем:
В качестве согласованного фильтра ЛЧМ-сигнала используется дисперсионная ультразвуковая линия задержки (ДУЛЗ). При прохождении ДУЛЗ, играющей роль согласованного фильтра (СФ), обращенный сигнал (у которого частота линейно убывает в импульсе) становится сжатым. В ней на одном конце происходит преобразование радиосигнала, на промежуточной частоте 9-11 МГц, в ультразвуковые колебания, которые распространяются до противоположного конца, где происходит обратное преобразование в электрический сигнал. В дисперсионной УЛЗ ультразвуковые волны разных частот имеют разную задержку такую, которая компенсирует изменение фазы внутри импульса. В результате набега волн одной частоты на другие происходит их интерференция и сжатие импульса с увеличением амплитуды.
Для простого сигнала fss= 1.
Для сложного сигнала fss>>1.
При сжатии сигнала происходит перераспределение спектра из девиации частоты в спектр сжатого сигнала:
fs сжs сж= fs девs сж =1,
откуда fs сж = fs дев , где fs сж определяется по уровню 0,7 от максимальной амплитуды сжатого сигнала.
Длительность сжатого сигнала sсж=1/fs сж можно измерить с помощью осциллографа. Отношение
Ксж=s ЛЧМ /s сж
называется коэффициентом сжатия. Примерно во столько же раз происходит увеличение амплитуды импульса при сжатии. При этом помехи, проходя через согласованный фильтр в виде ДУЛЗ, сильно ослабляются, и на выходе увеличивается отношение «сигнал/шум». Соответственно с уменьшением sсж увеличивается разрешение по дальности.
На выходе согласованного фильтра сигнал имеет следующий вид:
Интегрируя, получаем:
Одновременно (при сжатии) увеличивается амплитуда, что позволяет лучше увидеть сигнал при шумах. Амплитуда всплеска определяется энергией входного импульса
.
Преимущества ЛЧМ- сигналов :
1) Можно уменьшить максимальную мощность импульса (предотвратить пробой антенно-фидерного тракта) и увеличить его энергию за счет большой длительности.
2) Улучшается условие наблюдения сигнала на фоне помехи за счет увеличенной длительности наблюдения и последующего сжатия импульса.
3) После СФ сигнал сжат с увеличенной мощностью и, следовательно, увеличены разрешающая способность и отношение «сигнал/шум».
Реализация фильтра с линейной ФЧХ.
Дисперсионная ультразвуковая линия задержки (ДУЛЗ) реализуется на пластине из пьезокварца (вырезанной из синтетического монокристалла кварца). При этом используются поверхностные акустические волны (ПАВ), формируемые встречно-штырьевыми, пьезо-акустическими преобразователями (ВШП). Пример конструкции ВШП на ДУЛЗ показан на рис.10.2
Рис.10.2. Конструкция ВШП ДУЛЗ с использованием ПАВ (Подложка- пьезокварц)
Частотный диапазон линий задержки на ВШП составляет 9-11 МГц.
10.2. Цифровые согласованные фильтры
В современных РЛС обработка сигналов производится на специальных ЭВМ с быстрой цифровой обработкой и фильтрацией цифровыми методами.
В согласованном аналоговом фильтре временным откликом является интеграл свертки:
, где h() - импульсная характеристика СФ.
В частотной области согласованный фильтр реализуют с помощью быстрого преобразования Фурье по следующим этапам:
а) Определение спектра входного сигнала (преобразование Фурье)
.
б) Определение комплексной частотной характеристики с выхода фильтра
.
в) Определение выходного сигнала СФ (обратное преобразование Фурье)
.
В цифровом фильтре используют дискретные значения (nt) и K(kf) , где t и f - шаг разбиения сигнала по времени и по частоте, n и k - целые числа.
Во временной области:
В частотной области:
, n=0,…,N-1 (обратное преобразование Фурье), где
.
Цифровой фильтр - это совокупность математических правил (алгоритм и программа) преобразования сигналов, позволяющих вычислить величину выходного сигнала.
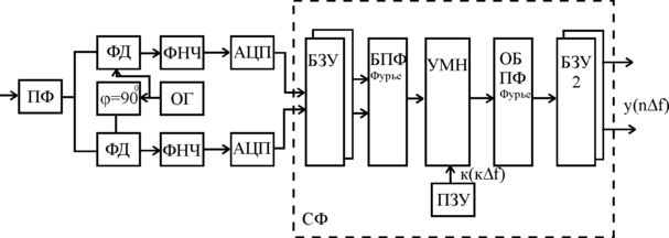
Некоторые величины, например, могут быть в ПЗУ. Разработаны алгоритмы - (быстрое преобразование Фурье), позволяющие упростить и ускорить вычисления. Структурная схема цифрового фильтра сигналов РЛС приведена на рис. 10.3.
Рис. 10.3. Структурная схема цифрового фильтра
10.3. Накопители для пачек импульсных сигналов
Для выделения сигнала на фоне помех в РЛС используются схемы накопления сигналов пачки.
1) Простейший накопитель ЭЛТ с длительным послесвечением. Яркость нескольких импульсов складывается и возрастает (РЛС- обзорного типа).
2) Накопители с динамической памятью (рециркуляторы) реализуют с помощью ультразвуковой линии задержки (УЛЗ) с длительностью задержки з=Тсл (Тсл - интервал следования импульсов в РЛС, рис 10.4).
Рис. 10.4. Рециркулятор-накопитель с использованием ультразвуковой линии задержки (УЛЗ)
Для компенсации затухания в УЛЗ применяется усилитель и компенсатор температурной нестабильности.
Для когерентной пачки импульсов применяют более сложные схемы накопления сигналов с фазовым детектированием и УЛЗ.
В этом случае необходим сигнал опорного гетеродина, фазовый детектор и другие сложные устройства. Необходим также учет Доплеровского смещения частоты.
10.4. Оптимальный приемник для некогерентной пачки радиоимпульсов
Оптимальный приемник-накопитель для некогерентной пачки радиоимпульсов показан на рис. 10.5. Он включает супергетеродинный приемник с фильтром и фильтр-накопитель для обработки пачки импульсов на УЛЗ.
Недостатком приемника-накопителя является то, что в нем теряется информация о скорости, которую надо определять отдельным устройством.
Рис.10.5. Оптимальный приемник-накопитель для некогерентной пачки радиоимпульсов
На вход приемника поступают некогерентные пачки радиоимпульсов, фазы которых случайны и независимы. Фильтр
СФод осуществляет оптимальное выделение импульсов из шума. Производится детектирование импульсов: нечувствительный к фазе амплитудный детектор выделяет огибающую сигнала. Полученные видеоимпульсы суммируются в накопителе импульсов СНВ. Однако данный приемник обладает рядом недостатков, главным из них является низкая чувствительность.
Глава 11. Вычисление координат и параметров движения в РЛС
11.1. Цифровые накопители (интеграторы)
Цифровые накопители имеют стабильную задержку и хорошее воспроизведение сигнала. Они могут применяться в когерентных и некогерентных РЛС совместно с цифровыми и аналоговыми согласованными фильтрами.
Элемент цифрового фильтра (ЦФ) некогерентной РЛС - бинарный квантователь (БК), в котором сигналы представляются в двоичной системе «да» (1) или «нет» (0), представлен на рис. 11.1.
Рис. 11.1. Элемент цифрового фильтра некогерентной РЛС - бинарный квантователь.
Структура импульсов и взаимодействие элементов БК показаны на рис. 11.2.
Рис. 11.2. Структура импульсов и их взаимодействие в БК.
11.2. Методы измерения координат и радиальной скорости целей в РЛС
Измерение угловых координат (азимут, угол места):
а) Структурная схема измерителя угловых координат по максимальной амплитуде отраженного сигнала и фазе (в радионавигации).















