РАДИОТЕХНИЧЕСКИЕ СИСТЕМЫ ИЗВЛЕЧЕНИЯ, ОБРАБОТКИ И ПЕРЕДАЧИ ИНФОРМАЦИИ (1087875), страница 8
Текст из файла (страница 8)
Если обнаружение используется в системе радиосвязи с пассивной паузой, то при неизвестной интенсивности сигнала установить оптимальный порог даже в простейшем случае, исходя из условия П=1, невозможно. Это принципиальный недостаток систем с пассивной паузой, из-за которого они редко применяются. Однако для сравнения с системами с активной паузой предположим, что порог удалось установить оптимально, тогда можно получить
В системах с активной паузой используется распознавание сигналов, порог вычисляется и устанавливается простой, а именно, Пz =0. Когда сигналы с известными параметрами ортогональны (отличающиеся по частотам), получим
Для противоположных по фазе сигналов с известными парамет-рами получим
Системы, для которых справедливы (5.6) и (5.7), для устранения реально наблюдаемой случайности фазы, требуют синхронизации по фазе. Результаты расчетов приведены на рис.5.6; кривая 1 по формуле (5.5), кривая 2 – по формуле (5.7), кривая 3 – по формуле (5.8). Они характеризуют выигрыш в вероятности ошибок, даваемый активной паузой, для которой установлен порог Пz =0. Кривая 4 получена при П=1. Дело в том, что в системах связи с пассивной паузой для сигнала со случайной фазой практически невозможно установить оптимальный порог. Поэтому только для сравнения с системами с активной паузой предположим, что удалось установить оптимальный порог, исходя из условия П=1. Тогда можно получить
Результаты расчета по этой формуле и приведены на рис. 5.6 (кривая 4).
5.5. Ошибки обнаружения сигналов со случайной фазой
Если фаза сигнала случайна, то можно получить функции распределения отклика на помеху и на смесь помехи с сигналом. Если амплитуда сигнала неизвестна, то порог обнаружения
устанавливают исходя из допустимого уровня ложных обнаружений, то есть из заданной вероятности
.
где
- порог и критерий Неймана–Пирсона. При этом вероятность пропуска сильного сигнала:
Расчетные кривые правильного обнаружения при разных отношениях сигнал/шум приведены на рис. 5.5 (штриховые линии). Как видно, случайность фазы приводит к небольшому ухудшению результатов.
В системах передачи информации широко используется активная пауза и ортогональные сигналы s1 и s2 , (отличающиеся по частоте) со случайной фазой.
При использовании ортогональных (взаимно независимых) сигналов
и
(с различными частотами
и
), ошибка возникает, когда отклик канала без сигнала - Sо больше чем у канала с сигналом - Ss . В этом случае
и вероятность ошибки определяют по формуле:
Принимая во внимание, что
и мощность помехи в полосе частот
сигнала
Pош =0,5 exp(-Es/2Nn). (5.11)
Рис. 5.5. Расчетные кривые правильного обнаружения при разных отношениях сигнал/шум и допустимых вероятностях ложного срабатывания
Результаты расчетов приведены на рис. 5.6 (кривая 5). Из сравнения этой кривой с другими видно, что случайность фазы приводит к небольшому проигрышу и поэтому допустима.
Рис. 5.6. Вероятность ошибочных решений
при увеличении отношения «сигнал/шум»
Следствие:
и отношение сигнал/шум на выходе согласованного фильтра или коррелятора зависят только от энергии сигнала и плотности мощности помех на входе системы.
Чем длиннее сигнал, тем уже его спектр
и меньше помех на выходе фильтра. При определенной мощности сигнала его энергия тем больше, чем больше его длительность и ошибка его обнаружения минимальна. При увеличении скорости передачи информации для обеспечения уровня достоверности также необходимо увеличивать мощность сигнала. При медленной передаче мощность сигнала можно уменьшить (дальность возрастает). При дальней космической связи скорость передачи составляет один импульс за много секунд, в противоположном случае в системах связи действующих на небольших дальностях передаются миллионы символов в секунду.
6. Оптимизация измерений параметров сигналов и выделения сообщений
6.1. Критерий максимального правдоподобия
Ставится задача оптимального выявления сообщения, которое связано с одним из параметров
непрерывного радиосигнала, например, с амплитудой, частотой, фазой или задержкой радиоимпульса в течение определенного времени tн . Сигнал поступает на вход приемника с помехой n(t):
Предполагается, что время наблюдения tн много меньше интервала корреляции (
изменяется медленно).
При оптимизации необходимо сформулировать критерий оптимальности, условия оптимизации и средства достижения оптимума.
В данном случае при оптимизации следует добиваться минимума среднеквадратичного отклонения (дисперсии)
от
Критерий минимума дисперсии ошибок при оценке параметра сигнала
Условия оптимизации задаются плотностями вероятностей
. Предполагается также, что получено выражение для апостериорного распределения плотности вероятности
Это распределение описывает возможную совокупность значений параметра
при условии, что смесь сигнала и помехи зафиксирована на временном интервале tн в совокупности отсчетов
Средство достижения оптимума это процедура или алгоритм, с помощью которых обрабатываются выборки
При выполнении условия (6.1) критерий максимума апостериорной вероятности и максимального правдоподобия заключается в следующем:
где
- функция апостериорного распределения вероятности (рис. 6.1).
Рис. 6.1. Функции распределения апостериорной вероятности для двух оценок параметра
У функций
и
- максимумы совпадают, следовательно
- критерий максимума и правдоподобия.
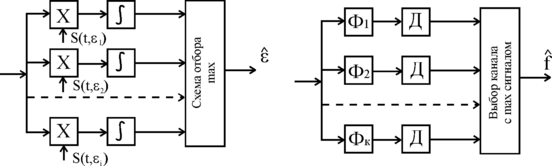
Структурные схемы выбора параметров по критерию максимального правдоподобия показаны на рис. 6.2.
Рис. 6.2. Структурные схемы выбора параметров по критерию максимального правдоподобия в области набора параметров и в частотной области
В реальных РТС параметром может быть дальность до цели, скорость цели, угол места, азимут и т.п.
6.2. Влияние помех на оценку параметра
При отсутствии помехи отклик на выходе настроенного фильтра будет максимальным. При наличии помехи сигнал и помеха суммируются и в оптимальных и квазиоптимальных схемах наблюдаются ошибки. Ошибки вызываются наложением на сигнал помехи, приводящей к тому, что в конце интервала наблюдения отклик оказывается смещенным по частоте.
Закономерность воздействия помех можно показать на примере многоканальной схемы, вычисляя корреляционный интеграл, получим
где tн – время наблюдения.
Второе слагаемое представляет собой энергию сигнала за время наблюдения
Отклик на помеху (первое слагаемое в формуле (6.2))
имеет гауссовское распределение, поэтому его дисперсия
Из (6.3) и (6.4) следует, что отношение сигнал/помеха равно
следовательно, зависит от энергии сигнала за время наблюдения и спектральной плотности мощности помехи, имеющей размер-ность энергии.
Изменение отклика при изменении
или
в случае, когда
=
определяется не первой производной по
(она равна нулю в максимуме корреляционной функции (6.3)), а второй производной
отсюда найдем
Тогда смещение из-за изменения помехи
можно получить с помощью формулы (6.6), подставляя вместо
значение отклика на помеху
. Но отклик на помеху, следовательно, смещение отсчета при действии помехи являются случайными величинами, которые описываются средним квадратичным значением или дисперсией. Принимая во внимание соотношения (6.3), (6.4), можем написать
где
- энергия сигнала за время наблюдения,
- нормированная к
функция корреляции сигнала.
Таким образом, среднеквадратическая ошибка (с.к.о.) оценки зависит от второй производной функции корреляции
сигнала по параметру, а также от отношения спектральной плотности мощности помехи к энергии сигнала (отношение «помеха/сигнал». В зависимости от того, в каком параметре радиосигнала содержится информация, меняется вид оценок для с.к.о.
Оценки с.к.о. смещения для
и задержки
:
,
,
где
- длительность импульсных сигналов,
Из приведенных выражений следует, что, чем больше
, тем менее точно определяется дальность и более точно частота
(скорость цели). Т.е. для непрерывного радиосигнала
частота измеряется с наибольшей точностью, а дальность измерить нельзя. Как известно, для точного определения скорости цели радиолокационным методом, необходимо знать доплеровское смещение частоты с большой точностью, поэтому
должно быть достаточно большим (много больше периода колебаний несущей).
6.3. Оптимизация выделения сообщения из сигнала и помех
Обычно сообщение S(t,(t)) описывается случайной функцией. Информационной параметр сигнала (t) также является случайным процессом с плотностью распределения вероятности W() и энергетическим спектром Gs(). Обычно ставится задача выделить (t) на фоне помех. При этом не важно искажение самого сигнала, а важно воспроизведение сообщения (t). Решение этой задачи осуществляется с помощью линейной и нелинейной фильтрации.
6.3.1. Линейная и нелинейная фильтрация
Линейная фильтрация осуществляется на фильтрах с линейными элементами (как правило, RLC-цепями и контурами). Нелинейная – на нелинейных элементах и устройствах или на цифровых вычислительных машинах.
Как и ранее, полагаем на входе приемника сигнал с помехой:
















