РАДИОТЕХНИЧЕСКИЕ СИСТЕМЫ ИЗВЛЕЧЕНИЯ, ОБРАБОТКИ И ПЕРЕДАЧИ ИНФОРМАЦИИ (1087875), страница 11
Текст из файла (страница 11)
Одновременно (при сжатии) увеличивается амплитуда, что позволяет лучше увидеть сигнал при шумах. Амплитуда всплеска определяется энергией входного импульса
.
Преимущества ЛЧМ- сигналов :
1) Можно уменьшить максимальную мощность импульса (предотвратить пробой антенно-фидерного тракта) и увеличить его энергию за счет большой длительности.
2) Улучшается условие наблюдения сигнала на фоне помехи за счет увеличенной длительности наблюдения и последующего сжатия импульса.
3) После СФ сигнал сжат с увеличенной мощностью и, следовательно, увеличены разрешающая способность и отношение «сигнал/шум».
Реализация фильтра с линейной ФЧХ.
Дисперсионная ультразвуковая линия задержки (ДУЛЗ) реализуется на пластине из пьезокварца (вырезанной из синтетического монокристалла кварца). При этом используются поверхностные акустические волны (ПАВ), формируемые встречно-штырьевыми, пьезо-акустическими преобразователями (ВШП). Пример конструкции ВШП на ДУЛЗ показан на рис.10.2
Рис.8.2. Конструкция ВШП ДУЛЗ с использованием ПАВ (Подложка- пьезокварц)
Частотный диапазон линий задержки на ВШП составляет 9-11 МГц.
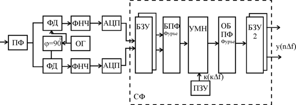
8.2. Цифровые согласованные фильтры
В современных РЛС обработка сигналов производится на специальных ЭВМ с быстрой цифровой обработкой и фильтрацией цифровыми методами.
В согласованном аналоговом фильтре временным откликом является интеграл свертки:
, где h() - импульсная характеристика СФ.
В частотной области согласованный фильтр реализуют с помощью быстрого преобразования Фурье по следующим этапам:
а) Определение спектра входного сигнала (преобразование Фурье)
.
б) Определение комплексной частотной характеристики с выхода фильтра
.
в) Определение выходного сигнала СФ (обратное преобразование Фурье)
.
В цифровом фильтре используют дискретные значения (nt) и K(kf) , где t и f - шаг разбиения сигнала по времени и по частоте, n и k - целые числа.
Во временной области:
В частотной области:
, n=0,…,N-1 (обратное преобразование Фурье), где
.
Цифровой фильтр - это совокупность математических правил (алгоритм и программа) преобразования сигналов, позволяющих вычислить величину выходного сигнала.
Некоторые величины, например, могут быть в ПЗУ. Разработаны алгоритмы - (быстрое преобразование Фурье), позволяющие упростить и ускорить вычисления. Структурная схема цифрового фильтра сигналов РЛС приведена на рис. 10.3.
Рис. 8.3. Структурная схема цифрового фильтра
8.3. Накопители для пачек импульсных сигналов
Для выделения сигнала на фоне помех в РЛС используются схемы накопления сигналов пачки.
1) Простейший накопитель ЭЛТ с длительным послесвечением. Яркость нескольких импульсов складывается и возрастает (РЛС- обзорного типа).
2) Накопители с динамической памятью (рециркуляторы) реализуют с помощью ультразвуковой линии задержки (УЛЗ) с длительностью задержки з=Тсл (Тсл - интервал следования импульсов в РЛС, рис 10.4).
Рис. 8.4. Рециркулятор-накопитель с использованием ультразвуковой линии задержки (УЛЗ)
Для компенсации затухания в УЛЗ применяется усилитель и компенсатор температурной нестабильности.
Для когерентной пачки импульсов применяют более сложные схемы накопления сигналов с фазовым детектированием и УЛЗ.
В этом случае необходим сигнал опорного гетеродина, фазовый детектор и другие сложные устройства. Необходим также учет Доплеровского смещения частоты.
8.4. Оптимальный приемник для некогерентной пачки радиоимпульсов
Оптимальный приемник-накопитель для некогерентной пачки радиоимпульсов показан на рис. 10.5. Он включает супергетеродинный приемник с фильтром и фильтр-накопитель для обработки пачки импульсов на УЛЗ.
Недостатком приемника-накопителя является то, что в нем теряется информация о скорости, которую надо определять отдельным устройством.
Рис.8.5. Оптимальный приемник-накопитель для некогерентной пачки радиоимпульсов
На вход приемника поступают некогерентные пачки радиоимпульсов, фазы которых случайны и независимы. Фильтр
СФод осуществляет оптимальное выделение импульсов из шума. Производится детектирование импульсов: нечувствительный к фазе амплитудный детектор выделяет огибающую сигнала. Полученные видеоимпульсы суммируются в накопителе импульсов СНВ. Однако данный приемник обладает рядом недостатков, главным из них является низкая чувствительность.
9. Общие принципы построения средств радиотехнического обнаружения
9.1. Радиолокационные станции обнаружения целей
Радиолокационные станции обнаружения обычно работают в импульсных режимах (рис.7.1).
Рис.9.1. Радиолокационная станция обнаружения
Передатчик станции через направленную антенну излучает микросекундные импульсные сигналы высокой частоты, которые отражаются от цели и принимаются той же антенной. Измерив интервал t между временем излучения сигнала и временем приема этого же сигнала, отраженного от цели, можно определить расстояние
[м] между целью и РЛС. В этой формуле t берется в микросекундах.
Направление на цель определяется измерением углового положения антенны РЛС в момент приема отраженного сигнала.
Если поместить антенну РЛС в начало сферической системы координат
и перемещать вокруг нее по окружности в горизонтальной плоскости приемный зонд, то по изменению относительной напряженности электрического поля можно построить диаграмму направленности антенны в горизонтальной плоскости (рис.9.2). Если построить диаграмму направленности по мощности в полярной системе координат, то азимут цели определяется по положению основного лепестка диаграммы в момент приема отраженного сигнала.
Рис.9.2. Диаграмма направленности антенны РЛС в азимутальной плоскости
В прямоугольной системе координат диаграмма направленности антенны имеет вид:
Рис.9.3. Диаграмма направленности антенны рлс
Ширина основного лепестка диаграммы направленности на уровне 0,5 мощности связана с диаметром d параболического отражателя антенны и длиной волны РЛС соотношением
Угол места цели можно определить с помощью положения основного лепестка диаграммы направленности отраженного сигнала в вертикальной плоскости (рис.9.4).
Построим диаграмму направленности антенны в прямоугольной системе координат, в которой по оси ординат отсчитывается высота в м, а по оси абсцисс – дальность в км.
Величина
откладывается вдоль радиуса. Поскольку при приеме отраженных сигналов от цели антенна РЛС имеет ту же диаграмму направленности, что и при излучении, угол θ для отраженного сигнала определит угол места цели.
Важной характеристикой антенн РЛС является коэффициент направленного действия (КНД)
, который представляет
собой отношение плотности потока мощности
, излучаемой антенной в данном направлении φ,θ к средней плотности потока излучаемой мощности
.
или
Рис.9.4. Диаграмма направленности специальной антенны РЛС
где P – общая излучаемая РЛС мощность.
Максимальное значение КНД
показывает, во сколько раз плотность потока мощности, излучаемой в направлении оси основного лепестка диаграммы направленности, превосходит среднюю плотность потока излучаемой мощности.
При работе на прием антенна характеризуется эффектив-
ной площадью А поглощения (ЭПП) или эффективной площадью антенны (ЭПА), которая определяется как отношение мощности, поступающей из антенны в согласованный с ней приемник, к плотности потока принимаемой мощности в случае, когда плоскости поляризации антенны и падающего электрического поля совпадают. Когда антенна ориентирована на источник излучения (максимум ее диаграммы направленности ориентирован на этот источник), ЭПП достигает своего максимального значения
. При других положениях антенны имеет место соотношение
где
- нормированная к 1 диаграмма направленности антенны по полю.
Соотношение
связывает КНД, ЭПП и λ.
Часть энергии, излучаемой антенной, приходится на боковые лепестки. Уровень боковых лепестков при работе антенны на прием определяет помехозащищенность РЛС.
Антенна РЛС, вращаясь вокруг неподвижной оси, или качаясь относительно нее, позволяет просматривать пространство в том телесном угле, где ожидается появление цели.
Скорость вращения сканирования антенны выбирается так, чтобы цель оставалась в основном лепестке диаграммы направленности до тех пор, пока антенна не примет определенное количество K отраженных этой целью импульсных сигналов.
















