РАДИОТЕХНИЧЕСКИЕ СИСТЕМЫ ИЗВЛЕЧЕНИЯ, ОБРАБОТКИ И ПЕРЕДАЧИ ИНФОРМАЦИИ (1087875), страница 7
Текст из файла (страница 7)
Помеха имеет случайную амплитуду
и фазу
и поэтому при интегрировании нейтрализуется. В момент
отношение “сигнал/шум” максимально.
Сигнал перемножается с сигналом генератора копии сигнала (ГКС) (с небольшим отклонением по фазе) и интегрируется. Результат сравнивается с порогом, подаваемым через ключ 2, и знак суммарного напряжения символизирует решение («+»
– сигнал есть, «» – сигнала нет). В конце действия сигнала при
ключ 1 замыкается, а ключ 2 размыкается. Система готова к следующему циклу работы.
Приведенное устройство усредняет сигналы и помехи на интервале Ts и потому не воспринимает отдельные скачки амплитуды помехи.
4.4.3. Схема обнаружения сигнала со случайной фазой
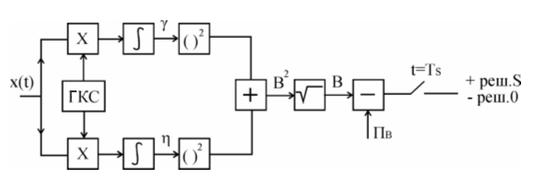
В предшествующей схеме важно, чтобы сигнал совпадал по фазе с копией сигнала. В случае произвольной фазы сигнала можно использовать схему, представленную на рис. 4.5.
При случайной фазе сигнал при
имеет вид
Сигнал со случайной фазой можно рассматривать как сумму двух сигналов - сигнала со случайной амплитудой с известной фазой и сигнала со случайной амплитудой и со сдвигом этой фазы на
.
Отклики складываются квадратурно и сравниваются с порогом:
где
, а в выражении для
используется
модифицированная функция Бесселя нулевого порядка
,
–амплитуда копии сигнала,
– энергия сигнала, Nn – спектраль-ная плотность мощности помехи, имеющая размерность энергии.
Рис. 4.5. Структурная схема устройства обнаружения импульсного сигнала со случайной фазой на фоне помех
5. Согласованные фильтры
5.1. Свойства согласованных фильтров
Согласованный со спектром фильтр должен иметь комплексную частотную характеристику, согласованную со спектром сигнала:
где
F – символ преобразования Фурье;
- амплитудно-частотный спектр (АЧХ сигнала),
- фазочастотный спектр (ФЧХ сигнала).
Таким образом, имеем
Следовательно, согласованный фильтр (СФ) должен иметь амплитудно-частотную характеристику (АЧХ) тождественно равную спектральной характеристике сигнала. Тогда он пропус-тит сигнал и максимально отфильтрует помехи.
В момент окончания сигнала
СФ обеспечивает максимальное отношение “сигнал/помеха”. Отклик на выходе СФ во все моменты действия сигнала соответствует корреляционной функции:
- время до конца действия сигнала
.
То есть, получили, тот же результат (энергию сигнала), что и для коррелятора в момент
.
СФ инвариантен к фазе и задержке, то есть при любой начальной фазе и задержке откликается одинаково. Для получения отклика, независящего от начальной фазы (для сигнала со случайной фазой), достаточно на выходе включить амплитудный детектор, который выделит огибающую отклика или огибающую автокорреляционной функции сигнала.
Согласованный фильтр (СФ) обеспечивает на выходе максимальное отношение “сигнал/шум” и вычисление корреляционной функции. При создании СФ используются сведения о сигнале не в форме функции времени как в корреляторах, а в форме спектра.
-
Схемы согласованных фильтров
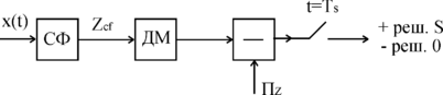
На рис. 5.1 показана структурная схема фильтрации с СФ радиосигнала длительностью Ts. При t=Ts электронный ключ включается и на выходе образуется сигнал оценки решения (+ - сигнал есть, - сигнала нет).
Рис. 5.1. Структурная схема устройства с согласованным фильтром (СФ) (ДМ – демодулятор, «» –устройство сравнения с пороговым значением Пz)
Рис. 5.2. Схема устройства согласованной фильтрации для оптимального распознавания сигналов с частотной манипуляцией (СФ-S1 и СФ-S2 – узкополосные согласованные фильтры с пропусканием на частотах манипуляции f1 и f2)
-
Работа согласованных и квазисогласованных фильтров
Обычные радиосигналы квазипериодичны, т.е. содержат несколько периодических составляющих. Даже для идеального случая радиосигнала с прямоугольной огибающей, импульсный радиосигнал длительностью содержит несущую частоту о и ряд гармоник, задаваемый преобразованием Фурье для импульсного изменения напряжения. На рис. 5.3 показаны: огибающая импульсного радиосигнала длительностью =Ts после детектирования S(t); комплексная спектральная характеристика согласованного фильтра Ксф(), согласованная со спектром сигнала Fc(j); сигнал на выходе фильтра zсф(t). Реальные сигналы имеют плавно изменяющуюся огибающую и практически конечный спектр. Типичная форма радиоимпульса s(t) и его спектр Fs (
) приведены на рис.5.4. Для такого сигнала
обычный полосовой фильтр с частотной характеристикой
изображенной на том же рисунке, близок к оптимальному. Отклик на выходе полосового фильтра zф(t) близок к корреляционной функции сигнала. Основной смысл согласованной фильтрации состоит в накоплении действия сигнала и выявлении коррелированности (схожести) принятой смеси и ожидаемого сигнала (корреляционный метод). Оптимальный алгоритм согласованной фильтрации не зависит от отношения “сигнал/шум”.
При квазисогласованной фильтрации центральная частота пропускания фильтра оф должна быть равна частоте сигнала ос, а ширина его полосы пропускания ф должна быть равна ширине спектральной полосы сигнала с, т.е. оф=ос и ф= ф. Таким образом, обычный RLC- контур осуществляет
квазисогласованную фильтрацию, если его резонансная частота совпадает с частотой принимаемого сигнала, а ширина полосы пропускания отрегулирована внутренним сопротивлением R контура и равна спектральной полосе сигнала.
Рис. 5.3. Схема устройства согласованной фильтрации для импульсного сигнала длительностью Ts и его входная, выходная и передаточная характеристики
Рис. 5.4. Вид радиосигнала, его спектральная характеристика, соответствующая АЧХ согласованного с сигналом фильтра, для импульсного сигнала длительностью Ts, и отклик на выходе фильтра
5.4. Ошибки при обнаружении и распознавании сигнала с известными параметрами
При реализации согласованных фильтров возможны отклонения от теоретических параметров фильтров, что приводит к ошибкам. Кроме того форма сигнала на выходе фильтра искажается, так как сигнал на выходе оптимального согласованного фильтра переходит в корреляционную функцию.
Однако в момент окончания сигнала достигается максимум отношения сигнал-помеха и минимум вероятности ошибок. Таким образом смысл фильтрации в накоплении действия сигнала, в выявлении коррелированности (подобия) принимаемой суммы сигнал плюс помеха и ожидаемого сигнала, поэтому оптимальный прием в схемах с корреляторами согласованными фильтрами можно охарактеризовать как корреляционный.
Оптимальный алгоритм и схема обнаружения и распознавания не зависят от отношения сигнал/помеха, однако вероятности ошибочных решений зависят от этого отношения, а порог при обнаружении при использовании критерия Неймана –Пирсона зависит от уровня помех.
Вероятности ошибок будем искать, интегрируя функции распределения откликов на выходе схемы в момент t=Ts при действии сигнала и помехи одновременно и при действии одной помех., (см. формулу 4.2).
Функция распределения откликов и вероятность ошибок для согласованных фильтров и корреляторов при t=Ts одинаковы. В схеме на рис.(4.4) напряжение помехи накапливается в интеграторе, поэтому отклик zn распределен по гауссовскому закону с дисперсией
где
- плотность мощности помехи.
Отклик на сигнал на выходе согласованного фильтра в момент
:
Отношение сигнал/шум в момент
:
Как следует из формулы (5.2) отношение сигнал/помеха зависит только от энергии сигнала и от спектральной плотности помех
. Для вычисления вероятности ошибок необходимо установить величину порога, но при неизвестном или случайном сигнале, используя критерий среднего риска, это сделать невозможно. Поэтому в радиолокации используют критерий Неймана-Пирсона и устанавливают порог, исходя из допустимой вероятности ложных обнаружений, т.е. из условия.
, (5.3) где
, - интеграл ошибок, а
- порог, выбираемый по критерию Неймана – Пирсона.
Из выражения (5.3) следует
и
где
- порог, не зависящий от интенсивности сигнала.
Вероятность пропуска сигнала равна:
Выражения (5.4) и (5.5) получены для сигнала с известными па-раметрами и не представляют большого практического интереса, так как фаза сигнала обычно случайна. Однако, они полезны тем, что при сравнении с выражениями, которые будут получены ни-же для сигнала со случайной фазой, позволяют выявить роль слу-чайности фазы в приеме сигналов. Результаты расчетов приведе-ны на рис.5.5 для разных значений Рдоп(реш,s/0) (сплошные линии).
















