ИУРЭ_КП_621_ПЗ_20080618 (1086436)
Текст из файла
С О Д Е Р Ж А Н И Е
| 1. | Анализ задания | 5 | ||
| 1.1. | Поверочный расчет резисторов | 7 | ||
| 1.2. | Поверочный расчет конденсаторов | 9 | ||
| 2. | Расчет конструкций тонкопленочных резисторов | 10 | ||
| 2.1. | Порядок проведения расчета | 10 | ||
| 2.2. | Выбор резистивного материала | 11 | ||
| 2.3. | Расчет геометрических параметров резистора типа «меандр» | 12 | ||
| 2.4. | Расчет резистора повышенной точности | 15 | ||
| 3. | Расчет конструкций тонкопленочных конденсаторов | 19 | ||
| 3.1. | Выбор материала диэлектрика | 19 | ||
| 3.2. | Определение минимальной толщины диэлектрика | 20 | ||
| 3.3. | Определение максимально допустимой относительной погрешности активной площади конденсатора | 20 | ||
| 3.4. | Определение удельной емкости конденсатора | 21 | ||
| 3.5. | Определение активной площади пленочного конденсатора | 21 | ||
| 3.6. | Определение размеров верхней обкладки конденсатора | 22 | ||
| 3.7. | Вычисление размеров нижних обкладок конденсатора | 22 | ||
| 3.8. | Вычисление размеров диэлектрика конденсатора | 23 | ||
| 3.9. | Определение площади, занимаемой пленочным конденсатором на подложке | 23 | ||
| 3.10. | Проведение поверочного расчета | 24 | ||
| 4. | Расчет конструкций толстопленочных резисторов | 25 | ||
| 4.1. | Разбиение на группы | 25 | ||
| 4.2. | Определение оптимального удельного сопротивления материала | 26 | ||
| 4.3. | Вычисление коэффициента формы резисторов | 28 | ||
| 4.4. | Расчет геометрических размеров резисторов | 29 | ||
| 4.4.1. | Расчет геометрических размеров резисторов с коэффициентом формы Кф ≥ 1 | 29 | ||
| 4.4.2. | Расчет геометрических размеров резисторов с коэффициентом формы Кф < 1 | 30 | ||
| 5. | Расчет конструкций толстопленочных конденсаторов | 32 | ||
| 5.1. | Выбор материала паст | 32 | ||
| 5.2. | Определение площади верхней обкладки конденсаторов | 32 | ||
| 5.3. | Расчет размеров верхней обкладки конденсаторов | 33 | ||
| 5.4. | Расчет размеров нижней обкладки конденсаторов | 33 | ||
| 5.5. | Определение размеров диэлектрика | 33 | ||
| 5.6. | Вычисление площади конденсатора | 34 | ||
| 6. | Навесные компоненты ГИМС | 35 | ||
| 6.1. | Выбор конденсатора | 35 | ||
| 6.2. | Транзисторы | 35 | ||
| 7. | Выбор подложки и корпуса | 36 | ||
| 8. | Выбор технологического процесса изготовления ГИМС | 38 | ||
| Заключение | 41 | |||
| Список литературы | 42 | |||
-
Анализ задания
Исходными данными для выполнения курсового проекта по проектированию гибридных интегральных микросхем (ГИМС) являются:
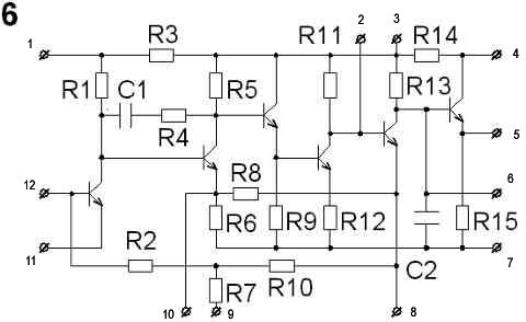
— принципиальная электрическая схема (рис.1);
— перечень входящих в нее электрорадиоэлементов и их номиналов (табл.1);
— электрические характеристики изделия, условия эксплуатации и программа выпуска (задание).
Р
ис. 1. Электрическая схема принципиальная (к варианту 6).
Микросхема усилителя может быть изготовлена по тонкопленочной технологии с применением навесных элементов.
Для формирования проводников, резисторов и контактных площадок используется метод фотолитографии, а для формирования конденсаторов – масочный. На поверхности подложки сформируем пленочные резисторы, конденсаторы, а также контактные площадки и межэлементные соединения.
Пленочная технология не предусматривает изготовление транзисторов, поэтому они выполняются в виде навесных элементов, приклеенных на подложку микросхемы. Выводы транзисторов привариваются к соответствующим контактным площадкам.
Элементы повышенной точности будут выполнены: резистор R4 – по пленочной технологии, как подстраиваемый; конденсатор C1 – в виде навесного элемента.
Таблица 1.
| i | Ri, Ом | γRi, % | Ci, пФ | γCi, % |
| 1 | 75000 | 10 | 200 | 2 |
| 2 | 33000 | 10 | 1000 | 20 |
| 3 | 12000 | 10 | ||
| 4 | 560 | 2 | ||
| 5 | 18000 | 20 | ||
| 6 | 150 | 10 | ||
| 7 | 82 | 10 | ||
| 8 | 3300 | 10 | ||
| 9 | 6800 | 10 | ||
| 10 | 470 | 10 | ||
| 11 | 8200 | 10 | ||
| 12 | 100 | 10 | ||
| 13 | 4700 | 20 | ||
| 14 | 470 | 20 | ||
| 15 | 1000 | 20 |
Резисторы ГИМС состоят из пленочных полосок различной конфигурации и контактных площадок, напыляемых на подложку. Расчет пленочных резисторов состоит в определении ширины (b) и длины (l) резистивной полоски. Исходными данными для расчета резистивных элементов являются:
– номинальное значение сопротивления Ri, Ом;
– допуск на номинал ± γR, %;
– значение расчетной величины мощности рассеяния Pi, мВт;
– сопротивление квадрата резистивной пленки R0, Ом/кв;
– минимальный размеры ширины (длины) пленочного резистора,
определяемые технологическими возможностями изготовления (bmin=lmin=100мкм);
– погрешности линейных размеров (b=l=10мкм);
– рабочий диапазон температур T, ºC;
– максимально допустимая удельная мощность рассеяния резистивной пленки (зависит от выбранного материала) P0, Вт/см2;
При этом величины Ri и γR задаются в перечне элементов принципиальной электрической схемы, Pi рассчитываются, а величины R0, bmin , lmin , b , l и P0 определяются возможностями технологического процесса производства ГИМС.
-
Поверочный расчет резисторов
Необходимо провести оценочный расчет мощности рассеяния для каждого резистора. Для этого составляются вероятные расчетные (эквивалентные) схемы (рис.2).
Сначала вычисляется ток Ii, протекающий через резистор. Далее полученное значение сравнивается с предельно допустимым для заданного транзистора (КТ 307 А-Г) током (Iк max =20мА).
Принимается значение:
В общем случае мощность каждого резистора вычисляется с использованием формулы:
где U0 = 9В — напряжение питания (задано).
Полученные значения заносятся в табл.2.
Таблица 2.
| i | Ri, Ом | Ii, мА | Iприн., мА (Iк max= 20мА) | Pi, мВт |
| 1 | 75000 | 0,120 | 0,120 | 1,080 |
| 2 | 33000 | 0,272 | 0,272 | 2,450 |
| 3 | 12000 | 0,100 | 0,100 | 0,120 |
| 4 | 560 | 0,500 | 0,500 | 0,140 |
| 5 | 18000 | 0,500 | 0,500 | 4,500 |
| 6 | 150 | 0,497 | 0,497 | 0,037 |
| 7 | 82 | 1,711 | 1,711 | 0,240 |
| 8 | 3300 | 1,125 | 1,125 | 4,180 |
| 9 | 6800 | 1,323 | 1,323 | 11,900 |
| 10 | 470 | 1,701 | 1,701 | 1,360 |
| 11 | 8200 | 1,083 | 1,083 | 9,610 |
| 12 | 100 | 90,000 | 20,000 | 40,000 |
| 13 | 4700 | 1,915 | 1,915 | 17,230 |
| 14 | 470 | 19,130 | 19,130 | 172,000 |
| 15 | 1000 | 9,000 | 9,000 | 81,000 |
-
Поверочный расчет конденсаторов
Пленочные конденсаторы ГИМС представляют собой трехслойную структуру, состоящую из двух проводящих и одной диэлектрической пленок. Конструирование пленочных конденсаторов состоит в расчете площади перекрытия обкладок, выбора их формы и расположения выводов конденсатора. Исходными данными для расчета пленочных конденсаторов являются:
-
номинальное значение емкости Ci, пФ;
-
допуск на номинал Сi, %;
-
максимальное рабочее напряжение Uр, В (определяется);
-
тангенс угла диэлектрических потерь tg (зависит от материала диэлектрика);
-
рабочий диапазон температур Tmax, Tmin, С.
Т
.к. конденсатор С1 должен быть выполнен с точностью С1= 2%, он выполняется как навесной компонент.
Характеристики
Тип файла документ
Документы такого типа открываются такими программами, как Microsoft Office Word на компьютерах Windows, Apple Pages на компьютерах Mac, Open Office - бесплатная альтернатива на различных платформах, в том числе Linux. Наиболее простым и современным решением будут Google документы, так как открываются онлайн без скачивания прямо в браузере на любой платформе. Существуют российские качественные аналоги, например от Яндекса.
Будьте внимательны на мобильных устройствах, так как там используются упрощённый функционал даже в официальном приложении от Microsoft, поэтому для просмотра скачивайте PDF-версию. А если нужно редактировать файл, то используйте оригинальный файл.
Файлы такого типа обычно разбиты на страницы, а текст может быть форматированным (жирный, курсив, выбор шрифта, таблицы и т.п.), а также в него можно добавлять изображения. Формат идеально подходит для рефератов, докладов и РПЗ курсовых проектов, которые необходимо распечатать. Кстати перед печатью также сохраняйте файл в PDF, так как принтер может начудить со шрифтами.
















