Ю.Д. Морозов, В.Г. Лейбенко - Проектирование деталей машин (1085194), страница 9
Текст из файла (страница 9)
- возможно снижение найденных габаритов РП с применением ремней сечения Z и шкивов D1(2)=80 (200) мм (вариант 3), при этом на 35% снижается масса шкивов, но на 25% возрастает нагрузка на валы.
- выбор целесообразного варианта клиноременной передачи д.б. сделан по результатам сопоставления соответствующих конструкций привода по показателям материалоемкости, нагрузкам на валы и рациональности компоновки привода. При конструировании РП задавать тяговую ветвь ремня нижней.
- 20-
8. Выбор муфт и проектное обоснование диаметров валов и подшипников (ПК) редуктора
Исходные данные: схема привода, Т1(2), Кп, n1(2), dэ.
Цель расчета – обосновать тип и размеры стандартных муфт и ПК и диаметры валов.
Выбрать тип муфты согласно ее назначения. Например, в приводе конвейера, выполненного по схеме (рис. 8.1), целесообразно устанавливать компенсирующие муфты (при отсутствии требова- ний предохранения и управления приводом): на быстроходных валах муфту упругую втулочно-пальцевую (МУВП) или с резиновой звездочкой (МУЗ); на тихоходных – зубчатую (МЗ) или цепную (МЦ).
Выбрать
размеры стандартных муфт (табл. 8.1 … 8.4) по критериям: прочности – крутящий момент Тм муфты д. б. не менее момента на соединяемых валах -Тм ≥ ТMAX1(2) = Кп.Т1(2); быстроходности - nм n1(2); собираемости – диаметры концов валов двигателя dэ и редуктора d1(2)М, соединяемых муфтами, должны совпадать с диаметрами dМ присоединительных отверстий полумуфт согласно их
Рис.8.1 диапазонам (табл. 8.1 … 8.4); и соразмерности габаритов муфт и редуктора.
Принять диаметры валов редуктора под подшипниками d′1(2)ПК ≈ (5…7) · 3√T1(2) (здесь Т1(2) в Нм; меньшие значения для тихоходных валов; d1(2)ПК обычно кратны 5), а под съемным колесом - d1(2)К принять с учетом технологичеких требований d1(2)К≥ d1(2)ПК ≥ d1(2)М.
Выбрать тип и схему установки подшипников (ПК) на валах, ориентируясь на узлы ПК в лучших аналогичных конструкциях редукторов [3], [4] (здесь используют разные типы ПК: радиальные шариковые (РШ) и роликовые (РР), радиально-упорные шариковые (РУШ) и роликовые (РУР) и др.). Размеры ПК выбранного типа первично легкой серии установить по диаметру d1(2)ПК вала.
В
цилиндрических редукторах валы обычно монтируют на РШ* по схеме "враспор" (рис. 8.2), где каждый из ПК способен воспринимать одностороннюю осевую силу. В редукторах с шеврон- ными колесами один из валов (обычно быстроходный) делают "плавающим" в опорах на РР (рис. 8.3) для самоустановки вала по зубьям полушевронов.
В конических и червячных редукторах валы монтируют на РУР, обладающих высокой осевой жесткостью (или на РУШ), по схеме "враспор", а в опорах валов-червяков при опасности температур- ного защемления ПК применяют схему с одной "плавающей" опорой на РР (или РШ) и второй – "фиксирующей" на сдвоенных РУР (рис. 8.5). Валы с консольной конической шестерней обычно монтируют на РУР (или РУШ) по схеме "врастяжку" (рис. 8.4) для уменьшения габаритов редуктора.
Принятые проектные размеры валов, ПК, а также деталей передач использовать при разработке эскизного проекта редуктора и последующих проверочных расчетах валов, ПК, соединений, …, возможные неудовлетворительные результаты которых приводят к необходимости доработки конструкции редуктора (изменению материала или размеров валов, ПК, …) и повторению необходимых расчетов.
Пример 8п. Выбор муфт и проектное обоснование диаметров валов и ПК редуктора.
Исходные данные: схема привода – см. рис. 8.1; Т1(2) =85,8(416)Нм; n1(2) =730(146)об/мин; dэ =48мм; Кп =1,5.
Выбираем для заданной схемы привода стандартные компенсирующие муфты. .
Для тихоходного вала находим: Тmax2 =1,5.416 = 624 Нм и d'2ПК ≈ 5· 3√T2= 5· 3√416= 37,3 мм.
Примем** муфту зубчатую М3-1000х36 (табл. 8.3), у которой Тм=1000 Нм >Тmax2 ; nм =6300 об/мин > n2; и dм=36 мм (диапазон dм= 32…40 мм, длина lм =82 мм). Задаем*: диаметры ступеней тихоходного вала: d2М = 36 мм (длиной l2М =80 мм), d2ПК = 40 мм > d2М, d2К = 42 мм > d2ПК; и подшипники РШ 208 с установкой "враспор".
Для быстроходного вала: Тmax1=1,5.85,8=129 Нм, dэ=48 мм и d'1ПК≈7·3√T1=7·3√85,8=30,8 мм.
Примем муфту МУВП–250 х 48.1.1 х 32.1.2 (табл. 8.1), у которой: Тм=250 Нм>Тmax1, посадочные диаметры в полумуфтах разные dм=32 и 48 мм=dэ (диапазон dм=32…48 мм) и nм=3800 об/мин > n1. Задаем: диаметры* вала-шестерни d1М=32 мм (l1М=58 мм) и d1ПК=35 мм> d1М; подшипники 207 с установкой «враспор» .
.
* В дальнейшем при недостаточном расчетном ресурсе РШ легкой серии заменяют на РШ средней серии или на РУР (реже на более дорогие, но быстроходные РУШ).
** Учитывая, что значение d'ПК ориентировочно, возможны иные варианты выбора, например, для тихо- ходного вала приемлем выбор муфты МЗ-1000х32, диаметров вала d2М=32 мм=dМ, d2ПК=35 мм; d2К=36 мм и подшипников 207 (таких же как у быстроходного вала) с установкой «враспор».
- 21 -
Таблица 8.1 Муфты упругие втулочно-пальцевые (МУВП) ГОСТ 21424-93*
Тм
Нм
nм
мин-1
Характеристики, мм
=1,50
dм
lм**
Dм
D
z
r
31,5
6350
16…18
40 / 28
63
90
4
0,2
20…22
50 / 36
63
5700
71
100
4
0,2
25…28
60 / 42
125
4600
90
125
5
0,3
32…38
80 / 58
250
3800
105
140
5
0,3
=1,00
40…48
110 / 82
500
3600
130
170
5
0,3
50…56
1000
2850
140 / 105
160
210
6
0,4
63…70
| Тм Нм | nм мин-1 | Характеристики, мм | =1,50 | |||||
| dм | lм** | Dм | D | z | r | |||
| 31,5 | 6350 | 16…18 | 40 / 28 | 63 | 90 | 4 | 0,2 | |
| 20…22 | 50 / 36 | |||||||
| 63 | 5700 | 71 | 100 | 4 | 0,2 | |||
| 25…28 | 60 / 42 | |||||||
| 125 | 4600 | 90 | 125 | 5 | 0,3 | |||
| 32…38 | 80 / 58 | |||||||
| 250 | 3800 | 105 | 140 | 5 | 0,3 | =1,00 | ||
| 40…48 | 110 / 82 | |||||||
| 500 | 3600 | 130 | 170 | 5 | 0,3 | |||
| 50…56 | ||||||||
| 1000 | 2850 | 140 / 105 | 160 | 210 | 6 | 0,4 | ||
| 63…70 | ||||||||
Таблица 8.2 Муфты с резиновой звёздочкой (МУЗ) ГОСТ 14084-76
| Тм Нм | nм мин-1 | Размеры, мм | |||||
| dм | lм** | Dм | D | B | |||
| 31,5 | 4000 | 16…18 | 40 / 28 | 52 | 71 | 18 | |
| 20…22 | 50 / 36 | ||||||
| 63 | 3500 | 65 | 85 | 25 | |||
| 25…28 | 60 / 42 | ||||||
| 125 | 3000 | 80 | 105 | 25 | |||
| 32…38 | 80 / 58 | ||||||
| 250 | 2000 | 103 | 135 | 28 | |||
| 40…48 | |||||||
| 400 | 1500 | 38 | 125 | 166 | 33 | ||
| 40…48 | 110 /82 | ||||||
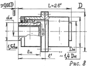
Таблица 8.3 Муфты зубчатые (МЗ) ГОСТ Р 50895-96
| Тм Нм | nм мин-1 | Размеры, мм | r=1,5…2,2мм =1,50 | ||||
| dм | lм | Dм | D | L | |||
| 1000 | 6300 | 32…40 | 82 | 75 | 145 | 190 | |
| 1600 | 5000 | 40…50 | 95 | 170 | |||
| 2500 | 4800 | 40…60 | 105 | 100 | 185 | 245 | |
| 4000 | 4300 | 50…65 | 110 | 200 | |||
Т
аблица 8.4 Муфты цепные (МЦ) ГОСТ 20742-81*
| Тм Нм | nм мин-1 | Характеристики, мм | =10 | |||||
| dм | lм ** | k | Dм | D | r | |||
| 250 | 1200 | 32…38 | lМ** см.. МУВП | 23 | 98,1 | 140 | 0,2 | |
| 40…48 | 29 | |||||||
| 500 | 1020 | 29 | 142,7 | 200 | 0,4 | |||
| 1000 | 780 | 50…56 | 30 | 147,2 | 210 | 0,4 | ||
| 2000 | 720 | 63…70 | 37 | 196,3 | 280 | 0,6 | ||
.















