Ю.Д. Морозов, В.Г. Лейбенко - Проектирование деталей машин (1085194), страница 18
Текст из файла (страница 18)
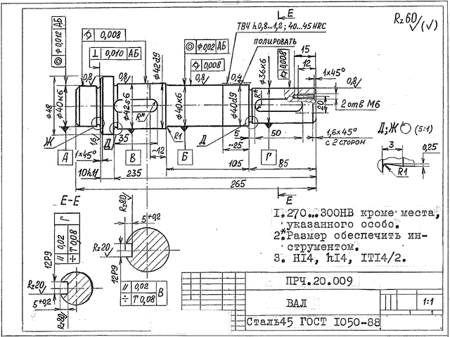
Рис. 17.5
- 45 -
Таблица 17.5
| Фор. | Зона | Поз. | Обозначение | Наименование | Кол. | Прим. | |||||||
| Документация | |||||||||||||
| ПРЧ.00.000.ВО | Чертеж общего вида | ||||||||||||
| ПРЧ.00.000.ЗП | Записка пояснительная | ||||||||||||
| Сборочные единицы | |||||||||||||
| 1 | ПРЧ.10.000 | Рама | 1 | ||||||||||
| 2 | ПРЧ.20.000 | Редуктор червячный | 1 | ||||||||||
| Детали | |||||||||||||
| 4 | ПРЧ.00.001 | Болт фундаментный М16 | 6 | ||||||||||
| Стандартные изделия | |||||||||||||
| 6 | Болт М12*30 ГОСТ 7808-70 | 4 | |||||||||||
| 7 | Болт М10*25 ГОСТ 7808-70 | 4 | |||||||||||
| 8 | Гайка М16 ГОСТ 2524-70 | 6 | |||||||||||
| 10 | Шайба 16.65Г ГОСТ 6402-70 | 6 | |||||||||||
| 11 | Шайба 12.65Г ГОСТ 6402-70 | 4 | |||||||||||
| 12 | Шайба 10.65Г ГОСТ 6402-70 | 4 | |||||||||||
| 14 | Муфта МУВП-125*38.11*25.12 | ||||||||||||
| ГОСТ 21424-75 | 1 | ||||||||||||
| 15 | Муфта ЗУБЧАТАЯ МЗ-1000*32 | ||||||||||||
| ГОСТ 5006-83 | 1 | ||||||||||||
| 16 | Двигатель 4А132М2 ИСП. 1 | ||||||||||||
| ГОСТ 19523-81 | 1 | ||||||||||||
| ПРЧ.00.000 | |||||||||||||
| Изм. | Лист | № док. | Подп. | Дата | |||||||||
| Разраб. | Привод с редуктором червячным | Лит | Лист | Листов | |||||||||
| Провер. | 1 | ||||||||||||
| Т.конт. | МГУПИ каф. “Прикладная механика” | ||||||||||||
| Н.конт. | |||||||||||||
| Утв. | |||||||||||||
- 46 -
Рис. 17.6
Рис. 17.7
- 47 -
Список литературы.
1. Дунаев П.Ф., Леликов О.П. Конструирование узлов и деталей машин.
М.: Высшая школа, 1998.
2. Иванов М.Н., Финогенов В.А. Детали машин. М.: Высшая школа, 2008.
3. Решетов Д.Н. Детали машин. М.: Машиностроение, 1989.
4. Детали машин. Атлас конструкций / Под ред. Д.Н. Решетова.
М.: Машиностроение, ч. 1 и 2, 1992.
- 48 -
Приложение 1. Технические данные электродвигателей единой серии 4А ГОСТ 19523-81
(типоразмер / асинхронная частота вращения – диаметр вала двигателя)
| Мощность Рэ, кВт | Синхронная частота nс, об/мин | |||
| 750 | 1000 | 1500 | 3000 | |
| 2,2 | 112МА8 / 700 - 32 | 100L6 / 950 – 28 | 90L4 / 1425 – 24 | 80В2 / 2850 – 22 |
| 3 | 112МВ8 / 700 - 32 | 112МА6 / 955 – 32 | 100S4 / 1435 – 28 | 90L2 / 2840 – 24 |
| 4 | 132S8 / 720 - 38 | 112МВ6 / 950 – 32 | 100L4 / 1430 – 28 | 100S2 / 2880 – 28 |
| 5,5 | 132М8 / 720 - 38 | 132S6 / 965 – 38 | 112М4 / 1445 – 32 | 100L2 / 2880 – 28 |
| 7,5 | 160S8 / 730 - 48 | 132М6 / 970 – 38 | 132S4 / 1445 – 38 | 112М2 / 2900 – 32 |
| 11 | 160М8 / 730 - 48 | 160S6 / 975 – 48 | 132М4 / 1460 – 38 | 132М2 / 2900 – 38 |
| 15 | 180М8 / 730 – 55 | 160М6 / 975 – 48 | 160S4 / 1465 – 48 | 160S2 / 2940 – 42 |
Пример обозначения двигателя Рэ=5,5 кВт, nс=1500 об/мин: «Двигатель 4А112М4 ГОСТ 19523-81 »
Приложение 2. Примеры оформления титульного листа пояснительной записки и
листа задания на курсовой проект
| МОСКОВСКИЙ ГОСУДАРСТВЕННЫЙ УНИВЕРСИТЕТ ПРИБОРОСТРОЕНИЯ И ИНФОРМАТИКИ Факультет ……. Специальность ……………………… Кафедра ТИ-10 «Прикладная механика» Дисциплина 3212 «Детали машин» П О Я С Н И Т Е Л Ь Н А Я З А П И С К А K КУРСОВОМУ ПРОЕКТУ на тему: «ПРИВОД КОНВЕЙЕРА С ……………… РЕДУКТОРОМ» Студент ………….……………………………….. Группа ……….…… шифр ……………………... Обозначение курсового проекта ……………….. Проект защищен на оценку …………………….. Руководитель ……………………………………. Члены комиссии …………………………………. …………………………………. …………………………………. МОСКВА 20__ г | МОСКОВСКИЙ ГОСУДАРСТВЕННЫЙ УНИВЕРСИТЕТ ПРИБОРОСТРОЕНИЯ И ИНФОРМАТИКИ Факультет ……. Специальность ……………………… Кафедра ТИ-10 «Прикладная механика» Дисциплина 3212 «Детали машин ЗАДАНИЕ НА КУРСОВОЙ ПРОЕКТ Студент ………………шифр……………группа……….. 1. Тема проекта …………………………………………… 2. Срок представления проекта к защите « » …....... г. 3. Исходные данные : спроектировать привод конвейера согласно техническому заданию по варианту _ _ _ _ _. 4. Содержание пояснительной записки 4.1. Техническое задание. 4.2. Энергосиловой и кинематический расчет привода. 4.3. Расчеты работоспособности основных элементов привода: 4.3.1. Расчеты передач. 4.3.2. Выбор муфт и проектное обоснование диаметров валов и подшипников редуктора 4.3.3. Проверочные расчеты валов на прочность. 4.3.4. Подбор подшипников. 4.3.5. Расчет соединений. 5. Перечень графического материала: 5.1. Чертеж общего вида привода. 5.2. Чертеж сборочный редуктора (в М 1:1). 5.3. Чертежи рабочие деталей (в М 1:1). Руководитель ………................................................ Задание к исполнению принял ……………………... |
















