1 часть (1084698)
Текст из файла
Министерство образования и науки
Российской Федерации
МОСКОВСКИЙ ГОСУДАРСТВЕННЫЙ УНИВЕРСИТЕТ
ПРИБОРОСТРОЕНИЯ И ИНФОРМАТИКИ
Кафедра «ПРИКЛАДНАЯ МЕХАНИКА»
Ю.Д. Морозов, В.Г. Лейбенко
КУРСОВОЕ ПРОЕКТИРОВАНИЕ ПО ДЕТАЛЯМ МАШИН
Учебное пособие. Часть 2.
Изложена инженерная методика проектирования конструкций машин на примере разработки привода конвейера в курсовом проекте по деталям машин, включая обоснование размеров основных деталей привода на стадиях эскизного и технического проектов согласно следующих разделов: расчет передач ( см. часть 1 ) и представленных здесь:
1. Выбор муфт и обоснование размеров валов и подшипников редукторов.
2. Конструирование редукторов.
3. Проверочные расчёты валов на прочность.
4. Подбор подшипников качения.
5. Расчёт шпоночных соединений.
6. Содержание и оформление графической части проекта.
Предназначено студентам, изучающим курс «Детали машин и основы конструирования» по кафедре «Прикладная механика».
Пособие издается в соответствии с учеб-
ными планами по курсу «Детали машин и основы
конструирования», одобрено на заседании каф.
«Прикладная механика» и рекомендовано к. из-
данию РИС МГУПИ.
УДК 621-81.001.66
Москва 2006
Министерство образования и науки
Российской Федерации
МОСКОВСКИЙ ГОСУДАРСТВЕННЫЙ УНИВЕРСИТЕТ
ПРИБОРОСТРОЕНИЯ И ИНФОРМАТИКИ
Кафедра «ПРИКЛАДНАЯ МЕХАНИКА»
Ю.Д. Морозов, В.Г. Лейбенко
КУРСОВОЕ ПРОЕКТИРОВАНИЕ ПО ДЕТАЛЯМ МАШИН
Учебное пособие для ВУЗов. Часть 2.
Москва 2006
- 2 -
Авторы: к.т.н. Морозов Ю.Д.
к.т.н. Лейбенко В.Г.
УДК 621.81.001.66
Название: Курсовое проектирование по деталям машин. Учебное пособие для ВУЗов. Часть 2./МГУПИ; Морозов Ю.Д., Лейбенко В.Г. М., 2006. 27 с.
Изложена инженерная методика проектирования конструкций машин на примере разработки привода конвейера в курсовом проекте по деталям машин, включая обоснование размеров основных деталей привода на стадиях эскизного и технического проектов.
Предназначено студентам, изучающим курс «Детали машин и основы конструирования» по кафедре «Прикладная механика».
Табл:. 13. Ил:. 31. Библиограф: 4 назв.
Рецензенты: д.т.н., проф. Ермаков Ю.М.
к.т.н., доц. Дмитриев В.И.
- 3 -
Содержание
| 1. Выбор муфт и проектное основание диаметров валов и подшипников редукторов | 4 |
| 2. Конструирование редукторов (эскизный проект) | 6 |
| 3. Проверочные расчеты валов на прочность | 8 |
| 4. Подбор подшипников качения | 10 |
| 5. Расчет шпоночных соединений | 14 |
| 6. Содержание и оформление графической части проекта | 15 |
| Список литературы | 27 |
- 4 -
1.Выбор муфт и проектное обоснование диаметров валов и подшипников (ПК) редукторов.
Исходные данные: схема привода, Т1(2), n1(2), dэ, Кп .
В приводах, выполненных, например, по схеме – рис. 1, целесообразно устанавливать муфты, компенсирующие несоосность соединяемых валов: на быстроходных валах – муфту упругую втулочно-пальцевую– МУВП или с резиновой звездочкой – МУЗ; на тихоходных – зубчатую – МЗ или цепную – МЦ.
Размеры стандартных муфт (см. табл. к рис. 6…9) выбирают из условий: прочности (крутящий момент Тм муфты д. б. не менее наибольшего момента на соединяемых валах – Тmax = Кп.Т1(2) Тм), быстроходности (nм n1(2)), собираемости (д.б. равенство посадочных диаметров dм концов валов и отверстий полумуфт; при соединении концов валов разного диаметра (м.б. dэ ≠ dм1) выбирают муфту с соответствующим диапазоном dм) и соразмерности (габариты муфты д.б. меньше, чем у редуктора).
Подбор муфт совмещают с обоснованием диаметров ступеней валов: dм, dпк – под подшипниками (ПК), dк – под сьемным колесом. При этом соблюдают выше указанные требования к муфте, условие сборки вала - dм≤dпк≤dк и ожидаемую величину
(здесь T в Нм; меньшее значение для тихоходных валов, большее – для быстрохоных; проектное значение dпк д.б. кратно 5).
Тип и схему установки ПК на валах, выбирают ориентируясь на узлы ПК в лучших аналогичных конструкциях редукторов (см. [3], [4]; здесь используют разные типы ПК: радиальные шариковые (РШ) и роликовые (РР), радиально-упорные шариковые (РУШ) и роликовые (РУР) и др.). Размер выбранных ПК задают по диаметру dПК вала.
В
цилиндрических редукторах валы обычно монтируют на РШ легкой или средней серии по схеме "враспор" (рис.2), где каждый из ПК способен воспринимать одностороннюю осевую силу. При недостаточной грузоподъемности их заменяют на РУР или более дорогие, но быстроходные РУШ. В редукторах с шевронными колесами один из валов делают "плавающим" в опорах на РР (рис. 3) для самоустановки вала по зубьям полушевронов.
В конических и червячных редукторах валы монтируют на РУР (РУШ) по схеме "враспор", а при больших осевых силах или опасности температурного защемления ПК применяют схему (рис.5) с одной "плавающей" опорой на РШ (РР) и второй – "фиксирующей" на сдвоенных РУР (распространена в опорах червяков). Валы с конической шестерней обычно монтируют на РУР (РУШ) по схеме "врастяжку" – рис. 4, для уменьшения габаритов редуктора.
Найденные проектные размеры валов, ПК и, ранее, деталей передач используют в разработке эскизного проекта редуктора, а затем в проверочных расчетах валов и ПК, неудовлетворительные результаты которых приводят к необходимости доработки конструкции и повторению расчетов.
ПРИМЕР. Выбрать муфты и обосновать диаметры валов и ПК редуктора в приводе конвейера – см. рис.1: Т1(2) =85,8(416)Нм; n1(2) =730(146)об/мин; dэ =48мм; Кп =1,5.
Выбираем стандартные компенсирующие муфты.
Для тихоходной муфты Тmax2 =1,5.416 =624Нм; d'2ПК =
мм.
Примем муфту зубчатую М3-1000х36, (см. табл. к рис.8), у которой Тм= 1000 Нм >Тmax2 ; nм = 6300 об/мин > n2; dм = 36 мм. Задаем диаметры тихоходного вала: d2м = 36 мм; d2ПК =40 мм; d2К =42 мм; и тип ПК - 208 с установкой "враспор".
Для быстроходной муфты: Тmax1 =1,5.85,8 =129Нм; d'1ПК =
мм; dэ=48 мм. Примем муфту МУВП – 250х48.1.1х32.1.2, у которой: Тм = 250Нм > Тmax1, nм = 3800 об/мин > n1; и присоединительные диаметры полумуфт: 48 мм = dЭ и 32 мм = d1М – соответствует диапазону dм = 32…48мм. При этом диаметры вала: d1М= 32 мм и d1ПК= 35 мм; ПК – 207 с установкой "враспор".
P.S. Учитывая, что значение d'ПК ориентировочно, возможны иные варианты выбора, например, для тихоходного вала: муфта МЗ-1000 х 35, диаметры вала d2м = d2ПК = 35 мм; d2К = 36 мм; ПК – 207 (такие же как у быстроходного вала) с установкой "враспор".
- 5 -
Муфты упругие втулочно-пальцевые (МУВП, рис.6) ГОСТ 21424-93
| Нм | nм мин-1 | Характеристики, мм | =1,50 | |||||
| dм | l**м | Dм | D | z | r | |||
| 31,5 | 6350 | 16…18 | 40 / 28 | 63 | 90 | 4 | 0,2 | |
| 20…22 | 50 / 36 | |||||||
| 63 | 5700 | 71 | 100 | 4 | 0,2 | |||
| 25…28 | 60 / 42 | |||||||
| 125 | 4600 | 90 | 125 | 5 | 0,3 | |||
| 32…38 | 80 / 58 | |||||||
| 250 | 3800 | 105 | 140 | 5 | 0,3 | =1,00 | ||
| 40…48 | 110 / 82 | |||||||
| 500 | 3600 | 130 | 170 | 5 | 0,3 | |||
| 50…56 | ||||||||
| 1000 | 2850 | 140 / 105 | 160 | 210 | 6 | 0,4 | ||
| 63…70 | ||||||||
М
уфты с резиновой звёздочкой (МУЗ, рис.7) ГОСТ 14084-76
| Тм Нм | nм мин-1 | Размеры, мм | r=0,2 мм; =1,50 | ||||
| dм | l**м | Dм | D | B | |||
| 31,5 | 4000 | 16…18 | 40 / 28 | 52 | 71 | 18 | |
| 20…22 | 50 / 36 | ||||||
| 63 | 3500 | 65 | 85 | 25 | |||
| 25…28 | 60 / 42 | ||||||
| 125 | 3000 | 80 | 105 | 25 | |||
| 32…38 | 80 / 58 | ||||||
| 250 | 2000 | 103 | 135 | 28 | |||
| 40…48 | |||||||
| 400 | 1500 | 38 | 125 | 166 | 33 | ||
| 40…48 | 110 /82 | ||||||
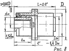
М
уфты зубчатые (МЗ, рис.8) ГОСТ Р 50895-96
| Тм Нм | nм мин-1 | Размеры, мм | r=1,5…2,2мм =1,50 | ||||
| dм | lм | Dм | D | L | |||
| 1000 | 6300 | 32…40 | 82 | 75 | 145 | 190 | |
| 1600 | 5000 | 40…50 | 95 | 170 | |||
| 2500 | 4800 | 40…60 | 105 | 100 | 185 | 245 | |
| 4000 | 4300 | 50…65 | 110 | 200 | |||
Муфты цепные (МЦ, рис.9) ГОСТ 20742-81
| Тм Нм | nм мин-1 | Характеристики, мм | ||||||
| dм | lм ** | k | Dм | D | r | |||
| 250 | 1200 | 32…38 | lМ** см.. МУВП | 23 | 98,1 | 140 | 0,2 | |
| 40…48 | 29 | |||||||
| 500 | 1020 | 29 | 142,7 | 200 | 0,4 | |||
| 1000 | 780 | 50…56 | 30 | 147,2 | 210 | 0,4 | ||
| 2000 | 720 | 63…70 | 37 | 196,3 | 280 | 0,6 | ||
Характеристики
Тип файла документ
Документы такого типа открываются такими программами, как Microsoft Office Word на компьютерах Windows, Apple Pages на компьютерах Mac, Open Office - бесплатная альтернатива на различных платформах, в том числе Linux. Наиболее простым и современным решением будут Google документы, так как открываются онлайн без скачивания прямо в браузере на любой платформе. Существуют российские качественные аналоги, например от Яндекса.
Будьте внимательны на мобильных устройствах, так как там используются упрощённый функционал даже в официальном приложении от Microsoft, поэтому для просмотра скачивайте PDF-версию. А если нужно редактировать файл, то используйте оригинальный файл.
Файлы такого типа обычно разбиты на страницы, а текст может быть форматированным (жирный, курсив, выбор шрифта, таблицы и т.п.), а также в него можно добавлять изображения. Формат идеально подходит для рефератов, докладов и РПЗ курсовых проектов, которые необходимо распечатать. Кстати перед печатью также сохраняйте файл в PDF, так как принтер может начудить со шрифтами.
















