Лабораторный практикум (1084409), страница 7
Текст из файла (страница 7)
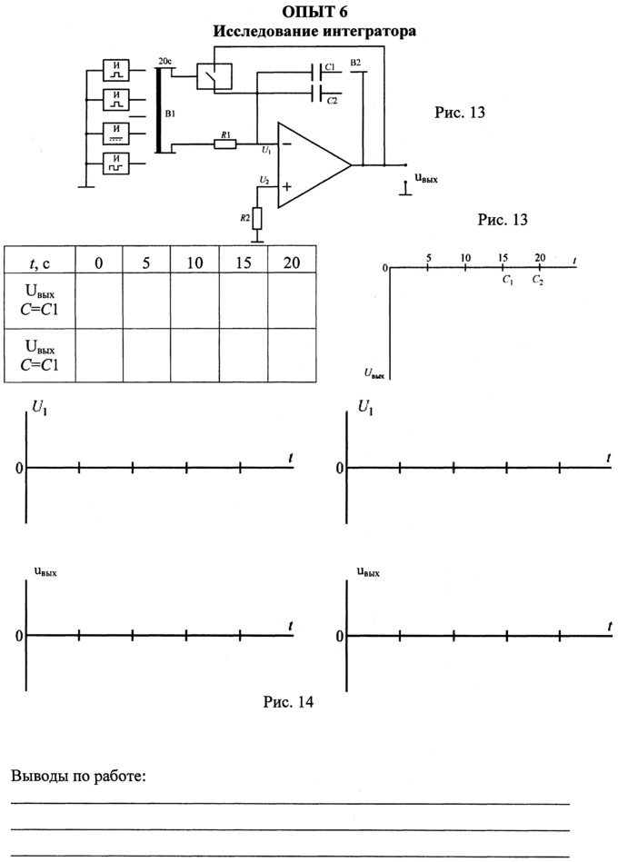
Какое устройство называется интегратором и каковы его свойства?
Поясните, каким образом с помощью интегратора могут быть сформированы напряжения треугольной или пилообразной формы?
Лабораторная работа № 11. Исследование логических элементов и импульсных схем
Цель работы: исследование логических элементов, триггеров и счетчиков импульсов, выполненных на основе 155-серии цифровых интегральных микросхем.
Краткие теоретические сведения
К цифровым интегральным микросхемам относятся устройства, с помощью которых преобразуются и обрабатываются сигналы, выраженные в двоичном или другом цифровом коде. Используемые при этом сигналы близки по форме к прямоугольным и имеют два фиксированных уровня напряжения. Уровню низкого напряжения обычно приписывается символ «0», уровню высокого напряжения – «1».
Основой цифровых микросхем является логический элемент, предназначенный для преобразования входных сигналов в выходные по определенному закону, причем те и другие принимают только значения «0» и «1». Обозначим входные сигналы «Х», а выходные – «Y», получим логическую функцию Y=F(X). Логическая функция записывается в виде математических символов или таблиц.
 О
 
 сновными логическими функциями являются: Y=
 – отрицание, инверсия или «НЕ» (табл.1); логическая сумма, дизъюнкция или функция «ИЛИ» (табл.2) 
 ; логическое произведение, конъюнкция или функция «И» (табл.3) 
 . Используя законы алгебры логики, на основе этих элементарных логических функций можно получить более сложные логические функции.
На рис. 1, 2 и 3 приведены обозначения логических элементов, выполняющих соответствующие функции «НЕ», «ИЛИ» и «И».
VT1
VT2
Логические элементы конструируются на основе ключевых схем, которые могут иметь различное конструкторско-технологическое исполнение. Совокупность цифровых микросхем, имеющих единое конструктивно-технологическое исполнение, выполняющих различные логические функции и предназначенные для совместного исполнения, называется серией интегральных схем.Логические элементы 155-серии
 П
 
 о конструкторско-технологическому исполнению цифровые микросхемы 155-серии относятся к классу элементов транзисторно-транзисторной логики (ТТЛ). Основой этого класса элементов является использование многоэмиттерного транзистора. На рис. 4а приведена базовая схема ТТЛ, выполняющая логическую функцию «И-НЕ» (рис. 4.б).
 
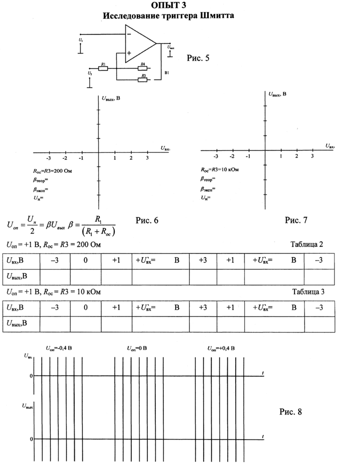
 Схема питается напряжением Еп = 5 В. Содержит многоэмиттерный транзистор VТ1, транзистор VТ2, резисторы R1 и R2, обеспечивающие ключевой (импульсный) режим работы транзисторов VТ1 и VТ2. Если хотя бы на одном из входов (например Х1) действует логический «0», эмиттерный переход транзистора VТ1 открыт, напряжение UТ2бэ транзистора VТ2 мало и он закрыт. Сигнал на выходе логического элемента У=1. При наличии на всех входах VТ1 логической «1» напряжение UТ1бэ мало и эмиттерные переходы VТ1 закрыты. Током Iб транзистор VТ2 открыт, сигнал на его выходе У=0. На рис.5 приведена передаточная характеристика элемента И-НЕ. Из нее следует, что входные напряжения логических «0» и «1» соответственно равны Uвх0 = 0,2 В и Uвх1 = 1,2 В. Выходные напряжения логических «0» и «1» – Uвых0 = 0,4 В, Uвых1 = 2,4 В.
На базе элементов И-НЕ, путем различных способов их подключения между собой, формируются другие элементы серии 155, выполняющие различные логические функции.
Триггеры
Триггером называется электронное устройство, способное сохранять двоичную информацию (состояния равновесия «0» и «1») после окончания действия входных импульсов. Они широко используются для формирования прямоугольных импульсов, в счетчиках импульсов, в регистрах памяти и т.д.
По функциональному признаку различают: R-S; D; J-K - триггеры. По способу управления триггеры подразделяют на асинхронные и тактируемые. В асинхронных триггерах переключение из одного состояния в другое осуществляется непосредственно с поступлением сигнала на информационный вход. В тактируемых триггерах помимо информационных входов имеется вход тактовых импульсов. Их переключение осуществляется только при наличии разрешающего, тактирующего импульса.
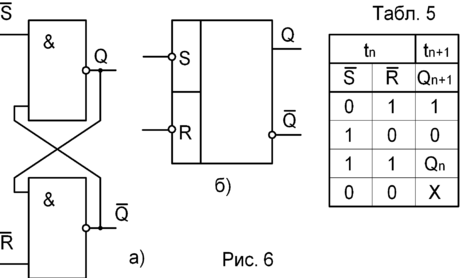
Асинхронные R-S - триггеры являются наиболее простыми, однако получившими широкое распространение в импульсной технике, т.к. служат основой для триггеров других типов и требуют для своего построения всего два базовых логических элемента.
 
 На рис. 6а приведена структурная схема асинхронного R-S - триггера на логических элементах И-НЕ. Схема имеет информационные входы  
  и  
  (инверсные), два выхода: Q - прямой, 
 - инверсный. Состоянию логической «1» соответствует Q = 1, 
 = 0, состоянию логического «0» – Q = 0, 
 = 1, которые принимает триггер после прихода на входы R и S очередных импульсов. Из таблицы истинности 5 следует, что при  
  =  
  = 1 триггер сохраняет предыдущее состояние Qn. При переходе из состояния  
  =  
  = 0 сразу в состояние  
  =  
  = 1 триггер принимает неопределенное состояние, поэтому такая комбинация входных сигналов является запрещенной. R-S триггер является триггером с раздельным по входам  
  и  
  запуском. Его условное изображение показано на рис. 6б.
 D-триггеры являются триггерами с временной задержкой. Они имеют информационный D-вход и тактируемый Т-вход: Состоянию логической «1» соответствует единица на входе, а состоянию логического «0» – нулевой уровень входного сигнала. Условное обозначение D-триггера и временные диаграммы его работы приведены на рис. 7. Из диаграммы видно, что при наличии информационного сигнала на входе в интервале времени 
 триггер не переключается. При приходе тактового импульса он переключается (момент 
 ) и примет исходное состояние при следующем тактовом импульсе в момент 
 . Таким образом, D-триггер характеризуется задержкой переключения во времени на период тактовых импульсов.
D-триггеры конструируются на основе R-S триггеров.
Т-триггер – триггер со счетным Т-входом. Характерным свойством Т‑триггера является его переключение в противоположное состояние с приходом каждого очередного входного импульса. Ввиду его широкого применения в счетчиках импульсов его часто называют триггером со счетным запуском. Обычно он выполняется на базе R-S триггеров. Его условное обозначение приведено на рис. 8.
 
 J-K триггер получают на основе Т-триггеров. Они имеют дополнительные информационные входы J и K. Наличие двух дополнительных входов расширяет функциональные возможности триггеров, в связи с чем J - K триггеры называют универсальными. При соответствующем включении J и K входов триггера могут быть получены R-S, D и Т-триггеры. При этом R-S, D и Т-триггеры получаются тактируемыми. R-S триггер (рис. 9а) получают объединением J и S, R и K входов. D -триггер 
 создают (рис. 9б) введением инвертора между входами J и K. Т - триггер  (рис. 9в) реализуют подключением J и K входов ко входу Т.
 Счетчики импульсов
 Счетчик – устройство, предназначенное для счета числа электрических импульсов, поступающих на его вход. Счетчики импульсов выполняются на основе триггеров.
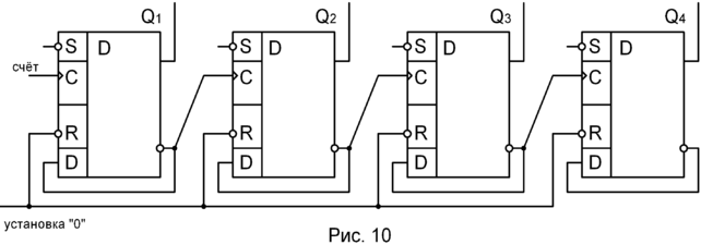
Наиболее простым счетчиком является двоичный счетчик, осуществляющий счет поступающих импульсов в двоичной системе счисления. Такой счетчик (рис. 10) состоит из «n» триггеров (регистров) со счетным запуском. Максимальное число импульсов, которое может сосчитать счетчик при последовательном соединении триггеров составит N = 2n - 1. Для четырехразрядного счетчика (рис. 10) N = 24 - 1 = 15. Временная диаграмма состояний счетчика приведена на рис. 11.
Перед поступлением входных импульсов все разряды счетчика устанавливаются в состояние «0» (Q1=Q2=Q3=Q4=0) подачей импульсов на вход «установка нуля». После поступления первого счетного импульса первый разряд переходит в соcтояние Q1 = 1. В счетчик записывается число 1. По окончании второго импульса первый разряд счетчика переходит в состояние «0», второй – «1». В счетчике записывается число 2 с двоичным кодом 0010. Подобным же образом осуществляется работа счетчика при последующих счетных импульсах (см. рис. 11 и табл. 6). При поступлении 15-го импульса все разряды счетчика устанавливаются в состояние «1», а 16-м импульсом все разряды обнуляются.
Таблица 6
|   № имп.  |    1  |    2  |    3  |    4  |    5  |    6  |    7  |    8  |    9  |    10  |    11  |    12  |    13  |    14  |    15  |    16  |  
|   Q1  |    1  |    0  |    1  |    0  |    1  |    0  |    1  |    0  |    1  |    0  |    1  |    0  |    1  |    0  |    1  |    0  |  
|   Q2  |    0  |    1  |    1  |    0  |    0  |    1  |    1  |    0  |    0  |    1  |    1  |    0  |    0  |    1  |    1  |    0  |  
|   Q3  |    0  |    0  |    0  |    1  |    1  |    1  |    1  |    0  |    0  |    0  |    0  |    1  |    1  |    1  |    1  |    0  |  
|   Q4  |    0  |    0  |    0  |    0  |    0  |    0  |    0  |    1  |    1  |    1  |    1  |    1  |    1  |    1  |    1  |    0  |  
В процессе работы двоичного счетчика частота следования импульсов на выходе каждого последующего триггера уменьшается вдвое по сравнению с частотой его исходных импульсов (см. рис. 11). Это свойство схемы используют для построения делителей частоты.















