Лабораторный практикум (1084409), страница 5
Текст из файла (страница 5)
Включить стенд.
а) Убедиться, что форма выходного напряжения выпрямителя без фильтра соответствует пунктиру на рис. 4 в бланке лабораторных работ. Положение переключателей: В8, В10 – вверх, В4, В6 – в среднем положении;
б) Зарисовать на рис. 4 бланка (верхняя часть) форму выходного напряжения выпрямителя с С-фильтром в нагрузочном режиме. Положение переключателей: В8 – вверх, В10 – вверх, В4 – вверх, В6 – в среднем положении;
в) Зарисовать на рис. 4 бланка (нижняя часть) форму выходного напряжения выпрямителя с CLC-фильтром в нагрузочном режиме. Положение переключателей: В8 – вниз, В10 – вверх, В4, В6 – вверх.
6. Выключить питание стенда и осциллографа. Разобрать схему.
По данным таблицы 1 на рис. 2 бланка построить внешние характеристики двухполупериодного мостового выпрямителя.
Литература
-  
Герасимов В.Г. и др. «Основы промышленной электроники», М.; «Высшая школа», 1986.
 -  
Забродин Ю.С. «Промышленная электроника» М.; «Высшая школа», 1982.
 
Контрольные вопросы
-  
Назначение выпрямителей. Какими параметрами характеризуются выпрямители?
 -  
Какие достоинства и недостатки схем выпрямителей: однополупериодного? Двухполупериодного со средней точкой? Мостового?
 -  
Назначение фильтров. За счёт каких свойств С и L осуществляется сглаживание пульсаций напряжения фильтрами?
 -  
Внешние характеристики выпрямителей. Почему уменьшается напряжение выпрямителя при увеличении тока потребителя?
 -  
Выпрямители с какими фильтрами имеют наименьшие пульсации? Почему?
 
|   Студент  |    Группа  |    Выполнено  |  |||||
|   Курс  |    Сдано  |  ||||||
ЛАБОРАТОРНАЯ РАБОТА № 6
ИССЛЕДОВАНИЕ источников питания электронных устройств
Блок – схема установки
Рис. 1. Схема исследуемых блоков выпрямителей (БВ)
Однополупериодный выпрямиетль (БВ1)
Двухполупериодный выпрямитель со средней точкой (БВ2)
Двухполупериодный мостовой выпрямитель (БВ3)
Схема исследуемых блоков фильтров (БФ1)
С – фильтр CLC – фильтр
ОПЫТ 1
Снятие внешней характеристики двухполупериодного мостового выпрямителя
Таблица 1
|    Тип  |    Rн  |    х.х.  |    Rmax  |    Rном  |    Rmin  |  |
|    Без   |    Id  |    мА  |  ||||
|   Ud  |    В  |  |||||
|    С   |    Id  |    мА  |  ||||
|   Ud  |    В  |  |||||
|    CLC   |    Id  |    мА  |  ||||
|   Ud  |    В  |  |||||
ОПЫТ 2
Исследование формы выходного напряжения разных выпрямителей
Рис. 3
 
 
 а) БВ1 Ud=____ В б) БВ2 Ud=____ В в) БВ3 Ud=____ В
ОПЫТ 3
Исследование формы выходного напряжения разных фильтров
Выводы по работе: ___________________________________________________
___________________________________________________________________
___________________________________________________________________
ЛАБОРАТОРНАЯ РАБОТА № 10. ИССЛЕДОВАНИЕ ИМПУЛЬСНЫХ УСТРОЙСТВ НА ОПЕРАЦИОННЫХ УСИЛИТЕЛЯХ
Цель лабораторной работы № 10.
Целью работы является изучение принципа работы и основных характеристик импульсных устройств на операционных усилителях (ОУ).
Теоретические основы лабораторной работы № 10.
Интегральные операционные усилители являются универсальными элементами, на основе которых можно строить различные функциональные узлы аналоговой аппаратуры. Эта универсальность достигается за счет избыточности активных элементов в их схемах. На практике наиболее часто ОУ используются с обратными связями (ОС), при наличии которых коэффициент передачи устройства определяется только отношением значений элементов цепи ОС. При соответствующем выборе внешних элементов ОУ может осуществлять усиление, сложение, вычитание, дифференцирование, интегрирование сигналов, а также формировать различные функциональные зависимости.
При работе ОУ в импульсном режиме уровни его входных сигналов превышают значения, соответствующие линейной области амплитудной характеристики, состоящей из наклонного и двух горизонтальных участков. Импульсный режим работы ОУ характеризуется горизонтальными участками амплитудной характеристики. При изменении напряжения входного сигнала выходное напряжение ОУ остается практически постоянным и определяется напряжениями либо +uвых, либо -uвых, близкими соответственно к напряжениям +Ек и -Ек источников питания.
Идеальный операционный усилитель имеет основные свойства: входные токи бесконечно малы; дифференциальное входное напряжение равно нулю, входное сопротивление и коэффициент усиления равны ∞.
Рассмотрим наиболее распространенные импульсные устройства, реализующиеся на основе ОУ.
 
 Компаратор. Компаратором называют устройство, осуществляющее сравнение измеряемого входного напряжения (uвх) с опорным напряжением (Uоп). В качестве компаратора часто используют ОУ с разомкнутой ОС (рис. 1). На вход «–» компаратора подается входной сигнал uвх, на его вход «+» – опорный сигнал Uоп. В момент равенства напряжений uвх и Uоп компаратор находится в неустойчивом линейном режиме. При превышении входным сигналом uвх значения опорного напряжения Uоп выходное напряжение компаратора изменяется от +uвх до –Uоп. Переключение компаратора происходит с некоторой задержкой, которая определяется временем перезаряда паразитных емкостей ОУ. При Uоп = 0 компаратор фиксирует момент перехода входного напряжения через нулевой уровень. В этом режиме компаратор получил название «нуль-компаратор». Если напряжения uвх и Uоп превышают максимально допустимые для данного типа ОУ уровни входных сигналов, на входе компаратора устанавливают делители напряжения.
Компараторы нашли широкое применение в преобразователях аналоговых сигналов в цифровые.
 
 Инвертирующий сумматор. Инвертирующий сумматор осуществляет суммирование входных сигналов (рис. 2). Благодаря свойствам идеального ОУ, ток от источников сигнала на его вход «–» не ответвляется и через цепь ОС протекает сумма токов всех источников: i1 + i2 = i3. Кроме того, разность напряжений между входами ОУ равна нулю и напряжение в точке А так же равно нулю: uвх1/R1 + uвх2/R2 = –uвых/R3. Если выбрать номиналы резисторов R1 = R2 = R, то выходное напряжение будет определяться соотношением: uвых = – (R3/R)( uвх1 + uвх2). Наиболее часто инвертирующие сумматоры используются в качестве усилителя с широким диапазоном изменения нулевой точки. При подаче на входы инвертирующего сумматора постоянного и переменного синусоидального напряжений на выходе устройства будет сформирован усиленный синусоидальный сигнал, имеющий постоянную относительно общего провода составляющую. 
 
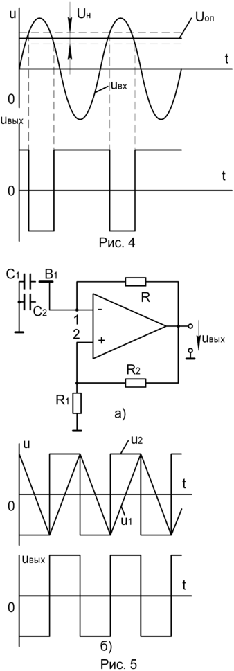
 Триггер Шмитта. Триггер Шмитта – устройство, обладающее двумя устойчивыми состояниями (рис. 3). Триггер Шмитта как правило выполняется на основе ОУ с положительной ОС. Триггер Шмитта обладает так называемой гистерезисной передаточной характеристикой. Переход триггера Шмитта из одного устойчивого состояния, характеризуемого выходным напряжением +uвых, в другое устойчивое состояние с выходным напряжением –uвых и возврат его в исходное состояние осуществляется, при входных напряжениях uвх, отличающихся от опорного напряжения Uоп на величину напряжения собственного порога срабатывания Uп, определяемого соотношением: Uп = Uн/2 = βuвых, где β = R1/(R1+R2) –коэффициент положительной ОС. Напряжение Uн = 2Uп является напряжением гистерезиса триггера Шмита. Наличие гистерезиса в триггере Шмитта позволяет повысить помехоустойчивость устройства при обработке входного сигнала на фоне помех.
Если опорное напряжение на входе триггера Шмитта отсутствует (Uоп = 0), устройство переключается из одного устойчивого состояния в другое устойчивое состояние по собственному порогу.
Из-за наличия большого коэффициента усиления и гистерезисной передаточной характеристики триггеры Шмитта нашли широкое применение в качества преобразователей напряжения. При подаче на вход «–» триггера Шмитта напряжения синусоидальной формы на выходе устройства будет сформировано напряжение прямоугольной формы. Варьируя величину опорного напряжения Uоп, можно в широких пределах изменять скважность выходных импульсов напряжения триггера Шмитта. При Uоп = 0, скважность этих импульсов напряжения равна Q = 2 (рис. 4).
Автогенераторный мультивибратор (рис. 5). Автогенераторный мультивибратор предназначен для генерирования прямоугольных импульсов напряжения. Он обладает двумя неустойчивыми состояниями, работает в режиме самовозбуждения и не требует внешнего входного сигнала. В качестве автогенераторного мультивибратора обычно используют ОУ с положительной ОС и время задающей RC цепью, подключенной к инвертирующему входу устройства. Работа автогенераторного мультивибратора обеспечивается цепью положительной ОС приводящей к лавинообразному переходу из одного состояния в другое, и цепью отрицательной ОС, определяющей период возникающих колебаний. Когда потенциал на входе «–» автогенераторного мультивибратора достигнет значения –uвыхR1/(R1+R2) устройство переключается и его выходное напряжение скачком изменяет своё значение с –uвых до +uвых. При этом потенциал на инвертирующем входе устройства начинает изменяться в противоположную сторону, пока не достигнет значения +uвыхR1/(R1+R2).
Автогенераторный мультивибратор переключается в первоначальное состояние (рис. 5). Частота колебаний выходного напряжения автогенераторного мультивибратора определяется соотношением: f = 1/2RCℓn(1+2R1/R2).
Ждущий мультивибратор формирует на выходе прямоугольный импульс напряжения определенной длительности при воздействии на вход схемы короткого запускающего импульса (рис. 6). В отличии от автогенераторного мультивибратора ждущий мультивибратор содержит дополнительно цепь смещения (резистор R2) и цепь запуска (конденсатор С2, резистор R и диод VD 1). При отсутствии на входе «+» ждущего мультивибратора запускающего импульса uз его выходное отрицательное напряжение определяется положительным напряжением Е источника питания, поступающим через резистор R2 на вход «–» устройства. При подаче на вход «–» ждущего мультивибратора запускающего импульса uз его выходное напряжение скачком принимает значение +uвых, которое поддерживается за счет цепи положительной ОС (резисторы R1 и R4). При этом начинается заряд конденсатора С1 и напряжение u1 на входе «+» устройства увеличивается (рис. 6б). В момент достижения равенства напряжений u1 = u2 происходит скачкообразное изменение выходного напряжения ждущего мультивибратора и последний переходит в исходное состояние.
 Интегратор. Интегратором называется устройство, выходное напряжение которого определяется выражением uвых = K
 uвхdt + U0 (t=0),
 














