Лаб раб 11. Циф.устр (1083308)
Текст из файла
ЛАБОРАТОРНАЯ РАБОТА №11.
ИССЛЕДОВАНИЕ ЛОГИЧЕСКИХ ЭЛЕМЕНТОВ И ИМПУЛЬСНЫХ СХЕМ.
1. Цель работы: исследование логических элементов, триггеров и счетчиков импульсов, выполненных на основе 155-серии цифровых интегральных микросхем.
2. Краткие теоретические сведения.
К цифровым интегральным микросхемам относятся устройства, с помощью которых преобразуются и обрабатываются сигналы, выраженные в двоичном или другом цифровом коде. Используемые при этом сигналы близки по форме к прямоугольным и имеют два фиксированных уровня напряжения. Уровню низкого напряжения обычно приписывается символ «0», уровню высокого напряжения – «1».
Основой цифровых микросхем является логический элемент, предназначенный для преобразования входных сигналов в выходные по определенному закону, причем те и другие принимают только значения «0» и «1». Обозначим входные сигналы «Х», а выходные – «Y», получим логическую функцию Y=F(X). Логическая функция записывается в виде математических символов или таблиц.
Основными логическими функциями являются: Y=
- отрицание, инверсия или «НЕ» (табл.1); логическая сумма, дизъюнкция или функция «ИЛИ» (табл.2)
: логическое произведение, коньюнкция или функция «И» (табл.3)
. Используя законы алгебры логики, на основе этих элементарных логических функций можно получить более сложные логические функции.
Рис. 1 Рис. 2 Рис. 3
На рис.1, 2 и 3 приведены обозначения логических элементов, выполняющих соответствующие функции «НЕ», «ИЛИ» и «И».
Логические элементы конструируются на основе ключевых схем, которые могут иметь различное конструкторско-технологическое исполнение. Совокупность цифровых микросхем, имеющих единое конструктивно-технологическое исполнение, выполняющих различные логические функции и предназначенные для совместного исполнения, называется серией интегральных схем.
Логические элементы 155-серии.
По конструкторско-технологическому исполнению цифровые микросхемы 155-серии относятся к классу элементов транзисторно-транзисторной логики (ТТЛ). Основой этого класса элементов является использование многоэмиттерного транзистора. На рис. 4а приведена базовая схема ТТЛ, выполняющая логическую функцию «И-НЕ» (рис. 4.б).
а) б)
Рис. 4
Схема питается напряжением Еп = 5 В. Содержит многоэмиттерный транзистор Т1, транзистор Т2, резистор R1 и R2, обеспечивающие ключевой (импульсный) режим работы транзисторов Т1 и Т2. Если хотя бы на одном из входов (например Х1) действует логический «0», эмиттерный переход транзистора Т1 открыт, напряжение UТ2бэ транзистора Т2 мало и он закрыт. Сигнал на выходе логического элемента У=1. При наличии на всех входах Т1 логической «1» напряжение UТ1бэ мало и эмиттерные переходы Т1 закрыты. Током Iб транзистор Т2 открыт, сигнал на его выходе У=0. На рис.5 приведена передаточная характеристика элемента И-НЕ. Из нее следует, что входные напряжения логических «0» и «1» соответственно равны Uвх0 =0,2 В и Uвх1 =1,2 В. Выходные напряжения логических «0» и «1» - Uвых0 =0,4 В, Uвых1 =2,4 В.
Рис. 5
На базе элементов И-НЕ, путем различных способов их подключения между собой, формируются другие элементы серии 155, выполняющие различные логические функции.
Триггеры.
Триггером называется электронное устройство, способное сохранять двоичную информацию (состояния равновесия "0" и "1") после окончания действия входных импульсов. Они широко используются для формирования прямоугольных импульсов, в счетчиках импульсов, в регистрах памяти и т.д.
По функциональному признаку различают:R-S; D; J-K - триггеры. По способу управления триггеры подразделяют на асинхронные и тактируемые. В асинхронных триггерах переключение из одного состояния в другое осуществляется непосредственно с поступлением сигнала на инфрмационный вход. В тактируемых триггерах помимо информационных входов имеется вход тактовых импульсов. Их переключение осуществляется только при наличии разрешающего, тактирующего импульса.
Асинхронные R-S - триггеры являются наиболее простыми, однако получившими широкое распространение в импульсной технике, т.к. служат основой для триггеров других типов и требуют для своего построения всего два базовых логических элемента.
На рис. 6 приведена структурная схема асинхронного R-S - триггера на логических элементах И-НЕ. Схема имеет информационные входы R и S, два выхода: Q - прямой,
- инверсный. Состоянию логической «1» соответствует Q = 1,
= 0, состоянию логического «0» - Q = 0,
= 1, которые принимает триггер в момент времени
и в следующий момент времени
, после прихода на входы R и S очередных импульсов. Из таблицы истинности 5 следует, что при S = R = 1 триггер сохраняет предыдущее состояние Qn. При S = R = 0 триггер принимает неопределенное состояние, поэтому такая комбинация входных сигналов является запрещенной. R-S триггер является триггером с раздельным по входам R и S запуском. Его условное изображение показано на рис. 6б.
Q
&
&
S
R
а) б)
Рис.6
D – триггеры являются триггерами с временной задержкой. Они имеют информационный D вход и тактируемый Т-вход: Состоянию логической «1» соответствует единица на входе, а состоянию логического «0» - нулевой уровень входного сигнала. Условное обозначение D -триггера и временные диаграммы его работы приведены на рис. 7. Из диаграммы видно, что при наличии информационного сигнала на входе в интервале времени
триггер не переключается. При приходе тактового импульса он переключается (момент
) и примет исходное состояние при следующем тактовом импульсе в момент
. Таким образом D -триггер характеризуется задержкой переключения во времени на период тактовых импульсов.
D - триггеры конструируются на основе R-S триггеров.
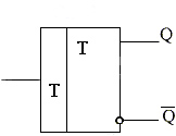
Т – триггер - триггер с счетным Т-входом. Характерным свойством. Т-триггера является, его переключение в противоположное состояние с приходом каждого очередного входного импульса. В виду его широкого применения в счетчиках импульсов его часто называют триггером со счетным запуском. Обычно он выполняется на базе R-S триггеров. Его условное обозначение приведено на рис. 8.
Рис.7 Рис. 8
J-K триггер получают на основе Т – триггеров. Они имеют дополнительные информационные входы J и K. Наличие двух дополнительных входов расширяет функциональные возможности триггеров, в связи с чем J - K триггеры называют универсальными. При соответствующем включении J и K входов триггера могут быть получены R-S, D и Т – триггеры. При этом R-S, D и Т - триггера получаются тактируемыми. R-S триггер (рис. 9а) получают объединением J и S, R и K входов. D -триггер создают (рис. 9б) введением инвертора между входами J и K. Т - триггер (рис. 9в) реализуют подключением J и K входов ко входу Т.
а) б) в)
Рис. 9
Счетчики импульсов
Счетчик – устройство, предназначенное для счета числа электрических импульсов, поступающих на его вход. Счетчики импульсов выполняются на основе триггеров.
Наиболее простым счетчиком является двоичный счетчик, осуществляющий счет поступающих импульсов в двоичной системе счисления. Такой счетчик (рис. 10) состоит из “n” триггеров (регистров) со счетным запуском. Максимальное число импульсов, которое может сосчитать счетчик при последовательном соединении триггеров составит
. Для четырехразрядного счетчика (рис. 10)
. Временная диаграмма состояний счетчика приведена на рис. 3.3.11.
Перед поступлением входных импульсов все разряды счетчика устанавливаются в состояние “0” (Q1=Q2=Q3=Q4=0) подачей импульсов на вход «установка нуля». После поступления первого счетного импульса первый разряд переходит в сотояние Q1 = 1. В счетчик записывается число 1. По окончании второго импульса первый разряд счетчика переходит в состояние “0”, второй – “1”. В счетчике записывается число 2 с двоичным кодом 0010. Подобным же образом осуществляется работа счетчика при последующих счетных импульсах (см. рис. 11 и табл. 6). При поступлении 15 – го импульса все разряды счетчика устанавливаются в состояние “1”, а 16 – м импульсом все разряды обнуляются.
Таблица 3.3.6
| № имп. | 1 | 2 | 3 | 4 | 5 | 6 | 7 | 8 | 9 | 10 | 11 | 12 | 13 | 14 | 15 | 16 |
| Q1 | 1 | 0 | 1 | 0 | 1 | 0 | 1 | 0 | 1 | 0 | 1 | 0 | 1 | 0 | 1 | 0 |
| Q2 | 0 | 1 | 1 | 0 | 0 | 1 | 1 | 0 | 0 | 1 | 1 | 0 | 0 | 1 | 1 | 0 |
| Q3 | 0 | 0 | 0 | 1 | 1 | 1 | 1 | 0 | 0 | 0 | 0 | 1 | 1 | 1 | 1 | 0 |
| Q4 | 0 | 0 | 0 | 0 | 0 | 0 | 0 | 1 | 1 | 1 | 1 | 1 | 1 | 1 | 1 | 0 |
В процессе работы двоичного счетчика частота следования импульсов на выходе каждого последующего триггера уменьшается вдвое по сравнению с частотой его исходных импульсов (см. рис. 11). Это свойство схемы используют для построения делителей частоты.
Характеристики
Тип файла документ
Документы такого типа открываются такими программами, как Microsoft Office Word на компьютерах Windows, Apple Pages на компьютерах Mac, Open Office - бесплатная альтернатива на различных платформах, в том числе Linux. Наиболее простым и современным решением будут Google документы, так как открываются онлайн без скачивания прямо в браузере на любой платформе. Существуют российские качественные аналоги, например от Яндекса.
Будьте внимательны на мобильных устройствах, так как там используются упрощённый функционал даже в официальном приложении от Microsoft, поэтому для просмотра скачивайте PDF-версию. А если нужно редактировать файл, то используйте оригинальный файл.
Файлы такого типа обычно разбиты на страницы, а текст может быть форматированным (жирный, курсив, выбор шрифта, таблицы и т.п.), а также в него можно добавлять изображения. Формат идеально подходит для рефератов, докладов и РПЗ курсовых проектов, которые необходимо распечатать. Кстати перед печатью также сохраняйте файл в PDF, так как принтер может начудить со шрифтами.















