Лаб раб 4 ОУ (1083304)
Текст из файла
6
Лабораторная работа № 4
Исследование операционного усилителя
Цель работы: ознакомление с характеристиками операционного усилителя и применение его в качестве масштабного усилителя, избирательного усилителя и генератора.
Краткие теоретические сведения
Операционный усилитель (ОУ) — это усилитель с большим коэффициентом усиления (KU = 104...106) и входного сопротивления (Rвх = 104...109 Ом), имеющий непосредственные связями, применяемый в основном в качестве активного элемента в схемах с обратными связями. При достаточном коэффициенте усиления операционного усилителя по напряжению передаточная характеристика устройства вместе с цепями обратной связи может являться функцией только параметров цепей обратной связи, не зависящих от усилителя.
В настоящее время ОУ являются основой аналоговой техники и используются для преобразования электрических сигналов в широком диапазоне частот: от 0 до 105...107 Гц.
Современные ОУ выполняются в виде полупроводниковых интегральных микросхем. Принципиальные схемы интегральных ОУ содержат, как правило, несколько каскадов усиления напряжения, причём входной каскад всегда выполняется по дифференциальной схеме, а выходной – по схеме эмиттерного повторителя. Кроме того, схема содержит цепи согласования каскадов между собой и цепи защиты от перегрузок.
ОУ имеет два входа – инвертирующий и неинвертирующий и один выход.
В данной работе исследуются ОУ на микросхеме К284УД1, цоколёвка и условное графическое изображение которой показаны на рис. 1.
Назначение выводов К284УД1:
1 – неинвертирующий вход; 13 – инвертирующий вход, 8 – выход; 10, 7 – «+» и «-» напряжения питания; 3, 11 – балансировка; 5 – частотная коррекция;, 15, 12 – «общий»; 2, 4, 14 – внешнее управление.
Основные электрические параметры микросхемы К284УД1:
| KU | при f = 1000 Гц > 20000; |
| Rвх | при f = 1000 Гц > 5 МОм; |
| Rвых | при f = 1000 Гц < 200 Ом; |
На основе ОУ могут быть реализованы устройства, выполняющие самые различные операции, например, инвертирующий и неинвертирующий усилители, повторитель, избирательный усилитель, интегратор, дифференциатор, компаратор, генераторы импульсов различных форм и гармонических колебаний и многое другое. Выполнение ОУ указанных аналоговых операций осуществляется благодаря использованию различных внешних обратных связей (ОС), как положительных (ПОС), так и отрицательных (ООС).
В настоящей работе исследуются три схемы включения ОУ: инвертирующий усилитель, избирательный усилитель и автогенератор колебаний гармонической формы.
На рис. 2 приведена принципиальная схема инвертирующего усилителя. Резисторы R1 и R2 передают часть выходного напряжения усилителя на его инвертирующий вход, образуя цепь отрицательной ОС по напряжению. Наличие цепи ООС приводит к уменьшению коэффициента усиления, но стабильность работы возрастает. Коэффициент усиления данного усилителя определяется по формуле KU = -R2/R1. Знак «-» говорит об инвертировании сигнала, KU не зависит от свойств ОУ и частоты сигнала, поэтому такой усилитель часто называют «масштабным».
Для создания на основе ОУ избирательного усилителя необходимо охватить его частотно-избирательной цепью ООС, коэффициент передачи которой β = Uос/Uвых в узкой полосе частот снижается практически до нуля.
Широкое применение в таких усилителях низкой и средней частоты нашёл двойной Т-образный мост, схема и амплитудно-частотная характеристика (АЧХ) которого показаны на рис. 3.
На очень низких частотах (f → 0), коэффициент передачи моста β → 1, так как сопротивления конденсаторов становятся очень большими и всё напряжение почти без потерь передаётся через «верхний» одинарный мост R-2C-R. На сравнительно высоких частотах сопротивления конденсаторов малы и всё напряжение передаётся через «нижний» одинарный мост C-R/2-C на выход, следовательно, и в этой области частот β → 1. На квазирезонансной частоте f0 =
коэффициент передачи моста β → 0.
Схема избирательного усилителя с двойным Т-образным мостом в цепи ООС и его АЧХ приведены на рис. 4.
В данной схеме независящая от частоты цепь ООС R1-R2 определяет величину KUmax и стабилизирует работу усилителя. Цепь ООС с двойным Т-образным мостом обеспечивает избирательные свойства усилителя. При условии R1 « R обе цепи ОС практически независимы.
Если частота входного сигнала близка к f0, то цепь ООС с двойным Т-образным мостом оказывается практически разорванной (β = 0), в схеме действует только ООС, созданная резисторами R1-R2, и коэффициент усиления достигает своего максимального значения KUmax = -R2/R1. На всех других частотах β цепи с мостом стремится к 1, поэтому в схеме действует глубокая ООС, что приводит к резкому уменьшению коэффициента усиления усилителя.
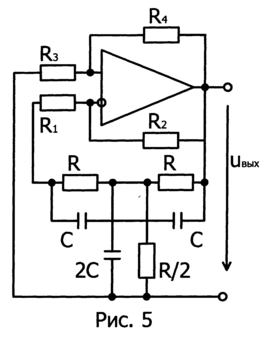
Для создания генератора на основе ОУ необходимо существование положительной ОС (ПОС). В схеме генератора, приведённой на рис. 5, ПОС создаётся резисторами R3, R4.Поскольку данный автогенератор содержит частотно-избирательную цепь – двойной Т-образный мост, то условия самовозбуждения: баланс амплитуд kβ ≥ 1 и баланс фаз φус + φос = 0 (φус и φос – сдвиг фаз в усилителе и в цепи ОС соответственно) – будут выполняться только на одной – квазирезонансной – частоте f0.
Следовательно, возникающие колебания будут гармоническими.
Краткое описание применяемого оборудования
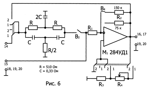
Лабораторная работа выполняется на лабораторном стенде, на передней панели которого изображена исследуемая схема (рис. 6).
Исследуемая схема включает в себя операционный усилитель (ОУ) типа К284УД1, двойной Т-образный мост, выполненный на элементах R и С, а также резисторы R1 и R2 цепи ООС ОУ и резисторы R3 и R4 цепи ПОС ОУ. Переключения в различные режимы работы ОУ осуществляется переключателями В1, В2, В3, В4 и переменным резистором R4, помещённым на лицевую панель лабораторного стенда.
В лабораторной работе используются следующие контрольно-измерительные приборы: генератор напряжения низкой частоты ГЗ-109 с аттенюатором 40 дБ и нагрузкой 50 Ом, двухлучевой осциллограф С1-93, вольтметр переменного тока В3-41.
Структурная схема установки представлена на рис. 7.
Напряжение на исследуемую схему лабораторного стенда подаётся с генератора ГЗ-109 через аттенюатор 40 дБ, ослабляющий его выходное напряжение в 100 раз, и согласующую нагрузку 50 Ом. Величина выходного напряжения генератора определяется по его вольтметру.
Выходное напряжение исследуемой схемы лабораторного стенда измеряется вольтметром В3-41. Кроме того, частота, форма и величина измеряемых напряжений определяется с помощью осциллографа С1-93.
Методика проведения лабораторной работы
1. Ознакомиться с описанием лабораторного стенда.
2. Исследовать работу ОУ в режиме инвертирующего масштабного усилителя.
2.1. Отключить от ОУ двойной Т-образный мост, поставив переключатели В1 и В2 в положение «1», подключить к ОУ цепь ООС, поставив переключатель В4 в положение «150к» и соединить неинвертирующий вход ОУ с общим проводом, поставив переключатель В3 в положение «2».
Соединить выход «1» генератора Г3-109 через аттенюатор 40 дБ и нагрузку 50 Ом со входом исследуемого усилителя (гнёзда Гн 15, Гн 18 – общ.). К выходу исследуемого усилителя (гнёзда Гн 16, Гн 17, Гн 19 – общ., Гн 20 – общ.) подключить вольтметр переменного тока В3-41 и вход первого канала осциллографа С1-93.
После проверки схемы преподавателем включить питание лабораторного стенда и приборов соответствующими тумблерами «сеть».
2.2. Снять амплитудные характеристики масштабного усилителя Uвых = f(Uвх) в режиме холостого хода при двух значениях сопротивления R2 в цепи ООС ОУ: 75 кОм и 150 кОм.
Опыт проводить при частоте входного сигнала равной 1 кГц и изменении напряжения на входе усилителя от 10 до 100 мВ. Результаты записать в таблицу 1.
2.3. Снять амплитудно-частотную характеристику инвертирующего масштабного усилителя КU = f(f) при R2 = 150 кОм в диапазоне частот входного сигнала от 200 Гц до 15 кГц. Величину входного сигнала поддерживать равной 10 мВ. Убедиться, что Uвых ОУ, а, следовательно, и его коэффициент усиления КU не зависит от частоты входного сигнала. Записать вывод в таблицу 2 и выключить лабораторный стенд тумблером «сеть».
3. Исследовать двойной Т-образный мост.
Установить переключатель В2 в положение «2», подключить вход моста к выходу генератора, выход моста (гнёзда Гн 14, общ) – к вольтметру переменного тока. Установить Uвх = 100 мВ и, плавно изменяя частоту входного сигнала от 200 Гц, по минимуму Uвых определить резонансную частоту fрез1 исследуемого двойного Т-образного моста.
Последовательно устанавливая значения частот сигнала:
fрез1 - 800 Гц; fрез1 - 300 Гц; fрез1 - 100 Гц; fрез1; fрез1 + 100 Гц; fрез1 + 300 Гц; fрез1 + 800 Гц;
снять амплитудно-частотную характеристику исследуемого моста.
Результаты записать в таблицу 3.
2. Исследовать работу ОУ в режиме инвертирующего избирательного усилителя.
Установить переключатель В1 в положение «2», дополнительно включить в цепь ООС двойной Т-образный мост. Подключить к выходу ОУ вольтметр переменного тока, установить Uвх = 10 мВ и включить лабораторный стенд. Плавно изменяя частоту входного сигнала от 200 Гц, по максимуму Uвых ОУ определить резонансную частоту избирательного усилителя fрез2.
Последовательно устанавливая значения частот сигнала:
fрез2 - 800 Гц; fрез2 - 300 Гц; fрез2 - 100 Гц; fрез2; fрез2 + 100 Гц; fрез2 + 300 Гц; fрез2 + 800 Гц;
снять амплитудно-частотную характеристику избирательного усилителя.
Результаты записать в таблицу 4, аналогичную таблице 3.
5. Исследовать работу ОУ в режиме автогенератора гармонических колебаний (см. рис. 5).
5.1. Подключить к ОУ цепь положительной обратной связи (ПОС), установив переключатель В3 в положение «1». Потенциометр R4 установить в крайнее правое положение, соответствующее максимальному сопротивлению и, следовательно, минимальной глубине ПОС. Подключить к выходу автогенератора вход первого канала осциллографа, на вход второго канала подать сигнал с генератора Г3-109.
5.2. Плавно уменьшая величину сопротивления потенциометра R4, то есть увеличивая глубину ПОС, получить режим автогенерации, при котором на выходе автогенератора наблюдается напряжение синусоидальной формы.
Изменяя частоту выходного напряжения генератора Г3-109, с помощью осциллографа определить частоту выходного напряжения автогенератора. Зарисовать форму выходного напряжения автогенератора в указанном выше режиме при некотором увеличении глубины ПОС, в результате чего условия самовозбуждения будут выполняться не только на частоте fрез, что приведёт к искажению формы возникающих колебаний.
6. Выключить контрольно-измерительные приборы и лабораторный стенд, отключить приборы от стенда.
Порядок оформления отчёта.
-
Постройте амплитудные характеристики масштабного усилителя для всех значений R2 (таблица 1) в режиме холостого хода.
-
По построенным характеристикам определите KU и сравните с расчётными значениями KU = R2/R1. Определите Uвх max и Uвых max при работе усилителя в линейном режиме.
-
Постройте в единой системе координат амлитудно-частотые характеристики масштабного и избирательного усилителей. Определите полосу пропускания Δf избирательного усилителя.
-
Рассчитайте значение квазирезонансной частоты двойного Т-образного моста f0, сопоставьте её с экспериментально найденными значениями fрез избирательного усилителя и частотой fген синусоидального колебания автогенератора.
Литература
-
Забродин Ю.С. Промышленная электроника. –М., Высшая школа, 1982, стр. 150, 156...157, 166...169.
-
Основы промышленной электроники. /Под ред. В.Г.Герасимова. –М., Высшая школа, 1986.
Контрольные вопросы
-
Перечислите основные свойства ОУ, укажите различие между инвертирующим и неинвертирующим входами.
-
Укажите характер и назначение каждой из цепей обратной связи.
-
Почему колебания в рассматриваемом автогенераторе синусоидальны?
Характеристики
Тип файла документ
Документы такого типа открываются такими программами, как Microsoft Office Word на компьютерах Windows, Apple Pages на компьютерах Mac, Open Office - бесплатная альтернатива на различных платформах, в том числе Linux. Наиболее простым и современным решением будут Google документы, так как открываются онлайн без скачивания прямо в браузере на любой платформе. Существуют российские качественные аналоги, например от Яндекса.
Будьте внимательны на мобильных устройствах, так как там используются упрощённый функционал даже в официальном приложении от Microsoft, поэтому для просмотра скачивайте PDF-версию. А если нужно редактировать файл, то используйте оригинальный файл.
Файлы такого типа обычно разбиты на страницы, а текст может быть форматированным (жирный, курсив, выбор шрифта, таблицы и т.п.), а также в него можно добавлять изображения. Формат идеально подходит для рефератов, докладов и РПЗ курсовых проектов, которые необходимо распечатать. Кстати перед печатью также сохраняйте файл в PDF, так как принтер может начудить со шрифтами.














