Бланки Л_Р (331) №10 (Имп сх) (1083300)
Текст из файла
Лабораторная работа №10, лаборатория №331
Студент _______________________ Группа ____________ Выполнено
Курс ______ Сдано
ЛАБОРАТОРНАЯ РАБОТА №10
ИССЛЕДОВАНИЕ импульсных схем на
операционных усилителях
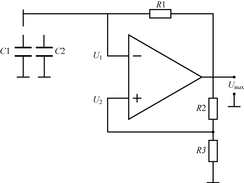
ОПЫТ 1
Исследование компаратора
Электрическая схема опыта Таблица 1.1.(а)
ОПЫТ 2
Исследование инвертирующего сумматора
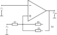
ОПЫТ 3
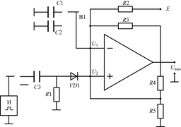
Исследование триггера Шмитта
| Uоп=+1 В, Rоc=R3=200 Ом Таблица 2 | ||||||||
| Uвх,В | –3 | 0 | +1 | +U`вх= В | +3 | +1 | +U`вх= В | –3 |
| Uвых,В | ||||||||
| Uоп=+1 В, Rоc=R3=10 кОм Таблица 3 | ||||||||
| Uвх,В | –3 | 0 | +1 | +U`вх= В | +3 | +1 | +U`вх= В | –3 |
| Uвых,В | ||||||||
ОПЫТ 4
Исследование автоколебательного мультивибратора
ОПЫТ 5
Исследование ждущего мультивибратора
ОПЫТ 6
Исследование интегратора
Выводы по работе: ___________________________________________________
___________________________________________________________________
___________________________________________________________________
4
Характеристики
Тип файла документ
Документы такого типа открываются такими программами, как Microsoft Office Word на компьютерах Windows, Apple Pages на компьютерах Mac, Open Office - бесплатная альтернатива на различных платформах, в том числе Linux. Наиболее простым и современным решением будут Google документы, так как открываются онлайн без скачивания прямо в браузере на любой платформе. Существуют российские качественные аналоги, например от Яндекса.
Будьте внимательны на мобильных устройствах, так как там используются упрощённый функционал даже в официальном приложении от Microsoft, поэтому для просмотра скачивайте PDF-версию. А если нужно редактировать файл, то используйте оригинальный файл.
Файлы такого типа обычно разбиты на страницы, а текст может быть форматированным (жирный, курсив, выбор шрифта, таблицы и т.п.), а также в него можно добавлять изображения. Формат идеально подходит для рефератов, докладов и РПЗ курсовых проектов, которые необходимо распечатать. Кстати перед печатью также сохраняйте файл в PDF, так как принтер может начудить со шрифтами.














