Главная » Просмотр файлов » Бланки Л_Р (331) №4 ОУ

Бланки Л_Р (331) №4 ОУ (1083298)

Файл №1083298 Бланки Л_Р (331) №4 ОУ (Лабораторные работы по электротехнике)Бланки Л_Р (331) №4 ОУ (1083298)2018-01-12СтудИзба
Просмтор этого файла доступен только зарегистрированным пользователям. Но у нас супер быстрая регистрация: достаточно только электронной почты!

Текст из файла

Лабораторная работа №4, лаборатория №331

Студент _______________________ Выполнено

Группа ____________ Оформлено

Курс ______ Сдано

ЛАБОРАТОРНАЯ РАБОТА №4

Исследование операционного усилителя

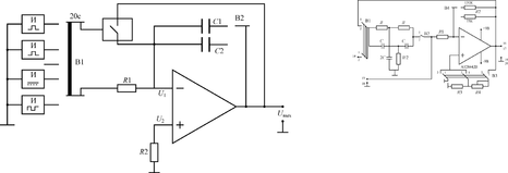
Принципиальная схема

ОПЫТ 1
Исследование масштабного усилителя

f=1кГц Таблица 1

Uвх, мВ

0

5

10

20

40

60

80

100

120

Uвых, мВ
(R2=70кОм)

Uвых, мВ
(R2=150кОм)

Uвх=10 мВ Таблица 2

f, Гц

2*102

Uвых, мВ

Т-образный мост: fрез 1=__________ Изберательный усилитель fрез 2=__________

ОПЫТ 2
Исследование избирательного усилителя

Uвх1=100 мВ(Т-образный мост), Uвх2=10 мВ (изберательный усилитель) Таблица 3

f, Гц

fрез–800

fрез–300

fрез–100

fрез

fрез+100

fрез+300

fрез+800

Uвых1, мВ

Uвых2, мВ

ОПЫТ 3
Исследование генератора

Частота выходного напряжения автогенератора fген=_______

Осциллограммы выходного напряжения

синусоидальные автоколебания

искжённая форма автоколебаний

Амплитудные характеристики

Uвых

Рассчитать

R2, кОм

75

150

Ku хх

0 20 40 60 80 100 Uвх, мВ

Построить частотные характеристики

Uвых

f, Гц

Определить: = fген=

3


Характеристики

Тип файла
Документ
Размер
109 Kb
Тип материала
Высшее учебное заведение

Тип файла документ

Документы такого типа открываются такими программами, как Microsoft Office Word на компьютерах Windows, Apple Pages на компьютерах Mac, Open Office - бесплатная альтернатива на различных платформах, в том числе Linux. Наиболее простым и современным решением будут Google документы, так как открываются онлайн без скачивания прямо в браузере на любой платформе. Существуют российские качественные аналоги, например от Яндекса.

Будьте внимательны на мобильных устройствах, так как там используются упрощённый функционал даже в официальном приложении от Microsoft, поэтому для просмотра скачивайте PDF-версию. А если нужно редактировать файл, то используйте оригинальный файл.

Файлы такого типа обычно разбиты на страницы, а текст может быть форматированным (жирный, курсив, выбор шрифта, таблицы и т.п.), а также в него можно добавлять изображения. Формат идеально подходит для рефератов, докладов и РПЗ курсовых проектов, которые необходимо распечатать. Кстати перед печатью также сохраняйте файл в PDF, так как принтер может начудить со шрифтами.

Список файлов лабораторной работы

Лабораторные работы по электротехнике
Лаборатория N 329
Бланки
Исходные файлы
ВЫП
1ппВЫП.ewb
2ппВЫП.ewb
3фаз ВЫП.ewb
мостВЫП.ewb
ОУ
Компар.ewb
ОУ.ewb
ОУИз.ewb
ОУлин.ewb
Одн.ewb
ТгШмитта.ewb
Тмост.ewb
ген.ewb
мульт1.ewb
УС
двухкасУС.ewb
однкасУС.ewb
однкасУСполн.ewb
однкасУСполн2n2712.ewb
Описания
Свежие статьи
Популярно сейчас
Почему делать на заказ в разы дороже, чем купить готовую учебную работу на СтудИзбе? Наши учебные работы продаются каждый год, тогда как большинство заказов выполняются с нуля. Найдите подходящий учебный материал на СтудИзбе!
Ответы на популярные вопросы
Да! Наши авторы собирают и выкладывают те работы, которые сдаются в Вашем учебном заведении ежегодно и уже проверены преподавателями.
Да! У нас любой человек может выложить любую учебную работу и зарабатывать на её продажах! Но каждый учебный материал публикуется только после тщательной проверки администрацией.
Вернём деньги! А если быть более точными, то автору даётся немного времени на исправление, а если не исправит или выйдет время, то вернём деньги в полном объёме!
Да! На равне с готовыми студенческими работами у нас продаются услуги. Цены на услуги видны сразу, то есть Вам нужно только указать параметры и сразу можно оплачивать.
Отзывы студентов
Ставлю 10/10
Все нравится, очень удобный сайт, помогает в учебе. Кроме этого, можно заработать самому, выставляя готовые учебные материалы на продажу здесь. Рейтинги и отзывы на преподавателей очень помогают сориентироваться в начале нового семестра. Спасибо за такую функцию. Ставлю максимальную оценку.
Лучшая платформа для успешной сдачи сессии
Познакомился со СтудИзбой благодаря своему другу, очень нравится интерфейс, количество доступных файлов, цена, в общем, все прекрасно. Даже сам продаю какие-то свои работы.
Студизба ван лав ❤
Очень офигенный сайт для студентов. Много полезных учебных материалов. Пользуюсь студизбой с октября 2021 года. Серьёзных нареканий нет. Хотелось бы, что бы ввели подписочную модель и сделали материалы дешевле 300 рублей в рамках подписки бесплатными.
Отличный сайт
Лично меня всё устраивает - и покупка, и продажа; и цены, и возможность предпросмотра куска файла, и обилие бесплатных файлов (в подборках по авторам, читай, ВУЗам и факультетам). Есть определённые баги, но всё решаемо, да и администраторы реагируют в течение суток.
Маленький отзыв о большом помощнике!
Студизба спасает в те моменты, когда сроки горят, а работ накопилось достаточно. Довольно удобный сайт с простой навигацией и огромным количеством материалов.
Студ. Изба как крупнейший сборник работ для студентов
Тут дофига бывает всего полезного. Печально, что бывают предметы по которым даже одного бесплатного решения нет, но это скорее вопрос к студентам. В остальном всё здорово.
Спасательный островок
Если уже не успеваешь разобраться или застрял на каком-то задание поможет тебе быстро и недорого решить твою проблему.
Всё и так отлично
Всё очень удобно. Особенно круто, что есть система бонусов и можно выводить остатки денег. Очень много качественных бесплатных файлов.
Отзыв о системе "Студизба"
Отличная платформа для распространения работ, востребованных студентами. Хорошо налаженная и качественная работа сайта, огромная база заданий и аудитория.
Отличный помощник
Отличный сайт с кучей полезных файлов, позволяющий найти много методичек / учебников / отзывов о вузах и преподователях.
Отлично помогает студентам в любой момент для решения трудных и незамедлительных задач
Хотелось бы больше конкретной информации о преподавателях. А так в принципе хороший сайт, всегда им пользуюсь и ни разу не было желания прекратить. Хороший сайт для помощи студентам, удобный и приятный интерфейс. Из недостатков можно выделить только отсутствия небольшого количества файлов.
Спасибо за шикарный сайт
Великолепный сайт на котором студент за не большие деньги может найти помощь с дз, проектами курсовыми, лабораторными, а также узнать отзывы на преподавателей и бесплатно скачать пособия.
Популярные преподаватели
Добавляйте материалы
и зарабатывайте!
Продажи идут автоматически
7045
Авторов
на СтудИзбе
259
Средний доход
с одного платного файла
Обучение Подробнее