Бланки Л_Р (331) №2 (УНЧ) (1083297)
Текст из файла
Лабораторная работа №10, лаборатория №331
Студент _______________________ Группа ____________ Выполнено
Курс ______ Сдано
ЛАБОРАТОРНАЯ РАБОТА №____
ИССЛЕДОВАНИЕ УСИЛИТЕЛЕЙ ниЗкой частоты с RC–связью
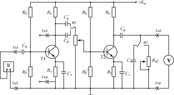
Принципиальная схема
ОПЫТ 1
Получение зависимость К=F(f)
Таблица 1.
ОПЫТ 2
Измерение выходного напряжения первого (Гн3, Гн4) и второго (Гн5, Гн6) каскадов
Таблица 2.
Таблица 3.
| f=5кГц | Uвх1, мВ | 1 | 5 | 10 | 15 | 20 | 25 | 30 |
| Uвых, В (х.х) | ||||||||
| Uвых, В (Rн) |
Осцилограммы
Амплитудно-частотная характеристика (по данным Таблицы 1)
Амплитудная характеристика (по данным Таблицы 3)
Выводы по работе: ___________________________________________________________
___________________________________________________________________________
2
Характеристики
Тип файла документ
Документы такого типа открываются такими программами, как Microsoft Office Word на компьютерах Windows, Apple Pages на компьютерах Mac, Open Office - бесплатная альтернатива на различных платформах, в том числе Linux. Наиболее простым и современным решением будут Google документы, так как открываются онлайн без скачивания прямо в браузере на любой платформе. Существуют российские качественные аналоги, например от Яндекса.
Будьте внимательны на мобильных устройствах, так как там используются упрощённый функционал даже в официальном приложении от Microsoft, поэтому для просмотра скачивайте PDF-версию. А если нужно редактировать файл, то используйте оригинальный файл.
Файлы такого типа обычно разбиты на страницы, а текст может быть форматированным (жирный, курсив, выбор шрифта, таблицы и т.п.), а также в него можно добавлять изображения. Формат идеально подходит для рефератов, докладов и РПЗ курсовых проектов, которые необходимо распечатать. Кстати перед печатью также сохраняйте файл в PDF, так как принтер может начудить со шрифтами.















