Лаб. 1.комб.схемы (1076477), страница 4
Текст из файла (страница 4)
7. Реализация синтезированной функции на наборном поле лабораторного стенда, рис.1.15.
Рис.1.14. Схема на элементах И-НЕ.
Рис.1.15. Собранная схема на макете УМ-11.
3. Содержание отчета.
1. Таблица истинности логической функции, заданной преподавателем.
2. СДНФ логической функции.
3. СКНФ логической функции.
4. Схема, реализующая СДНФ логической функции, в базисе И-ИЛИ-НЕ.
6. Схема, реализующая СКНФ логической функции, в базисе И-ИЛИ-НЕ.
7. Карта Карно с логической функцией и контурами, склеивающими двоичные переменные.
8. МДНФ логической функции в базисе И-ИЛИ-НЕ.
9. МКНФ логической функции в базисе И-ИЛИ-НЕ.
10. Схема МДНФ логической функции в базисе И-ИЛИ-НЕ.
11. Схема МКНФ логической функции в базисе И-ИЛИ-НЕ.
12. МДНФ логической функции в базисе И-НЕ.
13. Схема МДНФ логической функции в базисе И-НЕ.
14. МКНФ логической функции в базисе ИЛИ-НЕ.
15. Схема МКНФ логической функции в базисе ИЛИ-НЕ.
16. Схема реализации МДНФ логической функции в базисе И-НЕ (на элементах Шеффера) на наборном поле лабораторного стенда, с указанием номеров логических элементов и гнезд тумблерного регистра.
4. Контрольные вопросы.
1.Понятие о комбинационной схеме в цифровой вычислительной технике.
2. Понятие о цифровом автомате в цифровой вычислительной технике.
3. Постулаты, принятые при выполнении операций дизъюнкции, конъюнкции и инверсии.
4. Законы одиночного элемента.
5. Законы отрицания.
6. Комбинационные законы.
7. Теорема Шеннона.
8. Понятие двоичной функции.
9. Число различных двоичных функций при числе аргументов равном одному и двум.
10. Технические аналоги булевых функций.
11. Функциональная полнота набора логических элементов.
12. Показать функциональную полноту логического элемента И-НЕ.
13. Показать функциональную полноту логического элемента ИЛИ-НЕ.
14. Способы задания булевых функций.
15. Определение ДНФ и СДНФ логической функции.
16. Определение КНФ и СКНФ логической функции.
17. Переход от таблицы истинности к СДНФ и СКНФ логической функции. Примеры.
18. Методы минимизации булевых функций.
19. Операции, совершаемые при минимизации логических функций, представленных в СДНФ, с помощью карт Карно.
20. Минимизация с помощью карт Карно логических функций, представленных в СКНФ. Показать на примере.
21. Преобразование полученной МДНФ логической функции из базиса И-ИЛИ-НЕ в базис И-НЕ. Пример. Показать на примере.
22. Преобразование полученной МКНФ логической функции из базиса И-ИЛИ-НЕ в базис ИЛИ-НЕ. Пример.
5. Порядок проведения работы с помощью
программы анализа электронныхсхем
Electronic Workbench.
Часть. 2.
.
5.1. По заданному преподавателем варианту (Y1Y10) из таблицы истинности (табл. 5.1.), записать СДНФ, и по данному уравнению булевой функции построить комбинационную схему из логических элементов библиотеки EWB.
5.2. Проверить ее работоспособность, задавая все комбинации переменных, указанные в таблице 5.1.
Таблица 5.1.
| X1 | X2 | X3 | Y1 | Y2 | Y3 | Y4 | Y5 | Y6 | Y7 | Y8 | Y9 | Y10 | Y11 |
| 0 | 0 | 0 | 1 | 1 | 0 | 0 | 1 | 0 | 1 | 0 | 0 | 0 | 0 |
| 0 | 0 | 1 | 1 | 1 | 1 | 1 | 0 | 0 | 1 | 0 | 0 | 0 | 0 |
| 0 | 1 | 0 | 1 | 0 | 0 | 1 | 1 | 1 | 0 | 0 | 0 | 0 | 0 |
| 0 | 1 | 1 | 0 | 0 | 1 | 0 | 0 | 1 | 1 | 0 | 1 | 0 | 1 |
| 1 | 0 | 0 | 0 | 0 | 1 | 0 | 0 | 1 | 0 | 1 | 0 | 1 | 0 |
| 1 | 0 | 1 | 0 | 0 | 0 | 1 | 1 | 1 | 0 | 1 | 0 | 0 | 1 |
| 1 | 1 | 0 | 0 | 1 | 1 | 1 | 0 | 0 | 0 | 1 | 1 | 1 | 1 |
| 1 | 1 | 1 | 0 | 1 | 0 | 0 | 1 | 0 | 0 | 0 | 1 | 1 | 1 |
5.3. Провести минимизацию СДНФ с помощью карт Карно и записать минимизированное выражение булевой функции. В соответствии с полученным выражением собрать комбинационную схему ( в базисе И-ИЛИ) и проверить её работоспособность по таблице 5.1.
5.4. С помощью формулы Де Моргана выразить минимизированное выражение в базисе элементов Шеффера (И-НЕ) и проверить её работоспособность по таблице 5.1.
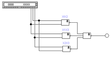
Для построения комбинационной схемы необходимо использовать четыре двухвходовых логических элемента
И-НЕ.
Открываем закладку Logic Gates:
П
ри нажатой левой клавише мыши перетаскиваем нужный логический элемент на рабочее поле EWB
Д
ля индикации значения функции используется светодиод из закладки Indicators и подсоединяется к выходу комбинационной схемы.
П
оследний логический элемент И-НЕ должен иметь три входа.
Для этого необходимо курсор мыши установить на этот логический элемент и двойным щелчком левой клавиши мыши вызвать панель настройки собственных параметров.
Выбрать функцию Number of Inpout и указать точкой нужное количество входов в правой колонку кружков.
Соединить выходы первой группы элементов И-НЕ с входами последнего элемента И-НЕ.
Д
ля задания комбинаций значений входных переменных удобно
Использовать Генератор двоичных слов Word Generator из закладки Instruments
Н
а пиктограмме генератора слова изображено 01X. Курсором
при нажатой левой клавише перетаскиваем его на рабочее поле.
Н
ижний горизонтальный ряд точек это выходные клеммы шестнадцатиразрядного слова генератора. В данном примере используются три переменных, поэтому используем три правых (младших) «клеммы» и соединяем их с входами логических элементов И-НЕ согласно полученному выражению для функции Y. Далее необходимо настроить генератор слова. Для этого необходимо установить курсор на его изображении и дважды щёлкнуть левой клавишей мыши. Появится его изображение в развёрнутом виде:
Генератор предназначен для генерации 16-разрядных двоичных слов, которые набираются пользователем на экране, расположенном в левой части лицевой панели. Для набора двоичных комбинаций необходимо щелкнуть мышью на соответствующем разряде и затем ввести с клавиатуры 0 или 1. Дальнейшие перемещения по полю экрана удобнее проводить не с помощью мыши, а клавишами управления курсором. Содержимое экрана можно стереть, загрузить новое значение или записать в файл соответствующими кнопками. При записи в полученном текстовом файле с расширением *.dp будет записано в виде таблицы содержимое экрана с указанием номеров строк (слов). При необходимости его можно отредактировать и загрузить снова.
Номер редактируемой ячейки фиксируется в окошке "Edit" блока "Adress". Всего таких ячеек и, следовательно, комбинации - 2048. В процессе работы генератора в отсеке "Adress" индицируется номер текущец ячейки "Current", ячейки инициализации или начала работы "Initial" и конечной ячейки "Final". Выдаваемые на 16 выходов кодовые комбинации индицируются в текстовом "ASCII" и двоичном коде "Binary".
Сформированные слова выдаются на 16 расположенных в нижней части прибора выходных клемм-индикаторов.
Внешний запуск (нажата кнопка "External") по готовности данных (клемма "Data ready"). Сигнал с этого выхода сопровождает каждую выдаваемую на выход кодовую комбинацию и используется в этом случае, когда исследуемое устройство обладает свойством квитирования (подтверждения). В этом случае после получения очередной кодовой комбинации и сопровождающего его сигнала "Data ready" исследуемое устройство должно выдать сигнал подтверждения получения данных, который подается на вход синхронизации генератора (клемма в блоке "Trigger") и производит очередной запуск генератора.
















