tpsN1 (1073680), страница 4
Текст из файла (страница 4)
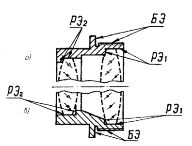
Рис. 3.5. Оправка (б) с осевым зажимом для закрепления детали(а).
Обязательное условие для данной конструкции – соосность хвостовика и посадочного цилиндра.
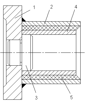
При обработке особо нежестких оправ возникают трудности при выборе приспособлений для их закрепления. Применение рассмотренных выше приспособлений не обеспечивает высокой точности обработки, так как усилия закрепления вызывают значительные деформации самой детали. Еще большие трудности возникают при обработке неравножестких тонкостенных деталей, на стенках которых имеются отверстия, пазы и т.п. Для обработки таких деталей рекомендуется применять приспособления со связующим веществом. Один из возможных вариантов конструкции приспособления показан на рисунке 3.6. С корпусом 1 соединена жесткая втулка 2. Закрепленную деталь 4 устанавливают на центрирующий палец 3, а образовавшийся зазор порядка 1.5-2 мм между деталью и втулкой 2 заполняют расплавленным связующим веществом 5. После охлаждения и затвердевания связующего вещества обеспечивается достаточно прочное соединение детали с жесткой втулкой приспособления. В качестве связующего вещества могут быть использованы сплав Вуда, канифоль, парафин, пластилин, тавот.
Прочность соединения оправка – связующее вещество – деталь зависит от вида связующего вещества, величины зазора, длины детали, шероховатости поверхностей и т.п.
Рис. 3.6. Приспособление со связующим веществом для крепления
нежестких оправ.
Примеры окончательной обработки оправ
Наиболее сложным при окончательной обработке оправ является выдерживание соосности. В зависимости от конфигурации оправы используется тот или иной прием обработки.
Рассмотрим примеры:
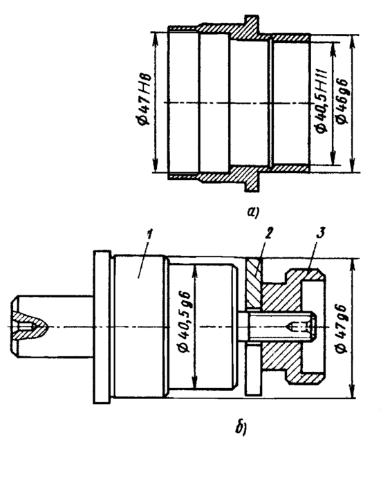
Рис. 3.7. Оправа фотообъектива «Индустар 61»
Эту оправу можно обрабатывать по первой схеме, т.е. за одну операцию, т.к. обрабатываемые поверхности доступны и для одного резца или для двух настроенных резцов. По такой схеме можно получить наивысшую точность соосности.
Деталь базируется и закрепляется в самоцентрирующее устройство по наружной черной базе. При обработке резцом 1 плечико обрабатывается при поперечной подаче. Это сложнее, но зато точнее. Можно обеспечить биение плечика до 0,01 мм. Резцом 2 плечико получают режущей кромкой, установленной перпендикулярно оси вращения. Точность меньше, но зато проще операция, не надо отводить резец. Размер Н, как внутрикомплексный, выдерживается за счет настройки станка.
На рис. 3.8. показана другая конструкция оправы.
Рис.3.8. Оправа объектива «Индустар 50»
Конструкция главной оправы не позволяет выполнять обработку по первой схеме, т.к. поверхности на которые устанавливаются промежуточные оправы разделены буртиками. Обработку выполняют в следующей последовательности.
В первой операции обрабатывается посадочное место под второй элемент, деталь базируется по черной базе в самоцентрирующее устройство.
Затем деталь переставляется на другой станок и базируется по только что обработанной поверхности в самоцентрирующее устройство (см. рис. 3.9).
Замечание. Следует обратить внимание на неочевидность применения промежуточных оправ. Это ухудшает центрировку компонентов, неизбежно образования зазора по посадочным поверхностям (или надо подгонять поверхности) усложняется сборка (чем больше сборочных компонентов тем меньше точность сборки). Почему бы не поставить оптические элементы в главную оправу и закрепить их резьбовым кольцом?
Рис. 3.9. Первая операция обработки объектива «Индустар 50»
Рис.3.10. Пример модернизации конструкции оправы:
а – новая конструкция, б –старая конструкция.
На рис. 3.10 показана работа хорошего конструктора, положение линз не меняется, меняется только конструкция оправы. Все поверхности на рис. 3.9.,а можно обработать за одну операцию и одну установку.
ЭТАП 4.
НАНЕСЕНИЕ ПОКРЫТИЙ.
Отвечая одному из основных требований к узлам крепления «круглой» оптики, а именно, тому, что внутри узла не должно быть паразитных лучей, на внутренние поверхности оправ и тубусов наносятся темные матовые светопоглощающие покрытия. Не углубляясь особо в данную тему, отметим здесь лишь виды и марки покрытий, а о способах их нанесения можно прочитать в дополнительной литературе (к примеру [2]).
Существует множество покрытий, применяемых для защиты материала детали от коррозии, увеличения износостойкости деталей и других свойств. Отметим лишь те типы покрытий, которые нас интересуют.
Из неметаллических неорганических покрытий применяют анодно-окисные покрытия и окисные покрытия.
Анодно-окисные покрытия применяют для меди и ее сплавов, для титана и его сплавов для получения светопоглощающих покрытий. На титане и его сплавах делают толщину покрытия от долей до нескольких десятков мкм. Цвет пленки может приобретать различные цвета спектра и зависит от режимов ее получения.
Окисные покрытия применяют для оксидирования (воронения) стали (кроме литейных деталей, металлокерамики и сборочных единиц), для деталей из алюминия, магния и их сплавов. Покрытие характеризуется невысокими защитными свойствами и применяется как светопоглощающее и в качестве грунта под лакокрасочное покрытие. Цвет покрытия на углеродистой стали – черный с синеватым оттенком. Стали, содержащие легирующие добавки, оксидируются хуже. Толщина оксидной пленки до 1 мкм.
Из металлических покрытий применяют никелевое черное покрытие и хромовое черное покрытие.
Никелевое черное покрытие имеет невысокие физико-механические свойства и малую декоративность. Цвет покрытия от темно-серого до черного. Применяется в качестве светопоглощающего. Интегральный коэффициент отражения в видимой области спектра при нанесении на полированную поверхность составляет 8-10%. Коррозионная стойкость определяется подслоем нанесенным под черный никель.
Хромовое черное покрытие обладает более высокими, чем у черного никеля, защитными и физико-механическими свойствами. Цвет покрытия – черный. Коэффициент отражения этого покрытия по поверхности, обработанной электрокорундом, составляет 2-3%. Для поышения коррозионной стойкости покрытия применяется подслой никеля. Рекомендуется в качестве светопоглощающего покрытия.
Из лакокрасочных покрытий применяются множество, отметим лишь несколько.
Эмаль АК-512. Цвет черный, глубокоматовый. Обладает высокой светопоглощающей способностью и пониженными физико-механическими свойствами, нестойко к воздействию органических растворителей, выдерживает перепад температур от –60 до +80С, не выделяет летучих веществ в вакууме.
Эмаль ХС-1107. Цвет – черный, глубокоматовый. По механическим свойствам, стойкости к органическим растворителям аналогична предыдущей. Выдерживает перепад температур от –60 до +60С.
Эмаль ЭФ-1118 М. Цвет черный, матовый. Обладает высокими физико-механическими свойствами, обладает стойкостью к органическим растворителям. Выдерживает перепад температур от –60 до +100С.
Эмаль МЧ-240М. Цвет черный, матовый. Обладает высокими физико-механическими свойствами, обладает стойкостью к органическим растворителям. Выдерживает перепад температур от –60 до +60С.
ЭТАП 5
ОБРАБОТКА ОКУЛЯРНОЙ РЕЗЬБЫ.
Окулярная резьба – метрическая, многозаходная резьба, довольно мелкая, предназначенная для большого осевого перемещения при малых угловых поворотах компонентов оптических систем, при перемещении не должно нарушаться центрирование системы, поэтому резьба беззазорная.
Окулярная резьба относится к резьбам специального назначения, имеет укороченный профиль с углом 60 и применяется в оправах объективов и окуляров для обеспечения значительных осевых перемещений оправ при небольших (менее 360) углах их относительно разворота. Параметры окулярной резьбы (рис.5.1.) регламентированы ГОСТ5359-50, основные размеры приведены в таблице 1.
Р
ис. 5.1. Параметры окулярной резьбы(а) и оправы с окулярной резьбой(б).
Таблица 1 Основные параметры и размеры окулярной резьбы
(ГОСТ 5359-50), мм
Рекомендуемое число заходов окулярной резьбы 1, 2, 4, 6, 8, 12, 16, 20, однако на практике часто применяют резьбы с нечетным числом заходов 3, 5, 7, 11. Стандартом установлены условные обозначения окулярной резьбы на чертежах. Например, правая одиннадцатизаходная окулярная резьба диаметром 55 мм и шагом 1.5 мм обозначается: Ок 55х (11х1.5) ГОСТ 5359-50; левая восьмизаходная резьба диаметром 40 и шагом 1.5 мм - Ок 40х (8х1.5) левая ГОСТ 5359-50, а правая однозаходная резьба - Ок 12х1.5 ГОСТ 5359-50. Допуски на размеры окулярной резьбы установлены ГОСТ 5359-50, кроме того, к окулярной резьбе часто предъявляются весьма жесткие требования соосности (порядка 0.01-0.05 мм) с резьбовыми и цилиндрическими поверхностями детали, и, наконец, после окончательной обработки резьбы, сборки пары оправ (“винт-гайка”) резьбовое соединение должно удовлетворять заданным допускам по осевой и радиальной качке. Например, после притирки окулярной резьбы (рис.5.1.(б)) оправы 1 (винт) с оправой 2 (гайка) для трех значений величины А должны удовлетворяться следующие требования.
Поверхности под нареза-
Допустимая качка, мм ние окулярной резьбы об-
Р
асстояние рабатывают по 8-9 квали-
А, мм осевая радиальная тету точности и с шерохова-
1 0,02 0,04 обработки оправ с внут-
5 0,025 0,05 ренней и наружной окуляр-
10 0,03 0,06 ной резьбой следующий:
сначала обрабатывают пар-
тию оправ, имеющих внутреннюю резьбу (“гайки”). Контроль нарезанной резьбы осуществляют резьбовыми калибрами - пробками. Затем обрабатывают наружную окулярную резьбу на оправах (“винтах”), которые должны сопрягаться по резьбе и в дальнейшем работать с оправами первой партии. При этом “винты” обрабатывают по “гайкам”, которые используют как “калибры”. “Винт” обрабатывают до тех пор, пока “гайка” не будет навинчиваться на него с определенным усилием. Таким образом, одновременно с обработкой наружной резьбы происходит подбор пар оправ, которые потом притираются, для чего оставляют припуск порядка 0.01-0.015 мм.
Для требуемой плавности хода и отсутствия зазоров в окулярной резьбе на нее обычно не наносят защитных покрытий в отличие от других поверхностей оправ. Поэтому операцию изготовления окулярных резьб, как правило, выполняют после нанесения покрытий. Основным способ обработки окулярной резьбы является ее нарезание с помощью резцов и гребенок на токарно-винторезных, токарных, револьверных станках и специализированных полуавтоматах.
На токарно-револьверных станках окулярную резьбу нарезают с помощью гребенок (рис. 5.2.), устанавливаемых в суппорте резьбонарезного устройства (приклона). Продольная подача инструмента, равная ходу нарезаемой резьбы, и автоматическое деление на заходы осуществляются с помощью механизма, работа которого аналогична работе механизма деления, применяемого на токарных станках. Резьбовой барабан (копир) и кулачок укреплены на валу шпинделя станка. Основное отличие заключается в том, что звездочка и стопорный палец механизма деления закреплены на приклоне. При замыкании звездочки и вращающегося резьбового барабана приклон перемещается параллельно оси шпинделя, обеспечивая продольную подачу инструмента с шагом, равным шагу зубчатого барабана. Инструмент перемещается относительно вращающейся детали и нарезает одну нитку окулярной резьбы. Фрикционно укрепленный на валу шпинделя кулачок и стопорный палец производят автоматическое деление на заходы, точно так же, как и на токарном станке. Периодическая после прорезания всех ниток резьбы радиальная подача инструмента на глубину резания осуществляется вручную с помощью механизма подачи, имеющегося на суппорте.
тостью 














