РПЗ к тех процессу (1073673)
Текст из файла
Московский ордена Ленина, ордена Октябрьской Революции и ордена Трудового Красного Знамени государственный технический университет им. Н.Э. Баумана
Домашнее задание
по технологии изготовления
оптико-электронных приборов
Студент:
Кувшинов А.В.
Группа: РЛ3-61
Преподаватель:
Законников В.П.
Москва 2008 г
Содержание:
-
Схема детали и исходные данные………………………...……………...3
-
Чертеж отливки……………………………………………...…………….4
-
Комментарий чертежа отливки…………………………….…………….5
-
Чертеж детали…………………………………………..…………………6
-
Анализ чертежа детали ………………………………..………………....7
-
Техпроцесс…………………………………………..…………………….8
-
Схема базирования фрезерования пл.1…………………………………10
-
Схема базирования фрезерования пл.2…………………………………11
-
Анализ схем базирования………………………………………………..12
Исходные данные:
- метод литья – под давлением
- материал – Алюминиевый сплав
- размер А=30 мм
- шероховатость Rz=120 мкм
- неуказанные предельные отклонения по IT 14
- относительное удлинение при разрыве δ<1%
- предел прочности >290 МПа
Выберем из таблиц марку алюминиевого сплава так, чтобы ее механические свойства удовлетворяли исходным данным. Подходит сплав АЛ2.Он часто используется в литье. Относится к эвтэктоидным сплавам и имеет хорошые литейные свойства, высокую прочность, коррозионную стойкость. Его характеристики:
σвр=360 МПа
σ0.2=180 МПа
δ=1-3%
Чертеж отливки
Комментарии к чертежу отливки
Получили отливку литьем под давлением. Т.к. отливка тонкостенная(2.5 мм) это благополучно скажется на образовании литейной корки. Для данной отливки нужно получить литьем прямоугольное отверстие (поз.6),т.к. через него будет проходить палец, то для снятия отливки с пальца предусмотрены литейные уклоны на этой поверхности равные 30'. На «крышке» отливки есть радиусы скругления: внутренний = 2.5 мм, внешний = 5 мм. Так же есть радиусы скругления на месте сопряжения стенки «крышки» и основания отливки равные 2.5 мм. Отливка спроектирована под одновременное затвердевание (стенки равнотонкие).
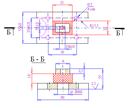
Чертеж детали
Анализ чертежа детали
На чертеже детали указаны размеры и требования к точности только для обрабатываемых поверхностей, а так же связывающие их размеры. Так же на чертеже детали показаны толстой линией поверхности подлежащие механической обработке. Механической обработкой необходимо будет получить поверхности поз.4 и поз.5, а поверхности поз.1,поз.2, поз.3 и поз.6 необходимо довести до указанных жестких требований формы, взаимного расположения и шероховатости поверхности.
Анализ схем базирования
Показанные на чертежах схемы базирования выбраны так, чтобы совместить ТБ и КБ. В результате совмещения данных баз отсутствует погрешность базирования. По таким схемам базирования легче выдержать операционные размеры и следовательно точность изготовления будет высокой.
12
Характеристики
Тип файла документ
Документы такого типа открываются такими программами, как Microsoft Office Word на компьютерах Windows, Apple Pages на компьютерах Mac, Open Office - бесплатная альтернатива на различных платформах, в том числе Linux. Наиболее простым и современным решением будут Google документы, так как открываются онлайн без скачивания прямо в браузере на любой платформе. Существуют российские качественные аналоги, например от Яндекса.
Будьте внимательны на мобильных устройствах, так как там используются упрощённый функционал даже в официальном приложении от Microsoft, поэтому для просмотра скачивайте PDF-версию. А если нужно редактировать файл, то используйте оригинальный файл.
Файлы такого типа обычно разбиты на страницы, а текст может быть форматированным (жирный, курсив, выбор шрифта, таблицы и т.п.), а также в него можно добавлять изображения. Формат идеально подходит для рефератов, докладов и РПЗ курсовых проектов, которые необходимо распечатать. Кстати перед печатью также сохраняйте файл в PDF, так как принтер может начудить со шрифтами.















