Исправленная и дополненная обработка наружных поверхностей2 (1073590)
Текст из файла
ГЛАВА 3
ОБРАБОТКА НАРУЖНЫХ ПОВЕРХНОСТЕЙ ФОРМЫ ТЕЛ
ВРАЩЕНИЯ
1. Общие положения
Все многообразие деталей оптических приборов можно разделить на две группы: детали, образованные наружными и внутренними поверхностями вращения в сочетании с плоскостями, и фасонные детали.
Детали, имеющие форму тел вращения, можно разбить на три класса: валы, втулки, плоские детали вращения - диски.
В класс валов входят валы, валики, оси, пальцы, цапфы и другие детали, которые образуются в основном наружной поверхностью вращения (цилиндрической, а иногда конической) и несколькими торцевыми поверхностями.
К классу втулок относят втулки, вкладыши, гильзы, буксы и другие детали, характеризующиеся наличием наружной и внутренней цилиндрических поверхностей.
В класс дисков входят.диски, шкивы, маховики, кольца, фланцы и другие де тали, которые характеризуются небольшой длиной (шириной) и большими диаметрами, т.е. большими торцевыми поверхностями.
Фасонные детали (корпуса, кронштейны, стойки, пластины и др.) оформляются при сочетании плоскостей, наружных и внутренних цилиндрических поверхностей и фасонных поверхностей.
При механической обработке сущность образования поверхности практически не зависит от того в какой детали она находится. Поэтому, например, одинаково формообразование наружной цилиндрической поверхности валика и той же поверхности фасонной детали. Однако, применяя одинаковые по точности процессы для обработки названных поверхностей, можно получить разную точность наружной поверхности валика и фасонной детали. Но это будет вызвано конструктивными особенностями детали, например, поверхность валика значительно длиннее и он будет прогибаться под действием сил резания, что приведёт к отклонению формы поверхности.
2. Оборудование и его технологические возможности
Детали всех трёх классов обрабатываются на токарных, токарно -копировальных револьверных, карусельных, горизонтально многорезцовых станках и на вертикальных одношпиндельных и много - шпиндельных автоматах.
На указанных станках можно выполнять следующие операции (рис.21): 1) обтачивание наружных цилиндрических - а,б,в, конических и фасонных поверхностей - ж, 2) растачивание цилиндрических - и,к и конических отверстий, 3) подрезание торцовых поверхностей - г, 4) протачивание канавок - д,е и снятие фасок, 5) нарезание наружной - з и внутренней резьбы, 6) сверление, 7) зенкерование, 8) развертывание, 9) накатывание рифлений и д,р.
Рисунок 1. Работы выполняемые при точении различными резцами: а) проходным прямым; б) проходным отогнутым; в) упорным; г) подрезным; д) отрезным; е) прорезным; ж) фасонным; з) резьбовым; и) расточным проходным; к) расточным упорным.
Из станков токарной группы наиболее универсальным является токарный станок общего назначения, на котором можно выполнять наибольшее „количество самых разнообразных операций. Однако его универсальность обуславливает его малую производительность по сравнению со специальными станками. Поэтому он типичен для единичного и мелкосерийного производства и совершенно непригоден для массового.
На (рис.22) изображен общий вид токарно-винторезного станка, указаны основные части, узлы и органы управления.
Рисунок 2. Схема токарно-винторезого станка.
1 – коробка подвч, 2 – гитара, 3 – рукоятки управления коробкой скоростей, 4 – передняя бабка, 5 – продольный суппорт, 6 – поворотный суппорт, 7 – резцедержатель, 8 –маховик, 9 – каретка, 10 – маховик, 11 – фартук, 12 – ходовой винт, 13 – ходовой валик, 14 – центр, 15 – задняя бабка, 16 – маховик, 17 - станина
Шпиндель получает вращение от расположенного в левой тумбе электродвигателя -через клиноремённую передачу и коробку скоростей - систему зубчатых колес и муфт, размещенных внутри передней бабки 4. Коробка скоростей управляется системой рукояток 3 и позволяет изменять частоту вращения шпинделя.
Суппорт - устройство для закрепления резца, обеспечения движения подачи. Подачи могут осуществляться вручную (продольная подача при вращении маховика 10, поперечная - маховика 8) и механически. Механическое движение подачи суппорт получает от ходового валика 13 или ходового винта 12.
Суппорт состоит из продольного суппорта 5, установленного на направляющих станины и обеспечивающего продольную подачу и верхнего поворотного суппорта 6, который перемещаясь по направляющим продольного суппорта б перпендикулярно оси вращения заготовки, обеспечивает поперечную подачу Snn. Верхний суппорт можно устанавливать под любым углом к оси вращения заготовки, поворачивая его в горизонтальной плоскости по каретке 9. На верхнем суппорте смонтирован четырехпозиционный поворотный резцедержатель 7, в котором можно одновременно закреплять четыре резца.
Суппорт содержит Фартук 11 - система механизмов, преобразующих вращательное движение ходового винта и ходового вала в прямолинейное движение суппорта.
Коробка подач 1 - механизм, передающий вращение ходовому винту и ходовому валу и изменяющий величину подачи, суппортов. Величина подачи устанавливается рукоятками, размещенными на передней панели коробки подач.
Коробка сменных зубчатых колес 2 - необходима для наладки станка на нарезание резьбы ( эта коробка называется гитара).
Задняя бабка 15 служит для поддержания правого конца длинных заготовок с помощью центра 14 или для установки инструмента (сверла, зенкера, развертки). Задняя бабка может перемещаться по направляющим станины в направлении Snp.6, верхняя часть бабки по ее основанию может быть смещена в направлении Sn.6, пиноль бабки при вращении маховика 16 перемещается в направлении Sпин.
3. Установка и закрепление деталей
Для осуществления процесса обработки необходимо придать заготовке определенное положение относительно оси вращения шпинделя и вдоль оси (это есть установка заготовки – базирование или ориентирование) и закрепить ее в этом положении.
В зависимости от заданной точности, размеров и конфигурации деталей их обрабатывают на токарных станках в центрах и патронах, на угольниках и оправках.
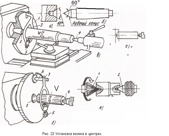
Обработка в центрах. Самым распространенным способом обработки деталей типа валов является обработка в центрах (рис.23), при этом в торцевых поверхностях заготовки делают центровые отверстия (рис.23,а). При установке заготовки на станке в центровые отверстия вводят передний 2 и задний 4 центра (рис.23,в и д) Конструкция жесткого центра показана на рис.23,6. Для передачи заготовке вращения служат поводковый патрон 1 и хомутик 3, закрепляемый винтом 5 на конце заготовки. Свободный конец хомутика с помощью паза (рис.23,в) или пальца 6 (рис.23,д) приводит деталь во вращение. В первом случае хомутик 3 делается отогнутым, а во втором - прямым. Прямой хомутик менее опасен в работе (в схемах обработки установку в центрах обозначают так как показано на рис.23.г).
Преимущество обработки в центрах является то, что при установке детали отпадает какая-либо необходимость в ее выверке.
Задний центр токарного станка в отличие от переднего играет роль подшипника, так как между ним и заготовкой происходит относительное движение, а следовательно, и трение. Поэтому при обработке деталей на больших скоростях (V > 75 м/мин) применяются вращающиеся задние центры с шарико - или роликоподшипниками, конструкции которых стандартизированы для малых, средних и тяжёлых нагрузок.
Рисунок 3. Установка валика в центрах: а) центровочное отверстие вала, б) центр, в) устройство установки в центрах, г) схема установки в центрах, д) устройство установки в центрах с другим поводком, е) установка на «ерш»
Недостатком вращающихся центров является их малая жесткость и склонность вызывать вибрации при резании в особенности при некотором износе и увеличении зазоров в подшипниках.
Рисунок 4. Установка детали: а) на жестком центре, б) на плавающем переднем центре.
Установка детали на центрах станка не обеспечивает стабильного положения их вдоль оси, так как глубина центровых отверстий может быть различной (в пределах допуска).
Чтобы обеспечить одинаковое положение всех деталей вдоль оси при различной глубине центровых отверстий применяют плавающие центра.
Схема установки детали на жестком переднем центре приведена на рис.24а на плавающем - на рис.24.б. При установке детали на жесткий передний центр и одновременной обработке торцов погрешность от установки для размера А равна нулю (рис.24.а). Для размера b от левого торца, являющегося исходной базой, эта погрешность будет равна Δ и определяется точностью центровых отверстий. При установке той же детали на плавающий передний центр (рис.24,6) положение левого торца вала для заготовок всей партии будет определяться упором и сохраняться постоянным относительно резцов, установленных на размеры а. и в.
Применение поводкового патрона с хомутиком связано с рядом недостатков. К ним относятся: большое вспомогательное время на установку и снятие хомутика; невозможность обработки детали по всей длине без ее перестановки; трудность обеспечения безопасных условий работы иэ-эа выступающих частей хомутика и поводкового патрона и т.п.
Указанных недостатков не имеет быстродействующие поводковые устройства современных конструкций, которые обеспечивают как правильную установку детали, так и передачу крутящего момента без использования хомутика (рис.23,г) (поводком для валиков малых диаметров может служить рифлёный поводковый центр "ёрш") На рис. 25 показан самозажимной хомутик. Кольцо 1 надевают на заготовку, установленную в центрах. При включении вращения шпинделя планшайба воздействует на поводок 4, который поворачиваясь на оси 2, захватывает заготовку рифлёной поверхностью. В исходное положение поводок возвращается пружиной 3.
Рисунок 5. Самозажимной поводковый хомутик.
Применение люнетов. При обработке валов установленных в центрах заготовка под действием силы резания деформируется (прогибается). Прогиб приводит к увеличению размера в средней части вала (бочкообразность), вызывает сильные вибрации и может привести даже к вырыву заготовки из центров. Величина прогиба вала при действии одной и той же силы зависит от его жесткости, которая определяется отношением l/d, где I - длина, a d - диаметр вала. При отношении l/d <5 вал считается жестким, при l/d=5-12 - полужестким, а при l/d>12 - нежестким. Чтобы избежать чрезмерного прогиба при обработке нежестких валов установленных в центрах, применяют специальные поддерживающие устройства, называемые люнетами. Люнет (рис.26) состоит из жесткого корпуса 1 и трех независимо перемещающихся в радиальном направлении кулачков 2. Люнеты бывают неподвижные, закрепляемые на направляющих станины, и подвижные, закрепляемые на каретке суппорта и движущиеся вместе с ним в продольном направлении.
Рисунок 6. Люнет с роликовыми кулачками.
Рисунок 7. Схема обработки нежесткого вала в центрах и неподвижном люнете.
Для обработки вала с неподвижным люнетом необходимо проточить на нём шейку под кулачки люнета. Для этого зацентрированный вал закрепляют в центрах и в средней его части (ближе к передней бабке) протачивают на пониженных режимах шейку. Так как шейка служит для установки детали, то она должна быть обработана с минимальными отклонениями от геометрической формы. Точность размеров шейки зависит от типа производства. Жесткие допуски на диаметр шейки оправдывают себя в крупносерийном и массовом производстве при работе на настроенных станках. В серийном и мелкосерийном производстве шейку можно обрабатывать и грубее.
Затем на станину станка устанавливают неподвижный люнет, так чтобы его кулачки охватывали проточенную шейку и обрабатывают заготовку от задней бабки до люнета (рис.27,а). Далее переустанавливают вал, так что его необработанная часть оказывается у задней бабки, и обрабатывают её (рис.27,6).
Характеристики
Тип файла документ
Документы такого типа открываются такими программами, как Microsoft Office Word на компьютерах Windows, Apple Pages на компьютерах Mac, Open Office - бесплатная альтернатива на различных платформах, в том числе Linux. Наиболее простым и современным решением будут Google документы, так как открываются онлайн без скачивания прямо в браузере на любой платформе. Существуют российские качественные аналоги, например от Яндекса.
Будьте внимательны на мобильных устройствах, так как там используются упрощённый функционал даже в официальном приложении от Microsoft, поэтому для просмотра скачивайте PDF-версию. А если нужно редактировать файл, то используйте оригинальный файл.
Файлы такого типа обычно разбиты на страницы, а текст может быть форматированным (жирный, курсив, выбор шрифта, таблицы и т.п.), а также в него можно добавлять изображения. Формат идеально подходит для рефератов, докладов и РПЗ курсовых проектов, которые необходимо распечатать. Кстати перед печатью также сохраняйте файл в PDF, так как принтер может начудить со шрифтами.
















